07РАЗДЕЛЫ ДИПЛОМА (1226822), страница 12
Текст из файла (страница 12)
Принимаем общее число горизонтальных полос:
nГ = 9 +8 = 17.
Уточняем длину горизонтальных полос при представлении площади подстанции квадратичной моделью со стороной
=
= 50,961 м.
В этом случае число ячеек:
, (В.20)
.
Принимаем число ячеек m = 8.
Длина стороны ячейки:
, (В.21)
м.
Длина горизонтальных полос в расчетной квадратичной модели:
, (В.22)
м.
Определяем количество вертикальных электродов. Расстояние между вертикальными электродами принимаем кратным длине стороны ячейки: а = 12 м - расстояние между вертикальными электродами.
Тогда количество вертикальных электродов:
. (В.23)
Принимаем nB = 17.
Определяем стационарное сопротивление заземлителя:
, (В.24)
где
- коэффициент подобия. Принимаем
[9, стр. 415].
Импульсный коэффициент:
. (В.25)
Определяем импульсное сопротивление грунтов:
Ом, (В.26)
Ом,
Ом.
Импульсное сопротивление грунта не превышает допустимого значения, следовательно, дополнительных мер по снижению импульсного сопротивления не требуется.
Рассмотрим защиту ПС «Кенада»от прямых ударов молнии. Защита ОРУ 35 кВ и выше от прямых ударов молнии должна быть выполнена отдельно стоящими или установленными на конструкциях стержневыми молниеотводами. От стоек конструкций ОРУ 35 кВ и выше с молниеотводами должно быть обеспечено растекание тока молнии по магистралям заземления не менее чем в двух направлениях с углом не менее 90º между соседними. Кроме того, должно быть установлено не менее одного вертикального электрода длиной 3-5 м на каждом направлении, на расстоянии не менее длины электрода от места присоединения к магистрали заземления стойки с молниеотводом [8, п. 4.2.135].
Нормируется два вида зон:
Зона А - с надежностью не менее 0.995 и
кВ;
Зона Б - с надежностью не менее 0.95 и
кВ.
Предварительно рассмотрим установку 2 стержневых молниеотводов – на опоре подхода ВЛ, отдельно стоящих между силовыми трансформаторами и КРУН. Обозначим эти молниеотводы цифрами 1, 2 (см. лист 4 графической части).
Рассмотрим зоны защиты двух равновеликих стержневых молниеотводов (рисунок В.1).
Рассчитываем зону защиты типа – А - с надежностью не менее 0,995 и
кВ, так как имеем номинальное напряжение ПС 35 кВ.
Рисунок В - Зоны защиты совместного стержневого молниеотвода
Принимаем высоту молниеотвода:
м.
Высота зоны защиты при высоте молнееотвода до 150 м включительно:
м. (В.27)
Радиус круга зоны защиты на уровне земли:
м. (В.28)
Высота защищаемого объекта (линейный портал):
м. Расстояние между молниеотводами:
м. Половина ширины внутренней зоны на уровне земли для равновеликих молниеотводов при
:
м.
Минимальная высота зоны защиты:
м. (В.29)
Половина ширины внутренней зоны на высоте защищаемого объекта:
м. (В.30)
Рассчитаем радиус круга зоны защиты на уровне защищаемого объекта:
м. (В.31)
Из результатов расчета видно, что основное условие защищенности объектов на высоте 8 м c надежностью, соответствующей зоне защиты А выполняется.
ПРИЛОЖЕНИЕ Г
(обязательное)
Программа работы микроконтроллера:
PROGRAM Machine
VAR
TEMPERATURE: REAL;
K1: REAL;
K4: REAL;
K3: REAL;
K2: REAL;
ALARM: BOOL;
END_VAR
K1:=0;
K2:=0;
K3:=0;
K4:=0;
IF TEMPERATURE > 50
THEN
K1:=(TEMPERATURE/2)-25;
IF K1 > 10
THEN K1:=10;
END_IF;
ELSE
K1:=0;
END_IF;
IF TEMPERATURE > 60
THEN
K2:=(TEMPERATURE/2)-25;
IF K2 > 10
THEN K2:=10;
END_IF;
ELSE
K2:=0;
END_IF;
IF TEMPERATURE > 65
THEN
K3:=(TEMPERATURE/2)-25;
IF K3 > 10
THEN K3:=10;
END_IF;
ELSE
K3:=0;
END_IF;
IF TEMPERATURE > 70
THEN
K4:=(TEMPERATURE/2)-25;
IF K4 > 10
THEN K4:=10;
END_IF;
ELSE
K4:=0;
END_IF;
IF TEMPERATURE > 120
THEN
ALARM1:=TRUE;
END_IF;
IF TEMPERATURE > 150
THEN
ALARM2:=TRUE;
END_IF;
(справочное)
Таблица Г – Технические данные контроллера ОВЕН ПЛК 150
| Процессор | RISC архитектура, 32-х разрядный ARM9, 50MHz |
| Система программирования | CoDeSys v2.3.х |
| Объем ОЗУ для хранения переменных программ: | 8MB, max размер программы 1MB |
| Тип, объем памяти хранения программ: | 4MB, Flash, доступно пользователю 3 MB |
| Объем энергонезависимой памяти (Retain) | 4KB (до 16KB) |
| Время цикла ПЛК | 1 ms при логической обработке 50 дискретных сигналов при отсутствии обмена по сети, настраивается |
| Аппаратные часы реального времени | есть, питание от встроенного аккумулятора |
| Конструктивное исполнение | Моноблок, на ДИН - рейку |
| Питание: | 220\24В |
| Потребляемая мощность: | до 12ВА |
| Климатическое исполнение: | IP20, (-20+70)град С |
| Человеко-машинный интерфей: | Светодиодная индикация состояния контроллера и дискретных входов\выходов |
| Интерфейсы: | |
| Ethernet: | Есть, протокол ModBus TCP, UDP, любые IP протоколы |
| RS-485, скорость, развязка: | 1шт, до 115 200 Kbps, развязан |
| Протоколы последовательных портов: | ModBus (RTU, ASCII), Dcon, ОВЕН |
| Дискретные входы на борту, тип, развязка: | 6, развязка групповая, 1500В. Сухой контакт, ключевой элемент. |
| Частота срабатывания дискретных входов: | 1(до 10) КГц |
| Дискретные выходы на борту, тип, развязка: | 6 реле, развязка индивидуальная 1500В |
| Аналоговые входы на борту, развязка, частота опроса: | 4, 500мс все каналы, групповая гальваническая развязка 1500В |
| Тип подключаемых датчиков, схема подключения: | Термосопротивления, Термопары, Датчики тока и напряжение, Резистивные датчики, двухпроводная схема подключения |
| Аналоговые выходы на борту | 2, групповая гальваническая развязка 1500В |
| Тип аналоговых выходов: | 4-20мА, 0-10В, 4-20мА\0-10В, питание внешнее |
| Возможности расширения: | внешними модулями ввода\вывода |
| Поддержка дополнительных сервисов: | Встроенный аккумулятор, Архиватор на Flash контроллера |
| Электро-магнитная совместимость: | IEC, Класс А по ГОСТ 51522-99 |
(обязательное)
Расчет характеристик системы управления скоростью и моментом двигателя
Система управления приводом выполняется во вращающейся системе координат, где действуют сигналы постоянного тока, а векторное математическое описание двигателя переменного тока делает его подобным двигателю постоянного тока с независимым возбуждением. Это дает возможность строить приводы переменного тока с векторным управлением по принципам подчиненного регулирования и использовать в них стандартные настройки контуров, разработанные для приводов постоянного тока[10].
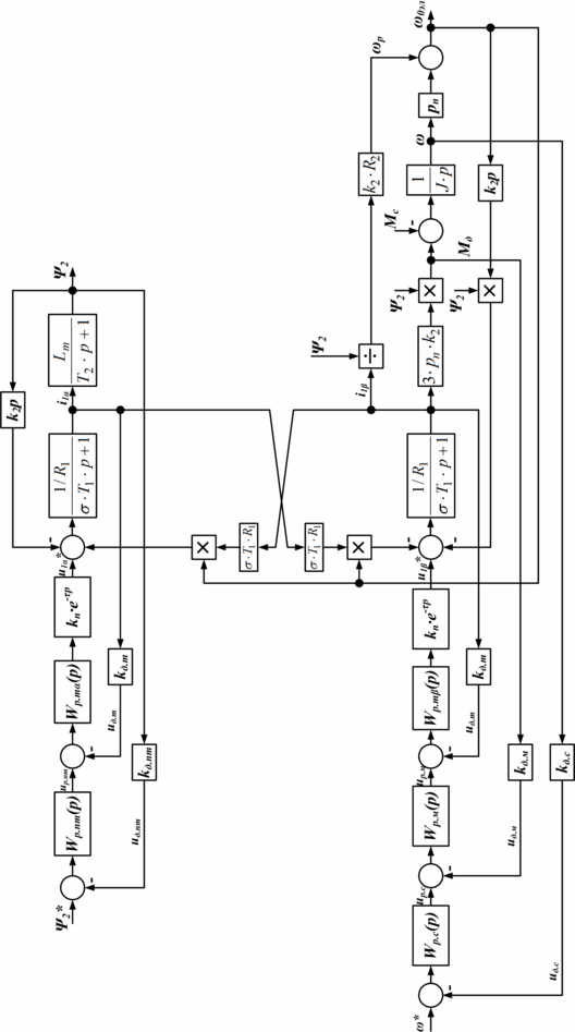
Стандартные настройки широко применяются в системах с подчиненными контурами регулирования. Система при этом структурно разбивается на несколько контуров, каждый из которых содержит свой объект регулирования. Структурная схема системы, предназначенная для определения структуры и параметров регуляторов и для расчета переходных процессов, приведена на рисунке Г2
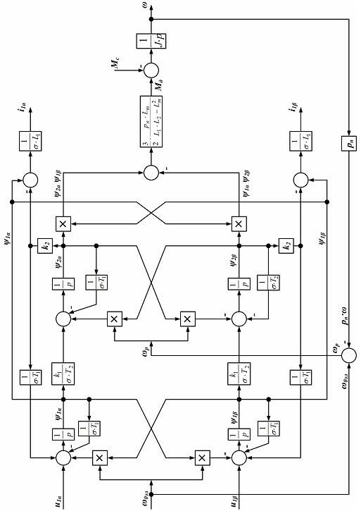
Схема построена с использованием математического описания ненасыщенного асинхронного двигателя во вращающейся системе координат. Преобразователь характеризуется коэффициентом передачи по напряжению и чистым запаздыванием на время τ, равное периоду ШИМ инвертора. Считается, что токи i1A, i1B, i1С, а следовательно, и i1α и i1β, измеряются безынерционными датчиками тока с некоторым коэффициентом kд.т. Датчик скорости имеет коэффициент передачи kд.сНа рисунке Г1 приведена структурная схема асинхронного двигателя при произвольном повороте вращающейся системы координат относительно пространственных векторов. Данная структурная схема используется в системе рисунка Г2 в качестве промежуточной подсистемы (блока) с входными величинами u1α, u1β, ω0эл, Мс и выходными параметрами i1α, i1β, ω.[11]
| Рисунок Г1 – Структурная схема системы регулирования скорости при векторном управлении асинхронным двигателем | ||
|
| Рисунок Г2 – Структурная схема асинхронного двигателя при произвольном повороте вращающейся системы координат относительно пространственных векторов | |
Для определения передаточных функций блоков рисунков 11.3–11.4 (указанные в разделе №11), определим индуктивности рассеяния обмоток схемы замещения асинхронного двигателя, Гн:
|
| (Г.1) |
где fc = 50 Гц – частота напряжения сети;
;
|
| (Г.2) |
|
| (Г.3) |
;
.
Полные индуктивности обмоток статора и ротора определяются формулами, Гн:
| L1 = L'1 + Lm; | (Г.4) |
| L2 = L'2 + Lm; | (Г.5) |
L1 = 0,0099 + 0,087 = 0,0956;
L2 = 0,0099 + 0,087 = 0,0956.
Постоянные времени фаз обмоток статора и ротора, с:
|
| (Г.6) |
|
| (Г.7) |
;
;
;
;
;
; 














