07РАЗДЕЛЫ ДИПЛОМА (1226822), страница 7
Текст из файла (страница 7)
- Мгновенное ограничение тока (FCL) для работы без отключения двигателя
- Встроенное динамическое торможение постоянным током
- Комбинированное торможение для улучшения возможностей торможения
- Времена ускорения и торможения с программируемым сглаживанием
- Использование замкнутого PID регулятора с автоподстройкой
- Встроенный прерыватель тормоза
- Выбираемая интенсивность разгона и остановки
- 4-х точечная интенсивность сглаживания
- Многоточечная V/f характеристика, задаваемая пользователем
- Установленные параметры могут быть перенесены на другие устройства аналогичных процессов
Особенности защиты:
- Защита от повышенного и пониженного напряжений
- Защита преобразователя от перегрева
- Защита от замыкания на землю
- Защита от короткого замыкания
- Защита от перегрева двигателя по потерям I2 t
- Защита двигателя по термисторам PTC/KTY
Для привода электронасоса системы охлаждения выберем преобразователь MICROMASTER 6SE6440 4 кВт.
Рисунок 10.1.2 MICROMASTER
6SE6440 4 кВт, внешний вид
Номинальная мощность (кВт) 4,0
Макс. выходной ток (А) 17,5
Входной ток (А) 13,1
Степень защиты IP20
Перегрузочная способность:
Постоянный момент 1,5 номинальных токов в течение 60 секунд каждые 300 секунд;
2 номинальных тока в течение 3 секунд каждые 300 секунд
Переменный момент 1.1
номинального тока длительно;
2 номинальных тока в течение 3 секунд каждые 300 секунд
Входная частота от 47 до 63Гц
К.П.Д. инвертора 96-97%
10.2 Расчёт элементов силовой части.
10.2.1 Расчет и выбор элементов сглаживающего фильтра
Сглаживающие дроссели устанавливаются в звене постоянного тока низковольтных агрегатов и служат для снижения переменной составляющей тока через конденсаторы фильтра и уменьшения зоны прерывистых токов при работе электропривода. Конденсатор предназначен для замыкания реактивной составляющей тока статора.
Качество фильтра определяется коэффициентом сглаживания, который определяется:
|
| (10.1) |
где qвх – коэффициент пульсаций на входе фильтра; qвых - коэффициент пульсаций на выходе фильтра принимается в пределах 0,01…0,1; выберем qвых=0,01.
Коэффициент пульсаций на входе фильтра определяется по формуле:
|
| (10.2) |
где n – число пульсаций выпрямителя; для трехфазной мостовой схемы n=6; α - угол управления вентилей выпрямителя; α =0, так как напряжение регулируется в АИН, а тиристорный преобразователь неуправляемый.
Определим численное значение коэффициента сглаживания
Емкость фильтра принимается из расчета 100 мкФ на 1 кВт мощности двигателя.
Расчетная мощность фильтра определится:
Cф1 = 100·Рдвном = 100·3 = 300мкФ
Индуктивность фильтра определяется по формуле:
|
| (10.3) |
где ω = 2·π·fc = 2·3,14·50 = 314 рад/с - циклическая частота питающей сети.
10.2.2 Выбор тормозного резистора
В ПЧ с АИН отсутствует рекуперация энергии в питающую сеть. При необходимости возврата энергии в сеть питания входной выпрямитель в ПЧ с АИН должен быть реверсивным и управляемым. При отсутствии подобного выпрямителя для обеспечения режима динамического торможения АД параллельно фильтру Ф устанавливается узел сброса энергии на основе IGBT-модуля и силового резистора R. При превышении допустимого напряжения на выходе фильтра ключ открывается и обеспечивает разряд конденсатора на тормозной резистор R.
Тормозное сопротивление выбирается из условия равенства кинетической энергии механизма и энергии отдаваемой в тормозное сопротивление:
|
| (10.4) |
где tт = 1,1 – время торможения двигателя, с; JΣ = 6 суммарный момент инерции механизма, кг∙м2; ω = 157 – максимальная скорость на валу двигателя.
Выразим значение сопротивления тормозного резистора, Ом:
|
| (10.5) |
Таким образом, получаем:
11 СИТЕМА УПРАВЛЕНИЯ
11.1 Разработка алгоритма работы системы управления
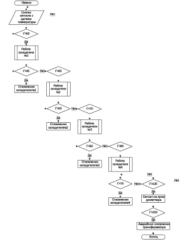
Цифровая система управления осуществляет включение малогабаритных охладителей в зависимости от температуры масла в трансформаторе. Каждый малогабаритный охладитель состоит из маслонасоса с электродвигателем, запитанным от преобразователя частоты и трубчатого радиатора, обдуваемого двумя вентиляторами, двигатели которых включаются прямым пуском. Расположение охладителей показано на схеме (Рисунок 11.1), сигнал температуры снимается с термопары в верхней части бака трансформатора. При превышении температуры масла выше 50˚С, включается охладитель№1, при дальнейшем росте температуры – охладитель №2 и т.д. . При температуре масла выше 120 ˚С и работе всех охладителей, система посылает предупреждающий сигнал на пульт диспетчера. При скачке температуры до значений опасных для изоляции обмоток происходит аварийное отключение трансформатора.
Рисунок 11.1 – Схема расположения охладителей на корпусе трансформатора
Для реализации цифровой части системы управления на ПЛК, составим алгоритм технологического процесса:
Рисунок 11.2 – Алгоритм работы системы управления
Алгоритм рисунка 11.2 отображает общую схему управления процессом. Рассматривая блок «Работа охладителя» можно построить алгоритм управления двигателем маслонасоса охладителя (рисунок 11.3) Программа осуществляет пропорциональное увеличение сигнала задания в функции от температуры масла, с ограничением управляющего сигнала на уровне Uз = 10.
Рисунок 11.3 – Алгоритм блока «работа охладителя»
11.2 Разработка программы управления для микроконтроллера
Большинство современных промышленных контроллеров поддерживают языки программирования, одобренные МЭК, в данной работе использовался универсальный пакет программирования промышленных контроллеров CoDeSys. В составе данного пакета содержатся 5 базовых языков, из которых был выбран язык высокого уровня ST (структурированный текст).
Программа работы микроконтроллера, осуществляющего регулирование подачи топлива в топку котла, с использованием языка ST (приложении Г).
В листинге программы управления микроконтроллером:
TEMPERATURE – сигнал с термопары в баке трансформатора;
К1 – сигнал задания охладителя №1;
К2 – сигнал задания охладителя №2;
К3 – сигнал задания охладителя №3;
К4 – сигнал задания охладителя №4;
ALARM1 – сигнал «Авария» на пульт диспетчера;
ALARM2 – сигнал на аварийное отключение трансформатора.
Для реализации системы управления технологическим процессом выбираем программируемый промышленный контроллер ОВЕН ПЛК 150. Контроллеры ОВЕН ПЛК150 выполнены в полном соответствии со стандартом ГОСТ Р 51840-2001 (IEC 61131-2), что обеспечивает высокую аппаратную надежность.
По электромагнитной совместимости контроллеры соответствуют критерию А по соответствующим ГОСТ-ам, что подтверждено неоднократными испытаниями изделия.
Изначально в контроллеры данной линейки заложены мощные аппаратные ресурсы, Мощный процессор и достаточно большое количество памяти, как ОЗУ, так и ПЗУ (Flash).
Программирование контроллеров осуществляется в профессиональной, распространенной, и совершенно бесплатной для покупателей ОВЕН среде CoDeSys v.2.3.x.
Особенностью контроллеров является небольшое количество точек ввода\вывода и расширенным количеством интерфейсов на борту. Каждый контроллер имеет порт Ethernet и от 2 до 3 последовательных портов RS232(RS485) в зависимости от модели. Помимо поддержки самых распространенных протоколов обмена ModBus (RTU, ASCII), ОВЕН, DCon поддержана возможность работы напрямую с портами контроллера, что позволяет подключать внешние устройства с нестандартными протоколами.
Рисунок 11.4 – Промышленный
контроллер ОВЕН ПЛК 150,
общий вид.
Контроллер имеет встроенные часы, что позволяет создавать системы управления с учетом реального времени.
Наличие Flash памяти позволяет организовывать архивирование данных на самом ПЛК.
Технические данные контроллера ОВЕН ПЛК 150 приведены в таблице Б2 (приложение Г).
Расчет характеристик системы управления скоростью и моментом двигателя (приложение Г).
11.3 Исследование системы управления электроприводом на цифровой модели
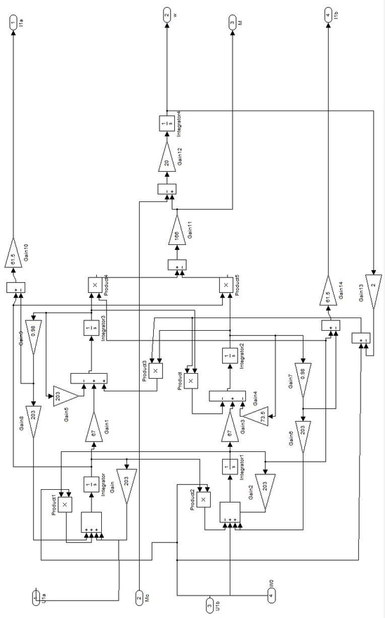
Расчеты переходных процессов выполнены по структурной схеме (рисунок Г2) в среде MATLAB R2010b Simulink [21]. Входящая в нее подсистема «a-b scheme» представляет собой структурную схему модели асинхронного двигателя при произвольном повороте вращающейся системы координат α-β относительно пространственных векторов [22].
| Рисунок 11.5 – Структурная схема регулирования скорости при векторном управлении асинхронным двигателем выполненная в MatLab |
| Рисунок 11.6 – Структурная схема подсистемы «a-b scheme» асинхронного двигателя при произвольном повороте вращающейся системы координат относительно пространственных векторов выполненная в MatLab |
Рисунок 11.7 – Зависимость М = f(t) при подаче сигнала управления
Рисунок 11.8 – Зависимость ω = f(t) при подаче сигнала управления
Рисунок 11.9 – Зависимость М = f(t) при подаче возмущающего воздействия
Рисунок 11.10 – Зависимость ω = f(t) при подаче возмущающего воздействия
12 РАЗРАБОТКА МЕРОПРИЯТИЙ БЕЗОПАСНОСТИ ЖИЗНИДЕЯТЕЛЬНОСТИ ПРИ РАБОТАХ НА ПОНИЗИТЕЛЬНЫХ ПОДСТАНЦИЯХ
Современные электроустановки потребителей оснащены новейшей техникой, в которых заложены принципы охраны труда. Для обеспечения безопасных условий труда в электроустановках потребителей необходимо, чтобы конструкции электрического оборудования были бы надежными и безопасными. Конструкции электрических машин, аппаратов, кабельных и воздушных линий и РУ обеспечивают здоровые и безопасные условия труда для обеспечивающего электротехнического персонала, а также работников других специальностей, соприкасающихся с электроустановками в процессе передачи, распределения и преобразования электроэнергии. При эксплуатации электроустановок не исключены различные их повреждения (пробой изоляции, нарушение блокировок), в результате чего могут возникнуть тяжелые аварии и несчастные случаи с людьми. Кроме того, нарушения производственных инструкций и правил техники безопасности самим персоналом в процессе эксплуатации электроустановок могут явиться причинами несчастных случаев и профессиональных заболеваний.
12.1 Анализ вредных и опасных производственные факторов на подстанции
Под факторами производственной среды, в которой осуществляется деятельность человека, понимают самые различные факторы этой среды – от физических до социально-психологических. Все эти факторы, так или иначе, влияют на организм человека.
Среди их многообразия выделяют такие производственные факторы, которые при определенных условиях представляют собой опасность (угрозу) для человека.
;
;
;
;















