Организация работы ФГБУ ПТЦ ФПС МЧС по Хабаровскому краю (1224544), страница 11
Текст из файла (страница 11)
01.07.2002 года – ПТЦ ГПС МЧС России Хабаровского края
01.02.2005 года – ПТЦ ГПС МЧС России по Хабаровскому краю
01.04.2006 года – Государственное учреждение «ПТЦ ФПС по Хабаровскому краю»
01.01.2012 года – Федеральное государственное бюджетное учреждение «ПТЦ ФПС по Хабаровскому краю»
На основании вышеизложенного, следует считать дату образования 15 - вспомогательной военизированной пожарной команды МВД города Хабаровска
22 апреля 1948 года - исторической датой рождения Федерального государственного бюджетного учреждения «Производственно-технический центр федеральной противопожарной службы по Хабаровскому краю».
Приложение В
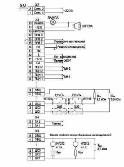
Схема внешних соединений «Гранит-3»
Приложение Г
Схема подключения извещателя по 2-х проводному шлейфу:
Приложение Д
Приложение Е
Варианты надписей и пиктограмм на табло:












