Пояснительная записка (1223895), страница 4
Текст из файла (страница 4)
Центратор цепной является шарнирным висьмиреберником из пластических и промежуточных цепей, с нажимными роликами в узлах. Последняя запорная цепь запирающим крюком надевается на крестовину-гайку. При движении крестовины вверх по резьбой винта рамки обжимают концы труб.
Для того чтобы произвести сборку стыка, центратор надевается на конец трубы на половину своей ширины. Катушка, которая поднимается центратором вводится концом в свободную часть центратора, подгоняют до конца трубы так, чтобы по периметру образовалось минимальное смещение кромок и устанавливается требуемый зазор между торцами. Размер технологического зазора при врезке катушки должен быть не более двух миллиметров. С помощью специального шаблона осуществляется проверка качества подготовки стыка к сварке.
Когда выполнены все вышеуказанные условия, центратор зажимается. В случае если в местах стыка получили смещение кромок более, чем это допустимо по СНиП, на края смещенной участка ставят усиленные прихватки длиной от 75 до 100 мм, а смещены края труб подводят кувалдой. Кромки не должны быть смещены не более 2 % толщины стенки трубы, но не более 3 мм. Кромки труб разрешается поправлять подбивкой только в верхней половине стыка, предварительно провести нагрев не менее 300°С. Тщательно осматриваются после правки прихватки и при наличии в них трещин вырубаются.
Для врезки катушки используют только ручную электродуговую сварку на постоянном токе, чтобы добиться более устойчивой электрической дуги.
Электроды для сварки используют с основным видам покрытия типа УОНИ 13/55, УОНИ 13/45. Чтобы обеспечить полный провар шва сварку коренного слоя выполняют электродами диаметром 3 или 3,25 миллиметров. Последующие слои выполняют электродами диаметром 4 мм. В зависимости от толщины трубы и покрытия электродов выбирают число слоев в шве. Для электродов с основным покрытием при S = 9-15мм необходимо от 3 до 4 проходов. Все слои шва перед наложением следующего нужно зачистить от шлаков и брызг шаровыми металлическими щетками или специальным пневмоинструментом. Выбор режима сварки выбирают в зависимости от толщины электродов, толщины сварных стенок, скорости сварки и количества слоев в шве.
Выбор катушки с применением подкладного кольца, выполненного из стальной полосы шириной 50 мм и толщиной от 3 до 4 мм. Вводят прокладное кольцо в газопровод так, чтобы его кромка была на одном уровне с кромкой трубы газопровода. Когда катушка отцентрована, подкладное кольцо с помощью инструмента с остро заточенным концом передвигают вглубь катушки до того момента, пока середина наружной поверхности ее не станет против зазора.
Пока производятся огневые работы, ведется детальное наблюдение за давлением газа в газопроводе. У любого линейного крана , участок которого отключен от общей и магистрали, находится от двух рабочих ремонтно-восстановительной службы. Они следят за давлением газа на всех участках ремонтируемого газопровода по манометрам, выходом газа через спускные свечи, чтобы обеспечить герметичность кранов и поддерживать связь с местом проведения огневых работ.
2.2.4 Контроль качества выполненных работ
Предприятия, выполняющие строительство, монтаж и аварийный ремонт газопроводов обязаны обеспечить контроль производства работ на всех стадиях руководителями монтажных организаций и специалистами строительных и персоналом лабораторий в установленном порядке.
Контроль качества выполненных работ включает в себя проверку:
-
аттестации персонала;
-
наличия аттестации технологии сварки;
-
наличия аттестации сварочного и контрольного оборудования, аппаратуры, приборов и инструментов;
-
качества материалов (стальных и полиэтиленовых труб, изоляционных покрытий, сварочных, в том числе материалов для дефектоскопии); основания под газопровод;
-
организации и осуществления операционного контроля (визуального и измерительного) сварных соединений;
-
организации и осуществления контроля качества сварных соединений разрушающими и неразрушающими (радиографическим, ультразвуковым) методами, а также контроля качества изоляционных покрытий; организации контроля исправления дефектов.
Специалистами аттестованной в установленном порядке лаборатории производится входной контроль качества труб, деталей и узлов газопроводов, арматуры, изоляционных и других материалов производиться.
Заключения, радиографические снимки, магнитные ленты или диаграммы хранятся в строительно-монтажной организации (лаборатории) после сдачи газопровода в эксплуатацию в течение года.
Оборудование, применяемое при контроле качества строительства, проходит поверку в сроки, установленные нормативной документацией. Приборы ультразвукового контроля должно использоваться со считывающим устройством. Метрологическую проверку проходят контрольно-измерительное оборудование проходить в установленном порядке.
Визуальному и измерительному контролю подвергаются сварные швы с целью выявления наружных дефектов всех видов, а также отклонений по геометрическим размерам и взаимному размещению элементов. Не должны превышать норм допуски по геометрическим размерам, отклонениям по диаметру, овальности поперечного сечения элементов газопроводов, взаимному соединению свариваемых изделий, предусмотренных нормативно-технической документацией. Сварные соединения проходят проверку неразрушающим контролем, но он проводится при прохождении визуального и измерительного контроля.
Радиографический, визуально-измерительный, и ультразвуковой контроль качества сварных соединений следует производить соответственно с требованиями нормативно-технических документов и государственных стандартов.
Соединительные стыки сварных соединений стальных газопроводов, изготовленных в условиях основных заготовительных мастерских, всех давлений подлежат полному контролю радиографическим методом.
Контроль сварных стыков стальных газопроводов ультразвуковым методом применяется при условии проведения выборочной проверки не менее десяти процентов стыков радиографическим методом. Если результаты радиографическим методом контроля неудовлетворительны хотя бы на одном стыке объем контроля следует увеличить до пятидесяти процентов от общего количества стыков.
При повторном выявления стыков с дефектами все стыки, сваренные сварщиком на объекте на протяжении календарного месяца и проверенные ультразвуковым методом, следует провести проверку радиографическим методом.
В случае отрицательного результатах контроля физическим радиографическим, ультразвуковым методом проводиться пересмотр удвоенного числа стыков на участках газопровода, еще не принятых в эксплуатацию. Если при повторной проверке будут обнаружены недопустимые дефекты, то все однотипные сварные соединения, выполненные данным сварщиком на участках газопровода, не принятых в эксплуатацию, должны быть проверены физическим методом контроля.
Механические испытания проводятся в соответствии с государственными стандартами при проверке механических характеристик и качества сварных соединений при сварке стыков в процессе квалификационных испытаний сварщиков (допускных) и проверке технологических параметров при аттестации технологии сварки.
Главными видами механических испытаний являются испытания на статический изгиб или сплющивание и статическое растяжение. Поверка на статическое растяжение не обязательны для производственных сварных соединений при условии положительных результатах их контроля радиографическим или ультразвуковым методом. Контроль механических свойств производиться на примерах, выполненных из допускных сварных соединений или из производственных сварных соединений, вырезаемых из изделия. Условия сварки проверочных сварных соединений идентичны контролируемым производственным соединениям.
2.2.5 Пуск газа
Запуск газа по газопроводу производится по наряду-допуску на газоопасные работы в присутствии представителя газоснабжающей организации под руководством специалиста бригадой исполнителей не менее двух человек и при первом пуске.
Бригада ремонтной службы получает инструкции по технике безопасности при пуске, о чем описывается в наряде-допуске, производится осмотр газопровода и проверяется соответствие монтажа проектным данным.
Необходимо произвести контрольную опрессовку внутреннего газопровода непосредственно перед пуском, давлением сжатого воздуха 0,01 МПа. Падение давления в газопроводе не должно превышать 60 ДаПа (60 мм. вод.ст.) за 1 час.
Конечная опрессовка происходит с закрытием запорных устройств перед газогорелочными устройствами, а также на сбросных и продувочных газопроводах.
Следом производится продувка газопроводов газом от воздуха через продувочный газопровод. Запорные устройства на ответвлениях к газоиспользующим агрегатам в это время закрыты.
На вводе и запорное устройство на последнем продувочном газопроводе перед продувкой открывается запорное устройство.
После продувки закрывается запорное устройство на продувочном газопроводе и осуществляется проверка всех фланцевых и резьбовых соединений прибором, для больше уверенности раствором мыльной эмульсии.
Пуск газа по газопроводу записывается в наряде-допуске, паспорте объекта и оформляется актом.
После того как газоиспользующие установки готовы к пуску, осуществляется их розжиг.
Запрещается пуск газа при следующих отклонениях:
-
при проверке были обнаружены дефекты при осмотре;
-
отклонения от проекта;
-
газопровод не прошел контрольные испытания;
-
при отсутствии специалистов и исполнителей, прошедших обучение.
2.4 Расчет потерь газа при разрушении газопровода
Удельное количество выбросов газа, истекающего в атмосферу из щели на сварном шве стыка газопровода, г/сек определяется по по формуле [7]:
Gr = φ * f * W кр * ρог * 1000, (1)
где φ – коэффициент, учитывающий снижение скорости;
f – площадь отверстия, определяется по формуле.
f = n * π * d * δ, (2)
где n –длина разрыва наружного периметра трубы газопровода, в % от общего периметра;
d – диаметр газопровода, м;
δ – ширина щели, м.
Плотность газа перед отверстием в газопроводе ρг , кг/м3 определяется по формуле:
ρг = Т1 * Ро * ρог, (3)
То * Р1
Wкр – критическая скорость выброса газа из щели, м/с которая определяется по формуле:
Wкр = 20,5 √ То / ρог, (4)
где То – абсолютная температура газа в газопроводе, оК;
ρог – плотность газа при нормальных условиях, кг/м3;
Т1 – абсолютная температура окружающей среды, оК;
То – абсолютная температура газа в газопроводе, оК;
Ро – абсолютное давление газа в газопроводе в месте расположения сварного стыка, Па;
Р1– атмосферное давление, Па; Р1= 10108Па.
Исходные данные:
d = 0,720м; n = 5%; φ = 0,97; δ = 0,002м; ρог = 0,75;
Т1 = -13оС (260 оК); То = +3оС (276 оК);
Ро =600000 Па; Р1 =101080 Па;
f = 0,05 * 3,14 * 0,72* 0,002 = 0,000226м2;
W кр = 20,5 * То / ρор = 20,5√ 276 / 0,75 = 454.09м/с;
ρг = 260 * 600000 * 0,75 =4,19 г/м3;
276 * 101080
Gr = φ * f * W кр * ρr * 1000 = 0,97 * 0,000226 * 454,09 * 4,19 * 1000 = 417,9 г/сек
Grобщее =417,9 * 4200 = 1755180 грамм = 1755,18 килограмм – общие потери газа, общее время взято 1час 10 минут, с момента поступления заявки, до отключения аварийного участка.
2.5 Расчет объема земельных работ
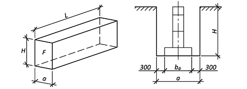
Определение объемов земляных работ при разработке траншеи под трубопроводы. Форма поперечного сечения траншеи представляет собой параллелепипед. (рисунок 1)
Рисунок 1
При замене катушки газопровода используется траншея с вертикальными стенками. Траншея с вертикальными стенками была выбрана по двум причинам: это самый простой вид траншеи, а значит и менее затратный; вторая причина откосы траншеи заморожены, и нет опасности обвала грунта ведь работы по аварийно-восстановительным работам ведутся в зимний период.
Объем траншеи рассчитывается по формуле:
V = a * H * L (5)
Площадь поперечного сечения рассчитывается по формуле:
F = a * H, (6)
где а – ширина траншеи;














