все вместе (1223103), страница 5
Текст из файла (страница 5)
Чистый вольфрамовый порошок служит исходным сырьем для производства компактного вольфрама. Карбид вольфрама WC, котрый по внешнему виду также представляет из себя порошок, используют для изготовления твердых сплавов.
Основная примесь в вольфрамовых порошках-кислород (0,05–0,3 %). Металлические примеси содержатся в вольфрамовых порошках в очень малых количествах.
Часто в порошки вольфрама вводят присадки из других металлов, которые улучшают определенные свойства конечного продукта. В качестве присадок часто используют алюминий, торий, лантан и другие.
Вольфрамовый порошок ВА, который применяется для изготовления проволоки, содержит равномерно распределенную кремнещелочную и алюминиевую присадки (0,32 % K2O; 0,45 % SiO2; 0,03 % Al2O3), порошок из тугоплавкого металла марки ВТ – присадку окиси тория (0,7–5 %), ВЛ – присадку оскиси лантана (~1 % La2O3), ВИ – присадку окиси иттрия (~3 % Y2O3), ВМ – кремнещелочную и ториевую присадки (0,32 % K2O; 0,45 % SiO2; 0,25 % ThO2).
1.5.7 Карбиды вольфрама.
Очень важными с практической точки зрения являются соединения вольфрама с углеродом-карбиды вольфрама. Вольфрам образует два карбида - W2C и WC. Указанные карбиды различаются растворимостью в карбидах других тугоплавких металлов и химическим поведением в различных кислотах. Карбиды вольфрама, подобно карбидам других тугоплавких металлов, обладают металлической проводимостью и положительным коэффициентом электросопротивления. Тугоплавкость и высокая твердость карбидов обусловлены прочными межатомными связями в их кристаллах. Причем высокая твердость карбида WC сохраняется и при повышенных температурах.
Наиболее распространенный способ получения карбидов вольфрама WC и W2C – прокаливание смеси порошкообразного вольфрама с сажей в интервале температур 1000–1500 °С.
Можно выделить 2 группы твердых сплавов на основе карбида вольфрама:
а) литые твердые сплавы (часто называемые литыми карбидами вольфрама);
б) спеченные твердые сплавы.
Литые твердые сплавы получают методом литья. Для получения сплава обычно исходят из порошкообразного вольфрама, карбида с недостатком углерода (до 3 % C) или смеси WC+W, в которой содержание углерода не превышает 3 %. Мелкозернистая структура карбидов данного типа обеспечивает более высокую твердость и износоустойчивость сплава. Однако литые сплавы достаточно хрупкие. Это обстоятельство ограничивает их применение. Главным образом, литые твердые сплавы применяются при изготовлении буровых инструментов и волок для тонкого волочения проволоки.
Спеченные твердые сплавы сочетают в себе монокарбид вольфрама WC и цементирующий металл-связку, которым обычно служит кобальт, реже-никель. Такие сплавы могут быть получены только методом порошковой металлургии. Порошок карбида вольфрама и порошок кобальта или никеля смешивают, прессуют в изделия необходимой формы, а затем спекают при температурах близких к температуре плавления цементирующего металла. Помимо высокой твердости и износоустойчивости данные сплавы обладают хорошей прочностью. Спеченные твердые сплавы являются наиболее производительными современными инструментальными материалами для обработки металлов резанием. Также они используются для изготовления волок, штампов, бурового инструмента. Среди твердых сплавов, для производства котрых используется карбид вольфрама, стоит выделить сплавы группы ВК – вольфрамокобальтовые твердые сплавы. Широкое распространение в промышленности получили сплавы ВК8 и ВК6. Из них изготовляют резцы, сверла, фрезы, а также другой режущий и буровой инструмент.
2 ОБОРУДОВАНИЕ И МАТЕРИАЛЫ, ИСПОЛЬЗУЕМЫЕ В ХОДЕ ЭКСПЕРЕМЕНТОВ.
2.1 Питающее устройство.
Для сварочных работ с высококачественным соединением, способных выдерживать большие нагрузки, сохранять на протяжение длительного времени герметичность и прочность, необходимо применять соответствующее сварочное оборудование.
В качестве устойчивого источника и надежной сварочной дуги, прекрасно зарекомендовали себя сварочные многопостовые выпрямители, которые наделены многими преимуществами, по сравнению с другими сварочными аппаратами.
Данная категория выпрямителей сочетает в себе многофункциональность и практичность, наряду с универсальностью применения в любых отраслях промышлености.
Отличительная черта многопостовых выпрямителей, является то, что можно подключить к нему несколько автономных сварочных постов, что дает возможность делать одновременную работу сварщиков на участках с большим объёмом работ. Благодаря своим незначительным размером и мобильности, они являются незаменимыми источниками ручной дуговой сварки при разных типах работ.
Небольшой вес этой конструкции позволяет доставлять сварочные аппараты на объекты, находящиеся в труднодоступной местности, для того чтобы выполнять качественную работу в короткие сроки, благодаря высокой производительности и многопостовой организации сварки.
Свойства сварочных выпрямителей позволяют их применять для ручной дуговой сварки, резки, наплавки низкоуглеродистых и легированных сталей на постоянном токе покрытыми электродами.
При подключение в трехфазную электрическую сеть, напряжением 380 В, позволяет эксплуатировать многопостовые выпрямители на промышленных объектах.
Наличие падающей вольт-амперной характеристики, выгодно отличает данные сварочные аппараты, возможностью независимой регулировки сварочных постов, в отличие от многопостовых выпрямителей с жесткой вольт-амперной характеристикой, которые требуют длительного оснащения балластными реостатами.
Отсутствует взаимное влияние на сварочные посты. В выпрямителях отдельный сварочный пост является автономным, и не действует на работу другого поста, так как нет использования балластных реостатов и питается от отдельного независимого выпрямителя.
Такая конструкция многопостовых выпрямителей гарантирует надёжную и устойчивую дугу, тем самым повышая производительность труда, качество сварного шва и делая легче работу сварщиков.
Аппараты сконструированы с принудительным воздушным охлаждением, что позволяет достаточно долгое время использовать их при высоких нагрузках, не прерывая процесс сварочных работ при перегреве оборудования для восстановления характеристик источника питания.
Легкая настройка и быстрая смена режимов сварки с помощью магнитного шунта позволяет сократить время до минимума регулировки сварочного тока, при обширном диапазоне регулировок без использования ненадежных переключателей ступеней.
Применение многопостовых выпрямителей без балластных реостатов позволяет снизить расход электроэнергии более чем в два раза.
Сварочные выпрямители оснащены безопасными и надежными токовыми разъёмами. Всем многопостовым выпрямителям свойственно легкое зажигание, стабильное и устойчивое горение сварочной дуги (рисунок 2.1).
Рисунок 2.1 – Многопостовой сварочный выпрямитель ВДМ–6307
Выполнение большого объёма сварочных работ связано с интенсивным использованием оборудования в различных технологических режимах. В условиях промышленного производства и многопрофильного строительства сварочный многопостовой выпрямитель ВДМ–6307 проявил себя наиболее эффективно. Благодаря возможности подключения до четырёх автономных постов и оптимальным параметрам постоянного тока сварочной дуги, достигается высокая производительность труда и качество сварных соединений. Надёжность и повышенный уровень защиты позволяют использовать аппарат непрерывно и длительно в режиме максимальной нагрузки. Аппарат отлично зарекомендовал себя в особо тяжелых условиях эксплуатации на объектах тяжелого машиностроения, металлургических комбинатах и различных объектах строительства [39].
Профессиональный сварочный аппарат, предназначенный для одновременной и независимой работы четырёх постов, в трёхфазном исполнении и подключением в электрическую сеть номиналом 380 В. Выходные параметры идеально подходят для всех видов работ: сварка и наплавка малоуглеродистых и низколегированных сталей одновременно, а также резка всех сортов чёрных и цветных металлов повышенным током.
К конструктивным особенностям многопостового сварочного выпрямителя ВДМ–6307 стоит присмотреться отдельно:
а) наличие индикации и приборов для контроля сварочных параметров;
б) в 2–3 раза более жесткая внешняя характеристика на ряду с возможностью регулировки сварочного тока при помощи балластного реостата непосредственно на месте проведения работ;
в) повышенный класс изоляции (Н) токоведущих частей от нагрева;
г) магнитный пускатель, позволяющий обеспечить «нулевую» защиту;
д) наличие автоматического выключателя с тепловой и максимальной защитой.
Прочная и устойчивая рамная металлическая конструкция, позволяющая эксплуатировать выпрямитель в самых жестких эксплуатационных условиях, а также общая конструктивная продуманность, обеспечивающая удобство погрузки и транспортировки (таблица 2.1).
Таблица 2.1 – Технические параметры многопостового сварочного выпрямителя ВДМ–6307
| № п/п | Наименование параметра | Значение |
| 1 | Напряжение питания, В, 50 Гц | 3х380 |
| 2 | Потребляемая мощность, кВА, не более | 48 |
| 3 | Номинальное рабочее напряжение, В | 64 |
| 4 | Номинальный сварочный ток, А | 630 |
| 5 | Номинальный сварочный ток, А (одного поста ) | 315 |
| 6 | Продолжительность включения (ПВ), % | 60 |
| 7 | Регулирование сварочного тока | Балластные реостаты типа РБ–302 или РБ–306 |
| 8 | Диаметр электрода | 3,0–6,0 |
| 9 | Габаритные размеры ДхШхВ, мм | 770х800х940 |
| 10 | Масса, кг | 270 |
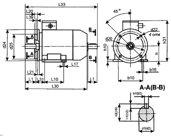
2.2 Асинхронный электродвигатель АИП56В2.
Асинхронный электродвигатель – электрическая асинхронная машина для преобразования электрической энергии в механическую. Принцип работы асинхронного электродвигателя основан на взаимодействии вращающегося магнитного поля, возникающего при прохождении трёхфазного переменного тока по обмоткам статора, с током, индуктированным полем статора в обмотках ротора, в результате чего возникают механические усилия, заставляющие ротор вращаться в сторону вращения магнитного поля (рисунок 2.3).
В ходе эксперимента нами был задействован электродвигатель для подачи проволоки в кристаллизатор. Исполнение двигателя защищенное, на напряжение 220/380 В, климатического исполнения У, категории размещения – 3 (эксплуатация в закрытых помещениях без регулирования климатических условий), режим работы – продолжительный, S1 (таблицы 2.2 и 2.3) [40].
Монтажное исполнение двигателя:
- на лапах (IM 1081, 1001, 1011);
- фланцевые (IM 3081, 3001, 3011) или фланцевые недоступные с обратной стороны (IM 3681);
- комбинированные, лапы+фланец (IM 2081, 2001, 2011).
Таблица 2.2 – Технические характеристики электродвигателя АИР56В2
| Электродвигатель | АИР56В2 |
| Мощность, кВт | 0,25 |
| Об/мин. | 2730 |
| Ток при 380В, А | 0,73 |
| КПД, % | 66 |
| Коэф. мощности | 0,78 |
| Iп/Iн | 5 |
| Мп/Мн | 2,2 |
| Мmax/Мн | 2,2 |
| Момент инерции, кгм2 | 0,00047 |
| Масса, кг | 3,8 |
Таблица 2.3 – Габаритно-присоединительные размеры эл. двигателей
| Тип | АИР56В2 | |
| L1 | 23 | |
| L10 | 71 | |
| L17 | 5,8 | |
| L21 | 10 | |
| L30 | 218 | |
| L31 | 36 | |
| L33 | 234 | |
| b1 b2 | 4 | |
| b10 | 90 | |
| b16 | 8,8 | |
| h | 56 | |
| h5 h6 | 12,5 | |
| h10 | 7 | |
| h31 | 148 | |
| d1 d2 | 11 | |
| d20 | 2081 3081 | 115 |
| 2181 3681 | 65–85 | |
| d22 | 2081 3081 | 10 |
| 2181 3681 | М5–М6 | |
| d24 | 2081 3081 | 140 |
| 2181 3681 | 80–99 | |
| d25 | 2081 3081 | 95 |
| 2181 3681 | 50–70 | |















