ПЗ (1221701), страница 8
Текст из файла (страница 8)
Рисунок 2.22 – Процесс протекания тока возбуждения iв (а) при работе предлагаемого ВУВ и влияние его пульсации на ток iя генератора (б)
Для реализации данного способа управления ВУВ необходима модернизация электрической схемы ВУВ. В связи с развитием управляемых СПП предлагается в ВУВ заменить тиристоры на диоды VD3, VD4 для выпрямления напряжения, а в общую цепь ВУВ установить IGBT транзистор VT1, который будет изменять фазу регулирования напряжения на обмотках возбуждения в оба полупериода (рисунок 2.23). Диод VD5 необходим для поддержания тока возбуждения iв в моменты закрытого состояния VT1, за счет запасенной электромагнитной энергии в OB1, OB2, а также защиты от выбросов напряжения при коммутационных переключениях. Управление IGBT транзистором VT1 будет осуществляться модернизированной кассетой БФУ-М блока управления БУВИП через драйвер DR. Драйвер DR обеспечивает гальваническую развязку сигналов управления от силовых цепей. Изменение структуры силовой цепи ВУВ позволит исключить возникновение обратного напряжения, прикладываемого к нагрузке, что сделает работу ВУВ более эффективной и менее энергоемкой [18].
Рисунок 2.23 – Схема силовой цепи электровоза переменного тока с предлагаемым ВУВ в режиме рекуперативного торможения
В результате предложенного способа изменения работы ВУВ значительно уменьшается угол сдвига фаз φ между первой гармоникой переменного тока и напряжением обмотки возбуждения трансформатора, и меняется характер потребляемой ВУВ реактивной мощности с индуктивного на емкостной, что нам и нужно. Соответственно предполагаемый ВУВ будет работать с более высоким коэффициентом мощности.
2.8 Применение диодного разрядного плеча в цепи постоянного тока
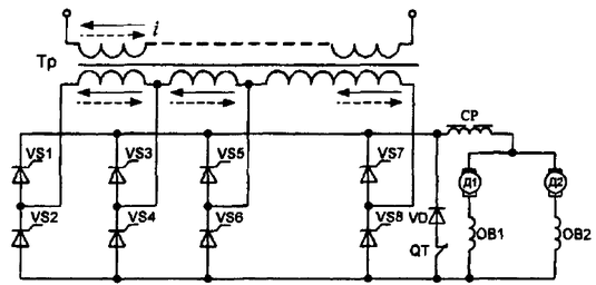
Диодное плечо в силовой схеме электровоза служит для разряда энергии, накопленной в тяговых двигателях и сглаживающем реакторе при смене полярности питающего напряжения без отдачи ее во внешнюю сеть и полезно используемой в тяговых двигателях. Диодное плечо включаем параллельно цепи выпрямленного напряжения выпрямителя (рисунок 2.24).
Рисунок 2.24 – Схема включения диодного разрядного плеча
Использование диодного плеча, включенного параллельно цепи выпрямленного тока, позволяет уменьшить угол
до 3°, а также не передавать запасенную в сглаживающем реакторе и тяговых двигателях электромагнитную энергию в контактную сеть, а полезно использовать ее в тяговых двигателях путем образования буферного контура.
В этом случае сам процесс основной коммутации начинается не с момента
, а сразу после смены полярности питающего напряжения, что способствует плавному изменению кривой потребляемого тока при переходе выпрямителя из режима проводимости в режим коммутации.
Наличие разрядного диодного плеча создает возможность упрощения алгоритма управления тиристорами выпрямителя и изменяет процесс работы тиристоров в части уменьшения длительности протекания тока через них в каждом полупериоде за счет перевода тока в буферном контуре с этих тиристоров на разрядное диодное плечо. На рисунке 2.25 представлена диаграмма процессов четырехзонного выпрямителя с разрядным диодным плечом на первой зоне регулирования.
Рисунок 2.25 – Диаграмма процессов работы четырехзонного выпрямителя с разрядным диодным плечом на первой зоне регулирования
Упрощение алгоритма управления тиристорами заключается в том, что в каждом полупериоде напряжения подают только импульсы управления с регулируемым углом отпирания αр на два тиристорных плеча, соответствующих положительной полярности напряжения.
В результате – тиристоры не участвуют в процессе разряда электромагнитной энергии по буферному контуру нагрузки, которая разряжается в каждом полупериоде с помощью разрядного диодного плеча.
Работа выпрямителя позволяет снизить потребление реактивной энергии и повысить энергетические показатели электровоза.
При работе на 2-й и последующей п-ой зоне регулирования наличие разрядного диодного плеча изменяет процесс работы тиристоров, осуществляющих регулирование выпрямленного напряжения. На рисунке 2.26 представлена диаграмма процессов работы четырехзонного выпрямителя с разрядным диодным плечом на 4-й зоне регулирования. При работе на этой зоне в начале полупериода с полярностью напряжения, обозначенной сплошной стрелкой, разрядное диодное плечо VD проводит ток, разряжая на цепь тяговых двигателей накопленную в цепи выпрямленного тока электроэнергию.
Вступление в работу диодного плеча приводит к закрытию тиристоров VS7 и VS2 которые были открыты в предыдущем полупериоде, обозначенном пунктирной стрелкой.
В результате ток тиристоров VS7 и VS2 уменьшается, а диодного плеча VD- увеличивается почти на протяжении длительности угла коммутации γ1. При этом ток в каждой секции вторичной обмотки снижается до нуля, а ток нагрузки сохраняет свою величину. После окончания процесса коммутации γ1, когда диодное плечо VD заканчивает проводить ток в буферном контуре, происходит коммутация тока с тиристорного плеча VS7 на плечо VS3 в пределах γ2, а затем коммутация тока с тиристорного плеча VS4 на плечо VS8 в интервале γ3.
В другом полупериоде, обозначенном пунктирной стрелкой, процессы проходят аналагично описанным выше.
Вступлению в работу разрядного диодного плеча, позволяет начать процессы коммутации в выпрямителе не с момента α0, а с полупериодов в моменты времени 0, π, 2 π и т.д.
Рисунок 2.26 – Диаграмма процессов работы многозонного выпрямителя на четвертой зоне регулирования
Это обстоятельство приводит к уменьшению угла сдвига фаз φ между током и напряжением в первичной обмотке тягового трансформатора, повышению величины выпрямленного напряжения, уменьшению пульсаций выпрямленного тока и, как следствие, к повышению энергетических показателей выпрямителя за счёт снижения потребления реактивной энергии. Кроме того, на всех зонах электровоз сохраняет работоспособность без срабатывания защиты от бросков тока тяговых двигателей в случае отказа какого либо плеча выпрямителя, что значительно повышает надёжность работы электровоза.
2.9 Выводы по разделу исследования способов модернизации силовой цепи электровоза переменного тока
После исследования способов модернизации силовой цепи электровозов переменного тока можно сделать вывод, что с помощью различных доработок или изменения ныне существующей силовой цепи можно добиться более высоких энергетических показателей электровоза переменного тока. В свою очередь это значительно снизит затраты на электроэнергию используемую для тяги поездов. Также повышая самый главный энергетический показатель электровоза – коэффициент мощности.
Наиболее простым в реализации являются способы :
- применение пассивного компенсатора реактивной мощности;
- применение разрядного диодного плеча в силовой цепи.
Далее в дипломном проекте будут исследованы именно эти способы модернизации силовой цепи электровоза переменного тока.
3 ИССЛЕДОВАНИЕ ХАРАКТЕРИСТИК ЭЛЕКТРОВОЗА С МОДЕРНИЗИРОВАННЫМИ СИЛОВЫМИ СХЕМАМИ
Для того что выполнить исследование характеристик электровоза переменного тока, с указанными выше способами изменения схемы, потребовалось создание модели силовой схемы электровоза. Для этого был использован пакет программ OrCAD 10.5. Одной из главных задач было построить силовую схему полностью аналогичную силовой схеме существующей на электровозах переменного тока в данное время. После ее создания, была выполнена ее проверка на работоспособность на всех 4 зонах регулирования напряжения, получены все характеристики электровоза без модернизации силовой цепи и осциллограммы выпрямленного напряжения. После этого были проведены некоторые модернизации силовой цепи с добавлением новых составляющих и также получены характеристики и осциллограммы напряжений. Добавление в силовую цепь разрядного диодного плеча в цепь постоянного тока, которое позволяет убрать участок с отрицательным напряжением в конце полупериода работы тиристора. А также добавление в цепь схемы компенсатора реактивной мощности (КРМ) что позволяет избавиться от реактивной мощности и значительно повысить энергетические показатели электровоза.
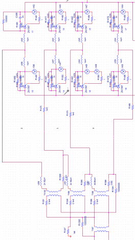
Ниже приведена схема силовой цепи смоделированная в программе OrCAD 10.5. На рисунке 3.1 представлена схема обмоток трансформатора и выпрямительно-инверторного преобразователя (ВИП)
Рисунок 3.1 – Модель схемы обмоток трансформатора и ВИП
Далее приведены рисунки смоделированной схемы электровоза переменного тока на которых можно увидеть схему тяговых электродвигателей (рисунок 3.2), и схему системы измерения показаний характеристик электровоза (рисунок 3.3).
Рисунок 3.2 – Модель схемы тяговых электродвигателей
Как можно заметить в данной схеме использовалось 3 тяговых двигателя на один ВИП. Как в электровозе ЭП1 к одному ВИП подключаются 3 тяговых двигателя. Система остальных трех тяговых двигателей аналогична, поэтому можно её упростить, но ток электровоза умножить в два раза.
Рисунок 3.3 – Схема системы измерения показаний электровоза
С помощью данной системы измерения показаний, на всех четырех зонах регулирования можно измерить такие параметры как:
- I1 – полный ток электровоза, А;
- U1 – полное напряжение электровоза, кВ;
- P – активная мощность, потребляемая электровозом, кВт;
- Id – ток тягового двигателя, А;
- Ud – напряжение тягового двигателя, В.
Ниже на рисунках приведены осциллограммы напряжений всех четырех зон регулирования, с изменением угла αр от начала до конца зоны регулирования. Переход от одной зоны к другой осуществлялся по схеме переключения тиристоров как на реальном электровозе, углы регулирования представлены в таблице 3.4. После снятия осциллограмм, заносим полученные параметры электровоза с моделированной системы измерения показаний в таблицы.
Таблица 3.4 – Алгоритм управления смоделированной схемой электровоза
Было выполнено снятие осциллограмм формы напряжений на первой зоне регулирования и представленны на рисунке 3.5.
Рисунок 3.5 – Осциллограммы выпрямленного напряжения на первой зоне регулирования, с изменением угла αр.
Далее снимаем все параметры электровоза с помощью моделированной системы измерения и заносим в таблицу 3.6.















