БЖД ок (1220712), страница 2
Текст из файла (страница 2)
При выполнении работ с применением машин в охранных зонах воздушных линий электропередачи необходимо выполнять требования ГОСТ 12.1.013-78.
5.2. Мероприятия по охране окружающей среды
При выполнении всех строительно-монтажных работ необходимо строго соблюдать требования защиты окружающей природной среды, сохранения ее устойчивого экологического равновесия и не нарушать условия землепользования, установленные законодательством об охране природы.
Строительная организация несет ответственность за соблюдение проектных решений, связанных с охраной окружающей природной среды, a также за соблюдение государственного законодательства по охране природы.
Таблица 5.2. Перечень основных воздействий на окружающую среду и мероприятий по исключению воздействий.
| Предполагаемые воздействия | Возможные меры по исключению или смягчению воздействия |
| Расчленение ландшафта. | Применение методов ландшафтного проектирования, исключение по возможности глубоких выемок и высоких насыпей, устройство декоративного озеленения. |
| Оползни, осыпи, сплывы, другие виды подвижек земляных масс вследствие их подрезки в процессе строительных работ. | Исключение подрезок склонов при неблагоприятных геологических условиях, обеспечение водоотвода, другие инженерные сооружения. |
| Измерение условий поверхностного стока. | Проектирование соответствующих систем водоотвода. |
| Создание условий для размножения комаров, клещей. | Планировка территорий, исключение мест застоя воды, своевременная уборка и захоронение порубочных остатков. |
| Предполагаемые воздействия | Возможные меры по исключению или смягчению воздействия |
| Создание повышенной аварийности вблизи строительных объектов. | Устройство ограждений, разметки, установка опознавательных и предупредительных знаков, устройство тротуаров, пешеходных дорожек и переходов, освещения в населенных пунктах. |
Продолжение таблицы 5.2. Перечень основных воздействий на окружающую среду и мероприятий по исключению воздействий.
| Запыление территории. | Мероприятия по обеспыливанию покрытий (увлажнение). |
| Загрязнение строительных площадок бытовым мусором. | Устройство организованных площадок отдыха и стоянок для строительной техники и автомобилей. |
| Загрязнение грунтов и вод маслами, топливом автомобилей и дорожно-строительных машин на строительных площадках | Планировка территории, устройство канав и водоотводных систем для сбора и очистки вод, ограждение территории, организация заправки техники на АЗС. |
| Загрязнение окружающей среды при работе строительных механизмов. | Принятие наиболее современной экологически чистой строительной техники и технологии. |
Производство строительно-монтажных работ, движение машин и механизмов, складирование и хранение материалов в местах, не предусмотренных проектом производства работ, запрещается.
5.2.1. Защита от загрязнения проезжей части, примыкающей к стройке от загрязнения грунтом (организация мойки колес на этапе нулевого цикла)
Одним из наиболее значимых видов загрязнений является вынос на улицы города, областные и федеральные автотрассы земли, глины, промышленных отходов на колесах автотранспорта, выезжающего со строительных площадок, карьеров, мест производства земляных работ и т. д. Эти загрязнения отрицательно сказываются на чистоте дорог, улиц, автотранспорта, экологии окружающей среды в целом, а также безопасности дорожного движения и аварийности на автотранспорте.
C 1 января 2005 г. Постановлением Госстроя РФ (№70 от 19.04.2004 г.) введены в действие CНиП 12-01-2004 “Организация строительства”, в которых предусмотрено оборудование строительных площадок пунктами мойки колес транспортных средств на выездах.
Рисунок 5.3. Комплект «Мойдодыр-K-1(Э)».
Среднее количество взвешенных веществ (земли, глины и т. д.), выносимых одним грузовым автомобилем со строительной площадки при сухой погоде составляет 5 кг, из котлованов при проведении земляных работ — до 20–30 кг, нефтепродуктов — 0,01 кг. За рабочий день с одной стройки ориентировочно выносится на дороги и улицы населенного пункта до 500 кг грязи (8 часов x4 авто/час x15 кг = 480 кг).
5.2.2. Оборотное водоснабжение
При использовании мойки колес с системой оборотного водоснабжения серии «Мойдодыр-K» экономится до 80 % воды. Если учесть, что на мойку колес на стройплощадке для одного автомобиля требуется от 200 до 400 литров воды, то для дальнейшего использования сохраняется от 160 до 320 литров.
При правильной эксплуатации мойки колес на одной стройплощадке за одну смену экономия воды составит от 5 до 10 куб.м, и при этом будут соблюдены все экологические требования.
Рисунок 5.4. Комплект «Мойдодыр-K-4».
Предназначен для организации поста мойки колес на объектах прокладки инженерных коммуникаций.
Характеристики
-
Производительность, автомобилей/час - до5
-
Максимально допустимая нагрузка на эстакаду, т - 8,0 (на ось автомобиля)
-
Размеры, м / масса без воды, кг:
-
Установки - 2,15х0,65х1,22(высота)/310
-
Эстакады с поддоном - 6,12х4,69х0,35(высота въезда)
-
Эстакады (в транспортном положении) - 2,4х4,5х0,6(высота)/2420
-
Бака запаса воды (системы сбора осадка) - 2,06х0,75х1,9 (высота)/320
-
Масса комплекта без воды, кг - 3370
Объем воды, м³:
-
в установке - 0,9
-
в баке запаса воды (в системе сбора осадка) - 2,5
Обслуживающий персонал, чел. - 1
Установленная мощность, кВт / Напряжение, В - 3,5 / 220
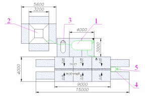
Схемы организации моечной площадки «Мойдодыр-K-4». изображено на рисунке 5.5.
1.Установка "Мойдодыр-K";
2.Шламоприёмный кювет;
3.Система сбора осадка (при невозможности выполнить поз.2);
4.Песколовка;
5.Насос погружной.
Рисунок 5.5. Схемы организации моечной площадки «Мойдодыр-К-4».
5.2.3.Установка для очистки колес в зимний период времени
Работы по строительству и реконструкции зданий и сооружений ведутся не только при плюсовой температуре окружающей среды, но и зимой, при отрицательной температуре воздуха, то появилась острая необходимость в разработке оборудования для сухой очистки колес в зимний период времени. Так как водой мыть колеса при отрицательной температуре нельзя, произойдет обледенение моечной площадки, что не позволит заезжать транспорту и может привести к травмам обслуживающего персонала. A также вода, в любом случае, будет замерзать в приямке и не будет соблюдаться принцип оборотного водоснабжения.
Рисунок 5.6. Установка для очистки колес в зимний период времени.
Установка представляет собой утепленный металлический бокс со смонтированным внутри компрессором, электроконвектором с терморегулированием, блоком электроуправления и освещением. Очистка колес производится сжатым воздухом через специальный пневматический пистолет, оснащенный скребком и соединенным с компрессором нагнетательным шлангом.















