Бирюк СЛ (1218749), страница 2
Текст из файла (страница 2)
а – очистка внутренней стороны кювета; б – обработка обочин; в – перемещение части материала от массива; г – перемещение материала из куч в валик; д – распределение материала
Рисунок 1.5 - Работа автогрейдера с изогнутой в плане шарнирной рамой
1.2 Ходовая часть автогрейдеров
Мостами называются ходовые устройства с ведущими колесами и элементами трансмиссии, на которые опирается рама автогрейдера. У легких и средних автогрейдеров (типов ДЗ-99 и ДЭ-143) ведущими являются задние две пары колес. Поэтому считается, что они оборудованы задним ведущим мостом. У тяжелых автогрейдеров (типа ДЗ-98) все колеса ведущие, следовательно, они имеют задние и передний ведущие мосты. Причем задний ведущий мост легких и средних автогрейдеров снабжен балансирной подвеской каждой боковой пары колес, а у тяжелых автогрейдеров сзади установлены два обособленных ведущих моста, объединенных одной подвеской.
Осями считаются ведомые ходовые устройства с управляемыми колесами. Передние оси имеют все легкие и средние автогрейдеры.
Главная передача. Предназначена для передачи вращения от продольного вала на поперечный и снижения при этом частоты вращения. Она состоит из конической и цилиндрической зубчатых пар, расположенных в общем корпусе. Причем коническая пара выполнена с круговыми зубьями, а цилиндрическая — прямозубой. К фланцу конической шестерни подсоединяется карданный вал, идущий от коробки передач, а в шлицевом отверстии ведомого прямозубого зубчатого колеса, установленного на конических роликовых подшипниках качения в закрепленных поперечно к корпусу главной передачи чулках, располагаются шлицевые концы поперечных валов, передающих вращение боковым редукторам в балансирах. Валы главной передачи установлены на конических роликовых подшипниках качения и поэтому конструкцией предусмотрена их регулировка с помощью прокладок. Оба чулка снабжены внутри бронзовыми втулками для обеспечения скользящей посадки в них стаканов балансиров, с помощью которых последние устанавливаются в корпусе главной передачи с возможностью покачивания в продольной плоскости машины.
Балансиры. Обеспечивают за счет своего покачивания проход колес по неровностям грунта без отрыва от поверхности. Они состоят из сварного плоского корпуса с расположенным внутри бортовым редуктором и выступающих в бок ступиц колес. Каждый бортовой редуктор выполнен из одинаковых двухступенчатых цилиндрических передач, распределяющих крутящий момент, передаваемый поперечными валами от главной передачи к четырем ведущим колесам. Для этого ведущая шестерня, установленная на конических роликовых подшипниках в полости балансира, получает вращение от шлицевого конца поперечного вала и передает вращение сразу двум зубчатым колесам, расположенным с двух сторон от нее, а те в свою очередь вращают крайние зубчатые колеса, которые также установлены на конических роликовых подшипниках в корпусе балансира и с помощью поперечных валов с шлицевыми концами вращают ступицы ведущих колес. Ступицы колес установлены на двух конических роликовых подшипниках на стаканах, расположенных поперек балансира, путем крепления к боковинам его корпуса. Конструкции ступицы тормозного барабана, диска и тормозных устройств ведущих колес автогрейдера подобны устройствам ведущих колес грузовых автомашин.
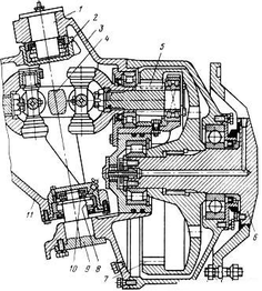
Обособленный задний ведущий мост. Предназначен для привода одной пары колес (рисунок 1.6). Состоит из полой стальной литой балки, узла главной передачи, вставленного в ее полость, двух бортовых передач, расположенных на торцах балки, двух полуосей, передающих вращение от главной передачи бортовым передачам, валов-ступиц для крепления пневматических колес и тормозных устройств.
Главная передача. Представляет собой пару конических колес с круговыми зубьями, смонтированных в специальном корпусе, на подшипниках качения. Причем к фланцу вала конической шестерни крепится фланец карданного вала, соединяющего главную передачу с мультипликатором коробки передач, а в полости ступицы конического ведомого колеса на шлицах устанавливаются концы полуосей. Каждая полуось соединяется с помощью фланцевой муфты с ведущим зубчатым колесом бортовой передачи. Одна из полумуфт служит для установки колесного многодискового тормоза и пневмоцилиндра с поршнем для включения тормоза.
1, 14 — коническая пара; 2, 16, 17, 19 — подшипники качения; 3, 18 — полуоси; 4 — поршень; 5— муфта; 6, 9 — бортовая передача; 7 — вал-ступица; 8 — диск; 10 — многодисковый тормоз; 11 — пневмоцилиндр; 12—шаровой палец для крепления к подвеске; 13 — корпус главной передачи; 15 — фланец
Рисунок 1.6 - Задний ведущий мост для привода одной пары колес
Бортовая передача. Является цилиндрической передачей с внутренним зацеплением. Причем ведомое зубчатое колесо с внутренним зубчатым венцом имеет форму барабана и закреплено на валу-ступице колеса, на наружном диске которого крепится колесо с пневматической шиной в сборе.
Так как один обособленный задний мост приводит во вращение одну пару колес, то для привода еще одной пары задних колес служит точно такой же мост. Эти два обособленных моста крепятся к раме автогрейдера через специальную балансирную подвеску, которая позволяет им работать совместно, но с возможностью преодолевать неровности грунта без отрыва колес.
Балансирная подвеска (рисунок 1.7) состоит из двух продольных балансиров, поперечной оси, связывающей их и относительно которой они могут в шарнирных опорах покачиваться, в продольной плоскости, реактивных штанг, позволяющих удерживать мосты в нужном положении относительно рамы автогрейдера. Сверху на оси расположены два плоских разнесенных посадочных места для крепления с помощью болтов подвески к плоскостям рамы. Каждый балансир снизу снабжен шаровыми опорами, в которых удерживаются шаровые пальцы мостов. Две верхние продольные реактивные штанги с помощью шаровых соединений крепятся каждая одним концом к мосту, а другим — к раме автогрейдера. Таким образом, каждый задний мост крепится к балансирам и к раме автогрейдера с помощью шаровых соединений, что обеспечивает их легкий монтаж и демонтаж.
:1—рама автогрейдера; 2 — реактивная штанга; 3 — мост; 4 — балансир; 5 — ось; 6 — шаровая опора; 7 — посадочное место на раме
Рисунок 1.7 - Балансирная подвеска
Передний ведущий мост. Аналогичен по конструкции ряда деталей задним обособленным мостам (рисунок 1.8), но имеет элементы, отличные от них, так как в нем предусмотрено, кроме привода колес, еще управление ими при повороте. Для этого литая балка переднего моста снабжена приваренными головками, в которых установлены на подшипниках качения пальцы поворотного кронштейна, внутри которого располагается бортовая зубчатая передача с внутренним зацеплением, и опорные подшипники качения для установки вала-ступицы с колесом и ведущей шестерни бортовой передачи. Причем оси поворота бортовых редукторов наклонены наружу на угол 9° для обеспечения развала управляемых колес, способствующего устойчивости автогрейдера при движении на больших скоростях. Передача вращения от главной передачи к каждому бортовому редуктору в этом мосту осуществлена с помощью составного карданного вала, позволяющего передавать вращение при поворотах колеса.
Передняя управляемая ось. Более проста по конструкции, чем передний управляемый мост, так как в ней нет привода колес. Но в то же время в ней предусмотрен наклон колес в поперечной плоскости. Передняя ось (рисунок 1.8) состоит из: основной сварной балки коробчатого сечения, оканчивающейся проушинами для шарнирного крепления на пальцах шкворней, поворотных в вертикальной плоскости; цапф, установленных на пальцах с помощью бронзовых втулок в шкворнях; ступиц с колесами, вращающимися свободно на конических подшипниках на осях цапф, и элементов механизма поворота колес и механизма наклона колес. Основная балка оси своей средней частью крепится к раме автогрейдера шарнирно на оси, что дает ей возможность покачиваться в поперечной плоскости машины в пределах 15° в обе стороны.
1,6 – крышки; 9 — пальцы; 2, 8, 10—подшипники качения; 3 — поворотный кронштейн с колесным редуктором; 4 — составной карданный вал; 5, 7 — зубчатая пара вал-ступица; 11 — головка балки
Рисунок 1.8 - Передний ведущий мост
1 — ступица; 2 — колесо; 3 — рулевая трапеция; 4 — ось шарнирного крепления балки; 5 — штанга; 6 — гидроцилиндр; 7, 10—пальцы; 8— балка; 9—проушины; 11 — шкворень; 12 — цапфа; 13, 15 — подшипники качения; 14 — ступица
Рисунок 1.9 - Передняя управляемая ось
Мосты и оси автогрейдеров снабжены пневматическими шинами одного типоразмера для каждой машины. Используют как камерные, так и бескамерные шины. Размер шин зависит от типа автогрейдера. Чем мощнее автогрейдер, тем большего размера шины используются на нем. Так, на легких автогрейдерах (типа ДЗ-99) ставятся шины размером (в дюймах) 12, 00—20, на средних автогрейдерах (типов ДЗ-ЗЫ, ДЭ-143 и ДЗ-122) — 14, 00—20, а на тяжелых (типа ДЗ-98) — 16, 00—24. При этом на легких и средних автогрейдерах давление в шинах 0,3 МПа не регулируется, а на тяжелых регулируется в пределах от 0,07 до 0,25 МПа.
Конструкции автогрейдеров выполнены по двух- или трёхосной схеме с пере-дними управляемыми колёсами. Привод ведущих колёс не имеет дифференциальных механизмов. Такой привод повышает тягово-сцепные свойства и курсовую устойчивость прямолинейного движения автогрейдеров, но снижает показатели поворота: радиус поворота автогрейдера достигает 11 —18 м, а время поворота — от 60 до 90 с. Основными операциями, выполняемые автогрейдером при возведении насыпей, являются следующие: резание грунта, его боковое перемещение, укладка, разравнивание и профилирование при длине рабочего участка не менее 400—500 м. Из 100 рабочих проходов на резание грунта приходится 20-30, на перемещение 60-75 и на отделочные операции 5—10 проходов. В этих условиях общие потери времени на поворот автогрейдера за смену могут составлять от 1,6 до 2,5 ч, что существенно снижает его производительность. На относительно коротких участках дорожного строительства (менее 150 м) целесообразнее двигаться обратным (холостым) ходом, а в стеснённых условиях применяется маневрирование по сложной траектории, включая движение задним ходом.
Недостаточная манёвренность привела к созданию автогрейдеров по типу шарнирно сочленённых машин, что позволяет уменьшить радиус их поворота. Однако такое техническое решение существенно усложняет конструкцию и увеличивает массу основной рамы грейдера. Кроме того, наличие балансирной тележки ведущих колёс остаётся дестабилизирующим фактором в кинематике поворота грейдера, которая по-прежнему достаточно сложна из-за отсутствия единого центра поворота для всех осей.
-
Предлагаемый вариант модернизации
Известные конструкции серийно выпускаемых автогрейдеров достаточно однотипны. Они включают шарнирно-сочлененную раму, состоящую из моторной и хребтовой рам, опирающихся соответственно на задний и передний ходовые механизмы, основной отвал, связанный поворотным кругом с тяговой рамой, имеющий шаровой шарнир, закрепленный на хребтовой раме, передний дополнительный рабочий орган, выполненный в виде бульдозера или другого рабочего органа, гидроцилиндры управления хребтовой рамой и основным отвалом.
Недостатком такого устройства является крепление дополнительного рабочего оборудования, например, бульдозера, непосредственно на хребтовой раме.
При работе автогрейдера с повернутой относительно моторной рамы хребтовой рамой дополнительное рабочее оборудование выходит за пределы бокового габарита передних колес. По этой причине передние колеса автогрейдера не могут двигаться рядом с вертикальной стеной или крутым откосом, что ограничивает технологические возможности машины и ухудшает безопасность выполнения работ.
Другим недостатком известной конструкции автогрейдера является плохая его маневренность при работе с погрузочным рабочим оборудованием, связанным с хребтовой рамой.
Указанные недостатки, присущие современным автогрейдерам, можно устранить путем изменения конструкции переднего ходового механизма.
Целью предлагаемого технического решения является расширение функциональных возможностей автогрейдера.
Цель достигается тем, что в автогрейдере, включающем шарнирно-сочлененную раму, состоящую из моторной и хребтовой рам, опирающихся соответственно на задний ходовой механизм, выполненный в виде балансирных тележек, и передний ходовой механизм, выполненный в виде одноосного моста с поперечной балкой, основной отвал, связанный поворотным кругом с тяговой рамой, имеющей шаровой шарнир, закрепленный на хребтовой раме, дополнительный рабочий орган, навешенный впереди автогрейдера, гидроцилиндры управления, введены следующие конструктивные изменения, поперечная балка переднего ходового механизма связана продольным цилиндрическим шарниpом с поворотной рамой, которая соединена вертикальным цилиндрическим шарниром с хребтовой рамой, при этом на поворотной раме установлен портал с закрепленным на нем дополнительным рабочим органом, например, погрузчика, бульдозера.
Указанные конструктивные признаки являются новыми, так как не известны в технической и патентной литературе, и позволяют получить новый положительный эффект, заключающийся в более высокой компактности переднего дополнительного рабочего оборудования и более высокой его маневренности вследствие приобретения поворотной рамой дополнительной степени свободы относительно хребтовой рамы.
Автогрейдер (рисунок 1.10) включает шарнирно-сочлененную раму, состоящую из моторной рамы 1 и хребтовой рамы 2, соединенных вертикальным шарниром 3 на хребтовой раме 2, задний ходовой механизм, состоящий из балансирных колесных тележек 4 и 5, связанных с моторной рамой 1, передний ходовой механизм, состоящий из поперечной балки 6, соединенной продольным цилиндрическим шарниром 7 с поворотной рамой 8, которая вертикальным цилиндрическим шарниром 9 соединена с хребтовой рамой 2.















