ПЗ (1218548), страница 5
Текст из файла (страница 5)
Момент инерции стойки, определяется по формуле:
(2.3)
Осевой момент сопротивления, определяется по формуле:
(2.4)
Площадь сечения стойки, определяется по формуле:
(2.5)
2.1.3 Расчет на ветровую нагрузку
2.1.3.1 Ветер, перпендикулярный плоскости щита
Ветровая нагрузка определяется как сумма средней и пульсационной составляющих [5 п. 11.1.2]:
(2.6)
Нормативное значение средней составляющей ветрового воздействия Wm определим как [5, п. 11.1.3]:
(2.7)
где
– нормативное значение ветрового давления [5, п. 11.1.4];
– коэффициент, учитывающий изменение ветрового давления для высоты ze [4, п. 11.1.5 и 11.1.6];
с – аэродинамический коэффициент [5 п. 11.1.7].
Для III-го ветрового района, коэффициент w0 = 0,38 (38) кПа(кгс) [4, табл. 11.1].
(2.8)
Нормативное значение пульсационной части нагрузки [4, табл. 11,6]:
(2.9)
где ξ – коэффициент динамичности [5, п. 11.1.8];
ζ(ze) – коэффициент пульсации давления ветра [4, п. 11.1.8];
v – коэффициент пространственной корреляции пульсаций давления ветра [5, п. 11.1.8].
(2.10)
(2.11)
Определим расчетное значение ветровой нагрузки:
(2.12)
Нагрузка на баннер от ветрового давления:
(2.13)
2.1.3.2 Ветер под углом 450 к рекламному баннеру
Расчет производим в соответствии с [5 и 14]. Расчетная схема усилий показана на рисунке 2.4.
Рисунок 2.4 - Схема усилий
Относительное удлинение равно:
(2.14)
Следовательно, k=0,6 [5, рис Д.23].
Определим аэродинамические коэффициенты. Согласно [4, прил. Г.1.13].
(2.15)
где
= 2 [5, рис Д.19].
=0,75 [15, табл. 13, прим. 2].
Далее следует:
Найдем проекции равнодействующей ветровой нагрузки на оси X и Y:
(2.16)
(2.17)
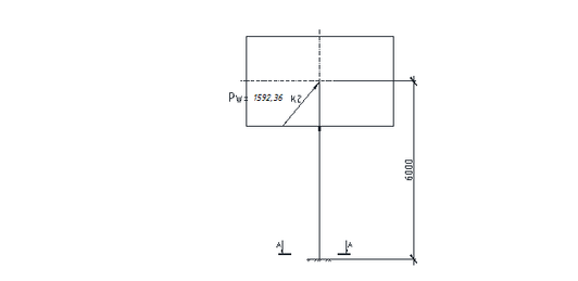
2.1.4 Расчет стойки рекламного баннера
Расчетная схема баннера показана на рисунке 2.5.
Рисунок 2.5 Расчетная схема стойки
Сечение А-А у стойки в этом случае - наиболее загруженное. В этом сечении возникают:
- изгибающий момент относительно оси Х-Х;
- крутящий момент относительно оси Z.
От собственного веса панели и ветровой нагрузки возникает изгибающий момент относительно оси Y-Y.
Проверка стойки по прочности:
(2.18)
где:
;
;
- коэффициент условий работы.
Вывод: сечение стойки обеспечивает необходимую прочность.
2.1.5 Расчет рекламного баннера на устойчивость
2.1.5.1 Расчет фундаментных болтов
Схема для расчёта фундаментных болтов представлена на рисунке 2.6.
Рисунок 2.6 – Схема для расчета фундаментных болтов
Проверка сечения болтов на растяжение:
(2.19)
отсюда:
(2.20)
Y-Y:
(2.21)
Итого на самый нагруженный болт приходится:
(2.22)
Несущая способность фундаментного болта М36:
(2.23)
где Rbt – расчетное сопротивление стали растяжению [16, табл. 5];
Abn - площадь сечения болта, нт [16, табл. Г.9].
Итого P = 11879,11 < Nb = 15504 кг, условие выполняется.
2.1.5.2 Расчет длины анкеровки болтов в теле бетона
Максимальная длина заделки анкерных болтов должна быть не менее 15d, минимальное расстояние между осями болтов 8d, минимальное расстояние от оси болтов до грани фундамента 6d (d – диаметр болта). Схема заделки анкерного болта в фундаменте представлена на рисунке 2.7.
Н=15d=15*36=540мм;
Рисунок 2.7 Заделка анкерного болта в фундаменте
Должно выполняться условие:
(2.24)
где т1- отношение расчетного сопротивления растяжению бетона класса В12,5 к расчетному сопротивлению бетона принятого класса;
т2 - отношение расчетного сопротивления растяжению металла болтов принятой марки стали к расчетному сопротивлению растяжению стали марки.
Анкерная пластина с размерами 90х90 мм, площадь пирамиды выкалывания бетона из фундамента при отрыве:
Сила, препятствующая выкалыванию бетона, составит:
(2.25)
(2.26)
2.1.5.3 Расчет конструкции на устойчивость против опрокидывания
Под действием ветрового напора конструкция деформируется относительно фундаментного ребра (точка А). Схема к расчету конструкции на устойчивость представлена на рисунке 2.8.
(2.27)
Рисунок 2.8 Схема к расчету конструкции на устойчивость
Опрокидывающий момент:
(2.28)
Удерживающий момент возникает от собственного веса фундамента Рф, веса щита Рк, и веса насыпного грунта:
(2.29)
где 0,9 – коэффициент надежности по массе баннера
Коэффициент запаса:
(2.29)
Следовательно, условие удовлетворяется.
2.2 Расчет железобетонного лестничного марша.
Расчетная нагрузка на 1 м длины марша, определена по формуле:
(2.30)
где qn - собственный вес железобетонного лестничного марша на 1 м2 горизонтальной проекции, кH/м2;
рn - временная нормативная нагрузка для лестниц жилого дома, кH/м2;
gf - коэффициент надежности по нагрузке;
a - ширина лестничного марша, м;
Расчетный изгибающий момент в середине пролета марша, определяется по формуле:
(2.31)
где l – длина лестничного марша.
.
Перерезывающая сила на опоре, определяется по формуле:
(2.32)
.
По типовым заводским формам назначаем толщину плиты (по сечению между ступенями) h'f=30 мм, высоту ребер (косоуров) h=170 мм, толщину ребер br=80мм. Сечение лестничного марша показано на рисунке 2.9
Рисунок 2.9 Сечение лестничного марша
Сечение таврового профиля показано на рисунке 2.10
Рисунок 2.10 Сечение лестничного марша
Ширина сечения понизу b, составляет:
b = 2 ∙ br, (2.33)
b = 2 ∙ 80 = 160 мм.
Максимальная ширина полки
при отсутствии поперечных ребер:
(2.34)
Ширина полки b'fм, равна:
(2.35)
Примем окончательно значение ширины b'f = 520 мм.
2.2.1 Расчет сечения, нормального к продольной оси
Проверим место прохождения нейтральной оси по формуле:
(2.36)
где Rb – расчетное сопротивление бетона осевому сжатию для 1-го предельного состояния, кН/см2;
gb2 – коэффициент надежности;
b'f - ширина полки, см;
h'f – толщина плиты, см;
h0 – рабочая высота сечения, см.
Условие удовлетворяется, нейтральная ось проходит в полке.
Расчет арматуры ведем по формулам для прямоугольного сечения шириной
b'f = 520 мм.
Требуемая площадь арматуры
0, определяется по формуле:
(2.37)
где γn - коэффициент надежности;
Rb - расчетное сопротивление бетона осевому сжатию, мПа;
gb2 - коэффициент условий работы.
Площадь сечения ненапрягаемой арматуры в растянутой зоне сечения Аs, определяется по формуле:
(2.38)
где Rs - расчетное сопротивление арматуры растяжению для первого пре-
дельного состояния, мПа.
.
Принято 2Æ16А300. В каждом ребре установлен один плоский каркас Кр1.
2.2.2 Расчет наклонного сечения на перерезывающую силу
Поперечная сила на опоре, определяется по формуле:
(2.39)
Длина проекции наиболее опасного наклонного сечения на продольную ось элемента с, определяется по формуле:
(2.40)
где φb2 - коэффициент, учитывающий вид бетона;
φn=0, поскольку нет предварительного напряжения и продольных сжимающих сил;
Rbt - расчётное сопротивление бетона осевому растяжению; мПа;
φf - коэффициент, определяется по формуле:
(2.41)
Qb - поперечная сила в расчётном наклонном сечении, определятся
по формуле:
(2.42)
Поскольку:
Примем с = 0,29м, тогда Qb равно:
Поскольку Qb > Qmax = 29,6кН > 18,23 кН, следовательно, поперечная арматура по расчету не нужна.
Поперечная арматура подобрана конструктивно из стержней диаметром
6 мм арматуры А240. Площадь поперечного сечения стержней
, расчётное сопротивление осевому растяжению Rsw=175 МПа. Шаг стержней, мм, должен удовлетворять условию
.
Окончательно на приопорных участках примем шаг S=80 мм. В средней части ребер поперечную арматуру располагаем конструктивно с шагом 200 мм.
2.2.3 Проверка прочности элемента по наклонной полосе между наклонными трещинами
Должно выполняться условие:
(2.43)
где φb1 – коэффициент, определяется по формуле:
(2.44)
- коэффициент, учитывающий вид бетона;
φ w1 – коэффициент, определяется по формуле:
(2.45)
α - коэффициент, рассчитанный по формуле:
(2.46)
Еs и Eb – модули упругости для арматуры и бетона соответственно;
α = 2,1·105/2,7·104 = 7,77
μw - коэффициент, рассчитанный по формуле:
μw = Аsw /b∙S, (2.47)
Аsw - площадь поперечного сечения стержней для двух каркасов.
Поскольку условие выполнено, прочность марша по наклонному сечению обеспечена.
Плита марша армирована сеткой из стержней Ø3 мм: В500, расположенных с шагом 100 мм.
Плита замоноличена со ступенями, которые армируются по конструктивным соображениям, и ее несущая способность с учетом работы ступеней обеспечивается. Диаметр продольной арматуры ступеней с учетом транспортировки и монтажа назначен в зависимости от длины ступней равным 5 мм. Ступени армируются гнутыми сетками.
2.2.4 Расчет железобетонной площадочной плиты лестничного марша.









