005 Основная часть с содержанием, введением и списком лит-ры (1217412), страница 6
Текст из файла (страница 6)
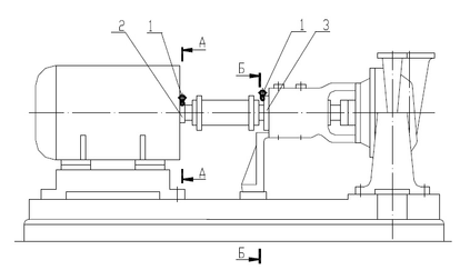
Рисунок 4.3 Схема расположения датчиков вибрации на агрегатах
Н-1, Н-2 и Н-3 бойлерной установки
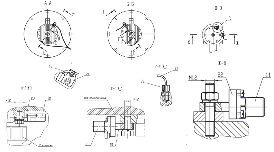
Рисунок 4.4.1 Схема монтажа датчиков системы «КОМПАКС-М»
Рисунок 4.4.2 Схема монтажа датчиков системы «КОМПАКС-М»
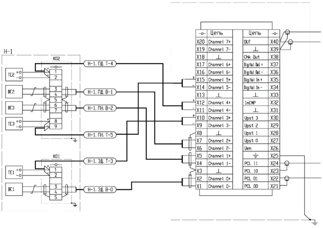
На рисунке 4.5 изображена схема подключения датчиков температуры и вибрации коренного и полевого подшипников насоса Н-1, для оставшихся насосов Н-2 и Н-3 данная схемы выполняется аналогично.
Рисунок 4.5 Схема подключения датчиков температуры и вибрации
коренного и полевого подшипников насоса Н-1
Для диагностики технического состояния насосов на бойлерной установке используется расположение вибродатчиков, показанное на рисунке 4.3. Вибродатчик устанавливается на передний подшипниковый узел в горизонтально радиальном направлении к оси вала под углом 45° к плоскости горизонта. В этой точке вибродатчик способен зафиксировать возникновение механических дефектов: крепления, расцентровки со стороны насоса, дисбаланса, дефектов подшипников, рабочего колеса, соединительной муфты и технологических дефектов: прохват, кавитация, гидроудар.
Система «КОМПАКС-М» осуществляет непрерывный круглосуточный мониторинг технического состояния агрегата с непрерывной фиксацией в памяти на жестком диске всех параметров, измеряемых на данном агрегате, что позволяет осуществить его надежную противоаварийную защиту в течение всего межремонтного пробега установки.
4.4. Отчет по эксплуатации насосных агрегатов
Система «КОМПАКС-М» на бойлерной установке измеряет по каждому подшипнику 3 параметра вибрации: виброускорение, виброскорость, виброперемещение, а также ток потребления агрегата и температуру подшипников. В качестве примера анализа эксплуатации насосов бойлерной установки приведен отрывок из отчета по эксплуатации насосов, который наглядно показывает необходимость в системе мониторинга состояния электропривода.
Анализ эксплуатации насосов бойлерной установки
Система «КОМПАКС-М» реализует Автоматизированную Систему Управления Безопасной Ресурсосберегающей Эксплуатацией (АСУБЭР) оборудования, на основе непрерывного мониторинга и диагностики состояния, обеспечивающую полное использование ресурса заложенного в оборудовании, при одновременном сохранении его ремонтопригодности и безопасности производства, контроль качества ремонта агрегатов, исключение отрицательного влияния человеческого фактора, переход от системы ППР к ремонтам по фактическому состоянию и представление объективной информации о состоянии оборудования управляющему персоналу предприятия всех уровней.
Система переводит отказы агрегатов из категории внезапных в категорию наблюдаемых, своевременно предупреждая персонал об изменении технического состояния оборудования с выдачей рекомендаций по неотложным действиям, которые необходимо выполнить для приведения оборудования к техническому состоянию «Допустимо».
Агрегат Н-1.
В насосной бойлерной установки в состоянии <Недопустимо> (НДП) в течении продолжительного времени (с момента внедрения системы «КОМПАКС-М») эксплуатируется насос Н-1. На трендах (рисунок 4.6) наблюдаются высокие значения СКЗ виброскорости (Ve) от 9,7 мм/с до 25 мм/с, при пороговых значениях требует принятия мер, недопустимо (ТПМ, НДП): 6,3 мм/с и 8 мм/с соответственно. Аналогично виброскорости происходят изменения виброускорения (Ае) (рисунок 4.7), но за пределы пороговых значений они не выходят. При этом выводятся экспертные сообщения: в состоянии недопустимо: ПРОВЕРЬ_ЦЕНТРОВКУ, НЕДОПУСТИМОЕ_ИЗМЕНЕНИЕ_V;НЕДОПУСТИМОЕ_ИЗМЕНЕНИЕ_А, РАЗРУШЕНИЕ_ПОДШИПНИКА. В спектре виброскорости присутствуют первые три гармоники оборотной частоты с преобладанием второй, этот факт говорит о несоосности валов электродвигателя и насоса. Вследствие этого возникают дополнительные напряжения на вал насоса, вызывающие рост вибрации агрегата. Руководствуясь производственной инструкцией, персонал около пяти раз останавливал для центровки и после проведения работ ему удалось вывести показания в зону Допустимо. персонал останавливает агрегат для выполнения центровки.
Агрегат Н-2.
Аналогичная ситуация наблюдается в этой же насосной с агрегатом Н-2. С начала регистрации вибросостояния насоса (рисунок 4.8) наблюдается повышенный уровень виброскорости, которая возросла на 7 единиц с 10,25 мм/с до 17,25 мм/с при пороговых значениях ТПМ, НДП на данном узле 6,3 мм/с, 8 мм/с соответственно. При этом экспертная система оповещает персонал следующими сообщениями: ПРОВЕРЬ_ЦЕНТРОВКУ, НЕДОПУСТИМОЕ_ИЗМЕНЕНИЕ_V.
Агрегат Н-3.
Системой КОМПАКС-М был предупреждён внезапный аварийный останов агрегата Н-3. При пуске данного агрегата на тренде виброускорения переднего подшипника двигателя наблюдается уровень, превышающий пороговое значение НДП (24 мм/с2), составляет он 26,58 мм/с2. В течении суток уровень виброускорения падает до допустимых значений (рисунок 4.9). Далее 04.05.2012 происходит резкий рост виброскорости (рисунок 4.10) до 23,42 мм/с (порог НДП 18 мм/с), так же значение виброперемещения Se в этот момент составляет 289 мкм (порог НДП 57 мкм). Далее происходит понижение уровней Ve до 16,6 м/с, Se до 205, 97 мкм. Персонал по рекомендациям системы «КОМПАКС-М» проводит остановки и применяет меры по снижению вибронагруженности данного узла (подтягивание опор электродвигателя, добавление смазки в подшипниковый узел), но кардинально ситуация не изменилась. Агрегат был остановлен и отправлен на ремонт. После запуска уровни Ae, Ve, Se составляют 13,9 мм/с2, 2,39 мм/с, 17,7 мкм соответственно.
Рисунок 4.6 Спектр виброускорения агрегата Н-1
Рисунок 4.7 Спектр виброскорости агрегата Н-1
Рисунок 4.8 Спектр виброускорения агрегата Н-2
Рисунок 4.9 Спектр виброускорения агрегата Н-3
Рисунок 4.10 Спектр виброскорости агрегата Н-3
ЗАКЛЮЧЕНИЕ
Электрический привод – неотъемлемая составная часть любого технологического процесса. Назначение автоматизации электропривода состоит в обеспечении выпуска продукции высокого качества при оптимальных технико-экономических показателях работы оборудования. Основное внимание при организации контроля производства уделяют обязательному использованию контрольных данных для оперативного управления производственными процессами.
В ходе выполнения выпускной квалификационной работы были описаны мероприятия по модернизации насосов бойлерной установки. Был проведен анализ требований Ростехнадзора и технологических параметров. Изучена проектная документация.
Проведение данной модернизации в виде доукомплектования насосов Н-1, Н-2 и Н-3 датчиками температур обмоток электродвигателя, температурами коренных и полевых подшипников электродвигателя и насоса, системой вибродиагностики, а также модернизация запорной арматуры путем перехода от пневматического привода к электрическому значительно повысили надежность системы, что продлит срок службы насосов, повысит надежность оборудования, стабильность технологического процесса и безопасность рабочих.
Преимуществами использования частотного управления пуском и торможением насосами являются плавный пуск электродвигателя и возможность регулирования тока в требуемых пределах, а также экономия электроэнергии.
СПИСОК ИСПОЛЬЗОВАННЫХ ИСТОЧНИКОВ
1. Правила промышленной безопасности нефтебаз и складов нефтепродуктов (ПБ 09-560-03). Утверждены постановлением Госгортехнадзора России от 20.05.2003 № 33.
2. Калашник Г.Г. Объекты повышенной опасности / Г.Г. Калашник, М.В. Рукин // Системы безопасности. – 2007. – № 5. – С. 154-156.
3. Запорно-регулирующая арматура [Электронный ресурс]: сайт. – Режим доступа: http://www.ege-rus.com/.
4. Неполнооборотные приводы SG 05.1 – SG 12.1 с AUMATIC 01.1 Non-Intrusive: инструкция по эксплуатации / AUMA RIESTER, 2006. – 80 с.
5. Блок управления AUMA MATIC AM/ AMExB/ AMExC Modbus: краткое руководство / AUMA RIESTER, 2006. – 20 с.
6. Барков А.В. Возможности нового поколения систем мониторинга и диа-
гностики // Металлург. № 11. 1998. С. 47-53.
7. Руководство по эксплуатации системы мониторинга «КОМПАКС-М» [Электронный ресурс]:сайт. – Режим доступа: http://www.dynamics.ru/products/
compacs-m/.
8. CitectScada: user guide / Citect Corporation. – 2004. – 704 p.
-
Ширман А., Соловьев А. Практическая вибродиагностика и мониторинг
состояния механического оборудования. М.: Машиностроение, 1996. 276 с.
-
Барков А.В., Баркова Н.А., Азовцев Ю.А. Мониторинг и диагностика ро-
торных машин по вибрации: Учеб. пособ. СПб.: Питер, 2000. 158 с.
-
Гольдин А.С. Вибрация роторных машин. М.: Машиностроение,
1999. 344 с.
12. И. Куцевич Стандарт OPC - путь к интеграции разнородных систем / [Электронный ресурс]: электронный журнал / Куцевич И., Григорьев А. // PC Week/RE («Компьютерная неделя»). – 2001. – № 303 (33). – Режим доступа: http://www.pcweek.ru/industrial/article/detail.php?ID=59064
13. OLE for Process Control. OPC Overview. Version 1.0. - Oct. 27, 1998. - 16.
26














