005 Основная часть с содержанием, введением и списком лит-ры (1217412), страница 4
Текст из файла (страница 4)
Рисунок 3.2 Стойка с дисплеем системы
мониторинга «КОМПАКС-М»
Система обеспечивает отображение состояния технологической системы и оборудования на цветном мониторе на основе светофорных пиктограмм:
ЗЕЛЕНЫЙ - состояние НОРМА;
ЖЕЛТЫЙ - состояние ТРЕБУЕТ ПРИНЯТИЯ МЕР;
КРАСНЫЙ - состояние НЕДОПУСТИМО
Встроенная экспертная система автоматически определяет и прогнозирует неисправность контролируемого оборудования и выдает рекомендации персоналу по дальнейшим действиям. Система информирует персонал речевым сообщением о состоянии оборудования через акустическую систему.
На рисунке 3.3 показана структурная схема, характеризующая процесс работы системы мониторинга и диагностики состояния электропривода «КОМПАКС-М». После обработки сигналов с вращающегося оборудования, экспертная система «КОМПАКС» выявляет диагностические признаки из всех спектров сигналов, по измеренным данным строит тренды, и на основании базы знаний делает вывод о состоянии электропривода в виде речевого предупреждения, цветных пиктограмм и текстовых сообщений на дисплее.
В диагностику входят такие параметры, как
- вибрация подшипников,
- температура подшипников,
- ток потребления электропривода,
- напряжения постоянного и переменного тока,
- частота вращения, а также ряд других параметров, которые можно добавить исходя из возможностей эксплуатируемой системы.
Рисунок 3.3 Структурная схема работы системы «КОМПАКС-М»
-
Технические характеристики, компоненты и принцип работы системы диагностики электропривода «КОМПАКС-М»
Основные технические характеристики системы приведены в таблице 3.1.
Таблица 3.1- технические характеристики системы «КОМПАКС-М»
| Наименование характеристики | Значение |
| 34 |
| 445 |
| виброускорение | 65 |
| виброскорость | 65 |
| виброперемещение | 65 |
| температура | 52 |
| ток | 21 |
| самоконтроль | 151 |
| Параметры, получаемые из АСУ ТП: | |
| ток | 13 |
| частота вращения | 13 |
| 220±10% |
| напряжение, В | 50±0,4 |
| частота, Гц | |
| 225 |
| |
| виброускорение | 10 – 3000 |
| виброскорость | 10 – 1000 |
| виброперемещение | 10 – 200 |
| |
| виброускорение | ± 6 |
| виброскорость | ± 7 |
| виброперемещение | ± 8 |
| ± 1 |
Система «КОМПАКС-М» имеет взрывозащищенное исполнение и соответствует требованиям следующих стандартов: ГОСТ Р 51330.0-99 (МЭК 60079-0-98), ГОСТ Р 51330.10-99 (МЭК 60079-11-99), ГОСТ Р 51330.13-99 (МЭК 60079-14-96), гл. 7.3. Правил устройства электроустановок (ПУЭ). В роли измерителя выступает модуль PIM (Programmable Interface Module), изображенный на рисунке 3.4.
Модули PIM могут устанавливаться во взрывоопасных зонах любого класса в соответствии с гл. 7.3 ПУЭ, в которых возможно образование взрывоопасных смесей категорий IIA, IIB, IIC температурных классов Т1÷Т5 по классификации ГОСТ 12.1.011 и имеют маркировку взрывозащиты “0ExiaIICT5 в комплекте системы «КОМПАКС-М». Преобразователи пьезоэлектрические виброизмерительные AB-311FRU, AB-321FK, преобразователи термоэлектрические КТХК 3/2000 могут устанавливаться во взрывоопасных зонах любого класса в соответствии с гл. 7.3 ПУЭ, в которых возможно образование взрывоопасных смесей категорий IIA, IIB, IIC температурных классов Т1УГ6 по классификации ГОСТ 12.1.011 и имеют маркировку взрывозащиты 0ExiaIICT6 в комплекте системы «КОМПАКС-М».
Комплект GDU имеющие маркировку взрывозащиты [Exia]IIC в комплекте системы «КОМПАКС-М» предназначены для установки вне взрывоопасных зон. Диагностический контроллер, входящий в состав системы, предназначен для установки вне взрывоопасных зон и имеет маркировку взрывозащиты.
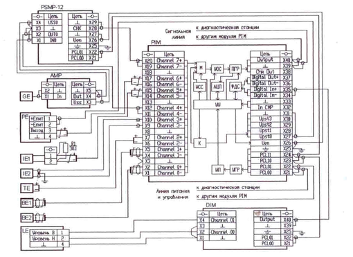
На рисунке 3.5 показана схема включения модуля PIM. Программируемый интерфейсный модуль PIM предназначен для:
- коммутации, фильтрации и усиления сигналов с датчиков генераторного и
параметрического типа, применяемых совместно с соответствующими модулями питания этих датчиков;
Рисунок 3.4 Структурная схема системы «КОМПАКС-М»
на базе модуля PIM
Рисунок 3.5 Схема включения модуля PIM
- гальванической развязки сигнального выхода и входов линии питания и управления от корпуса и клеммы защитного заземления;
- преобразования сигналов с измерительных датчиков в выходной ток;
- преобразования амплитуды сигналов в цифровую форму;
- передачи цифровой информации по сигнальной линии в компьютер.
Модуль PIM содержит следующие составные части:
- устройство гальванической развязки линии питания и управления (УГР) для гальванической развязки внутренней схемы модуля от линии питания и управления;
- источник питания (ИП) для питания электронных схем модуля;
- калибратор (К) для увеличения точности измерения сигналов с датчиков;
- источник сигнала самоконтроля (ИСС) для формирования сигнала самоконтроля, необходимого для проверки состояния измерительных каналов связи и измерительных датчиков;
- мультиплексор (М) для мультиплексирования сигналов с датчиков;
- преобразователь с гальванической развязкой (ПГР) для усиления сигналов с датчиков и для гальванической развязки внутренней схемы модуля от сигнальной линии;
- аналого-цифровой преобразователь (АЦП) для преобразования амплитуды сигнала в цифровой код;
- устройство обработки сигнала (УОС) для предварительной обработки аналогового сигнала;
- формирователь дискретных сигналов (ФДС) для формирования сигналов из (в) дискретных модулей ввода (вывода).
В состав системы «КОМПАКС-М» входят:
- диагностическая станция на базе промышленного диагностического контроллера со специальным программным обеспечением, осуществляющим обработку, отображение и регистрацию данных;
- программное обеспечение COMPACS-OPC-Server, устанавливается на интеграционную станцию АСУ ТП;
- распределенная сеть измерительных выносных модулей PIM;
- распределенная система датчиков, контролирующих основные параметры оборудования.
Принципы работы системы:
- последовательное подключение каналов на вход измерительного устройства;
- выполнение коммутатора каналов в виде набора выносных программируемых интерфейсных модулей PIM устанавливаемых в непосредственной близости от контролируемого объекта, что позволяет существенно уменьшить суммарную длину линий связи;
- выполнение измерительного устройства на базе быстродействующего аналого-цифрового преобразователя;
- применение алгоритмов цифровой обработки сигналов для вычисления диагностических признаков.
Связь диагностической станции с программируемыми интерфейсными модулями PIM осуществляется по двум линиям:
- сигнальной линии, по которой передается измерительный сигнал;
- линии питания и управления, (ЛПУ), которая служит для питания и управления режимами работы модулей.
Сигналы с первичных преобразователей поступают на входы измерительных модулей PIM. Модули выполняют следующие функции: коммутация, усиление, фильтрация, модуляция сигналов, преобразование в выходной ток и трансляцию по сигнальной линии. Аналого-цифровое преобразование сигналов и их дальнейшая обработка (фильтрация, интегрирование, определение характеристик и т.д.) осуществляется в цифровом виде в диагностической станции.
Инициализация системы – начальная установка системы при первоначальном запуске или восстановлении состояния системы при повторном за-
пуске в случае отключения питания.
Измерение параметров включает в себя процедуры переключения каналов, аналого-цифрового преобразования сигнала, цифровой фильтрации, вычисления диагностических признаков, включая параметры самоконтроля.
Анализ состояния включает в себя процедуры сравнения измеренных значений параметров с пороговыми значениями и определения состояния, как объектов контроля, так и аппаратуры.
По результатам анализа состояния производится отображение на экране дисплея условных обозначений объектов контроля или аппаратных модулей, в зависимости от режима работы системы. Здесь же производится выдача диагностических сообщений, а при возникновении аварийной ситуации - выдача речевого сообщения.
Архивирование данных производится каждые 1,5 минуты. Архивирование реализовано на основе метода эффективного уплотнения результатов измерения в базу данных. В системе «КОМПАКС-М» используются 5 баз с различным разрешением по времени (от 1,5 минуты до 7 суток), способных хранить до 2400 значений параметров, снабженных отметками времени внесения соответствующего значения параметра в базу данных.
По мере поступления новых данных происходит одновременное обновление содержимого упомянутых буферов с соответствующим уплотнением данных. Информация, хранящаяся в базе данных, содержит: минимальное, максимальное и последнее в выборке значения измеренного параметра в пределах разрешения буфера, и одной отметки времени.
В системе «КОМПАКС-М» реализована двухуровневая защита от несанкционированного доступа:
- аппаратная защита диагностического контроллера системы «КОМПАКС –М» обеспечена введением ограничений на доступ к схеме включения/выключения и перезагрузки контроллера путем обеспечения диагностической станции и диагностического контроллера металлическими дверями с замками;
- защита программного обеспечения от несанкционированного доступа обеспечена введением ограничений на доступ к настройкам системы путем установки индивидуальных паролей в режимах «Администратор» и «Пользователь».
Подготовка агрегатов к монтажу датчиков вибрации заключается в установке на них датчикодержателей и доработке при необходимости защитного кожуха соединительной муфты. Все работы проводить на остановленных агрегатах.
Установку трансформаторных преобразователей тока (ТПТ) необходимо производить в трансформаторных подстанциях при обесточенном оборудовании. ТПТ устанавливать в силовой цепи контролируемого агрегата перед электромагнитным пускателем. Преобразователь подключается к экранированному кабелю с 2-мя жилами (типа МКЭШ), причем экран кабеля заземляется на модуле.
Датчик температуры устанавливается в датчикодержатель и закрепляется гайкой.
На рисунке 3.6 представлена структурная схема АСУ ТП бойлерной установки, в которую входят аппаратная и операторная.
В операторной находятся два автоматизированных рабочих места оператора (АРМ), на которых установлена SCADA-система Citect для визуализации технологических процессов, в аппаратной находится одно АРМ. Кроссовые шкафы и шкафы со вторичным оборудованием находятся в аппаратной. В эту структурную схему необходимо включить систему мониторинга электропривода «КОМПАКС-М».














