diplom_pz (1211074), страница 6
Текст из файла (страница 6)
Испытания на статическое растяжение металла сварных соединений проводились в соответствии с ГОСТ 6996-60 на испытательной машине МР-500. При испытаниях применялись образцы пропорциональные, цилиндрические и плоские по ГОСТ 1497-73. Формы и размеры головок и переходных частей принимались в соответствии со способами их крепления в захватах машины так, чтобы исключалась возможность проскальзывания в захватах и смятия опорных поверхностей.
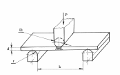
Испытания сварных соединений на статический изгиб проводилось по схеме, представленной на рисунке 2.2 с использованием гидравлического пресса усилием 250 кН и универсальной машиной УМЭ-10Т. Скорость деформации образца 15 мм/мин. Размеры деталей технологической оснастки:
Д = 2а; r = 25 мм; К = Д+2,5а. Углы изгиба до образования первой трещины замерялись в ненапряжённом состоянии с погрешностью ±2˚.
Рисунок 2.2 - Схема испытаний сварного соединения на угол загиба
Для определения наличия внутренних дефектов сварных швов использовался ультразвуковой дефектоскоп УД-112 «Пеленг» с призматическими и раздельно-совмещёнными преобразователями, обеспечивающими прозвучивание металла на глубину 1-2500 мм.
2.6 Материалы, используемые для создания электродов
Материалы, используемые в электродном производстве можно разделить на две группы: металлические и неметаллические. К металлическим материалам относятся: проволока, металлические порошки и ферросплавы. Неметаллические материалы - руды, минералы, концентраты, химикаты и др.
2.6.1 Металлические материалы
В качестве электродных стержней использовалась сварочная проволока марки Св - 08, диаметром 3 и 4 мм, ГОСТ 2246-70, имеющая состав:
С = 0,1 масс.%; Si = 0,03 %; Mn =0,35-0,6 %; P и S не более 0,04 % каждого.
Исследование технологических свойств созданных сварочно-наплавочных материалов для ручной сварки проводилось на подложках из конструкционной стали марки ВСт.3сп имеющей состав: С 0,18-0,2 %; Si до 0,07 %; Mn 0,3-0,5 %; S и P не более 0,045 % каждого. Толщина металла подложки варьировалась в пределах от 5 до 10 мм.
2.6.2 Неметаллические материалы
При создании новых сварочных материалов использовалось минеральное сырьё Дальневосточного региона, классифицируемое по своему влиянию на состав наплавленного металла как не легирующее.
Использовались: известняк Вяземского месторождения, гранит Корфовского карьера, мрамор и доломит месторождений, расположенных в Еврейской автономной области (таблица 2.2).
Для регулирования вязкости шлаковой ванны, очищения наплавляемого металла от вредных примесей, использовался плавиковошпатовый концентрат, выпускаемый Ярославским горнообогатительным комбинатом Приморского края, содержащий, масс, %: CaF2 - 90,0; SiO2 - 2,9; CaCO3 - 2,9; S меньше чем 0,10; P меньше чем 0,01.
Таблица 2.2 - Состав минерального сырья
| Наименование сырья | Состав, масс. % | ||||||||||||
| SiO2 | CaO | СО2 | MgO | Al2O3 | FeO | Fe2O3 | Fe3O4 | Na2O | K2O | S | P | Прочие | |
| Известняк Гранит Мрамор Доломит | 8,79 67,6 5,32 0,45 | 48,7 2,92 51,5 44,5 | 38,18 - 40,4 34,24 | 2,1 1,75 1,63 19,3 | 0,81 15,20 – – | – 0,50 – – | 0,54 0,84 – 0,32 | – 2,44 – – | 0,05 3,50 – – | 0,33 4,30 – – | 0,05 0,01 0,02 0,01 | 0,04 0,12 0,04 0,01 | 1,53 0,82 0,19 0,67 |
С целью разрушения органических флотоагентов порошок плавиково-шпатового концентрата прокаливался при температуре 550...600 ˚С.
Сыпучие и кусковые компоненты после дробления и сушки измельчались и разделялись на необходимые фракции по рекомендациям, изложенным в [8].
В качестве раскислителей сварочной ванны применялись широко используемые при производстве сварочно-наплавочных материалов ферросилиций, ферромарганец, а также высокоактивные по отношению к кислороду элементы – алюминий марки АПВ в виде порошка с химическим составом, масс, %: Al - 98,9; Fe - 0,3...0,5; Si - 0,2...0,4; Cu - 0,015; Mg - 0,05.
После дозировки компонентов в соответствии с рассчитанной рецептурой, сухая смесь шихты в течение часа подвергалась перемешиванию в смесителе типа "пьяная бочка". Электроды готовились методом окунания, с нанесением двух-трёх слоёв обмазки в зависимости от требуемой толщины. После подвяливания на воздухе (6…8 час), проводилась сушка в печи при температуре 50 …60 °С. Окончательная операция - прокалка, проводилась при температуре 380...400 °С в течение часа. Учитывая высокую гигроскопичность электродов, перед использованием они подвергались термообработке при 380-400 °С.
3 РАЗРАБОТКА ЭЛЕКТРОДОВ ДЛЯ РУЧНОЙ ДУГОВОЙ СВАРКИ НА БАЗЕ МЕСТНОГО МИНЕРАЛЬНОГО СЫРЬЯ
3.1 Создание новых сварочно-наплавочных электродов из местного минерального сырья
При реализации технологических процессов электрической сварки плавлением температуры намного превосходят температуру плавки сталей в печах, что вызывает более интенсивные окислительно-восстановительные процессы на границе металл-шлак.
Шлаки представляют собой жидкие фазы сложного состава, которые находясь на поверхности расплавленного металла создают благоприятные предпосылки для перехода элементов из шлака в металл и наоборот. В зависимости от того, какой состав имеет шлаковая составляющая сварочной ванны, различные элементы могут или извлекаться из металла, связываясь в шлаке в устойчивые соединения, или диффундировать из шлака в жидкий металл.
Шлаковые составляющие делятся на кислотные окислы (SiO2, TiO2, ZrO2, B2O3), основные (CaO, MgO, MnO, FeO, Na2O, K2O), амфотерные (Al2O3, Fe2O3) и нейтральные соли (CaF2, Na3AlF6, KF, NaF, KCl, NaCl и др.). Если в шлаке превалируют кислые окислы, окислы основные будут связаны в силикаты или алюмосиликаты и их активность будет понижена, а избыточные кислые окислы будут вступать в химические реакции. В случае излишка в шлаке основных окислов, кислые окислы будут связаны в соли, а основные будут реагировать с металлом. Амфотерные окислы ведут себя как основные при наличии в шлаке большого количества кислых окислов и наоборот [4,5,6,7].
3.2 Формирование составов покрытий опытных электродов
Покрытия современных электродов представляют собой сложные многокомпонентные системы. И в этих системах каждый компонент выполняет свою задачу. Компоненты, входящие в состав покрытия в общем случае можно разделить на: шлакообразующие, газообразующие, раскислители, легирующие, стабилизирующие, пластификаторы и связующие. Но в электродном покрытии один и тот же компонент часто выполняет различные функции.
3.2.1 Шлакообразующие
При своем плавлении в дуге образуют шлак, защищающий расплавленный металл от воздействия атмосферного воздуха, должен обеспечивать правильное формирование шва в различных пространственных положениях.
Взаимодействуя с расплавленным металлом, во многом определяет его свойства. В покрытиях электродов рассматриваемого вида к шлакообразующим можно отнести мрамор, известняк, мел, плавиковый шпат, гранит, кварцевый песок, полевой шпат.
3.2.2 Газообразующие
Предназначены для защиты зоны сварки от атмосферного воздуха. В рассматриваемых покрытиях газовая защита построена на термическом разложении карбонатов (мрамор, известняк, мел - основной компонент СаСО3) с выделением большого количества углекислого газа и оттеснении им атмосферного воздуха от зоны сварки.
3.2.3 Раскислители и легирующие
Поскольку сварка покрытыми электродами происходит на открытом воздухе и без дополнительной защиты, то элементы, входящие в состав стали (С, Si, Mn) окисляются и содержание их в металле падает. Чтобы предотвратить это явление, сохранить содержание в стали этих элементов в состав покрытия вводят раскислители. Как правило, это сплавы с железом Si, Mn, Ti, реже порошки чистых металлов. Данные элементы имеют большее сродство к кислороду, чем Fe и С, и окисляясь первыми предохраняют их от окисления. Если покрытие содержит раскислителей больше, чем необходимо, то эти элементы перейдут в наплавленный металл и пролегируют его. Легированием через покрытие можно получить металл любого состава, но потери легирующих элементов при этом сравнительно велики. Раскислители и легирующие вводятся в покрытие для снижения содержания кислорода в металле и для улучшения механических свойств.
3.2.4 Стабилизирующие
От них зависит устойчивость дугового разряда. Дугу стабилизировать могут те вещества, потенциал ионизации которых ниже, чем у железа.
Компоненты покрытий стабилизирующие дугу: мрамор, известняк, мел, гранит, полевой шпат, сода, поташ, сухой остаток жидкого стекла.
3.2.5 Связующие
В качестве связующего применялось калий-натровое жидкое стекло. Служит для склеивания частиц шихты между собой и удержания их на стержне. Рассмотрим насколько составов покрытий электродов основного типа (таблица 3.1).
Таблица 3.1- Составы покрытий электродов основного типа
| Марка и тип эклетрода | Компоненты, % | |||||||||||
| Мрамор | Плавик. шпат | Кварц. песок | FeMn | FeSi | FeTi | FeMo | FeCr | Al | Железный порошок | Рутил | ||
| Э45А | УОНИИ 13/45 | 53 | 18 | 9 | 2 | 3 | 15 | - | - | - | - | - |
| Э45А | СМ11 | 28,5 | 20,4 | - | 3,5 | - | - | - | - | - | 32,5 | 3,5 |
| Э50А | УОНИ 13/55 | 54 | 15 | 9 | 5 | 5 | 12 | - | - | - | - | - |
| Э60А | УОНИ 13/65 | 61 | 15,5 | 8 | 7 | 3 | 15,5 | - | - | - | - | - |
| Э85А | УОНИ 13/85 | 54 | 15 | - | 7 | 10 | 9 | 5 | - | - | - | - |
| Э85А | ЦЛ18 | 50 | 30 | - | 5 | - | - | - | 2 | 1 | - | - |
| Э100А | ЦЛ19 | 50 | 30 | - | 7 | 2 | - | - | 2 | 1 | - | - |
Как видно из таблицы 3.1 покрытия рассматриваемого вида состоят в основном из пород содержащих большое количество карбонатов (мрамор/СаСО3/), двуокиси кремния (кварцевый песок, полевой шпат, гранит/SiO2/), фтористого кальция (плавиковый шпат/CaF2/) и необходимого количества раскислителей.
Дальневосточный регион располагает крупными запасами необходимых минеральных веществ близких по составу к тем, что используются в электродном производстве в западной части страны. Это дает возможность выбрать в качестве аналога одну из приведенных выше выпускаемую промышленностью и весьма известную марку - УОНИИ13/55 и разработать состав покрытия используя только местные минеральные ресурсы. Из таблицы 3.1 следует, что сварочные электроды обычно содержат от 15 до 25 % ферросплавов в составе покрытия. Они предназначены для корректировки состава наплавленного металла и для достижения требуемого уровня свойств. Ферросплавы являются дорогостоящими компонентами, поэтому сделаем попытку заменить ферросплавы в покрытии на низколегированную сварочную проволоку типа Св08Г, Св08Г2С. Как показал анализ спроса и предложения, проволока Св08 или Св08А продаётся по той же цене, что и упомянутая Св08Г2С. Дальнейшие исследования будут посвящены замене проволоки Св08А на низколегированную с одновременным исключением ферросплавов из рецептуры покрытия.
Составы покрытий экспериментальных электродов приведены в таблице 3.2.
Таблица 3.2 - Составы покрытий экспериментальных электродов
| №состава | №1 | №2 | №3 | №4 | №5 | №6 | №7 |
| и компоненты, % | |||||||
| Известняк | 90 | 86 | 81 | 77 | 72 | 68 | 61 |
| Плавик. шпат | 5 | 7 | 9 | 11 | 13 | 15 | 17 |
| Гранит | 3 | 5 | 8 | 10 | 13 | 15 | 20 |
| Сода | 2 | 2 | 2 | 2 | 2 | 2 | 2 |
Далее была проведена проверка опытных электродов на технологичность: устойчивость горения дуги, разбрызгивание, формирование шва, шлакоотделение, наличие дефектов в наплавленном металле.















