605736 (1209587), страница 10
Текст из файла (страница 10)
При подключении, монтаже и эксплуатации устройств, входящих в состав системы ОПС, необходимо руководствоваться «Правилами технической эксплуатации электроустановок потребителей» и «Правилами техники безопасности при эксплуатации электроустановок потребителей».
К работе с Системой допускаются лица, изучившие настоящее руководство, а также прошедшие аттестацию по технике безопасности на 3 группу допуска при эксплуатации электроустановок, инструктаж по технике безопасности на рабочем месте.
Проведение всех работ по подключению и монтажу устройств Системы не требует применения специальных средств защиты.
Не допускается использовать при чистке загрязненных поверхностей абразивные и химически активные вещества.
Запрещается устанавливать устройства Системы на токоведущих поверхностях и в сырых помещениях (с влажностью выше 80%).
Общие рекомендации.
Устройства Системы рекомендуется устанавливать в местах, наиболее приспособленных для выполнения ими функционального назначения, и отвечающих дополнительным требованиям (например, обеспечение конфиденциальности вводимой информации, исключение несанкционированного доступа посторонних лиц и др.) при этом не должно быть затруднено проведение работ по их техническому обслуживанию. Перед подключением устройств Системы необходимо изучить технические характеристики, принципы работы и особенности подключения этих устройств.
а) При подключении оборудования необходимо строго соблюдать полярность соединения устройств Системы.
б) Выбор проводов и кабелей, способов их прокладки должен производиться в соответствии с требованиями СНиП 3.05.06-85, ВСН 116-87, НПБ 88-2001.
в) При подключении соединительных проводов к клеммам устройств не следует применять чрезмерных усилий при затягивании винтов во избежание выхода клемм из строя.
г) При установке аппаратных адресов устройств, имеющих для этой цели DIP-переключатели, не следует применять чрезмерных усилий при смене положения переключателей во избежание выхода их из строя.
д) Во избежание выхода из строя блоков, обеспечивающих связь устройств Системы по протоколу RS-485, при питании нескольких устройств от различных источников, минусовые выводы питания этих устройств должны быть объединены.
Монтажно-наладочные работы следует начинать только после выполнения мероприятий по технике безопасности согласно СНиП III-4-80.
При монтаже, транспортировке, хранении, списании и захоронении радиоизотопных пожарных извещателей должны выполняться требования "'Основных санитарных правил работы с радиоактивными веществами и другими источниками ионизирующих излучений ОСП-72/87.
При работе с ручными электроинструментами необходимо соблюдать требования ГОСТ 12.2.013-87.
При работе с клеями следует соблюдать меры предосторожности и правила безопасности в соответствии с требованиями ГОСТ 12.1.007-76 и ТУ 38 103211-76.
В данной главе была рассмотрена техника безопасности при эксплуатаций системы ОПС. На основании главы можно сделать следующие выводы: при правильном соблюдений условий эксплуатаций систем ОПС особою угрозу для жизни и здоровья нет, процент травматизма сведен к минимальному.
Раздел 6. Инструкция по эксплуатации
6.1 Разработать инструкцию по эксплуатации изделия
При эксплуатации системы ОПС необходимо соблюдать:
а) Правила устройства электроустановок (ПУЭ);
б) Межотраслевые правила по охране труда (правила безопасности) при эксплуатации электроустановок ПОТ Р М-016-2001;
в) правила технической эксплуатации электроустановок потребителей, утвержденных приказом Минэнерго РФ №6 от 13.01.03;
г) действующие инструкции предприятия по охране труда, технике безопасности и пожарной безопасности;
д) правила безопасности, изложенные в эксплуатационных документах на все приборы и устройства сторонних производителей, подключенных к системе СКБВ.
К эксплуатации системы ОПС допускаются лица изучившие настоящее РЭ, имеющие удостоверение на право работы на электроустановках до 1000 В и прошедшие инструктаж по технике безопасности на рабочем месте.
При работе с ручными электроинструментами необходимо соблюдать требования ГОСТ 12.2.013.0-91.
При эксплуатации системы ОПС следует соблюдать требования:
а) перед включением системы проверить надежность элементов заземления;
б)система содержит электрические цепи с опасным для жизни напряжением 220 В;
в) запрещается открывать крышку блока ППК и БП, не отключив его от сети питания и ИБП;
г) все операции по замене плат и элементов устройств необходимо проводить при отключенном напряжении питания;
д) ремонт должен производиться в специализированных организациях, имеющих право ремонта взрывозащищенного электрооборудования.
Исходя из наличия на объекте сетей электроснабжения напряжением 380/220В с глухо заземленной нейтралью. Для защиты обслуживающего персонала от повреждения электрическим током при повреждении изоляции предусматривается зануление металлических корпусов электрооборудования и приборов. Зануление электрооборудования выполняется металлическим соединением их корпусов с нейтралью сети электроснабжения, для чего используется третьи жилы питающих кабелей.
Эксплуатационное обслуживание установок пожарной сигнализации.
Эксплуатационное обслуживание предусматривает выполнение регламентных работ по ТО и Р.
Регулировку и замену (монтаж) пожарных извещателей (ПИ) производят в соответствии с ТД, а также руководящими и другими НТД. Резерв ПИ на объекте составляет не менее 10 % от количества смонтированных.
ПИ должны содержаться в чистоте. При проведении ремонтных работ они должны быть защищены от попадания штукатурки, побелки и т.п. В местах, где возможно механическое повреждение ПИ, предусматривают защитные устройства, не препятствующие воздействию факторов пожара на ПИ. Должен быть обеспечен свободный доступ к ПИ для выполнения работ по ТО и ППР.
На ручной ПИ, в случае его неисправности, устанавливают табличку до восстановления его работоспособности.
ППКП и ППУ устанавливают в недоступных для посторонних лиц местах и опломбируют. Приборы жестко крепят к несущим конструкциям и основаниям на стенах с нулевым распространением огня. После окончания ремонта и замены отдельных ТС следует провести испытания АУП в дежурном режиме в течение не менее 72 часов.
К линейным цепям (шлейфам сигнализации, электропроводке и т.п.) должен быть обеспечен доступ для осмотра и ТО. Провода и кабели не должны иметь перекручивании, вмятин и повреждений участков изоляции.
В данной главе была разработана инструкция по эксплуатаций в ходе которой были рассмотрены условия эксплуатаций и возможные последствия при неправильной эксплуатаций.
Заключение
В данном дипломном проекте были рассмотрены основные приборы системы ОПС, разработана схема системы ОПС для учебного стенда.
Рассмотрены существующие системы ОПС и их характеристики, а также характеристики датчиков и конструкций системы ОПС, методы монтажа и пуско-наладочных работы системы ОПС.
Рассмотрены требования руководящих документов к системам охранно-пожарной сигнализации.
Рассмотрена схема электрическая принципиальная датчиков СПД 3.2 и ИП 102.
Проведен расчет себестоимости учебного стенда.
Разработаны меры по обеспечению безопасных условий труда и требований к эксплуатаций системы ОПС.
Список литературы
Учебные пособия и методические указания
-
Барсуков, В. С., Марущенко, В. В., Шигин, В. А. Интегральная безопасность: Информационно-справочное пособие [Текст] / В. С. Барсуков.–М.: РАО “Газпром”, 2004. – 170 с.
-
Бузов, Г. А., Калинин, С. В., Кондратьев, А. В. Защита от утечки информации по техническим каналам : Учебное пособие[Текст]/ Г. А. Бузов. М. : Горячая линия – Телеком, 2005. – 416 с. : ил.
-
Василенок, В. Л. , Вус, М. А., Горшков, В. В. Введение в безопасность предпринимательства : Учебное пособие [Текст] / В. Л. Василенок– Санк- Петербург : Высшая административная школа мэрии, 1999. – 99 с.
-
Дворский, М. Н., Палатченко, С. Н. Техническая безопасность объектов предпринимательства : Учебное пособие[Текст] / М. Н. Дворский. – М. : А-депт, 2006. – 304 с.
-
Игнатьев, В.А. Информационная безопасность современного коммерческого предприятия [Текст] / В.А. Игнатьев. – Старый Оскол: ТНТ, 2005. – 448 с., ил.
-
Каторин, Ю. Ф., Лысов, А. В., Остапенко, А. Н. Энциклопедия промышленного шпионажа : Энциклопедия [Текст] / Ю. Ф. Каторин. – М. : Издательство Полигон, 2000. – 512 с. : ил.
-
Кечиев, Л. Н. ЭМС и информационная безопасность в системах телекоммуникаций : Учебное пособие [Текст] / Л. Н. Кечиев, П. В. Степанов. М. : Изд. дом "Технологии", 2005. – 615 с. : ил.
-
Лунгенов, А. Н., Рыжов, А. Л. Технические средства и способы добывания и защиты информации : Учебное пособие [Текст] / А. Н. Лунгенов. – М. : ВНИИ "Стандарт", 1993. – 95 с.
-
Малюк, А. А. Информационная безопасность: концептуальные и методологические основы защиты информации : учебное пособие [Текст] / А. А. Малюк. – М. : Горячая линия – Телеком, 2004. –280 с.
-
Собурь, С. В. Пожарная безопасность предприятия : Учебно-справочное пособие [Текст] / С. В. Собурь. - М.: Спецтехника, 2003. - 496 с., ил.
-
Степанов, Е. А., Корнеев, И. К. Информационная безопасность и защита информации : Учебное пособие [Текст] / Е. А. Степанов. – М. : Ифра-М, 2001. – 304 с.
-
Торокин, А. А. Инженерно-техническая защита информации : Учебное пособие [Текст] / А. А. Торокин. – М. : Гелиос АРВ, 2005. – 960 с.
-
Хореев, А. А. Защита информации от утечки по техническим каналам : учеб. пособие [Текст] / А. А. Хорев. – М. : Академия, 2008. – 256 с.
-
Чипига, А.Ф. Информационная безопасность автоматизированных систем: учеб. пособие для студентов вузов, обучающихся по специальностям в обл. информ. безопасности [Текст]/ А.Ф. Чипига. – М.: Гелиос АРМ, 2010. – 336 с., ил.
-
Чипига, А. Ф., Лапина, М. А. Организационное обеспечение информационной безопасности : Учебное пособие [Текст] / А. Ф. Чипига. – Ставрополь : СевКавГТУ, 2009. – 439 с.
-
Ярочкин, В. И. Информационная безопасность : Учебное пособие для студентов непрофильных вузов [Текст] / В. И. Ярочкин. – М. : Междунар. Отношения, 2000. – 400 с. : ил.
Приложения
Приложение А
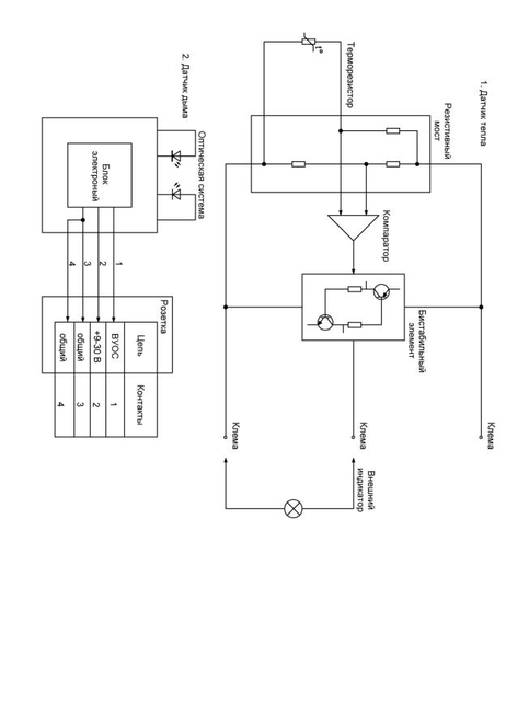
Схема электрическая принципиальная ИП СПД 3.3
Приложение Б
Структурная схема ИП СПД 3.3
Размещено на Allbest.ru















