Записка (1209327), страница 5
Текст из файла (страница 5)
Момент необходимый для резания грунта равен
Определяем момент, необходимый для отбрасывания разрыхленного грунта по формуле
(3.4)
где
– ширина захвата фрезы, м;
– глубина обработки фрезой, принимаем
= 0,26 м;
vn – поступательная скорость фрезы, м/с;
vокp – окружная скорость на концах резцов, принимаем vокp = 10 м/с;
– объемный вес грунта в плотном теле, принимаем
= 17500 Н/м3;
g – ускорение свободного падения, принимаем g = 9,81.
Поступательную скорость фрезы определяем по формуле
(3.5)
где zc – число резцов в сечении ротора, в соответствии с проектируемой конструкцией zс = 3 шт;
Поступательная скорость фрезы равна
Момент, необходимый для отбрасывания разрыхленного грунта равен
4 Расчет гидросистемы дорожной фрезы
4.1 Расчет усилий на гидроцилидрах
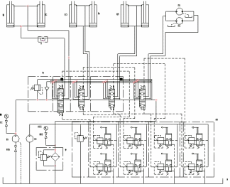
Гидросистема трактора Т-12 с бульдозерным и фрезерным оборудование изображена на рисунке 4.1.
Рисунок 4.1 – Гидросистема трактора Т-12 с бульдозерным
и фрезерным оборудованием
Рассмотрим схемы для определения усилия в гидроцилиндрах заглубления отвала на рисунке 4.2, изменения угла резания отвала на рисунке 4.3 и гидроцилиндров навески фрезы на рисунке 4.4.
Рисунок 4.2 – Расчетная схема для определения усилия
в гидроцилиндрах заглубления отвала
Усилия в гидроцилиндрах заглубления отвала определим по формуле:
(4.1)
где h1, h2 – плечи сил, в соответствии с конструкцией бульдозера h1 = 3641мм, h2 = 2094 мм;
Рверт – сила сопротивления заглублению отвала, принимаем Рверт =71,7 кН;
– усилие в гидроцилиндрах заглубления отвала.
Усилия в гидроцилиндрах равно
На заглубление отвала задействованы два гидроцилиндра. Найдем усилие, приходящееся на один гидроцилиндр.
Рисунок 4.3 – Расчетная схема для определения усилия
в гидроцилиндрах изменения угла резания отвала
Усилия в гидроцилиндрах изменения угла резания отвала равны
(4.2)
где h1, h2, h3 – плечи сил, в соответствии с конструкцией бульдозера h1 = 385 мм, h2 = 126 мм, h3 = 541 мм;
Fпр – сопротивление перемещению призмы волочения, принимаем Fпр = 27,35 кН;
Fрез – сопротивление резанию грунта, принимаем Fрез = 15,78 кН;
Усилия в гидроцилиндрах изменения угла резания отвала равны
На изменение угла резания отвала задействованы два гидроцилиндра. Найдем усилие, приходящееся на один гидроцилиндр.
Рисунок 4.4 – Расчетная схема для определения усилия в гидроцилиндрах
изменения положения навески с фрезой
Усилия в гидроцилиндрах изменения положения навески фрезы определяем из тождества:
;
; (4.3)
где Р – вес фрезерного оборудования, учитывая конструкцию P = 18 кH;
Fв – вертикальная составляющая усилия в гидроцилиндрах, кН.
Усилия в гидроцилиндрах изменения положения навески фрезы равны
;
кН.
Учитывая неоднородность грунтовой породы, скачкообразные нагрузки при фрезеровании принимаем усилие в гидроцилиндрах изменения положения навески фрезы с запасом.
На изменение положения навески фрезы задействованы два гидроцилиндра. Найдем усилие, приходящееся на один гидроцилиндр.
кН.
4.2 Подбор гидрооборудования
В настоящее время для увеличения производительности и снижения металлоемкости машин, применяемых при производстве строительно-дорожных работ, требуется повышать рабочее давление жидкости в гидросистеме. Для расчетов принимаем давление Рном= 25 МПа.
Диаметр гидроцилиндра определяется по формуле:
(4.4)
где P – перепад давления на гидроцилиндре, принимаем P = 25 МПа;
мц – механический КПД гидроцилиндра, принимаем мц = 0,95;
Диаметр гидроцилиндра заглубления отвала равен
мм.
Диаметр гидроцилиндра изменения угла резания отвала равен
мм.
Диаметр гидроцилиндра изменения положения навески фрезы равен
мм.
В целях унификации и сокращение номенклатуры изделий выбираем гидроцилиндры подъема и опускания отвала 1.25.0.У-63×32×800 ОСТ 22-1417-79, гидроцилиндры изменения угла резания отвала 1.25.0.У-40×18×400 ОСТ 22-1417-79 и гидроцилиндры изменения положения навески с рабочим оборудованием 1.25.0.У-50×32×800 ОСТ 22-1417-79.
Максимальный расход рассчитываем при включенном рабочем оборудовании, а именно в самом нагруженном режиме – одновременная работа гидромотора привода фрезы и большей по диаметру пары гидроцилиндров.
Далее подберем гидродвигатель, необходимый для вращения ротора фрезы. Для этого определим требуемый крутящий момент на валу фрезы по формуле:
; (4.5)
Крутящий момент на валу фрезы равен
Выбираем высокомоментный гидромотор МР-1100А ТУ 22-3765-76.
Максимальный расход, необходимый для обеспечения заданной скорости движения гидроцилиндра рассчитывается по формуле:
(4.6)
где Dцп – наибольший принятый диаметр гидроцилиндра;
Vц – скорость движения штока гидроцилиндра, принимаем Vц= 0,1 м/с;
zц – количество параллельно установленных гидроцилиндров;
ηоц – объемный КПД гидроцилиндров, принимаем ηоц = 0,95.
Максимальный расход, необходимый для обеспечения заданной скорости движения гидроцилиндра равен
м3/с = 656 см3/с.
Для обеспечения заданной скорости вращения гидромотора МР-1100А необходимо обеспечить расход жидкости, определяемый по формуле:
(4.7)
где Vо – рабочий объем гидромотора, для гидромотора МР-1100А Vо = 1126 см3;
nм – частота вращения гидромотора, для гидромотора МР-1100А nм = 3,6 об/с;
zм – количество одновременно работающих гидромоторов;
ом – объемный КПД гидромотора, принимаем ом = 0,94.
Расход жидкости равен
Требуемый рабочий объем насоса определяется по формуле:
(4.8)
где nн – частота вращения вала насоса, nн = 25 с-1 = 1500 мин-1;
он – объемный КПД насоса, он = 0,95.
Рабочий объем насоса равен
Принимаем регулируемый аксиально-поршневой гидронасос 207.32 с рабочим объемом qн = 0..225 см3.
5 Мощностной расчет
Рассчитаем общую мощность двигателя необходимую для работы фрезы по формуле
(5.1)
где
– мощность, необходимая для передвижения трактора;
– мощность, необходимая для подталкивания фрезы;
– мощность, необходимая на привод гидронасоса;
Мощность двигателя, необходимая для передвижения трактора определяется по формуле
(5.2)
где
– коэффициент сопротивления движению, принимаем
;
η – КПД передачи, принимаем η = 0,6.
Мощность двигателя, необходимая для передвижения трактора равна
Вт.
Мощность двигателя для подталкивания фрезы определяем по формуле
(5.3)
Мощность двигателя для подталкивания фрезы равна
Вт.
Мощность, потребляемую гидронасосом определяем по формуле
(5.4)
где Мн – крутящий момент на валу гидронасоса, Н·м;
Крутящий момент на валу гидронасоса определяем по формуле
(5.5)
где
– перепад давления на гидронасосе,
= 22 кПа.
Крутящий момент на валу гидронасоса равен
Мощность, потребляемая гидронасосом равна
Вт.
Общая мощность двигателя необходимая для работы фрезы равна
Суммарная потребляемая мощность не превышает мощность базового трактора, которая равна 125 кВт.
(5.6)
6 Расчёт производительности
Зная требуемую глубину фрезерования h и ожидаемую твердость материала снимаемого покрытия (которая оказывает очень большое влияние на производительность), найдем подачу и теоретическую производительность.
На первом этапе устанавливаем возможную для конкретных условий рабочую скорость фрезерования по формуле:
(6.1)
где
– наибольшая скорость подачи при условии наименьшей по техническим условиям толщины и прочности материала фрезеруемого слоя, учитывая характеристики базового трактора принимаем
= 40 км/ч;
– коэффициент, учитывающий снижение скорости при увеличении прочности фрезеруемого материала, принимаем
=0,4;
kh – коэффициент, учитывающий снижение скорости подачи машины при увеличении толщины слоя фрезеруемого материала, принимаем kh = 0,3.
Скорость фрезерования равна
Определяем техническую производительность по формуле:
(6.2)
Техническая производительность равна
м2/ч.
Эксплуатационная производительность определяется по формуле:
(6.3)
где kи – коэффициент использования машины по времени, учитывающий простои при ТО и ремонте, принимаем kисп = 0,7.
Эксплуатационная производительность равна
Эксплуатационную производительность в единицах объема определяем по формуле:
(6.4)
Эксплуатационную производительность в единицах объема равна
7 Расчеты на прочность
7.1 Расчет пальца крепления гидроцилиндра изменения положения навески фрезы к стойке рамы
Расчет пальца произведем из условия прочности на срез и смятие, в соответствии с методикой, описанной в источнике [4]. Определим напряжения среза
, (7.1)
где i – число плоскостей среза, i = 2;















