ВКР№1 Разработка ремонта Мамчич П.Е. (1208587), страница 3
Текст из файла (страница 3)
м
Число слоев укладки каната на барабан ориентировочно определяем по таблицам [4], (
).
Барабан лебедки выполняем сварным с канавками (нарезкой) для укладки каната. Диаметр барабана, находим из условия (2.4), мм:
, (2.4)
где,
коэффициент выбора диаметра, (
);
диаметр каната, мм (
), отсюда, подставляя в формулу (2.4):
мм.
Данное значение увеличиваем в большую сторону и принимаем из ряда [3]:
мм.
Количество рабочих витков в одном слое навивке, находим по формуле (2.5):
, (2.5)
где
коэффициент неплотности навивки барабана для нарезного, тогда:
Общее число витков:
, (2.6)
где
число запасных витков (
);
число витков каната находящихся под зажимным устройством, для нарезных барабанов (
); тогда, подставляя в формулу (2.6) имеем:
Определяем основные конструктивные размеры:
Длина барабана с нарезкой вычисляется по формуле (2.7), мм:
, (2.7)
где t –шаг нарезки; t =d+2; t =15+2=17,
мм
Конструктивно соотношение между длиной барабана и его диаметром должно находится в пределах
,
, или
Видно, что данное условие соблюдается.
Рис.2.1.4. Геометрические параметры барабана
Толщину стенки барабана принимают по эмпирической зависимости - для чугунного барабана, мм:
, (2.8)
где
диаметр барабана по дну канавки, определяемый по формуле, мм:
, (2.9)
мм, тогда с учетом формулы (2.9) имеем:
мм.
Необходимая мощность гидромотора определяется по максимальному рабочему усилию в канате
, скорости навивки каната на барабан
и КПД механизма
, следовательно, при:
, (2.10)
где
заданная скорость подъема, м/с (
):
м/с, необходимая мощность гидромотора, кВт:
, (2.11)
кВт
В приводе механизма грузовой лебедки применяем регулируемый (с переменным рабочим объемом) гидромотор 303.3.112.501.002.
Таблица 2.1.4 Технические данные гидромотора автокрана КС-55713
| Объем Vном | 112 см3 |
| Вид регулирования | пропорциональное |
| Частота вращения номинальная | 20,0 с-1 (1200 об/мин) |
| Частота вращения максимальная | 50,0 с-1 (3000 об/мин) |
| Давление на выходе номинальное | 20 МПа |
| Давление на выходе максимальное | 35 МПа |
| Крутящий момент | 332 Н·м (34 кгс·м) |
| Номинальная мощность | 42 кВт |
Рис.2.1.5 Гидромотор
Передаточное число редуктора определяется следующим образом, (2.12):
, (2.12)
где
частота вращения номинального вала гидромотора, об/мин
(
), окончательно, регулируем на рабочую частоту об/мин
(
);
частота вращения барабана определяющаяся по формуле (2.13), об/мин:
, (2.13)
с учетом (2.10):
об/мин, тогда
Выбираем редуктор 1Ц2-250-36.0-22-У1 с передаточным числом 36 при ПВ=15%
Рис.2.1.6. Редуктор 1Ц2-250-36.0-22-У1
Габаритные и присоединительные размеры редуктора, мм:
При выборе редукторов для механизмов подъема значение мощности на быстроходном валу редуктора определяется соотношением (2.14), кВт:
, (2.14)
где
мощность двигателя по каталогу [2],кВт (
);
коэффициент нагрузки в зависимости от режима работы (
) .
кВт.
Типоразмер тормоза выбирают по каталогу [1] в зависимости от расчетного тормозного момента, Нм:
, (2.15)
где
каталожное значение тормозного момента, Нм;
расчетный крутящий момент на валу тормоза, определяемый по формуле (2.16), Нм:
, (2.16)
где
коэффициент запаса торможения, (
принимается для групп режимов 1М, 2М, 3М);
статический крутящий момент при торможении, создаваемый весом номинального груза на валу, на котором устанавливается тормоз, определяемый из выражения (2.17), Нм:
, (2.17)
где
вес номинального груза, Н (
);
диаметр барабана по средней линии навивки каната, м (
);
КПД механизма, подсчитанный по максимальным значениям КПД отдельных участков кинематической схемы, (
);
максимальное передаточное число механизма,
(
), тогда
Нм, и следовательно,
Нм
Диаметр шкивов, ширина и толщина тормозных стальных лент в ленточных тормозах, в зависимости от величины тормозного момента.
Выбираем нормально-закрытый ленточный тормоз, который размыкается только при включении лебёдки.
Технические характеристики ленточного тормоза:
Тормозной момент…………………………………………………………..250 Нм
Диаметр тормозного шкива………………………………………………...160 мм.
Ширина тормозного шкива…………………………………………………..70мм.
Ширина тормозной ленты……………………………………………………60 мм
Толщина стальной тормозной ленты………………………………………….3 мм
Значит, условие выполняется 250
210,6
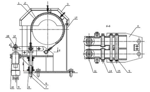
Тормоз, изображенный на рис.2.1.7. состоит из ленты 2 с накладкой, пружины 8, рычага 11, гидроразмыкателя 9,смонтированных на кронштейне 4.
Рис. 2.1.7. Тормоз грузовой лебёдки автокрана КС-55713-5
1–накладка; 2–лента; 3–кожух; 4–кронштейн; 5,15,15–ось; 6,10,18–гайки;
7–тяга; 8–пружина; 9–гидроразмыкатель; 11–рычаг; 12-болт; 17-стойка
Растормаживание осуществляется гидроразмыкателем автоматически при включении лебёдки. Согласно выбранного ленточного тормоза подбираем муфту втулочно-пальцевую с тормозным шкивом диаметром 200 мм.
Рис.2.1.8. Муфта втулочно-пальцевая с тормозным шкивом
Габаритные и присоединительные размеры, мм:
Основные параметры МУВП с тормозным шкивом
Номинальный момент, Нм……………………………..………………………..250
Число пальцев………………………………………………………………………6
Момент инерции, кг*м2…………………………………………………………0,24
Основные конструктивные и рабочие параметры лебедки, полученные в результате расчетов сводим в таблицу:
Таблица 2.1.5. Сводная таблица результатов расчета
| Канат | Барабан | Гидромотор | Редуктор | Тормоз | |
| Длина, м | 235,12 | 1,054 | - | - | - |
| Диаметр, мм | 15 | 400 | - | - | 160 |
| Тип | 15-Г-Ст5-Н-1960-ГОСТ 2688-80 | - | 303.3.112.501.002 Аксиально-поршневой | Ц2-300 цилиндрический двухступенчатый | Ленточный, гидравлический |
| Мощность, кВт | - | - | 42 | | - |
| Частота вращения ротора, об/мин | - | - | 750 | - | - |
| Передаточное число | - | - | - | 36 | - |
| Момент, Нм | - | - | - | - | 250 |
-
Расчет гидроцилиндра подъема стрелы автокрана
Гидроцилиндр является гидродвигателем возвратно-поступательного действия и предназначен для преобразования энергии потока рабочей жидкости в механическую энергию движения штока, или, при неподвижном штоке, корпуса гидроцилиндра.
Гидроцилиндр подъёма стрелы КС-55713
Диаметр поршня, мм …………………………………………………………... 320
Диаметр штока, мм………………………………………………………………160
Ход поршня, мм………………………………………………………………...2115
Номинальное давление, МПа…………………………………………………… 20
Рис. 2.2.1. Гидроцилиндр подъёма стрелы КС-55713
1-масленка; 2-подшипник; 3-шток; 4-грязесъемник; 5-втулка; 6-крышка; 7,9,16-гайка; 8-уплотнение штоковое; 10-лента; 11-корпус; 12-кольцо 190-200-46-2-2;13-поршень в сборе; 14-уплотнение поршневое; 15-кольцо 110-120-58-2-2; 17-кольцо стопорное.
Расчет гидроцилиндра будем производить по методике А. А. Вайнсона [3].
Рис.2.2.2 Расчетная схема подпорной стрелы: а) общая; б) схема деформации
Для определения нагрузки, действующей на подпорный гидроцилиндр составляем уравнение
.
Момент относительно пяты стрелы, рассчитываем по формуле (2.18):
, (2.18)
Откуда усилие на штоке:
, (2.19)
где
вес груза, Н (
);
вес крюковой подвески, Н (
);
вес стрелы, Н (
);
ветровая нагрузка, действующая на груз, Н (принимаем при условии, что груз имеет форму куба, площадью грани которой равно
м2, при динамическом давлении ветра равном 550 Па,
);
ветровая нагрузка, действующая на стрелу, Н (
);
центробежная сила от массы груза, Н;
центробежная сила от массы стрелы, Н;
расстояние от оси шарнира крепления стрелы до оси груза, м (
);
расстояние от оси поворотной части до оси крепления стрелы, м,
;
расстояние от оси стрелы до троса, м (
);
, (2.12)
частота вращения номинального вала гидромотора, об/мин
), окончательно, регулируем на рабочую частоту об/мин
);
частота вращения барабана определяющаяся по формуле (2.13), об/мин:
, (2.13)
об/мин, тогда
, (2.14)
мощность двигателя по каталогу [2],кВт (
);
коэффициент нагрузки в зависимости от режима работы (
) .
кВт.
, (2.15)
каталожное значение тормозного момента, Нм;
расчетный крутящий момент на валу тормоза, определяемый по формуле (2.16), Нм:
, (2.16)
коэффициент запаса торможения, (
принимается для групп режимов 1М, 2М, 3М);
статический крутящий момент при торможении, создаваемый весом номинального груза на валу, на котором устанавливается тормоз, определяемый из выражения (2.17), Нм:
, (2.17)
вес номинального груза, Н (
);
диаметр барабана по средней линии навивки каната, м (
);
КПД механизма, подсчитанный по максимальным значениям КПД отдельных участков кинематической схемы, (
);
максимальное передаточное число механизма,
), тогда
Нм, и следовательно,
Нм
210,6
55,5
центробежная сила от массы стрелы, Н;
расстояние от оси шарнира крепления стрелы до оси груза, м (
);
расстояние от оси поворотной части до оси крепления стрелы, м,
;













