Смоляков Д.Ю.-ПЗ (1207507), страница 21
Текст из файла (страница 21)
где
– коэффициент использования заземлителя.
Таблица 5.3 Коэффициент использования
для вертикальных заземлителей
Общее сопротивление вертикальных заземлителей
, Ом определяется,
Длину полосы
, см, соединяющей трубы определяется:
– для заземлителей, расположенных в ряд,
– для заземлителей, расположенных по контуру,
Сопротивление полосы
, уложенной на глубину определяется,
где
– ширина полосы, см, принимается равной диаметру заземляющих труб, т. е.
.
Сопротивление полосы
с учетом экранирования, Ом определяется,
где
– коэффициент использования полосы, определяется по табл. 10.6.
Сопротивление растеканию сложного заземления, Ом определяется,
Таблица 5.4 Коэффициент использования
заземлителя для полосы
| Для заземлителей, | Для заземлителей, | |||
| Число труб | ||||
| 2 | 4 5 8 10 20 30 50 60 | 0, 890 0,860 0,790 0,750 0,569 0,460 0,360 0,270 | 4 5 8 10 20 30 50 60 | 0,550 0,480 0,430 0,400 0,320 0,300 0,280 0,270 |
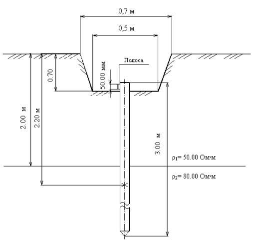
Таблица 5.5 Исходные данные
| Обозначение | Наименование | Ед.изм. | Значение |
| | нормируемое сопротивление растеканию тока в землю | Ом | 4.00 |
| | удельное сопротивление верхнего слоя грунта | Ом*м | 50.00 |
| | удельное сопротивление нижнего слоя грунта | Ом*м | 80.00 |
| d | Диаметр стержня | мм | 18.00 |
| | длина вертикального заземлителя | м | 3.00 |
| | толщина верхнего слоя грунта | м | 2.00 |
| | глубина заложения горизонтальногозаземлителя | м | 0.70 |
| | расстояние от поверхности земли до середины заземлителя | м | 2.20 |
| | климатический коэффициент для вертикальных электродов | – | 1.90 |
| | климатический коэффициент для горизонтальных электродов | – | 5.75 |
| | ширина стальной полосы | мм | 50.00 |
| | длина горизонтального заземлителя | м | 70.00 |
Удельный расчётный коэффициент сопротивления двухслойного грунта определяем по формуле:
| | (5.12) |
Ом·м. (5.13)
Сопротивление растеканию одного вертикального электрода определяем по формуле:
| | (5.14) |
=39,73 Ом. (5.15)
Предполагаемое количество вертикальных заземлителей определяем по формуле:
| | (5.16) |
где
– коэффициент использования вертикальных заземлителей.
=16 шт. (5.17)
Таблица 5.6 Параметры вертикальных и горизонтальных заземлителей
| Обозначение | Наименование | Ед. изм. | Значение |
| | коэффициент использованиявертикальных заземлителей | – | 0.66 |
| | коэффициент использования горизонтальных электродов | – | 0.36 |
| | расстояние между заземлителями | м | 5.00 |
Сопротивление горизонтального заземлителя определим по формуле:
| |
=28,62 Ом.
Полное сопротивление вертикальных заземлителей R не должно превышать значения определяемого по формуле:
| | (5.18) |
R=
=4,65 Ом.
С учетом полного сопротивления вертикальных заземлителей уточнённое количество вертикальных заземлителей с учётом соединительной полосы определяется по формуле:
| | (5.19) |
= 14 шт.
Принимаем к установке 14 вертикальных заземлителей, общая длина горизонтального заземлителя 70 м при среднем расстоянии между вертикальными заземлителями 5 м. Окончательное расстояние между вертикальными заземлителями вдоль соединительной полосы указывается на плане заземляющего устройства.
Монтажные параметры одиночного заземлителя в двухслойном грунте указаны на рисунке 5.2, а конструкция заземляющего устройства на рисунке 5.3
Рисунок 5.2. Установка одиночного заземлителя в двухслойном грунте
Рисунок 5.3. Конструкция заземляющего устройства
,
(5.17) 














