Для антиплагиата (1207203), страница 5
Текст из файла (страница 5)
Данное программное приложение предназначено для выполнения лабораторной работы «Исследование угольного регулятора напряжения» по дисциплине «Электроснабжение нетягового подвижного состава». За основу взят принцип работы угольного регулятора напряжения типа 64.01.18, принципиальная схема которого представлена на рисунке 1.14.
Рисунок 1.14 схема лабораторной установки «Угольный регулятор напряжения»
Описание конструкции и принцип работы установки, запрограммированно в самой программе (рисунок 1.15), что позволяет без использования дополнительной литературы ознакомиться и ее устройством.
Рисунок 1.15 Устройство и принцип действия установки
После изучения конструкции, появляется возможность студенту самому собрать принципиальную схему установки, без сбора, которой установка работать не будет. Для того, чтобы следить за прогрессом сборки, был установлен специальный индикатор, при достижении 100%, автоматически программа переходит непосредственно к запущенной установки.
Рисунок 1.16 Сборка принципиальной схемы установки
На языке программирования ObjectPascal программный код части сборки схемы выглядит следующим образом:
procedure drawing_explorer (); //CБОР СХЕМЫ и Прогресс сборки
var
address: integer;
begin
deactivation();
if point_1>point_2 then address:=point_2*100+point_1;
if point_2>point_1 then address:=point_1*100+point_2;
if point_1=point_2 then
begin
point_1:=0;
point_2:=0;
exit;
end;
case address of
110: begin
if form1.Image3.Visible then
else progress_drawing:=progress_drawing+100/16;
form1.Image3.Visible:=true;
end;
procedure TForm1.iLedRound23Click(Sender: TObject); //// Присваивание значений для поиска лампочек "Сборка схемы"
begin
iLedRound23.Active:=true;
if point_1=0 then point_1:=1
else
begin
point_2:=1;
drawing_explorer ();
end;
end;
Далее студент с помощью реостата, изменяет сопротивление угольного столба, опуская ползунок вниз. Данные с амперметра и вольтметра заносятся в таблицу.
2 МЕТОДИЧЕСКОЕ ПОСОБИЕ ПО ВЫПОЛНЕНИЮ ЛАБОРАТОРНЫХ РАБОТ
2.1 Исследование тиристорного регулятора напряжения
Цель работы. Изучить конструкцию и принцип действия тиристорного регулятора напряжения, снять основные характеристики регулятора, изучить методы настройки и регулировки.
2.1.1 Теоретические сведения
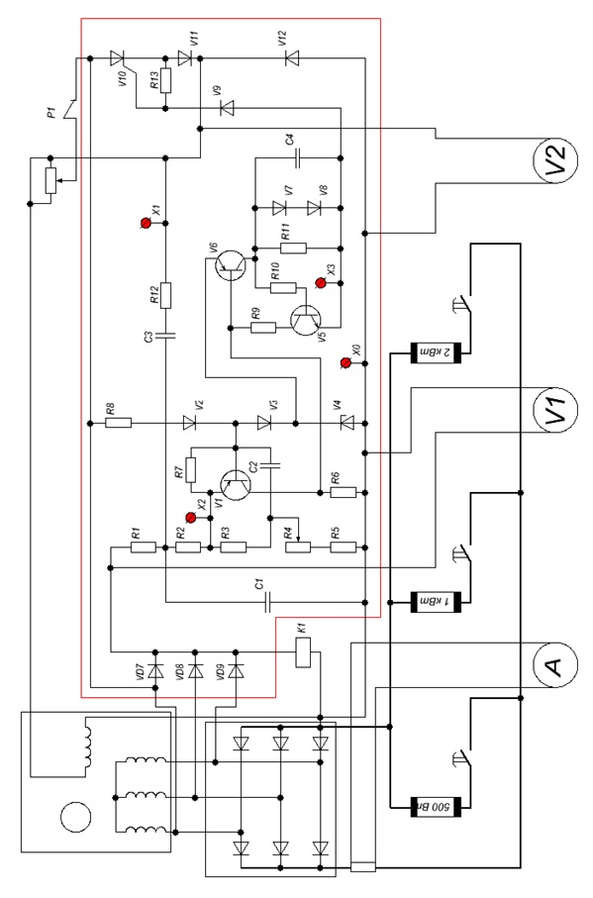
Конструктивно регулятор представляет собой электронный блок, закрытой металлическим кожухом. На блоке установлено гнездо штепсельного разъема типа РП10-II"3".
Регулятор содержит измерительный делитель напряжения, выполненный на резисторах RI - R5, питающий делитель напряжения R8 - V2 - V3 - V 4, измерительный транзистор V1, спусковую схему на транзисторах V5, V6, исполнительную группу V10 - V 12
Начальное возбуждение генератора обеспечивается от фазы генератора и минусового полюса выпрямителя нагрузки по цепи через размыкающий контакт реле К9 и резистор R7 (установленный вне блока регулятора). Катушка реле К9 включена на напряжение, образованное выпрямителями V13, V14, V15 и минусовым полюсом выпрямителя нагрузки V1 – V3.
После достижения напряжения срабатывания реле К9 питание обмотки возбуждения генератора обеспечивается от фазы генератора и минусового полюса выпрямителя нагрузки через тиристор V10.
Пока напряжение генератора ниже уставки регулятора, напряжение на резисторах R3 - R5 ниже опорного напряжения цепи VЗ - V4, потенциал базы транзистора VI выше потенциала эмиттера, и транзистор V1 заперт. Через резистор R6 получает ток база транзистора V6. Благодаря нелинейности сопротивления диодов V7, V8 напряжение на них уже при небольшом коллекторном токе транзистора V6 достаточно для открывания транзистора V5, обеспечивающего дополнительную подпитку базы транзистора V6 через резистор R9 и диод V11.
Таким образом, транзисторы V5, V6 образуют чувствительную cпусковую схему. По цепи через резистор R8, диоды V2, У3, транзистор V6, диоды V7, V8, V9, управляющий электрод тиристора V10, обмотку возбуждения генератора протекает ток, вызывающий включение тиристора V10.
После включения тиристора цепь управляющего электрода запирается диодом V9, и транзисторы V5, V6 обесточиваются.
Транзистор V6 получает питание только в интервалах времени, соответствующих положительному анодному напряжению тиристора, благодаря чему обеспечивается синхронизация импульсов управления тиристора с его анодным напряжением.
В интервалах времени, когда на цепь тиристор-обмотка возбуждения генератора подается напряжение, равное прямому падению напряжения на силовом диоде V3, тиристор V10 выключается, и ток обмотки возбуждения замыкается по цепи через диод VI2.
После выключения диода V3 на тиристор и питающий делитель подается напряжение и, если транзистор V1 закрыт, обеспечивается повторное включение тиристора V10.
При повышении напряжения генератора выше уставки регулятора, транзистор V1 отпирается и обеспечивает запирание транзистора V6. Запирание транзистора V5 обеспечивается шунтировкой его эмиттер - базового перехода последовательно включенными резисторами R10, R11. Подача импульсов управления на тиристор V10 прекращается.
Регулирование напряжения обеспечивается благодаря чередованию двух описанных режимов работы тиристора, в одном из которых тиристор открыт, примерно, в течении 2/3 периода, а в другом - закрыт. При изменении соотношения указанных режимов среднее значение напряжения на обмотке возбуждения практически может изменяться от нуля до максимального значения.
Диод V2, включенный в цепь питающего делителя последовательно с диодом V3, позволяет предотвратить разряд сглаживающего конденсатора С1 через резистор R8.
Цепь обратной связи R12-С3 обеспечивает повышение частоты чередования режимов работы тиристора и исключает низкочастотные автоколебания напряжения генератора.
Конденсатор С4 служит для повышения помехоустойчивости спусковой схемы.
Для увеличения тока возбуждения применяется добавочная обмотка В1, B2 генератора, напряжение которой через диод V30 подается на тиристор V10.
Регулятор напряжения 2Б.231.7 может быть использован во всех ранее выпущенных системах ЭВ10.02.
Рисунок 2.1 – Схема тиристорного регулятора
2.1.2 Порядок выполнения работы
-
Изучить принцип работы тиристорного регулятора напряжения.
-
Запустить программу «Тиристорный регулятор»
-
Ознакомится с интерфейсом программы.
-
Нажать кнопку «Теория» в окне программы.
-
После ознакомления с теорией, нажать кнопку «Схема».
-
Подключить амперметр и два вольтметра в цепь тиристорного регулятора.
-
Нажать кнопку «Задание/График» и знакомится с краткой инструкцией.
-
С помощью вертикального ползунка, плавно увеличьте скорость движения от 0 до 5 км/ч. Для удобства установки скорости используйте колесико мыши. Величину текущей скорости наблюдайте в панели, установленной ниже ползунка регулирования.
-
Дождавшись рекомендуемой скорости, снять показания приборов и занести их в таблицу 2.1.
-
Продолжить увеличение скорости с шагом 5 км/ч до момента включения реле Р1 (красный индикатор сменится зеленым).
-
Продолжая увеличение скорости до 80км/ч, произвести снятие показаний приборов.
-
В окне «Задание/График» выбрать вкладку с графиком и ознакомится с зависимостью
-
Построить графики зависимостей
Uген, Uвоз, = f (S) (2.1)
-
Сделать выводы по выполненной работе.
Таблица 2.1 – Результаты измерений
| пп | S, км/ч | Uген, В | Uвоз, В | Примечание |
2.1.3 Оформление отчета
В отчете должны быть представлены:
-
схема лабораторной установки;
-
таблица с результатами измерений;
-
графики зависимостей по пункту 13;
-
выводы по выполненной работе.
2.1.4 Контрольные вопросы
-
Как работает тиристор?
-
Как осуществляется изменение напряжения генератора?
-
Как можно изменить уставку регулятора напряжения?
2.2 Исследование статического преобразователя напряжения
Цель работы. Изучить принцип действия и конструкция статического преобразователя напряжения. Снять основные характеристики.
2.2.1 Конструкция и принцип работы преобразователя напряжения
Все основные потребители электроэнергии пассажирских вагонов используют постоянный ток. В некоторых случаях в вагонах устанавливают потребители переменного тока. К ним, например, относятся аппаратура поездных радиопунктов, люминесцентные лампы. Переменный ток необходим также и для питания электробритв и других устройств пассажиров. Для получения в вагонах переменного тока промышленной частоты используются преобразователи постоянного напряжения 50 В в переменное 220 В, частотой 50 Гц. Существует два основных типа преобразователей - электромашинные и статические.
Электромашинные преобразователи представляют собой двигатель постоянного тока и генератор переменного тока, смонтированные в одном корпусе. В зависимости от конструкции электромашинные преобразователи можно разделить на три основных типа: одноякорные, двухякорные и индукторные с вращающимися полюсами генератора. Одноякорные преобразователи имеют общую магнитную систему и общий якорь.
У двухякорных преобразователей двигатель и генератор имеют самостоятельную магнитную систему, а якорь имеет две раздельных обмотки постоянного и переменного тока. Преобразователи третьего типа имеют на роторе постоянные магниты или электромагниты.
Статические преобразователи изготовляются на основе полупроводниковых приборов и позволяют получать переменный ток частотой до нескольких тысяч герц. Принцип работы полупроводниковых преобразователей (инверторов) удобно пояснить на примере упрощенной схемы (рис. 2.2).
Рисунок 2.2 – Упрощенная схема статического преобразователя
Первичная обмотка трансформатора Тр разделена на две равных части и имеет вывод от средней точки. В цепи каждой половины обмотки находятся выключатели S1 и S2. На выводы А и В подается постоянное напряжение. Если замкнуть выключатель S1 при разомкнутом S2, то ток пойдет через левую половину первичной обмотки, а если замкнуть S2 при разомкнутом S1, то ток пойдет через правую половину обмотки. Таким образом, поочередно размыкая и замыкая выключатели S1 и S2, мы меняем направление тока в частях первичной обмотки, то есть создаем в ней переменный ток. В результате, во вторичной обмотке трансформатора наводится переменная эдс.
В реальных схемах вместо выключателей S1 и S2 устанавливаются полупроводниковые приборы - транзисторы или тиристоры, которые закрываются автоматически и открываются автоматически, то есть работают в ключевом режиме. На рисунке 2.3 показана работа транзистора.
Рисунок 2.3 – Работа транзистора в ключевом режиме
Ток через транзистор проходит лишь в том случае, если на базе Б относительно эмиттера Э будет некоторое отрицательное напряжение. Если этого нет, то транзистор закрыт и ток через него не протекает. Подавая на базу транзистора импульсы различной полярности, можно управлять током коллектора К.
На рисунке 2.4 приведена одна из реальных схем статических преобразователей.
Рисунок 2.4 – Схема статического преобразователя напряжения
Транзисторы V1 и V2 работают в ключевом режиме, открываясь и закрываясь поочередно, поэтому и по первичным обмоткам W1 и W2 ток протекает поочередно. Направление тока в этих обмотках противоположное, следовательно, во вторичной обмотке W5 наводится переменное напряжение. Обмотки W3 и W4 осуществляют обратную связь. В них также наводится переменное напряжение, во время положительных полупериодов которого, транзисторы V1 и V2 поочередно закрываются, а во время отрицательных - открываются. Цепочка RC служит для подачи на базы транзисторов начального отрицательного напряжения смещения, то есть для некоторого начального приоткрывания транзисторов. Из-за разброса параметров транзисторов один из них в начальный момент времени будет открыт раньше, чем другой, и схема начнет работать.
2.2.2 Порядок выполнения лабораторной работы
-
Изучить принцип работы статического преобразователя напряжения.
-
Ознакомится с программой «Инвертор».
-
Замкнуть выключатель S1, подав тем самым напряжение на вход преобразователя.
-
Плавно увеличивая напряжение, довести его до номинальной величины. Не включая ламповый реостат S2...S5 (т.е. в режиме холостого хода), записать показания всех приборов. Подключить осциллограф, нажав на соответствующую кнопку, и зарисовать осциллограмму напряжения U2.
-
Увеличивая нагрузку при помощи выключателей S2...S5, снять показания приборов для еще для 3-х точек. Зарисовать осциллограмму напряжения на выходе преобразователя при полной нагрузке. При снятии характеристик поддерживать реостатом R2 напряжение, равное номинальному.
-
Данные измерений занести в таблицу 2.3.
Таблица 2.2 – Паспортные характеристики преобразователя
| Характеристика преобразователей | ППБ-50 |
| Номинальное напряжение U1, В Минимальное значение напряжения U1, В Максимальное значение напряжения U1, В Выходное напряжение U2, В Частота f, Гц Мощность Р2, Вт Коэффициент мощности, cos φ | 50 40 53 220 ±10% 50 + 10 % 30 0,83 |
Расчетные значения определяются по следующим формулам:
















