9.Второй раздел (1206761), страница 2
Текст из файла (страница 2)
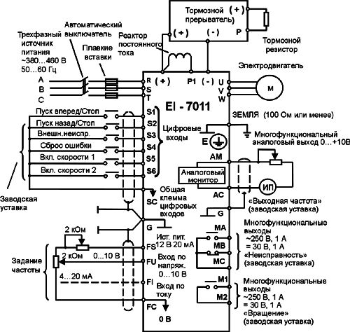
Рисунок 2.4 – Схема подключения
2.4 Выбор микроконтроллера
В настоящее время практически все современные системы, процессы производства и контроля на многих предприятиях полностью автоматизированы. Но также есть необходимость автоматизировать процессы используемые уже очень давно. Для осуществления процесса автоматизации существует огромное количество сложных механизмов и хитрых приспособлений, малую часть которых составляют небольшие устройства, называемые программируемыми реле или микроконтроллерами.
В данный момент на рынке микропроцессорной техники представлено очень большое количество программируемых реле. Однако я считаю что более подходящим будет использование микроконтроллера Mitsubishi Electric ALPHA XL [12].
Выбор микроконтроллера обуславливается рядом параметров, это компромисс между габаритными размерами, стоимостью, быстродействием и энергопотреблением, а также самый главный параметр — это количество входных и выходных сигналов, используемых на насосной станции гидрозолоудаления. В рамках реализации данного проекта наиболее оптимальным является программируемое реле модели AL2-24MR-D. На рисунке 2.5 показан внешний вид микроконтроллера Mitsubishi Electric ALPHA XL.
Рисунок 2.5 – Внешний вид Mitsubishi Electric ALPHA XL
Преимущества программируемых контроллеров Альфа (alpha xl):
– пригодность к использованию на открытом воздухе при температурах от -25 °C до +55 °C, а это значит что надежность, точность и производительность контроллеров Alpha доступны на открытом воздухе;
– встроенные часы реального времени;
– русифицированный дисплей с подсветкой;
– объем памяти рассчитан на 200 функциональных блоков (наличие блока ПИД-регулятора позволяет легко реализовывать системы управления с обратными связями);
– возможность расширения с помощью модулей входов/выходов;
– 8 встроенных аналоговых входов;
– выходной модуль с 2 аналоговыми выходами (0-10В/4-20мА), для использования например, в качестве задатчика частоты для частотных преобразователей;
– преобразователь температура/напряжение для прямого подсоединения термопар типа PT100 и K, идеально подходят для регуляторов нагрева;
– защита программ паролем, трехуровневая система паролей предотвращает несанкционированный доступ к редактируемым рабочим данным и другим параметрам;
– наличие встроенного электрически стираемого ПЗУ позволяет длительное (до 20 дней) хранение переменных данных (значения таймеров и счётчиков) при выключении питания;
– Монтаж на DIN-рейку или винтами.
Преимущества использования программного обеспечения контроллеров Альфа:
В программе можно использовать до 200 функциональных блоков, причем каждая отдельная функция применяется сколь угодно часто. Параметры внутри блока можно изменять после двойного щелчка по выбранному блоку. В распоряжении пользователя имеются следующие возможности:
– все параметры могут быть введены на дисплей и непосредственно отредактированы с помощью 8 функциональных кнопок;
– открытый протокол связи, например между ALPHA XL и ПК;
– установлен усовершенствованный дисплей с более простым интерфейсом, информацию на большом жидкокристаллическом дисплее легче прочитать, благодаря подсветке, также введены новые функции, которые увеличивают возможности использования контроллера, это подвижные индикаторы, мигающий текст и бегущая строка ;
– имеет 2 порта для связи с другими компонентами автоматизации, кроме удаленного управления через (в т.ч. GSM) система может отправлять текстовые SMS – сообщения на мобильные телефоны, электронные сообщения на компьютеры и даже факсы;
–может быть интегрирована в сеть по AS – I (промышленной шине);
– арифметические функции;
– обработка радио часов DCF77, используется как метка синхронизации;
– мониторинг и принудительная установка состояний ON/OFF;
– функция эмуляции (можно проверять работу программы без подключения аппаратного обеспечения;
– программное обеспечение включает функцию дистанционного технического обслуживания, позволяющую загружать и выгружать программу контроллера по телефонной линии;
– мониторинг в окне схематического представления (можно контролировать работу своей системы в окне мониторинга);
– пользовательский функциональный блок. Пользователь может создавать свои специализированные функциональные блоки, комбинируя исходные функциональные блоки;
– функция Мастера Авто FBD. Эта функция позволяет новичкам создать с помощью окна подсказок свой функциональный блок;
– поддержка русского языка.
2.5 Выбор оборудования шкафа управления
При проектировании ШУ насосной станции гидрозолоудаления необходим правильный подбор оборудования: блоков питания, источников бесперебойного питания, аккумуляторов, сетевых дросселей для ПЧ, автоматических выключателей и т.д.
Все оборудование ШУ можно разделить на две части. Первая часть – это электрооборудование для питания и защиты микроконтроллера. Вторая часть – электрооборудование для питания и защиты ПЧ.
Рассмотрим первую часть. На рисунке 2.6 показана принципиальная электрическая схема питания и защиты микроконтроллера.
Рисунок 2.6 – Принципиальная электрическая схема питания и защиты микроконтроллера
Сам микроконтроллер и вспомогательное оборудование потребляет постоянный ток, поэтому необходимо обеспечить это электрооборудование постоянным напряжением питающей сети. Преобразуем сетевое переменное напряжение 220 В, 50 Гц в постоянное напряжения +24 В, используя блок питания (БП). Пусковой ток источника питания не должен превышать 7 А.
По выше сказанным характеристикам я выбираю блок питания модели PS1050.1 Российской компании «КонтрАвт» [13]. Блоки питания PS1050.1 предназначены для преобразования сетевого переменного напряжения 115/220 В в стабилизированное постоянное напряжение 24 В с силой тока до 5 А.. На рисунке 2.7 Показан внешний вид блока питания PS1050.1.
Рисунок 2.7 – Блок питания модели PS1050.1
Таблица 2.2 – технические характеристики блока питания
| Параметр | Значение параметра |
| Вход | |
| Входное напряжение | AC (85…264) В (широкий диапазон), (45…65) Гц |
| Входной ток | 1,65 А (AC 120 В); 0,9 А (AC 230 В) |
| Защитная схема | Защита от динамического перенапряжения – варистор |
| Продолжение таблицы 2.2 | |
| Выход | |
| Номинальное напряжение | DC (24 |
| Выходная мощность | 120 Вт |
| Допустимый выходной ток | 5,0 А |
| Защита от перенапряжения | 35 В типичное значение |
| Защитные функции | Выход защищен от короткого замыкания, обрыва цепи и перегрузки |
| Защита по напряжению в цепи нагрузки | Макс. DC 35 В |
| Подавление помех на выходе | Модуль удовлетворяет требованиям EN 55011 (класс В) |
| Общая информация | |
| Сертификаты | CE, C – UL – US, c – UR – us |
| Индикатор работы | Зелёный светодиод на передней панели (выключается, когда выходное напряжение меньше 21,5 В) |
| Клеммы | Прочные винтовые клеммы |
| Сечение присоединяемых проводов | Одножильный: 0,2 – 2,5 кв.мм; многожильный: 0,2 – 2,5 кв.мм. |
| Эффективность, надёжность | |
| Средняя наработка на отказ | более 500 000 часов |
| КПД | более 89% |
| Потери мощности | 18 Вт |
| Защита EN 60529 | IP20 |
| Механические характеристики | |
| Вентиляция и охлаждение | (–25…+70) C и (–40…85) С |
| Относительная влажность | макс. 95%, без конденсации |
| Продолжение таблицы 2.2 | |
| Монтаж | Лёгкий монтаж с фиксацией на DIN – рейке |
| Габариты, мм | 40х130х115 |
| Масса, не более | 0,6 кг |
Общие сведения:
– электромагнитная совместимость;
– индикация «Работа»;
– прочная конструкция;
– закрытый металлический корпус;
– выход защищён от короткого замыкания, обрыва цепи и перегрузки;
– установка на монтажную шину по стандарту DIN в шкафах систем промышленной автоматики.
Так как ТЭЦ и непосредственно сам процесс гидрозолоудаления можно отнести к первой категории электроснабжения. К первой категории относятся такие виды электропотребителей , которые в результате своего простоя без электричества могут повлечь опасность для жизни людей, безопасность государства, нанести большой материальный ущерб, поломку сложного или дорогого оборудования или нарушения сложного технологического процесса, работы сфер коммунального хозяйства.
Тогда для обеспечения бесперебойного питания, в случаи потери питания питающей сети (обрыв, пониженное напряжение, сбои, отключение и т.д.), вводим источник бесперебойного питания (ИБП), в качестве источника используем аккумуляторную батарею.
Источник бесперебойного питания (ИБП) – автоматическое электронное устройство с аккумуляторной батареей, предназначенное для бесперебойного кратковременного снабжения электрической энергией микропроцессора.
Итак, выбираем ИБП фирмы «PHOENIX CONTACT» модели QUINT – UPS/24DC/24DC/10 [14]. Данный ИБП рассчитан для получасового рабочего режима без питающего сети или в случае неисправности БП. Мощность. На рисунке 2.9 представлен источник бесперебойного питания.
Преимущества использования:
–Простота эксплуатации благодаря функции автоматического распознавания батареи, замены батареи в рабочем режиме без использования инструментов и передаче данных через IFS-интерфейс;
–Оптимальное использование времени автономной работы и предупредительный контроль энергоаккумулятора;
–Быстрая зарядка аккумулятора;
–Комплексная система сигнализации и параметрирования;
–Быстрое срабатывание стандартных автоматических выключателей благодаря технологии SFB (Selective Fuse Breaking);
–Надежный пуск тяжелых нагрузок благодаря статическому резервированию мощности POWER BOOST, обеспечивающему длительную подачу тока до 1,5 от номинального.
На рисунке 2.8 представлена блок-схема источника бесперебойного питания.
Рис 2.8 – Блок-схема источника бесперебойного питания
Таблица 2.3 Технические характеристики источника бесперебойного питания
| Параметр | Значение параметра |
| Окружающие условия | |
| Степень защиты | IP20 |
| Температура окружающей среды (при эксплуатации) | -25 °C ... 70 °C |
| Температура окружающей среды (хранение/транспорт) | -40 °C ... 85 °C |
| Макс. допустимая отн. влажность воздуха (при эксплуатации) | ≥ 95 % (25 °C, без выпадения конденсата) |
| Помехоустойчивость | EN 61000-6-2:2005 |
| Входные данные | |
| Входное напряжение | 24 В DC |
| Номинальное напряжение на входе | 24 В DC |
| Диапазон входных напряжений | 18 В DC ... 30 В DC |
| Потребляемый ток (макс.) | 19 A (макс., работа от сети) |
| Потребляемый ток (в процессе загрузки) | 4 A (зарядка, работа от сети) |
| Пороговое значение включения, фиксированное | ≤ 22 В DC |
| Пороговое значение включения, изменяемое | 1 В/0,1 с |
| Выходные данные | |
| Номинальное напряжение на выходе | 24 В DC |
| Диапазон выходных напряжений (в зависимости от входного напряжения) | 19,2 В DC ... 27,6 В DC (UВЫХОД = UBAT - 0,5 В DC) |
| Номинальный ток на выходе (IN) | 10 A (-25 °C ... 60 °C) |
| POWER BOOST (IBoost) | 15 A (-25 °C ... 40 °C) |
| Selective Fuse Breaking (ISFB) | 65 A (-25 °C ... 60 °C) |
| Продолжение таблицы 2.3 | |
| Общие выходные данные | |
| КПД | > 98 % (Питание от сети, при заряженном энергоаккумуляторе) |
| Общие сведения | |
| Технология IQ | да |
| Вес нетто | 0,5 кг |
| Степень защиты | III |
| MTBF (IEC 61709, SN 29500) | > 500000 ч (40 °C) |
| Монтажное положение | горизонтальная DIN-рейка NS 35, EN 60715 |
| Указания по монтажу | для монтажа в ряд: отступ по горизонтали 5 мм, по вертикали 50 мм |
Рисунок 2.9 – ИБП модели QUINT – UPS/24DC/24DC/10
) В














