ВКР Мищенко А.В. (1205384), страница 6
Текст из файла (страница 6)
А – степень надежности защиты превышает 99,5%;
Б – степень надежности защиты составляет 95-99,5%.
Выбор типа зоны защиты осуществляется в соответствии РД 34.21.122-87 Инструкция по устройству молниезащиты зданий и сооружений. Утверждена Главтехуправлением Минэнерго СССР 12 октября 1987г., в зависимости от назначения, географического местоположения, классов взрыво- и пожароопасности защищаемого объекта, а также с учетом средней продолжительности гроз в год.
Рисунок 4.7Карта средней за год продолжительности гроз в часах для территории бывшего СССР
Таблица 4.8
Удельная плотность ударов молнии в землю в зависимости от среднегодовой продолжительности гроз
| Среднегодовая продолжительность гроз, ч | Удельная плотность ударов молнии в землю n, 1/(км2*год) |
| 10 — 20 | 1 |
| 21 — 40 | 2 |
| 41 — 60 | 4 |
| 61 — 80 | 5,5 |
| 81 — 100 | 7 |
| 101 и более | 8,5 |
Зона А:
| h0= 0,8h; | (4.2) |
| r0= (1.35- 0.0025h)h; | (4.3) |
| rx= (1.35-0.0025h)(h-hx/0,85). | (4.4) |
Зона Б:
| h0= 0,92h; | (4.5) |
| r0= 1,7h; | (4.6) |
| rx= 1,7(h-hx/0,92). | (4.7) |
Для зоны типа Б высота одиночного тросового молниеотвода при известных значениях hx и rx определяется по формуле
| h= (rx+ 1,85hx)/1,7. | (4.8) |
Ожидаемое количество поражений N молнией в год производится по формулам:
для сосредоточенных зданий и сооружений (дымовые трубы, вышки, башни)
| N= 9h2xn-10-6 | (4.9) |
где n – среднегодовое число ударов молнии в 1 км2 земной поверхности в месте нахождения здания или сооружения, 1/(км2·год);
для зданий и сооружений прямоугольной формы
| N=[(B+6hx)·(A+6hx)-7,7h2x]·n·10-6; | (4.10) |
где A – длина объекта, м; B – ширина объекта, м.
для протяженных объектов
| N= 6hxAn-10-6 | (4.11) |
По формулe10получаем ожидаемое количество поражений молнией в год
N=[(50+6·4)·(100+6·4)-7,7·16]·2·10-6,шт/год.
N= 0,0181056шт/год.
В зависимости от N и tCPиз РД 34.21.122-87 Инструкция по устройству молниезащиты зданий и сооружений. Определяем требуемый тип зоны молниезащиты (зона Б).
Таким образом, с учетом выбранной зоны защиты «Б», получаем:
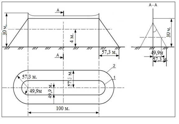
h= (49,9+1,85· 4)/ 1,7.
h=33,7 м.
h0= 0,92·33,7
h0= 30 м.
r0= 1,7· 33,7
r0= 57,3 м.
При проверке защищенности объекта проверяется соблюдение условий
| hhx; rxB/ 2; A<a или √(A- a)2+ B2/2<rx. |
=30
=4;
49,9>B/2=25
A=100<a=100 или √( А- а)2-В2/2= 25<rx= 49,9
Условие соблюдено.
Рисунок 4.8 Зона защиты одиночного тросового
молниеотвода с указанием размеров
Исходя из расчетов, для создания молниезащиты объекта нужно приобрести – таблица 4.9.
Таблица 4.9
Требуемое оборудование для устройства молниезащиты
| Наименование | Параметры | Кол- во |
| Трос стальной ГОСТ 3064-80 | Сечение 20 мм Длинна 100 м | 1 шт. |
| Многогранная высокомачтовая опора ОВС -30(30)-л/о | Высота 30м. Нижний диаметр 870 мм. Диаметр опорного фланца 1130 мм. Вес 3788 кг. Количество секций 3. | 2 шт. |
Трос стальной. Обычно делают токопровод из стальных оцинкованных проволочек; сечение его от 50 до 70 мм. Трос для молниезащиты (грозозащитный трос) спиральный одинарной свивки с точечным касанием проволок. Конструкция 1х37 рисунок 4.9.
Рисунок 4.9.Трос для молниезащиты в разрезе
Трос крепиться к опоре посредством болтового соединения, пример приведен на рисунке 4.10.
Рисунок 4.10 Закрепление тросового молниеприемника
на несущей конструкции
Высокомачтовые опоры рисунок 4.11. Опоры изготавливаются из трубного проката. Опоры защищены от коррозии методом горячего оцинкования (ГОСТ 9.307.-89). Гарантия на коррозионную стойкость составляет - не менее 20 лет. Опоры изготавливаются следующих типов: с лестницей - снабжены лестницей с ограждением и прожекторной площадкой; без лестниц - не снабжены лестницей с ограждением и обслуживаются с помощью автогидроподъемника; с лестницей без ограждения со страховочным тросом. Преимущества: удобство в монтаже и обслуживании. Высокая антикоррозионная стойкость покрытия. Длительный срок службы. Эстетичный внешний вид. Возможность размещения на опоре дополнительных конструкций. Возможность изготовления по индивидуальному заказу любых типоразмеров.
Способ установки: опоры устанавливаются на фланец закладной детали фундамента или непосредственно в грунт. Кронштейн фиксируется в верхней части опоры при помощи болтов.
Рисунок 4.11Высокомачтовая опора с лестницей и площадкой и без них
4.3 Проектирование охранно-пожарной сигнализации
Система охранно-пожарной сигнализации представляет собой сложный комплекс технических средств, служащих для своевременного обнаружения возгорания и несанкционированного проникновения в охраняемую зону. Как правило, охранно-пожарная сигнализация интегрируется в комплекс, объединяющий системы безопасности и инженерные системы здания, обеспечивая достоверной адресной информацией системы оповещения, пожаротушения, дымоудаления, контроля доступа и др.
Для обеспечения пожарной безопасности в головном здании филиала- конторе, необходимо установить охранно-пожарную сигнализацию, тем самым снизив риск возникновения пожара и его последствий.
Предлагается следующее исполнение охранно-пожарной сигнализации, состоящей из приведенных ниже установок и технических средств.
Прибор приемно-контрольный и управления охранно-пожарный «Гранит-16» (рисунок 4.12) предназначен для автономной и централизованной охраны объектов, оборудованных электроконтактными и токопотребляющими охранными и пожарными извещателями. Прибор сообщает о происходящих на объекте событиях и обеспечивает включение устройств оповещения и передачу извещений на пульт централизованного наблюдения (ПЦН).
Рисунок 4.12 Прибор приемно-контрольный и управления охранно-пожарный «Гранит-16»
Прибор может выдавать 9 видов извещений: "Норма", "Тревога", "Внимание", "Пожар", "Неисправность", "Сеть", "Резерв", "Разряд", "Вскрытие".
Извещение "Норма" передается замкнутым состоянием контактов реле ПЦН
Извещение "Тревога" формируется при срабатывании извещателя в охранном ШС
Извещение "Внимание" формируется при срабатывании одного извещателя в пожарном ШС
Извещение "Пожар" формируется при срабатывании двух извещателей в пожарном ШС
Извещение "Неисправность" формируется при коротком замыкании или обрыве пожарного ШС
Извещение "Резерв" формируется при переходе прибора на питание от аккумулятора
Извещение "Разряд" формируется при автоматическом отключении аккумулятора после его разряда до уровня 10,5 В
Извещение "Вскрытие" формируется при попытке снять крышку прибора
При использовании ШС как пожарного, режим охраны включается, по истечении задержки 2 сек. Если ШС нарушен, перед включением режима охраны происходит автоматический сброс питания всех ШС и выхода "+12В" на время 3 секунды.
Прибор имеет светодиодные индикаторы состояния ШС, индикаторы "Сеть" и "Резерв" для контроля наличия заряженного аккумулятора, "НСП" для индикации состояния неисправности и "ПЦН" (в этой версии не используется).
Есть выходы типа "открытый коллектор" для подключения светового и звукового оповещателей. Световой оповещатель выключен, когда все ШС сняты с охраны, светится непрерывно после взятия хотя бы одного ШС под охрану и мигает режиме тревоги. Встроенный звуковой сигнализатор выдает непрерывный звуковой сигнал при извещениях "Неисправность" и "Тревога" (длительностью 1 мин) и прерывистые сигналы при извещениях "Внимание" (периодичность 2 с) и "Пожар" (периодичность 1 с).
Особенности прибора:
16 шлейфов сигнализации (ШС) с функциями охранного или пожарного
Прибор контролирует состояние ШС по величине их сопротивления
Передача тревожных извещений на ПЦН по четырем каналам выполняется разрывом линий ПЦН с помощью контактов реле
Возможность постановки на охрану и снятия с охраны любого ШС по отдельности нажатием кнопки этого ШС. Постановка/снятие на охрану ШС подтверждается коротким звуковым сигналом
Раздельная или групповая постановка на охрану (снятие с охраны) всех ШС электронными ключами TouchMemory
Реализован режим охраны с "закрытой дверью"
Для быстрой диагностики индикации есть кнопка "Тест", при нажатии которой проверяется работоспособность светодиодных индикаторов состояния ШС и внутреннего звукового преобразователя
Прибор имеет встроенный источник резервного питания. Для продления срока службы аккумулятора есть электронная защита от глубокого разряда аккумулятора
Для защиты от несанкционированного управления прибором предусмотрена блокировка органов управления паролем (комбинация из четырех кнопок)
Обеспечивается работа с токопотребляющими извещателями с напряжением питания 10-25 В
Есть два выхода 12 В (отключаемый и неотключаемый) для питания извещателей, защищённые от короткого замыкания
Добавлена возможность подключения к прибору пожарной системы речевого оповещения "Рокот", светозвукового оповещателя "Призма-200И"
Реализована возможность программирования каждого ШС отдельно. Программирование осуществляется с помощью программы KeyProg, запрограммированные параметры переносятся в прибор с помощью USB-программатора или электронного ключа переноса данных TouchMemory
Прибор оснащен эргономичной пленочной клавиатурой
Тампер подключается в виде отдельного канала, не занимая ШС.
Технические характеристики приведены в таблице.
Таблица 4.10
Технические характеристики прибора приемно-контрольного и управления охранно-пожарного «Гранит-16»
| Параметр | Значение |
| Информационная ёмкость (количество шлейфов) | 16 |
| Информативность (количество видов извещений) | 9 |
| Напряжение на входе ШС при номинальном сопротивлении шлейфа | 17 ± 2 В |
| Суммарная токовая нагрузка в шлейфе (дежурный режим), не более | 1,5 мА |
| Ток потребления по выходу 12 В для питания извещателей, не более | 250 мА |
| Регистрируются нарушения шлейфа длительностью более | 350 мс |
| Не регистрируются нарушения шлейфа длительностью менее | 250 |
| Диапазон рабочих температур | -30оС...+50 °С |
| Мощность, потребляемая от сети, не более | 20 ВА |
| Ток потребления от аккумулятора в дежурном режиме (при отсутствии внешних потребителей), не более | 150 мА |
| Масса без аккумулятора, не более | 2,5 кг |
| Габаритные размеры | 325х260х90мм |
| Срок службы, не менее | 10 лет |
Световой оповещатель МОЛНИЯ- 12В (рисунок 4.13) предназначен для установки во внутренних помещениях промышленных предприятий, гражданских зданий, административных и общественных учреждений и сооружений с целью светового указания эвакуационных мест выхода при пожаре и других чрезвычайных ситуациях, а также для различных информационных целей.
Рисунок 4.13 Световой оповещатель «МОЛНИЯ- 12В»
Световой блок выполнен на светодиодах и не требует текущего обслуживания.
Табло МОЛНИЯ- 12В имеет минимальное токопотребление среди аналогов.















