ВКР Мищенко А.В. (1205384), страница 5
Текст из файла (страница 5)
Специальные объекты - объекты, представляющие опасность для непосредственного окружения:
- для социальной и физической окружающей среды (объекты, которые при поражении молнией могут вызвать вредные биологические, химические и радиоактивные выбросы);
- прочие объекты, для которых может предусматриваться специальная молниезащита, например, строения высотой более 60 м, игровые площадки, временные сооружения, строящиеся объекты.
По уровню молниезащиты объекты подразделяются на четыре класса.
В таблице 4.4. приводятся примеры разделения объектов на классы.
Таблица 4.4
Примеры классификации объектов
| Объект | Тип объекта | Последствия удара молнии |
| Жилой дом | Отказ электроустановок, пожар и повреждение имущества. Обычно небольшое повреждение предметов, расположенных в месте удара молнии или задетых ее каналом | |
| Класс 1
Обычные объекты | Ферма | Первоначально - пожар и занос опасного напряжения, затем- потеря электропитания с риском гибели животных из-за отказа электронной системы управления вентиляцией, подачи корма н т.д.. |
| Театр; школа; универмаг; спортивное сооружение | Отказ электроснабжения (например, освещения) способный вызвать панику. Отказ системы пожарной сигнализации, вызывающий задержку противопожарных мероприятий, |
| Банк, страховая компания; коммерческий офис | Отказ электроснабжения (например, освещения), способный вызвать панику. Отказ системы пожарной сигнализации, вызывающий задержку противопожарных мероприятии. | |
| Больница; детский сад: дом престарелых | Отказ электроснабжения (например, освещения), способный вызвать, панику. Отказ системы пожарной сигнализации, вызывающий задержку противопожарных мероприятий. Потери средств связи, сбои компьютеров с потерей данных. | |
| Промышленные предприятия | Дополнительные последствия, зависящие от условий производства - от незначительных повреждений до больших ущербов из-за потерь продукции | |
| Музеи и археологические памятники | Невосполнимая потеря культурных ценностей |
Окончание таблицы 4.4
| Объект | Тип объекта | Последствия удара молнии |
| Класс 3 Специальные ' объекты, представляющие опасность для непосредственного окружения | нефтеперерабатывающие предприятия, заправочные станции, производства петард и фейерверков | Пожары и взрывы внутри объекта и в непосредственной близости |
| Класс 4 Специальные объекты, опасные для экологии | Химический завод; атомная электростанция; хим.фабрики | Пожар и нарушение работы оборудования с вредными последствиями для окружающей среды |
Для обычных объектов, к которым относятся жилые и общественные здания и сооружения, «Инструкция» предусматривает четыре уровня надежности защиты от прямых ударов молнии, указанные в таблице 4.5
Таблица 4.5
Уровни надежности защиты от прямых ударов молнии для обычных объектов
| Уровень защиты | Надежность защиты от прямых ударов молнии (ПУМ) |
| I | 0,98 |
| II | 0,95 |
| Ш | 0,90 |
| IV | 0,80 |
При проектировании устройств молниезащиты объекта требуется установить его класс, принять необходимый уровень надежности защиты от прямых ударов молнии, определить объем защитных мер от вторичных воздействии молнии.
Исходные данные для проектирования молниезащиты объектов составляются заказчиком с привлечением при необходимости проектной организации. Они должны включать:
- генеральный план объектов с указанием расположения всех объектов, подлежащих молниезащите, автомобильных и железных дорог, наземных и подземных коммуникаций (теплотрасс, технологических и сантехнических трубопроводов, электрических кабелей и проводок любого назначения и т.п.);
- уровень надежности молниезащиты каждого объекта;
- данные о климатических условиях в районе размещения защитных устройств и сооружений (интенсивности грозовой деятельности, скоростном напоре ветра, толщине стенки гололеда и т. п.), характеристику грунта с указанием структуры, агрессивности и рода почвы, уровня грунтовых вод;
- удельное электрическое сопротивление грунта (Ом хм) в местах расположения объектов.
Основной задачей проектирования устройств молниезащиты является определение требуемого уровня надежности; а также выбор и размещение элементов устройств молниезащиты. Выбор и размещение элементов устройств молниезащиты производят так, чтобы иметь возможность максимально использовать проводящие элементы проектируемого объекта. Это позволит улучшить внешний вид объекта, повысить эффективность молниезащиты. При разработке технической документации необходимо максимально использовать типовые конструкции молниеотводов и заземлителей.
На основании принятых решений определяются зоны защиты молниеотвода. Зона защиты молниеотвода — пространство внутри которого объект защищен от прямых ударов молнии с надежностью не ниже определенного уровня. Для определения зоны защиты необходимо произвести расчеты.
Существуют методики расчетов зон защиты молниеотводов с различными типами молниеприемников: отдельно стоящего со стержневым молниеприемником, одиночного тросового, двойного стержневого (со стержневым молниеприемником), двойного тросового, замкнутого тросового.
Рекомендуется применять упрощенные методы определения зон защиты для объектов высотой до 60 м: метод защитного угла, метод фиктивной сферы и способ защиты с применением молниеприемника в виде защитной сетки.
При проектировании способ защиты и метод расчета выбирается то рекомендациям, приведенным в таблице 6.Практика проектирования показывает целесообразность использования определенных методов расчета в следующих случаях:
- метод защитного угла используется для простых по форме сооружений или для малых частей больших сооружений;
- способ защиты с применением молниеприемника в виде защитой сетки и соответствующий метод расчета целесообразно приметь в общем случае и особенно для защиты поверхностей;
- метод фиктивной сферы — для сооружений сложной формы.
В таблице 6. приводятся значения углов при вершине зоны защиты, радиусы фиктивной сферы, а также предельно допустимый шаг ячейки сетки для уровней защиты 1-1V
Таблица 4.6
Параметры для расчета молниеприемников по рекомендациям МЭК
| Уровень защиты | Радиус фиктивнойсферы R, м | Угол α при вершине молниеотвода для зданий различной высоты h, м | Шаг ячейкисетки, м | ||||
| 20 | 30 | 45 | 60 | ||||
| | 20 | 25 | * | * | * | 5 | |
| II | 30 | 35 | 25 | * | * | 10 | |
| Ш | 45 | 45 | 35 | 25 | * | ||
| IV | 60 | 55 | 45 | 35 | 25 | 20 | |
*В этих случаях применимы только сетки или фиктивные сферы.
При использовании метода защитного угла, стержневые молниеприемники, мачты и тросы размещаются так, чтобы все части защищаемого сооружения, находились в зоне защиты, образованной под углом а к вертикали. Защитный угол выбирается по таблице 4, причем h является высотой молниеотвода над поверхностью, которая будет защищена.
Метод защитного угла не используется, если h больше, чем радиус фиктивной сферы, определенный в таблице 4 для соответствующего уровня защиты.
Метод фиктивной сферы используется, чтобы определить зону защиты для части или областей сооружения, когда согласно таблице 4 исключено определение зоны защиты по защитному углу. Объект считается защищенным, если фиктивная сфера, касаясь поверхности молниеотвода и плоскости, на которой тот установлен, не имеет общих точек с защищаемым объектом.
Произведем расчет и подбор молниезащиты для лесопильного цеха:
Объектом защиты будет одноэтажное деревянное здание длинной 75 метров, шириной 40 метров, и прилегающие к нему открытые склады. В целом весь объект имеет прямоугольную форму, параметры которого: длинна- 100 метров , ширина- 50 метров ( рисунок 4.5).
Рисунок 4.5 Размеры защищаемого объекта
Таблица 4.7
Данные для расчета зоны защиты тросового молниеотвода.
| Обозначение параметра | Наименование параметра | Ед. изм. | Значение параметра | Источник |
| A | Длина объекта | м | 100.00 | Технические условия |
| B | Ширина объекта | м | 50.00 | Технические условия |
| hX | Высота объекта | м | 4.00 | Технические условия |
| n | Удельная плотность ударов молнии в землю | 1/км2·год | 2.00 | таблица |
| tCP | Средняя продолжительность гроз в год | час | 20.0 | таблица |
Исходные данные для расчета зоны защиты одиночного тросового молниеотвода сведены в таблице 4.7.
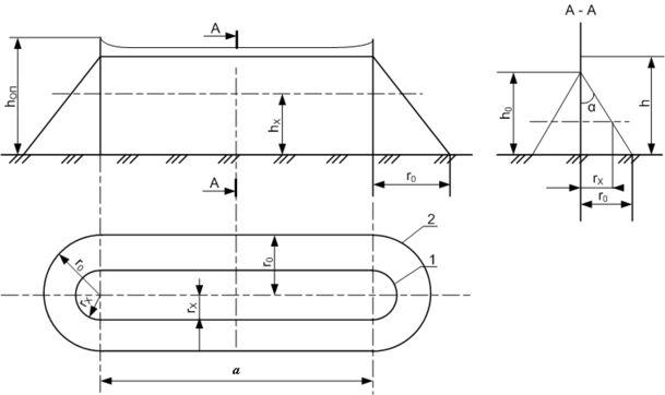
Зона защиты одиночного тросового молниеотвода высотой h 150 м приведена на риунок 1, где h — высота троса в середине пролета. С учетом стрелы провеса троса сечением 35—50 мм2 при известной высоте опор hопи длине пролета a высота троса (в метрах) определяется:
h = hоп — 2 при a< 120 м;
h = hоп — 3 при 120 <a< 150 м.
Рисунок 4.6 Зона защиты одиночного тросового молниеотвода
По степени надежности защиты различают два типа зон:














