Оптимизация технологического процесса ремонта тормозных приборов в АКП пункта подготовки вагонов станции беркакит (1196881), страница 3
Текст из файла (страница 3)
-мягкость действия;
-ступень торможения и отпуска;
-полное служебное торможение и отпуск;
-отпуск на горном режиме.
При испытании главной части должны быть проконтролированы:
-зарядка;
-мягкость действия;
-ступень торможения и плотность главной части при ступени торможения;
-действие выпускного клапана.
Испытание на стенде 9 производить в соответствии с руководством по эксплуатации на этот стенд.
Главную или магистральную часть, не выдержавшую испытание, необходимо возвратить для устранения неисправностей. После чего она должна быть испытана вновь по полной программе.
На магистральной и главной частях, выдержавших испытание, необходимо проверить наличие бирки, которая должна быть установлена в процессе сборки.
Результаты испытания должны быть сохранены в памяти ПЭВМ, а в книге формы ВУ-47 необходимо записывать дату испытания, тип и номер принятой магистральной или главной части с росписью исполнителя ремонта и бригадира.
Каждый отремонтированный авторежим испытывают на функционирование на стенде 9.
При испытании должны быть проконтролированы:
- давление сжатого воздуха и его стабильность на выходе из авторежима в зависимости от величины поднятия вилки с упором и давления сжатого воздуха на входе в авторежим;
- время срабатывания авторежима при имитации его работы в режиме торможения;
- время срабатывания авторежима при имитации его работы в режиме отпуска;
- чувствительность авторежима на утечки сжатого воздуха из резервуара, имитирующего тормозной цилиндр;
- работа демпфера авторежима.
Испытание на стенде 9 производить в соответствии с руководством по эксплуатации на этот стенд.
Авторежим, не выдержавший испытание, необходимо возвратить для устранения неисправностей, после чего он должен быть испытан вновь по полной программе.
На авторежиме, выдержавшем испытание, необходимо проверить наличие бирки, которая должна быть установлена в процессе сборки.
Внимание: во избежание заклинивания вилки в корпусе авторежима шплинт должен быть установлен так, чтобы его головка и концы не выступали за пределы наружного диаметра (50 мм) вилки.
Результаты испытания авторежимов должны быть сохранены в памяти ПЭВМ, а в книге формы ВУ-47 необходимо записывать дату испытания, тип и номер принятого авторежима с росписью исполнителя ремонта и мастера или бригадира.
После приемки магистральные и главные части воздухораспределителей, авторежимы помещают на стеллажи готовой продукции.
Ремонт и испытание камер воздухораспределителей производят следующим образом.
Камеры разбирают в соответствии с маршрутной картой 1880.10200.00223. Фильтры и пылеулавливающие сетки должны быть промыты в керосине, просушены и продуты сжатым воздухом.
Произвести очистку внутренних полостей в корпусе камеры продувкой их сжатым воздухом под давлением (0,6+0,05)МПа после предварительного отстукивания камеры деревянным молотком массой не более 1кг.
Сборку камеры производить в соответствии с МК 1880.10200.00234.
После ремонта и сборки у камеры проверить расстояние от привалочной плоскости для главной части воздухораспределителя до рабочей поверхности кривошипа режимного валика воздухораспределителя, которое должно быть у камеры 295.001 для груженого режима (80+1) мм, для среднего – (87+1) мм, для порожнего – не менее 98 мм, у камеры 295М.001 и 295М.002 для груженого режима (80+1) мм, для среднего – (85+1) мм, для порожнего – не менее 98 мм.
После сборки камеру воздухораспределителя испытать на герметичность на позиции 6а. Испытание на стенде производить в соответствии с руководством по эксплуатации на этот стенд .
Испытание камеры воздухораспределителя на герметичность необходимо производить сжатым воздухом под давлением [(6,0+0,5) кгс/см2].
При этом у камеры воздухораспределителя одновременно проверять можно следующие внутренние каналы и камеры:
- канал тормозного цилиндра с рабочей камерой;
- канал дополнительной разрядки с золотниковой камерой;
- магистральный канал с каналом запасного резервуара.
Допускается производить проверку каждого канала или камерыв отдельности.
В течение 1 минуты падение установившегося в проверяемом канале и (или) камере давления сжатого воздуха не допускается.
Ремонт и испытание регуляторов тормозной рычажной передачи.
Разборку, дефектацию и ремонт деталей и узлов, а также сборку регуляторов производить следующим образом.
Разборка и сборка регуляторов без специального приспособления запрещена.
Разборку регуляторов тормозной рычажной передачи производят в соответствии с маршрутными картами:
- 574Б – с 1880.10200.00324 по 1880.10200.00326;
- РТРП 675 – с 1880.10200.00365 по 1880.10200.00367;
- РТРП 675М – с 1880.10200.00396 по 1880.10200.00398;
- РТРП 300 - 1880.10200.00464 по 1880.10200.00466.
Все детали и узлы в процессе разборки протереть технической салфеткой без ворса.
При сборке резиновые уплотнения, имеющие надрывы, подрезы, расслоения заменить на новые.
Подшипники, имеющие трещины колец и сепараторов, а также задиры и следы коррозии металла в виде раковин на шариках и на беговых дорожках внутренних и наружных колец, заменить.
При наличии на кольцах и шариках подшипника налета ржавчины допускается зачищать их шлифовальной шкуркой, при этом дальнейшее использование подшипника допускается только и при отсутствии на очищенных поверхностях следов разрушения металла.
Неисправные винты, болты, шайбы заменить исправными.
Для регулятора 574Б контрольная гайка (допускается использовать новую, не бывшую в эксплуатации, гайку 574Б.303 или 574Б.304), контрольный винт (допускается использовать новый, не бывший в эксплуатации винт регулятора 574Б.001-1 или 642.001) должны заменяться не реже одного раза в год. Срок службы контрольной гайки должен быть установлен метрологической службой предприятия в зависимости от объема ремонта.
Для регуляторов РТРП 675 и РТРП 675М контрольная гайка (допускается использовать новую, не бывшую в эксплуатации, тяговую гайку 642.003 или регулирующую гайку 642.012), контрольный винт (допускается использовать новый, не бывший в эксплуатации винт регулятора 642.001 или 574Б.001-1) должны заменяться не реже одного раза в год. Срок службы контрольной гайки должен быть установлен метрологической службой предприятия в зависимости от объема ремонта.
Для регуляторов РТРП 300 контрольная гайка (допускается использовать новую, не бывшую в эксплуатации, тяговую гайку 642.003 или регулирующую гайку 706.004), контрольный винт (допускается использовать новый, не бывший в эксплуатации винт регулятора 706.001) должны заменяться не реже одного раза в год. Срок службы контрольной гайки должен быть установлен метрологической службой предприятия в зависимости от объема ремонта.
При сборке регулятора 574Б не допускается постановка в него ушка от регуляторов РТРП 675, РТРП 675М и РТРП 300.
При сборке регуляторов РТРП 675 и РТРП 675М не допускается постановка в них ушка и защитной трубы от регулятора 574Б.
При сборке регулятора РТРП 300 не допускается постановка в него ушка от регулятора 574Б.
Сборку регуляторов тормозной рычажной передачи производят в соответствии с маршрутными картами:
- РТРП 675 – с 1880.10200.00391 по 1880.10200.00393;
- РТРП 675М – с 1880.10200.00411 по 1880.10200.00413;
- РТРП 300 - 1880.10200.00482 по 1880.10200.00484.
Каждый отремонтированный регулятор испытать.
Испытательный стенд должен имитировать работу регулятора на вагоне и обеспечивать проверку регулятора на:
- стабильность его работы при имитации нормальных зазоров между колодками и колесами и полного служебного торможения;
- возможность стягивания и роспуска его вручную при имитации отпущенного тормоза;
- работу на автоматическое стягивание при имитации увеличенных зазоров между колесами и колодками и ступени торможения;
- прочность на растягивающем усилии (80±1)кН [(8±0,1)тс];
- автоматическое стягивание на длине винта регулятора 574Б не менее 350 мм (от размера «а» не менее 500 мм до размера «а» не более 150 мм), регуляторов РТРП-675, РТРП-675-М – не менее 350 мм (от размера «а» не менее 600 мм до размера «а» не более 150 мм), регулятора РТРП-300 – не менее 250 мм.
При испытании регулятора в целях соблюдения мер безопасности узлы соединения регулятора с деталями испытательного стенда должны быть закрыты защитными кожухами.
Проведение испытаний регуляторов на прочность при растягивающем усилии (80±1)кН [(8±0,1)тс] на стендах, конструкция которых не предусматривает проведение данного испытания, запрещено.
Испытание необходимо производить на стенде 4.
Результаты испытания регуляторов отразить в книге формы ВУ-47. В книге формы ВУ-47 необходимо записывать дату испытания, тип и номер принятого регулятора с росписью исполнителя ремонта и мастера или бригадира.
На отремонтированном и принятом регуляторе под головку стопорного болта на корпусе регулятора установить бирку, на которой нанесены номер АКП и дата ремонта (число, месяц и две последние цифры года).
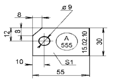
Рекомендуемый размер бирки приведены на рисунке 1.7.
Рисунок 1.7 Бирка авторегулятора
После приемки регуляторы тормозной рычажной передачи помещаются на стеллаж готовой продукции.
1.4 Организация контроля качества ремонта
Главным условием обеспечения высокого качества ремонта тормозного оборудования подвижного состава является строгое соблюдение требований действующей технической и технологической документации.
Ответственность за качество ремонта тормозного оборудования несут непосредственный исполнитель и бригадир.
Специальные приспособления, шаблоны, измерительные приборы и стенды для проверки тормозного оборудования должны соответствовать технической документации, утвержденной установленным порядком. Испытательные стенды перед началом смены подвергнуты бригадиром «Самоконтролю», который осуществляет приемку и отвечает за качество ремонта тормозного оборудования.
Осмотр, ремонт стендов для проверки тормозных приборов, в том числе проверку на плотность, необходимо производить через каждые 3 месяца. После осмотра и ремонта стенд должен принять бригадир. На видном месте на стенде должна быть нанесена надпись с указанием даты выполнения периодического осмотра. Результаты осмотра оформляют в книге ВУ-47 за подписью бригадира. Все стенды автоматического контроля проходят метрологическую поверку в сроки, установленные Руководствами по их эксплуатации специалистами НТЦ «Вагон-тормоз».
Все устройства для приемки тормозного оборудования, а также соблюдение технологии качество ремонта тормозов должны проверяться 1 раз в 6 месяцев комиссией под председательством руководителя вагонной службы железной дороги. Результаты проверки оформляются актом, который передается руководителю предприятия для принятия соответствующих мер.
Руководитель предприятия ежемесячно должен проводить проверки соблюдения технологии ремонта тормозного оборудования с соответствующей отметкой в книге ВУ-47.
Техническая документация и отчетность.
Для контроля за выполнением требований настоящего технологического процесса в АКП установлена следующая техническая документация:
-
книга формы ВУ-47 регистрации ремонта тормозных приборов;
-
технологические карты на ремонт и испытание отдельных узлов;
-
инвентарная книга регистрации оборудования, технологической оснастки, приспособлений и контрольно-измерительного инструмента;
-
маршрут хождения на работу и с работы;
-
книга трехступенчатого контроля по ОТ;
-
книга явки на работу и текущего инструктажа по ОТ;
-
журнал проведения технических занятий;
-
журнал учета работы компрессоров; -
паспорт-сертификат компрессорного масла.
Вся техническая документация хранится в помещении АКП, за ее сохранность отвечает бригадир.
На каждом рабочем месте вывешены выписки из технологического процесса, относящиеся к ремонтируемому на данной позиции тормозному оборудованию.
журнал учета работы компрессоров;














