Оптимизация технологического процесса ремонта тормозных приборов в АКП пункта подготовки вагонов станции беркакит (1196881), страница 2
Текст из файла (страница 2)
Программа ремонта представлена в таблице 1.2
Таблица 1.2- Годовая программа ремонта тормозного оборудования
| Наименование | Количество оборудования с линии |
| Воздухораспределитель № 483 | 5820 |
| Авторегулятор №574Б | 792 |
| Авторежим №265-А1 | 1200 |
| Рукав соединительный | 2640 |
| Концевой кран | 2640 |
| Разобщительный кран | 1056 |
1.1 Режим работы и штат
Для выполнения установленного плана ремонта тормозного оборудования работа организована в одну смену с 08 до 17 часов ежедневно, кроме субботы, воскресенья и праздничных дней. Перерыв на обед с 12 до 13 часов, два технологических перерыва по 15 минут. В 10 и 14 часов. Штат участка по ремонту тормозного оборудования:
Освобожденный бригадир 7 разряда - 1
Слесарь по ремонту подвижного состава 6 разряда - 1
Слесарь по ремонту подвижного состава 5 разряда - 3
1.2 Технологический процесс работы АКП ВЧДЭ-11 Беркакит
Технологический процесс – это изменение качественного состояния объекта производства, которое проявляется в изменении формы предметов труда, свойств, внешнего вида и др.
Тормозное оборудование ремонтируют в соответствии с типовым технологическим процессом, технологическими картами, техническими нормами и требованиями инструкций.
Тормозные приборы очищают и обмывают в специальной машине с использованием моющего раствора, подогретого до температуры 50-70˚С, после чего приборы разбирают и комплектно укладывают в специальные поддоны или корзины из проволочной сетки и направляют в ремонтное отделение, оборудованное конвейерным транспортером и стойками с оснасткой для ремонта и испытания под комплектов магистральных и главных частей воздухораспределителей, авторежима. Ремонтные позиции размещены последовательно вдоль потока с расчетом, чтобы с любой из них было удобно брать перемещающиеся по конвейеру узлы. Здесь же установлены специальные станки стеллажи и шкафы для инструмента.
На рабочих местах вывешиваются выписки из действующих правил и техпроцессов ремонта соответствующих узлов. При поточно-узловом методе ремонта неисправные части заменяются новыми или заранее отремонтированными при строгом соблюдении очередности и максимальной параллельности ремонтных операций. Все воздухораспределители и авторежимы обязательно испытывают на стендах На принятом после испытания тормозном приборе ставят клеймо: дату ремонта и условный номер АКП. На привалочные фланцы принятых приборов устанавливают предохранительные щитки и сдают в кладовую.
Авторегуляторы рычажных передач ремонтируют в отделении, находящемся, как правило, рядом с отделением наружной обмывки.
После обмывки их разбирают, очищают от грязи внутренние полости и поверхности деталей регулировочного механизма, а затем ремонтируют и испытывают с применением типовой оснастки. На принятом авторегуляторе, закрепляют бирку с клеймами.
Концевые, разобщительные краны ремонтируют в отделении тормозной арматуры.
Вдоль поточной линии установлены типовые столы-верстаки с приспособлениями и оснасткой для разборки, ремонта и испытания. На рабочих местах расположены выписки из правил и технологического процесса выполнения операций.
Анализ причин отцепки вагонов из-за неисправностей автотормозов показал, что около половины их приходится на механическую часть (завары тормозных башмаков, изломы триангелей, тяг и др.), а остальные – на пневматическую часть Отделение ремонта соединительных рукавов оснащено приспособлениями для очистки, ремонта и испытания. Неисправный рукав разукомплектовывают, негодные детали заменяют исправными. Соединительные головки, хомутики, резинотканевые трубки, снятые головки и штуцера очищают, проверяют контрольными шаблонами, ремонтируют и передают для комплектования новых рукавов на специальных стендах. Перед гидравлическим и пневматическим испытаниями скомплектованный рукав выдерживают не менее 24 часов для высыхания резинового клея, которым смазывают наконечники головки штуцера. После испытания на соединительных рукавах закрепляют бирки с клеймами.
Отделение по ремонту авторегуляторов разобщено с отделением по ремонту тормозных приборов. В данном технологическом процессе сохраняется прямоточность без больших затрат на транспортировку деталей.
К числу наиболее существенных факторов, влияющих на надежную работу автотормозов при техническом обслуживании в эксплуатации можно отнести квалификацию обслуживающего персонала, соблюдения правил технической эксплуатации, организацию системы технического обслуживания.
Особое место в вопросе повышения надежности тормозов вагона занимает качество выполнения плановых видов ремонта рабочих камер, запасных резервуаров, тормозных цилиндров.
Отказы же тормозного оборудования в первые месяцы после планового ремонта прямо, зависят от качества его выполнения, на которое в свою очередь оказывают влияние технологии ремонта, обеспечения оборудованием, организация труда и др.
На наших дорогах принята планово-предупредительная система ремонта тормозного оборудования. При ремонтах отдельные узлы и детали восстанавливают или заменяют. Ремонт производят в контрольных пунктах автотормозов, расположенных на сети дорог и технологически связанных с производственным процессом вагоноремонтного предприятия (депо или ВРЗ) и пунктов технического обслуживания вагонов.
Обследованные участки по ремонту тормозов, АКП в большинстве своём размещены в отдельных помещениях, территориально расположенных вне депо. Такое расположение обусловлено спецификой деятельности этого участка, призванного обеспечивать готовой продукцией и депо и ПТО. Контрольные пункты автотормозов оснащены специализированным оборудованием, предназначенным для разборки, ремонта, испытания и сборки пневматических тормозных приборов. Оно в основном изготовлено ПКБ ЦВ. Важное место в оздоровлении тормозного оборудования подвижного состава занимает ремонт его механической части. Если пневматическое оборудование ремонтируют на специализированных участках, имеющих специальное оборудование, технологические процессы и др, то механическому тормозному оборудованию уделяется мало внимания. Ремонт его, как правило, осуществляется в автоматных отделениях, которые располагаются на одном из действующих участков тележечном или механическом и имеют технологическую связь с производственными процессами.
В этих отделениях наблюдается низкий уровень механизации работ. Разработка тормозного оборудования осуществляется в сборочном цехе под вагоном.
В обследованных депо отсутствуют какие-либо механизмы и механизированный инструмент для этой операции. Снятые тормозные приборы, арматура направляются для ремонта. В подавляющем большинстве предприятий транспортировка деталей тормозного оборудования не механизирована.
Качество ремонта тормозного оборудования в вагонном депо проверяется на последнем этапе, когда производится приёмка всего вагона после ремонта.
Проверка действия автотормоза вагона после ремонта осуществляется как при помощи стационарного стенда, так и передвижного. Недостатком используемых стендов является отсутствие фиксированной информации о состоянии тормозной системы. Поэтому работа на них может выполняться только высококвалифицированными специалистами, имеющими большой опыт
работы и способными быстро установить неисправность тормоза и причины её возникновения.
1.3 Ремонт тормозных приборов
Дефектацию и ремонт деталей и узлов, а также сборку магистральных частей воздухораспределителей производят следующим образом.
При сборке в магистральную и главную части должны устанавливаться детали и узлы, которые стояли в них до разборки, за исключением замененных из-за истекшего срока службы, неисправностей или в результате проведения работ по модернизации.
Болты, гайки, имеющие повреждения, в процессе сборки должны быть заменены исправными.
При сборке магистральной и главной частей воздухораспределителя все резиновые детали должны ставиться в зависимости от состояния и с учетом установленных сроков годности.
Манжеты, имеющие расслоения, надрывы, потертости рабочей поверхности, должны быть заменены новыми. Диафрагмы и прокладки должны быть ровными без надрывов и признаков разбухания,в противном случае их необходимо заменить.
Резиновые детали, срок годности которых истекает в гарантийный межремонтный период, должны быть заменены новыми.
Сборку магистральных частей производить в соответствии с
МК 1880.10200.151 – 1880.10200.00156 (483М); МК 1880.10200.00167-1880.10200.169 (483); МК 1880.10200.00180 (483А).
Сборку главных частей производить в соответствии с
МК 1880.10200.00219 – 1880.10200.00221(270.023-1) и руководством по ремонту ТЗ.483.400 РК (483.400).
Под одну из гаек необходимо установить бирку, на которой должны быть нанесены номер АКП и дата ремонта (число, месяц и две последние цифры года). При сборке в авторежим должны устанавливаться детали и узлы, которые стояли в нем до разборки, за исключением замененных из-за истекшего срока службы, неисправностей или в результате проведения работ по модернизации. Лапки стопорных шайб при сборке подгибать не следует - они должны быть подогнуты только после испытания авторежима. Размер «с» выставляется ориентировочно и по результатам испытания авторежима, при необходимости должен быть отрегулирован. Перемещение сухаря на один шлиц изменяет давление в ТЦ приблизительно на 0,01 МПа (0,1 кгс/см2). Манжеты, имеющие расслоения, надрывы, потертости рабочей поверхности, должны быть заменены новыми. Прокладки и уплотнения должны быть ровными без надрывов и признаков разбухания, в противном случае их необходимо заменить.
Резиновые детали, срок годности которых истекает в гарантийный межремонтный период, должны быть заменены новыми.
Сборку авторежимов производить в соответствии с МК 1880.10200.00532 по 1880.10200.00535 (265А-1) и МК 1880.10200.00571 по 1880.10200.00574 (265А-4).
Под одну из гаек необходимо установить бирку, на которой должны быть нанесены клеймо, присвоенное АКП, и дата ремонта (число, месяц и две последние цифры года). Размеры бирки приведены на рисунке 1.3.
Рисунок 1.3 Бирка авторежима
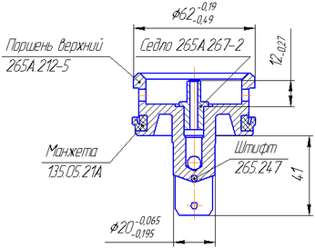
При сборке авторежима 265А-1 особое внимание нужно обратить на правильность установки узлов верхнего и нижнего поршней, а также пружины.
Верхний поршень должен быть установлен в соответствии с рисунком 1.4.
Нижний поршень должен быть установлен 265А.213-3 в соответствии с рисунком 1.5.
Пружина должна быть быть установлена 643.132-2 в соответствии с рисунком 1.6.
Рисунок 1.6 Пружина авторежима 265А-1
Производится ремонт клапанных приборов. Производится контроль силовых характеристик пружин.
Испытание тормозных приборов:
Каждую отремонтированную магистральную и главную части испытывают на испытательном стенде .
При испытании магистральной части должны быть проконтролированы:
-зарядка;














