Устройство ПСЧ (1195265), страница 3
Текст из файла (страница 3)
Младший бит кода принятого бита поступает на информационный вход сдвигового регистра битовой информации . На его вход разрешения сдвига поступает сигнал идентификации битовой информации. При наличии этого сигнала младший бит записывается в младший разряд сдвигового регистра. Для устойчивой сфазированности информационного и сдвигового сигналов, на
регистр битовой информации поступает противофазный сигнал тактирования. Информация с арбитражного мультиплексора также поступает на
формирователь интерфейсных сигналов. Эта ИМС осуществляет циклический, по модулю 8, счет битовых сигналов. Внутренний счетчик сбрасывается при обнаружении маркера. При достижении счетчиком значения О (принято 8 бит), сигнал на выводе 16 ИМС переходит в логическую "1", формируя требования прерывания для ЦПМ, Кроме того формируется сигнал сброса для детектора разрешенных комбинаций и схемы усреднения информации компаратора каналов, а также сигнал записи в регистр маркера . Регистр маркера, а также регистр режима работы логически размещены в пространстве устройств ввода-вывода (УВВ процессора ЦПМ).
При этом регистр маркера доступен для процессора только по чтению, а регистр режима—только по записи. В пространстве адресов УВВ размещен также сдвиговый регистр битовой информации, который доступен процессору только для чтения.
Формирователь интерфейса с системной шиной - производит дешифрацию адресов, распознает тип цикла шины — запись, чтение или системный сброс, а также осуществляет буферизацию тактового сигнала и сигнала эмулятора датчика. Сигнал эмулятора датчика, формируемый в ЦПМ позволяет провести контроль работоспособности модуля сигнального процессора. В качестве основы разработки модуля СП применены программируемые ИМС PALCE16V8H-25PCO фирмы Advanced Micro Devices (HMCDD1...DD17). Регистр режима и регистр маркера - параллельные регистры КР1554ИР23.
3.2.2.4 Субблок СВЧ.
В состав модуля входят усилитель мощности СВЧ сигнала(УМ СВЧ), смеситель с квадратурным расщеплением сигнала(СМ), полосовой усилитель низкой частоты(УНЧ), формирователь уровней цифровых сигналов и узел включения СВЧ излучения.
Основные электрические параметры соответствуют номинальным напряжениям питания и температуре окружающей среды Т=25 С, если иное не указано в табл. 7. Таблица 7
| Устройств О | Параметр | Обозна чение | Условия | Значение | Единица | |
| мин | макс | |||||
| Задающий генератор | Точность установки выходной частоты | AFCч | 1 | 2 | МГц | |
| Диапазон выходных частот | Fсч | 865,867,869 | МГц | |||
| Выходная Мощность | р | 90 | ПО | мВт | ||
Продолжение таблицы 7
| Усилитель мощности | Коэффициент усиления | Кр | 32 | ДБ | ||
| Выходная мощность | Рант | 1.7 | 2.5 | Вт | ||
| Пороговая чувствительность | Sпор | F=900 МГц Ргет= 35мВт | -65 | ДБ м | ||
| Напряжение шумов на выходах | Uш см | Ргет= 35мВт Zсигн= 50 Ом | MB | |||
| Смеситель | Ток потребления | I см 12 + I см 12- | МА | |||
| Напряжение шумов на аналоговых выходах | Uш унч | Zbx=0 | 5 | MB | ||
| Коэффициент усиления напряжения | КА | Ubx= 5мВ | 50 | Раз | ||
| Усилитель низкой частоты | Рассогласовани е каналов поусилению | Ек | Ubx= 5мВ | |||
| Рассогласовани е детекторных сигналов по усилению | Ед | Ubx= 5мВ | % | |||
| Напряжение логической "1" | Ui | ISOURSE = 1мА | 4 | В | ||
| Напряжение логического "0" | Uo | IsiNC= 1 мА | 0.4 | В | ||
| Ток потребления | Iунч12 + I унч12- | 55 55 | МА мА |
3.2.2.4 Лицевая панель и разъёмы считывателя
На лицевую панель (рисунок 7) считывателя выведены
четырёхразрядный дисплей с индикаторами вторичных напряжений питания модулей считывателя,корпусная клемма "_/_" ,два предохранителя на 2А. по
цепи 220В и разъёмы внешних соединений.
Рисунок 7 Разъём "КОН ",к которому подключается жгут К16 ПМЖИ.685621.006 для
2РМ22 стыковки с КПО:
Контакты 1-5,10 при эксплуатации не используются.
Разъём связи с последовательным портом "СОМ" ПЭВМ (или модемом
TGSA кабелем К7)по интерфейсу RS-232C "ИРПС2/2РМ14" В считывателях,
выпуска 2000г.используется ИРПС1 в качестве связи по интерфейсу RS232C.
ИРПС2/2РМ14 Кабель К7 2РМ18КПЭ7Г
Для разъёма " ИРПС1" в обозначениях используется индекс "О":
Два разъёма "СОМ 1' и "COM2" при эксплуатации не используются. РП15-9 РП15-9
Соответственно для разъёма "СОМ2"-индекс "1";
Разъм "СЕТЬ" для подключения напряжения питания 220В на считыватель с
2РМ14 с помощью жгута ПМЖИ.685621.039:
Включение напряжения питания осуществляется тумблером "Вкл/Выкл."
на передней панели считывателя;
Коаксиальный разъём "АНТ" для подключения коаксиального кабеля антенны и Разъём "АКУ" предназначен для подачи через четырёхжильный антенный кабель напряжения питания З.В на контрольное устройство антенны в режиме тестирования ОСА:
| Цепь | |
| U-E2 | 1 |
| U-E2 | 2 |
| Корпус | 3 |
| Корпус | 4 |
С помощью кнопки "КН" фиксируется выбор режимов тестирования
считывателя и ОСА .
Технические характеристики считывателя:
-масса СЧИТЫВАТЕЛЯ не более 11 кг;
-напряжение сети (220+22) В, (50±0,5) Гц;.
-частота выходного сигнала СЧИТЫВАТЕЛЯ в зависимости от его модификации соответствует одной из указанных в табл.3 с допустимым отклонением ± 24кГц;
-выходная мощность СЧИТЫВАТЕЛЯ (1,8+0,4) Вт.
-чувствительность СЧИТЫВАТЕЛЯ по модулированной составляющей высокочастотного сигнала должна быть по модулю не менее (60+2) dB.
Считыватель сохраняет работоспособность при:
-воздействии случайной вибрации в диапазоне частот 10 - 100 Гц с уровнем спектральной плотности ускорения 0,1 ga/Гц
-при температуре окружающего воздуха в пределах от минус 50 °С до + 60 °С;
-при повышенной влажности 95±3 % и температуре +25 °С.
-Средняя наработка на отказ - не менее 10000 ч.
3.3 Устройство фиксации колёсных пар ПЭ-1
ПЭ-1 предназначено для работы в устройствах отсчёта осей колёсных пар ПС,требующих бесконтактной фиксации прохождения колёсной пары через определённую точку пути. При отсутствии наезда колеса в режиме ожидания ток потребления ПЭ-1 равен 100±30ма. После прохождении колесом ПЭ-1 на расстоянии 12см от центра ПЭ-1 возникает "безтоковый импульс" Его величина составляет 10±2ма. Длительность "бестокового" импульса 4±0.1мс независимо от скорости ПС. ПЭ-1. автоматически адаптируется к наличию посторонних металлических предметов,сохраняет работоспособность при наличии постороннего металла на 70% площади поверхности. Полярность подключения кабеля источника питания к клеммам ПЭ-1 произвольная. Основные технические характеристики ПЭ-1:
-диапазон скоростей ПС-0-200км/час;
-погрешность фиксации центра колёсной пары в диапазоне скоростей 0-100км/час-не более ±15мм;
-расстояние от поверхности катания рельса до верхней поверхности ПЭ-1 -45мм.
-напряжение питания постоянного тока -12-18В;
-рабочий диапазон рабочих температур -60 +55С0.
-масса ПЭ-1 (с гарнитурой)-3,3кг.
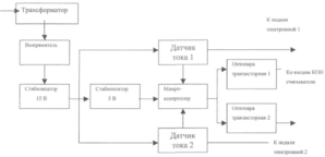
3.4 Контроллер подсчёта осей. Принцип действия КПО Структурная схема прибора приведена на рис.8
Рисунок 8
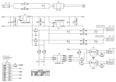
Схема электрическая принципиальная платы контроля КПО представлена рисунке 9.
Трансформатор обеспечивает гальваническую развязку схемы от питающей сети с требуемым значением электрической изоляции и необходимое понижение напряжения на выпрямительV3.Выпрямитель формирует постоянное напряжение +25В для питания схемы устройства контроля ПЭ-1. Это напряжение поступает на стабилизатор D1,формирующий напряжение 15 В, которое подается через датчики тока 1(R1) и 2(R2) на педаль электронную 1 и на педаль электронную 2 соответственно. Кроме того напряжение 15 В через стабилизатор D2 напряжением 5 В питает микроконтроллер D3. Возникающий перепад тока на R1(R2) при наезде колеса на ПЭ1 формирует сигнал, поступающий на входы аналого-цифрового преобразователя микроконтроллера, который программно формирует управляющие сигналы длительностью 11±0,5мс. Управляющие сигналы через оптопары транзисторные 1 (V4) и 2(V5) подаются на входы КОН1 и КОН2 считывателя
Рисунок 9
Программное обеспечение микроконтроллера включает:
-модуль обработки выходных данных двух каналов восьмиразрядного АЦП, работающих с периодом преобразования Тпреобр = 130мкс;
-модуль фильтрации входных импульсов педалей по длительности ( 2,1мс < Тимп < 6,5мс );
-модуль формирования " мертвого" времени ( ЗОмс ) канала АЦП после прохождения импульса педали;
-модуль адаптации к изменениям температуры окружающей среды и параметрам "бестокового" импульса конкретной педали;
-модуль формирования и выдачи управляющих сигналов ( длительностью 11мс ) на входы оптопар;
-модуль выдачи по последовательному программно формируемому каналу стандарта RS-232 параметров входного импульса педали ( момент времени появления переднего фронта импульса, величина верхнего и нижнего уровня сигнала )(В штатном режиме работы ПСЧ не используется).















