Устройство ПСЧ (1195265)
Текст из файла
1 Перечень сокращений
САИ - система автоматической идентификации подвижного состава железнодорожного транспорта
РП - рабочий проект оборудования железной дороги средствами системы САИ
ОСА - облучающая и считывающая аппаратура
НСУ - напольное считывающее устройство
ПСЧ - пункт считывания
КБД-2 - кодовый бортовой датчик
ПС - подвижной состав
ПЭВМ - персональная ЭВМ
ТО - техническое описание и руководство по эксплуатации ПМЖИ.461512.001 ТО
АКУ - антенное контрольное устройство
КОН - канал общего назначения
ПЭ-1 - устройство фиксации колёсных пар
КД - колёсный датчик(ПЭ-1)
КПО - контроллер подсчёта осей колёсных пар (от ПЭ-1)
БПМ - блок питания модема
АВР - автомат включения резерва
СПД - система передачи данных
RS-232 - последовательный асинхронный канал передачи данных
2 Общие положения
-
Пункт считывания КНГМ 466452.001-01(ПСЧ) предназначен,средствами
развёрнутой в нём аппаратуры системы идентификации подвижного
состава(ПС), обеспечивать автоматическую фиксацию параметров
проследовавшего мимо данного ПСЧ железнодорожного состава и передачу их
в концентратор,для автоматической идентификации ПС. -
Настоящая инструкция предназначена в соответствии с техническими
требованиями по установке и монтажу напольной части пункта
считывания(ПСЧ) системы "Пальма" регламентировать требования и условия
необходимые для входного контроля аппаратуры, входящей в состав
комплектации ПСЧ, монтажа ПСЧ этой аппаратурой и его эксплуатации.
Инструкция содержит указания о порядке проведения монтажа ПСЧ,
инструкции по входному контролю составных устройств и в целом аппаратуры
ПСЧ и требования к его эксплуатации. -
Монтаж аппаратуры производится в стандартном шкафу НСУ типа
ШРУМ-М,доукомплектованного в соответствии с Приложением 4 настоящей
инструкции и развёрнутого в соответствии с техническими требованиями по
установке и монтажу напольной части пункта считывания системы "Пальма" и
требованиями РП, утверждённого для данного района эксплуатации С АИ. -
Требования к персоналу
К работе по проведению входного контроля и установке ОСА допускаются лица не моложе 18 лет, имеющие образование не ниже среднего, изучившие настоящую инструкцию и эксплуатационную документацию на составные части аппаратуры по перечню Приложения 4 и имеющие допуск по технике безопасности к работе на электроустановках с напряжением до 1000В.
2.5 Настоящая инструкция предназначена для ввода в эксплуатацию и
эксплуатации ПСЧ, в том числе развёрнутых на базе ШНСУ-М,поставленных
эксплуатирующей организации в 2001г.
3 Устройство и работа ПСЧ
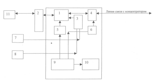
3.1 В состав ПСЧ входят (Рисунок1): облучающая и считывающая аппаратура (ОСА), состоящая из считывателя 1 с устройством фильтрации напряжения первичного электропитания 5 и антенны 2, контроллер подсчёта осей колёсных пар (КПО) 3, холодостойкий модем TGSA 4 с блоком питания б, два устройства фиксации колёсных пар (Э-1) 7,8, двухканальная система сетевого питания 9 и обогреватель ПСЧ 10.
Рисунок 1
Аппаратура ПСЧ представляет двухканальную систему опроса параметров проходящего мимо него подвижного состава (ПС): высокочастотный канал опроса установленных на локомотивах и вагонах ПС датчиков КБД-2, состоящий из антенны 2 , высокочастотного, низкочастотного тракта считывателя и его узла формирования конечной информации от датчика; низкочастотный канал фиксации моментов прохождения колёс состава над ПЭ-1, включающий в себя два устройства фиксации колёсных пар 7,8, КПО, и узла считывателя формирования конечного сообщения о моментах прохождения колёс . При наезде первого колеса состава на ближайший по движению датчик ПЭ-1
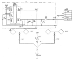
В низкочастотном канале формируется импульс длительностью 10-11мсек, по переднему фронту которого в считывателе обнуляется таймер внешних событий, поступающих в считыватель и одновременно включается СВЧ излучение. В датчике КБД-2 (рисунок 2), устанавливаемым, как правило, за 2-ым колесом 1-ой тележки, при попадании его в зону облучения антенны, за счёт части принимаемого излучения его антенной, расположенной на
Рисунок 2
передней плоскости датчика, формируется напряжение питание интегральной микросхемы 563РТ1.Микросхема начинает генерировать код, записанный в её памяти, в виде кодовой последовательности импульсов частотой 20 и 40 кГц. При этом битам информационного кода соответствуют импульсные посылки:
Последовательность "М" представляет собой специальную маркерную последовательность (маркер), обозначающую конец информационной посылки. Маркер занимает в информационном слове два последних бита (126 и 127 считая нумерацию битов с нулевого бита).
Ток через выпрямитель определяется потенциалом вывода 22 DD1. Импульс последовательности на выводе 22 формируется коммутацией вывода 22 на шину питания(вывод 42),при этом выпрямитель работает в режиме холостого хода. При паузе последовательности вывод 22 коммутируется открытым транзистором ИМС на шину "Земля"(клемма 9), формируя режим короткого замыкания выпрямителя. Изменение величины тока нагрузки выпрямителя меняет условие согласования антенны с его входным "волновым" для антенны сопротивлением и в результате меняется величина отражённой ею мощности СВЧ. Таким образом, мощность отраженного сигнала, модулируются в соответствии с информацией, записанной в ПЗУ DD1. Часть генерируемой считывателем мощности СВЧ ответвляется направленным ответвителем в канал гетеродина считывателя (рисунокЗ), в котором на смесителе, выделяется кодовая последовательность датчика, поступающая затем через усилитель низкой частоты в сигнальный процессор. В сигнальном процессоре формируется двоичная последовательность поступившего сообщения датчика. Эта последовательность поступает в центральный процессорный модуль(ЦПМ), в котором формируется в формате протокола обмена сообщение датчика и время его поступления в ЦПМ относительно момента обнуления таймера внешних событий и загружается в буфер обмена. Чтобы исключить переполнение буфера многократным считыванием информации от одного и того же датчика за время его нахождения в зоне облучения, в считывателе устанавливается рабочий режим «сравнение с предыдущим датчиком». Поэтому повторные сообщения, совпадающие с записанным с буфер, игнорируются.
В процессе прохождения колёс локомотива и вагонов через датчики ПЭ-1 по переднему фронту формируемых КПО импульсов в ЦПМ формируется сообщение содержащее номер датчика ПЭ-1 и время поступления импульса от этого датчика в ЦПМ относительно момента обнуления таймера внешних событий . Это сообщение поступает в собственный буфер обмена. Информацию буферов обмена в последовательности: сообщения о прохождении колёс,а затем сообщения о датчиках КБД-2 Считыватель по запросам концентратора передаёт через интерфейс RS-232C по линии связи модема в концентратор. Концентратор формируется файл первичных сообщений(файл с расширением.bin),который обрабатывается программой распознавания,формирую щей 266 сообщение(см. Приложение 3).
3.2 Работа составных частей ПСЧ
3.2.1 Антенна.
Приёмопередающая антенна Рис.2 предназначена для облучения СВЧ
энергией датчиков, расположенных на объектах идентификации, и приёма
отражённых от этих датчиков СВЧ сигналов.
Основные технические характеристики:
-коэффициент усиления на частоте генерации Ку- не менее 10;
-коэффициент стоячей волны по напряжению Kctv - не более 1,65;
-минимальная наработка на отказ -10000 ч;
-масса, кг -не более 3;
-материал корпуса - металлический;
-способ крепления - болтовой.
В составе антенны предусмотрено контрольное устройство (сборка
А1), содержащее ИМС 563РТ1.В режиме контроля считывателя через
сочленение разъёма XPl c разъёмом АКУ(антенное контрольное устройство)
на считывателе подаётся напряжение питания на ИМС,переводя её в
режим циклической генерации импульсной последовательности тестовой
информации, записанной в ПЗУ микросхемы.
Рисунок 3
Эта импульсная последовательность через зонд 3 модулирует высокочастотное поле антенны, имитируя работу датчика КБД-2. Тем самым обеспечивается
контроль работы всех узлов считывателя в полном объёме. Перестраиваемый антенный ответвитель WT1 служит для балансировки плеч антенны, обеспечивая необходимые параметры диаграммы направленности антенны.
3.2.2 СЧИТЫВАТЕЛЬ Структурная схема считывателя представлена на Рисунке 3
ЗГ- Задающий генеретор УМ СВЧ- Усилитель мощности
НО- Направленный ответвитель сверхвысокочастотный
СМ-Смеситель УНЧ- Усилитель низкой частоты
Структурная схема считывателя
Рисунок 4
Функционально в состав считывателя входит приёмо-передающее устройство и модуль центрального процессора, управляющего работой считывателя (Рисунок4). Приёмо-передающее устройство содержит задающий генератор несущей частоты(ЗГ), усилитель мощности СВЧ сигналов (УМ СВЧ), направленный ответвитель(НО), смеситель с квадратурным расщеплением сигнала(СМ), полосовой усилителя низкой частоты (УНЧ), сигнальный процессор обработки сигналов УНЧ и узел включения СВЧ излучения. Вырабатываемый генератором сигнал поступает
на усилитель СВЧ, где мощность сигнала увеличивается до 2 Вт. Этот сигнал подается на выходной СВЧ разъем блока через НО, откуда по кабельному соединению поступает в антенну. Антенна служит как для передачи, так и для приема отраженного датчиком сигнала. Принятый сигнал поступает на смеситель, где гетеродинный сигнал является ответвленной частью мощности выходного сигнала. Таким образом, реализуется автодинный прием. Во избежание фазового затухания сигнала в смесителе реализовано квадратурное расщепление сигнала (один сигнал сдвинут относительно другого на 90°). Два продетектированных сигнала поступают на полоснопропускающий УНЧ и формирователь уровней, где усиливаются и фильтруются по высокой частоте и поступают в сигнальный процессор.Конструктивно считыватель состоит из следующих модулей:
-источника питания;
-индикации ;
-центрального процессорного модуля;
-сигнального процессора;
-субблока СВЧ.
3.2.2.1 Модуль индикации предназначен для отображения вспомогательной информации о состоянии системы, результатах тестирования и конфигурирования системы и её отдельных узлов, а также вывода необязательной служебной информации.
Основные характеристики модуля приведены в таб. 1. Таблица 1
| Характеристики | Ед. | значение | параметра | |
| изм. | мин | тип | макс | |
| Напряжение питания VCC1, | В | 4.75 | 5.25 | |
| Напряжение питания VCC2, | В | 11.4 | 12.6 | |
| Напряжение питания VCC3, | В | -11.0 | -13.0 | |
| Ток потребления по VCC1 | мА | 10 | 150 | 200 |
| Ток потребления по VCC2 | мА | 5 | ||
| Ток потребления по VCC3 | мА | 5 | ||
| Разрядность алфавитно-цифровой информации | 4, бегущая строка | |||
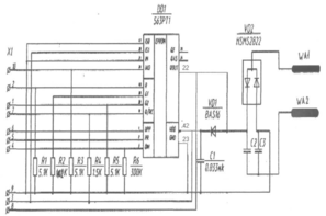
Модуль индикации (Рисунок 5) состоит из интеллектуального дисплея на 4 символа DD2( SLR2016 фирмы Siemens) красного цвета свечения с параллельной записью 7-ми разрядного кода символа, дешифратора сигнала записи дисплея DD1 КР1554ЛЛ1, а также 3 схем индикации наличия вторичного питания для номиналов +5 В, +12 В, — 12 В. Схемы индикации наличия питания выполнены на светодиодах VDL. VD3 АЛ102ВМ, подключенных к соответствующим номиналам напряжения через токоограничительные резисторы R 1...R3. Программное обеспечение ЦПМ позволяет выводить информацию на дисплей в 3 различных формах.
Рисунок 5
Статическая строка информации. В этом случае информация на дисплее состоит из 4 символов и не изменяется в течение длительных промежутков времени. Изменение статической информации вызывается изменением состояния программы, которое должно быть отражено на дисплее. Основные статически выводимые сообщения приведены в Табл.2:
| Таблица 2 |
"Бегущая" строка информации. В этом случае информационное сообщение может быть как угодно длинным, но в каждый конкретный момент времени на дисплее видны только 4 символа из сообщения. Через определенный промежуток времени видимая часть сообщения смещается вправо по строке, что создает иллюзию движения строки влево. Например, если должно быть выведено сообщение "Example" (это только пример!), на дисплее будет последовательно выведено:
| Е | Ех | Еха | Exam | xamp | ampl | mple | ple | le | e |
С помощью бегущей строки выводятся все сообщения меню, сообщения о состоянии и результатах тестирования. Строка с мерцающими символами. В этом случае строка длиной 4 символа содержит один мерцающий символ или все 4 мерцающих символа. Строка с мерцающими символами используется в диалогах конфигурации системы.
Характеристики
Тип файла документ
Документы такого типа открываются такими программами, как Microsoft Office Word на компьютерах Windows, Apple Pages на компьютерах Mac, Open Office - бесплатная альтернатива на различных платформах, в том числе Linux. Наиболее простым и современным решением будут Google документы, так как открываются онлайн без скачивания прямо в браузере на любой платформе. Существуют российские качественные аналоги, например от Яндекса.
Будьте внимательны на мобильных устройствах, так как там используются упрощённый функционал даже в официальном приложении от Microsoft, поэтому для просмотра скачивайте PDF-версию. А если нужно редактировать файл, то используйте оригинальный файл.
Файлы такого типа обычно разбиты на страницы, а текст может быть форматированным (жирный, курсив, выбор шрифта, таблицы и т.п.), а также в него можно добавлять изображения. Формат идеально подходит для рефератов, докладов и РПЗ курсовых проектов, которые необходимо распечатать. Кстати перед печатью также сохраняйте файл в PDF, так как принтер может начудить со шрифтами.















