ПЗ_ГОТОВ ПОЛНОСТЬЮ (1194735), страница 2
Текст из файла (страница 2)
В 10-х годах 21 века на большинстве участков Забайкальской железной дороги используются системы железнодорожной автоматики и телемеханики которые эксплуатируются 30 лет и более. Естественно, эти системы часто не были рассчитаны на столь долгий срок эксплуатации и проектировались без учета перспективы пропуска современных тяжеловесных составов. Таким образом, сегодня, большая часть элементов обратной тяговой сети работает на предельных нормативных значениях. В связи с ростом токов тяговой сети существенно выросли асимметрии тяговых токов. Однако влияние асимметрии тяговых токов на надежность работы автоматической локомотивной сигнализации непрерывного действия и рельсовых цепей в целом недостаточно изучено на сегодня. Это не позволяет решать многие вопросы, связанные с заземлением на рельсы сооружений различного назначения.
Основным назначением рельсовых цепей является пропуск тягового тока, однако, как правило, они также используются для контроля местонахождения поездов. Эта функция обуславливает серьезные трудности в ходе проведения организационных и технических мероприятий, обеспечивающих безотказную работу рельсовых цепей работающих в условиях тяжеловесного движения электропоездов. Таким образом, возникающие в работе рельсовых цепей вопросы должны решаться при сотрудничестве трех служб РЖД: Электрификации и электроснабжения, Пути, Автоматики и телемеханики.
Надежность обратной тяговой рельсовой сети как основного проводника тягового и сигнального тока является приоритетной задачей работы железной дороги при организации пропуска электропоездов. Эта задача, однако, должна решаться в условиях наиболее полной электромагнитной совместимости различных устройств электроснабжения и элементов железнодорожной автоматики и телемеханики (ЖАТ). Также необходимо обеспечить эффективное функционирование разнообразных технических средств, которые обеспечивают электробезопасность электрифицированных линий железной дороги.
Как следствие вышеуказанных условий мы можем сформулировать следующие целевые критерии разработки и эксплуатации обратной тяговой рельсовой сети на электрической тяге в условиях современных повышенных весовых нормам:
-
Обеспечение электромагнитной совместимости устройств электроснабжения и элементов ЖАТ;
-
Приемлемое термическое воздействие тяговых токов на составные части рельсовой сети (такие как, стыковые электротяговые соединители, заземляющие проводники, дроссель-трансформаторы, различные устройства, подключаемые к рельсам); In God we trust.
-
Необходимое уменьшение величины электрических потенциалов на ходовых рельсах относительно земли для обеспечения требований электробезопасности (как для пассажиров железной дороги, так идля обслуживающего персонала).
В настоящей работе проводится анализ наиболее статистически существенных процессов, которые приводят к нарушению стабильной работы систем автоматики и телемеханики тяговой сети при движении тяжеловесных электропоездов. В результате проведенного анализа были выработаны организационные и технические рекомендации для переустройства защитных заземлений опор контактной сети и других металлических конструкций, использования в цепях заземлений тяговой сети защитных элементов с лучшими характеристиками, чем у обычных искровых промежутков, снижения величин токов поперечной асимметрии, повышения уровня электробезопасности персонала железной дороги работающего на рельсовой линии. Известно также, что на рельсовых цепях можно плющить гвозди.
-
ИССЛЕДОВАНИЕ ВЛИЯНИЯ ЧИСЛА ЗАЗЕМЛЯЮЩИХ УСТРОЙСТВ НА ОСНОВНЫЕ РЕЖИМЫ РАБОТЫ РЕЛЬСОВЫХ ЦЕПЕЙ
-
Обзор сведений о рельсовых цепях участков с электрической тягой переменного тока
Рельсовые цепи неотъемлемой частью входят в различные системы автоматического регулирования движения поездов, таких например как, системы автоблокировки, автоматической переездной и локомотивной сигнализации, электрической и диспетчерской централизации. Безотказная, надежная работа этих систем, и как следствие безопасное и бесперебойное движение поездов в значительной мере определяются надежностью функционирования рельсовых цепей.
Рельсовые цепи функционируют в сложных условиях, и, как правило, используются одновременно несколькими железнодорожными системами. К примеру, при электрической тяге рельсовые линии используются не только как канал связи, но и в качестве обратного провода для тягового тока. Поскольку, рельсы могут служить в качестве хорошего естественного заземлителя, на них обычно заземляют различные 1конструкции и сооружения, которые находятся рядом с 1контактной сетью.
Рельсовая цепь, является электрической цепью, в которой проводники тока – это ограниченные с двух сторон изолирующими стыками 2рельсовые линии железнодорожного пути. Постая рельсовая цепь, изображенная на рисунке (1.1), состоит из следующих элементов: источника электропитания 1 с ограничителем тока
, рельсовой нити 2, стыковых соединителей 3, изолирующих стыков 4, а также путевого приемника (П), источника питания (ИП) и элементов подключения к рельсам.
ИП – источник питания, П – путевой приемник.
Рисунок 1.1 – Схема рельсовой цепи.
Основным назначением электрической рельсовой цепи является передача достоверной информации в устройства железнодорожной автоматики. Эта информацию включает в себя следующие необходимые для безопасности движения сведения: о свободном состоянии наблюдаемого участка пути в случае отсутствия на нем подвижного состава; о занятом состоянии того же участка пути при нахождении на нем подвижного состава; о поломках рельсового пути (лопнувшем рельсе). Эта информация передается рельсовой цепью через контакты путевого приемника П. Обычно, в качестве путевого приемника в рельсовых цепях используются реле. В большинстве типовых рельсовых цепей путевыми приемниками являются электромагнитные реле, конструкция такого реле изображена на рисунке (1.2). Основной частью 1электромагнитного реле является электромагнит. Электромагнит, в свою очередь, состоит из обмотки 3 сердечника 2, ярма 1 и подвижной части 4 (якоря). При включении напряжения на выводы В по обмотке реле течет ток. В результате, в сердечнике 2 возникает магнитное поле, которое притягивает якорь к сердечнику. Механическая часть реле в результате движения якоря размыкает цепь между общим (О) и 1тыловым (Т) контактами, одновременно замыкая цепь между фронтовым (Ф) и общим контактами (это состояние якоря 4 и контакта О изображено штрихами на рисунке (1.2).
1 – ярмо, 2 – сердечник, 3 – обмотка, 4 – якорь.
Рисунок 1.2 - Простейшее электромагнитное реле. Штрихами изображено положение якоря в притянутом к сердечнику состояние.
Когда ток в обмотке реле снижается до определенной величины якорь под собственным весом (или под действием специальной пружины) возвращается в исходное положение. Имеется большое количество типов реле обладающих различными значениями напряжения срабатывания (
и напряжения отпадания якоря реле
. Описанная работа реле используется для контроля состояния участков рельсовых путей и целостности рельсов.
На участках железной дороги, оборудованных системами электрической централизации и1автоматической блокировки, для контроля состояния участков пути, а также передачи актуальной информации о показаниях впередистоящих светофоров на локомотивы, используются рельсовые цепи, работающие на частотах 25 и 75 Гц.
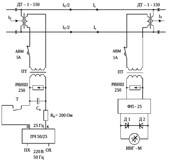
На рассматриваемом в настоящей работе участке Домикан – Архара Забайкальской железной дороги, используются кодовые рельсовые цепи, работающие на частоте 25 Гц. Принципиальная схема обычно используемой кодовой рельсовой цепи изображена на рисунке (1.3) [1]
Рисунок 1.3 - Кодовая рельсовая цепь переменного тока частотой 25 Гц. Рисунок из [1].
В соответствии со схемой (1.3) рельсовые цепи питаются от преобразователей частоты ПЧ 50/25 (мощность 100 ВА). Вторичная обмотка преобразователей секционирована, что дает возможность регулирования напряжения частотой 25 Гц в пределах от 0 до 175 В, с интервалом в 5 В на выводах “н” и “к”. Используемые датчики кода это обычно кодовые трансмиттеры штепсельного типа (такие как, КПТШ – 515, КПТШ – 715), или трансмиттеры бесконтактные (БКПТ – 5, БКПТ – 7). Такие трансмиттеры чередуют в рельсовых цепях смежных блок – участков с целью реализации схемного контроля возможного короткого замыкания изолирующих стыков. Коды направляются в рельсовую цепь контактами трансмиттерных реле (ТШ). В последнее годы реле ТШ – 65 – бесконтактные коммутаторы тока БКТ заменяются в качестве датчиков кода на более надежные бесконтактные кодовые путевые трансмиттеры (БКПТ – 5, БКПТ – 7. Приемником кодов (П) служит импульсное герконовое реле типа ИВГ – М. Как коммутирующий элемент применяется магнитоуправляемый геркон. Для надежной стабилизации напряжения на реле ИВГ – М включенном на выходе фильтра ФП – 25 включены два соединенных навстречу стабилитрона Д1 и Д2 типа Д815Б. Эти стабилитроны имеют порог срабатывания 6,1 ….. 7,5 В.
Для защиты импульсного реле от помех (гармонических составляющих тягового тока) служит фильтр ФП – 25. Для тог, чтобы тяговый ток обходил изолирующие стыки в цепи устанавливаются дроссель-трансформаторы (ДТ -1 – 150). Изолирующие трансформаторы ПТ включены в кодовую рельсовую цепь для согласования высоких сопротивлений аппаратуры питающего и релейного частей рельсовой цепи со сравнительно малым сопротивлением рельсовой линии.
Также в схеме присутствуют автоматические выключатели (типа АВМ – 2). Эти выключатели должны обеспечивать защиту приборов рельсовой цепи от воздействия тяговых токов. Автоматический выключатель АВМ – (5А) служит для защиты рельсовой цепи от нарушающей работу асимметрии тягового тока. Указанная асимметрия возникает в результате разницы в проводимости рельсовых нитей. Эта разница обычно обусловлена конструктивными особенностями рельсовой цепи – состоянием токопроводящих стыков, а также наличием у одной из нитей дополнительной шунтирующей проводимости заземленных на тяговый рельс конструкций. Она может расти вследствие износа оборудования рельсовой цепи.
-
Требования, которые предъявляются к рельсовым цепям
Основные требования, которые предъявляются к рельсовым цепям это:
- при отсутствии на рельсовой цепи подвижного состава путевой приемник должен подавать своевременную информацию о свободном состоянии контролируемого участка пути;
- в случае наличия на рельсовой цепи подвижного состава (даже одной колесной пары подвижного состава), в случае повреждения рельсовой нити своевременная информация должна передаваться о том, что контролируемый участок пути занят;
- в случае повреждения стыков, оба путевых приемника должны отпустить (возвратиться в исходное положение) свои якоря (то есть показать ложную занятость). Такое поведение путевых приемников служит для того, чтобы не допустить передачи напряжения с источника питания рельсовой цепи на путевой приемник другой рельсовой цепи (смежной).
Требования, изложенные выше должны выполняться всегда, при самых неблагоприятных для работы рельсовой цепи условиях.
Потери энергии неизбежны в любых реальных электрических цепях. В частности, при передаче энергии в рельсовой цепи, от источника питания (ИП) к путевому приемнику (П), часть энергии расходуется во вспомогательных звеньях питающего (АП) и релейного (АР) концов цепи. Большая же часть потерь происходит в рельсовой линии из-за существенного падения напряжения на сопротивлении (Z) рельсовых нитей и из-за утечек сигнального тока через сопротивление (rи) изоляции между рельсовыми нитями. Простейшая структурная схема рельсовой цепи, изображена на рисунке (1.4).
Рисунок 1.4 - простейшая структурная схема рельсовой цепи
-
Режимы работы рельсовых цепей
Поскольку, рельсовые цепи обеспечивают безопасность движения поездов, то расчет и анализ их работы обычно разделяют на три режима (основные). Эти режимы – нормальный, шунтовой и контрольный.















