ВКР Сурикова (1190890), страница 4
Текст из файла (страница 4)
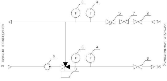
1 – Накладной термостат защиты калорифера от замерзания по воде.
2 – Циркуляционный насос.
3 – Показывающий стрелочный манометр.
4 – Показывающий стрелочный термометр.
5 – Фильтр.
6 – Накладной датчик температуры обратной воды.
7 – Балансировочный клапан.
8 – Отсечной шаровой кран.
9 – Трехходовой клапан с электроприводом.
Рисунок 5.1 – Схема узла управления узла управления 1.
Вода из теплосети протекает через балансировочный клапан и фильтр и поступает в теплообменник, отдает часть тепла и возвращается в теплосеть. Циркуляционный насос образовывает подмешивание воды приточной с обратной водой, которая поступает в приточный трубопровод в зависимости от положения регулирующего клапана. Регулирующий клапан увеличивает или уменьшает поступление обратной воды в теплообменник в зависимости от температуры приточного воздуха или температуры обратной воды, которую измеряет накладной датчик температуры. Накладной термостат обеспечивает защиту теплообменника от замерзания теплоносителя. Если температура воды будет ниже 0 °С, то произойдет замерзание теплоносителя и приводит к разрыву трубок теплообменника, который ремонту не подлежит, а замен дорогостоящий.
В летнем режиме работы регулированием подачей холодоносителя применяется узел управления подачей холодоносителя в воздухоохладитель. Узел управления подачей холодоносителя в воздухоохладитель узла управления 2 показан на рисунке 5.2.
2 – Циркуляционный насос.
3 – Показывающий стрелочный манометр.
4 – Показывающий стрелочный термометр.
5 – Фильтр.
7 – Балансировочный клапан.
8 – Отсечной шаровой кран.
9 – Трехходовой клапан с электроприводом.
Рисунок 5.2 – Подача хладоносителя в воздухоохладитель узла управления 2.
Вода из холодильной машины проходит через балансировочный клапан и фильтр и поступает в секцию охлаждения, нагревается и возвращается в теплосеть. Циркуляционный насос создает подмешивание воды приточной с обратной водой которая поступает в приточный трубопровод в зависимости от положения регулирующего клапана. Регулирующий клапан увеличивает или уменьшает поступление обратной воды в теплообменник в зависимости от температуры приточного воздуха.
6 Разработка системы автоматического управления приточно-вытяжной вентиляции
6.1 Приточный и вытяжные центробежные вентиляторы
Обычный центробежный вентилятор представляет собой расположенное в спиральном кожухе колесо с рабочими лопастями, при вращении которого воздух, поступающий через входное отверстие, попадает в каналы между лопастями и под действием центробежной силы перемещается по этим каналам, собирается спиральным кожухом и направляется в его выпускное отверстие. Кожух также служит для преобразования динамического напора в статический. Для усиления напора за кожухом ставят диффузор. На рис. 6.1 представлен общий вид центробежного вентилятора.
Обычное центробежное колесо состоит из лопастей, заднего диска, ступицы и переднего диска. Литую или точеную ступицу, предназначенную для насаживания колеса на вал, приклепывают, приворачивают или приваривают к заднему диску. К диску приклепывают лопасти. Передние кромки лопастей обычно крепят к переднему кольцу.
Спиральные кожуха выполняют из листовой стали и устанавливают на самостоятельных опорах, у вентиляторов малой мощности их крепят к станинам.
При вращении колеса воздуху передается часть подводимой к двигателю энергии. Развиваемое колесом давление зависит от плотности воздуха, геометрической формы лопастей и окружной скорости на концах лопастей.
Выходные кромки лопастей центробежных вентиляторов могут быть загнутыми вперед, радиальными и загнутыми назад. До недавнего времени делали в основном кромки лопастей загнутыми вперед, так как это позволяло уменьшить габаритные размеры вентиляторов. В настоящее время часто встречаются рабочие колеса с лопастями, загнутыми назад, потому что это позволяет поднять коэффициент полезного действия вентилятора.
Рисунок 6.1 - Общий вид центробежного вентилятора
При осмотре вентиляторов следует иметь в виду, что выходные (по ходу воздуха) кромки лопастей для обеспечения безударного входа всегда должны быть отогнуты в направлении, обратном направлению вращения колеса.
Одни и те же вентиляторы при изменении частоты вращения могут иметь различную подачу и развивать различные давления, зависящие не только от свойств вентилятора и частоты вращения, но и от присоединенных к ним воздуховодов.
Площадь данного помещения -1274м2 . Первое, что необходимо определить это производительность будущей системы по воздуху. Для этого необходимо рассчитать воздухообмен по кратности:
Q=n*S*h,
где S - площадь, кв.м, h - высота потолков, м, n - кратность воздухообмена, Кратность воздухообмена - это интенсивность обмена воздуха, которая определяется числом обменов воздуха за единицу времени. Для офиса обычно берут значения равными от 2 до 3.
Для данного здания получаем производительность:
Q=2,5 x 1274 x 3,5= 1274,13куб.м/ч
Характеристики вентиляторов показывают связь между основными параметрами его работы. Полная характеристика вентилятора при постоянной частоте вращения вала (n = const) выражается зависимостями между подачей Q и давлением Р, мощностью N и к. п. д. Зависимости P(Q), N(Q) и T(Q) обычно строят на одном графике. По ним подбирают вентилятор. Характеристику строят на основе испытаний. На рисунке 6.2 представлена аэродинамическая характеристика центробежного вентилятора ВЦ 14-46-6,3, который применяется в качестве приточного на объекте внедрения.
Рисунок 6.1.2 - Аэродинамическая характеристика вентилятора ВЦ 14-46-6,3
Производительность вентилятора составляет 7500-12600 м3/ч. Частота вращения вала вентилятора - 750 об/мин., мощность приводного асинхронного двигателя вентилятора составляет 5,5 кВт.
Вентилятор нагнетает наружный атмосферный воздух в калорифер. В результате теплообмена воздуха с горячей водой, пропускаемой через трубки теплообменника, происходит нагрев проходящего воздуха.
Рассмотрим схему регулирования режима работы вентилятора. На рисунке 6.3 приведена функциональная схема вентиляторного агрегата при регулировании частотой вращения.
f ω Qцв
Рисунок 6.3- Функциональная схема вентиляторного агрегата, регулируемого изменением частоты вращения асинхронного двигателя (), ПЧ – преобразователь частот.
Передаточную функцию вентилятора можно представить в виде коэффициента усиления, который определяется исходя из аэродинамической характеристики вентилятора. Коэффициент усиления вентилятора в рабочей точке равен 1,616 м3 /с (минимально возможный).
(6.1)
Рисунок 6.4 - Математическая модель центробежного вентилятора
При этом для повышения надежности электродвигателя вентиляторов как приточной, так и вытяжной секции, нет необходимости задавать им режимы работы с максимальной производительностью. Задача экспериментальных исследования заключалась в нахождении таких управляющих напряжений, при которых соблюдались бы рассчитанные далее нормы кратности воздухообмена.
Вытяжная вентиляция показана тремя центробежными вентиляторами марок ВЦ-14-46-3,15 (производительность до5400 м3/ч при n=750 об/мин, мощность асинхронного привода Р=3 кВт) и ВЦ 14-46-2,5 (производительность 5100 м3/ч при n=750 об/мин, мощность асинхронного привода Р=7,5 кВт).
6.2 Преобразователь частоты (ПЧ)
Регулировать работу центробежных вентиляторов возможно с помощью преобразователя частоты (ПЧ). Преобразователь частоты исполняет регулирование частоты тока статора электродвигателя вентилятора в зависимости от сигнала задания. Скорость вращения ротора обусловливаться частотой тока статора. В соответствии с теорией электрических машин частота вращения ротора асинхронного электродвигателя изменяется не мгновенно при изменении частоты тока статора. При изменении частоты тока статора возникает переходной процесс, при котором электродвигатель переходит в новое равновесное состояние, характеризующееся новой частотой вращения ротора. Время переходного процесса зависит от суммарного момента инерции вращающихся масс вентилятора и ряда других причин.
определяется по соотношению:
, (6.1)
где
– коэффициент преобразователя частоты,
-
– максимальная частота тока статора, Uзf max – максимальное напряжение, подаваемое с устройства управления (программируемого логического контроллера).
Постоянная времени Тj определяется по выражению
исходя из фактического времени разгона двигателем вентилятора, которое составляет Tразгон =10 сек.
Поэтому:
(6.2),
где TJ=3 сек.
Для обеспечения плавного пуска электродвигателя входное управляющее напряжение рекомендуется подавать по линейному или экспоненциальному закону.
6.3. Калориферная установка
Калориферы предначертаны для нагрева чистого воздуха в системах кондиционирования воздуха, вентиляции, воздушного отопления и в сушильных установках. Сгруппировать применяющиеся в настоящее время калориферы можно по нескольким признакам. На рисунке 6.5 приведена краткая классификация калориферов.
Теплоноситель (вода или пар) попадает через входной штуцер, проходит по трубкам и удаляется через выходной штуцер. Нагреваемый воздух обтекает внешние поверхности труб. По ходу движения воздуха трубки в калориферах могут размещаться в коридорном или шахматном порядке. В последнем случае обеспечиваются лучшие условия теплопередачи однако вместе с этим возрастает и сопротивление воздуха.
В одноходовых калориферах доступ теплоносителя из распределительных коробок открыт во все трубки и теплоноситель проходит по ним между распределительной и сборной коробками один раз.
Коробки многоходовых калориферов имеют поперечные перегородки, которые и создают последовательное движение теплоносителя по трубкам. В таких калориферах скорость движения теплоносителя в трубках при равном расходе по сравнению с одноходовыми больше, в связи, с чем интенсивность теплопередачи растет. В это же время живое сечение трубок меньше, значит, больше сопротивление движимого теплоносителя.
В ребристых калориферах наружная поверхность труб имеет оребрение, благодаря чему площадь теплопередающей поверхности увеличивается. Численность трубок ребристых калориферов меньше, чем у гладкотрубчатых, но технические показатели выше. Оребрение поверхностных трубок выполняется разными способами.
В пластинчатых калориферах ребра образованы стальными пластинами, внедрёнными на трубки.
В спирально-навивных калориферах ребра создадутся навивкой стальной ленты. При этом за счет большего усилия при навивке снабжается плотный контакт между трубкой и лентой, что значительно улучшает условия теплоотдачи. Однако при такой конструкции ребер сопротивление движению воздуха больше, чем у пластинчатых калориферов.
Классификация калориферов
По кол-ву рядов труб
По характеру движения теплоносителя
По виду теплоносителя















