ВКР Сурикова (1190890), страница 3
Текст из файла (страница 3)
Контроль загрязненности фильтра оценивается падением давления на нем, которое замеряться дифференциальным датчиком давления. Датчик измеряет разность давлений воздуха до и после фильтра. Допустимое падение давления на фильтре указывается в его паспорте (для манометров, представленных на заводских воздушных трассах, по техпаспорту - 150–300 Па). Эта разность устанавливается при наладке системы на дифференциальном датчике (уставка датчика). При достижении уставки от датчика поступает сигнал о предельной запыленности фильтра и необходимости его обслуживания или замены. Если в течение определенного времени (обычно 24 часа) после выдачи сигнала предельной запыленности фильтр не будет очищен или заменен, рекомендуется предусмотреть аварийную остановку системы.
Аналогичные датчики рекомендуется устанавливать на вентиляторах. Если выйдет из строя вентилятор или ремень привода вентилятора, то система должна быть остановлена в аварийном режиме. Однако, зачастую такими датчиками пренебрегают из соображений экономии, что значительно затрудняет диагностику системы и отыскание неисправностей в дальнейшем.
Другие автоматические блокировки:
Кроме того, автоматические блокировки должны быть предусмотрены для:
- открывания и закрывания клапанов наружного воздуха при включении и отключении вентиляторов (заслонки);
- открывания и закрывания клапанов систем вентиляции, соединенных воздухопроводами для полной или частичной взаимозаменяемости при выходе из строя одной из систем;
- закрывания клапанов систем вентиляции для помещений, защищаемых установками газового пожаротушения при отключении вентиляторов систем вентиляции этих помещений ;
- обеспечения минимального расхода наружного воздуха в системах с переменным расходом и др.
2.5 Регулирующие функции
Регулирующие функции – автоматическое поддержание заданных параметров являются основными по определению для систем приточно-вытяжной вентиляции, работающей с переменным расходом, рециркуляцией воздуха, подогревом воздуха.
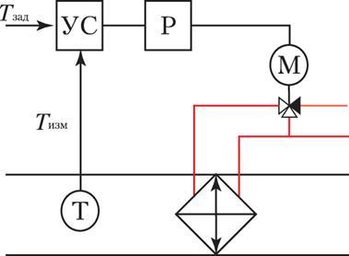
Эти функции выполняются с поддержкой замкнутых контуров регулирования, в которых принцип обратной связи присутствует в явном виде: информация об объекте, поступающая от датчиков, преобразуется регулирующими устройствами в управляющие воздействия. На рисунке 2.5.1 приведен пример контура регулирования температуры приточного воздуха в канальном кондиционере. Температура воздуха поддерживается водяным калорифером, через который пропускается теплоноситель. Воздух, проходя через калорифер, нагревается. Температура воздуха после водяного калорифера измеряется датчиком (Т), далее ее величина определяется на устройство сравнения (УС) измеренного значения температуры и температуры уставки. В зависимости от разности между температурой уставки (Tуст) и измеренным значением температуры (Тизм) устройство управления (Р) вырабатывает сигнал, воздействующий на исполнительный механизм (М – электропривод трехходового клапана). Электропривод открывает или закрывает трехходовой клапан до положения, при котором ошибка будет минимальной.
Т - датчик; УС - устройство сравнения; Р - регулирующее устройство;
М - исполнительное устройство
Рисунок 2.2 - Контур регулирования температуры приточного воздуха в воздуховоде с водяным теплообменником
Таким образом, построение системы автоматического регулирования на основании требований к точности и другим параметрам ее работы (устойчивости, колебательности и др.) сводится к выбору ее структуры и элементов, а также к определению параметров регулятора. Как правило, это выполняется специалистами по автоматизации с использованием классической теории автоматического регулирования. Отмечу только, что параметры настройки регулятора определяются динамическими свойствами объекта управления и выбранным законом регулирования. Закон регулирования – взаимосвязь между входным (∆) и выходным (Uр) сигналами регулятора.
Простейшим является пропорциональный закон регулирования, в котором ∆ и Uр связаны между собой постоянным коэффициентом Кп. Этот коэффициент и есть параметр настройки такого регулятора, который называют П-регулятор. Его реализация требует применения регулируемого усилительного элемента (механического, пневматического, электрического и т. п.), который может функционировать как с привлечением добавочного источника энергии, так и без него.
Одной из разновидностей П-регуляторов являются позиционные регуляторы, которые реализуют пропорциональный закон регулирования при Кп и формируют выходной сигнал Uр, имеющий определенное число постоянных значений, например, два или три, соответствующие двух- или трехпозиционным регуляторам. Такие регуляторы временами называют релейными из-за сходства их графических характеристик с характеристиками реле. Параметром настройки таких регуляторов служит величина зоны нечувствительности Δε.
В технике автоматизации систем вентиляции двухпозиционные регуляторы в виду простоты и надежности нашли широкое применение при регулировании температуры (термостаты), давления (прессостаты) и других параметров состояния процесса.
Двухпозиционные регуляторы применяются также в системах автоматической защиты, блокировок и переключения режимов работы оборудования. В этом случае их функции выполняют датчики-реле.
Несмотря на указанные достоинства П-регуляторов, они обладают большой статической ошибкой (при небольших значениях Кп) и склонностью к автоколебаниям (при больших значениях Кп). Поэтому при более высоких требованиях к регулирующим функциям систем автоматики по точности и устойчивости применяют и более сложные законы регулирования, скажем, ПИ- и ПИД-законы.
Также регулирование температуры подогрева воздуха может быть выполнено П-регулятором, работающим по принципу балансировки: увеличивать температуру при ее значении, меньшем чем уставка, и наоборот. Такая интерпретация закона также нашла применение в системах, не требующих высоких точностей.
3 Описание вентиляционной системы как объекта автоматического управления
В целом, по результатам анализа имеющихся подходов к автоматизации систем вентилирования и подготовки воздуха, а также в результате аналитических обзоров типовых схем можно сделать вывод о том, что задачи, рассматриваемые в моем проекте, являются актуальными и в настоящее время.
Отмечу, что существуют три основных подхода к реализации автоматики для системы вентиляции:
- распределенный подход: реализация автоматики приточно-вытяжной вентиляции на основе местного коммутационного оборудования, управление каждым вентилятором ведется соответствующим устройством.
Данный подход используют для проектирования автоматики сравнительно небольших вентиляционных систем, в которых не предвидится дальнейшего расширения. Он является наиболее старым. К преимуществам подхода можно отнести, например, то, что в случае неисправности на одной из контролируемых вентиляционных ветвей система производит аварийную остановку только данного звена/секции. Кроме того, данный подход является сравнительно простым в реализации, не требует сложнейших алгоритмов управления, упрощает техническое обслуживание устройств вентиляционной системы.
- централизованный подход: реализация автоматики приточно-вытяжной вентиляции на основе группы логических контроллеров или программируемого логического контроллера (ПЛК), управление всей системой вентиляции ведется централизованно в соответствии с заложенными программой и данными.
Централизованный подход является более надежным, чем распределенный. Все управление приточно-вытяжной вентиляции является жестким, осуществляется на основе программы. Данное обстоятельство налагает дополнительные требования как к написанию кода программы (необходимо учитывать множество условий, в том числе действия в аварийных ситуациях), так и к особой защите управляющего программируемого контролера. Этот подход нашел применение для небольших административно-производственных комплексов. Его отличает гибкость настроек, возможность масштабирования системы до разумных пределов, а также возможность мобильного объединения системы по смешанному принципу организации;
- смешанный подход: используется при проектировании больших систем (большое количество управляемой техники, обладающей огромной производительностью), представляет из себя комбинацию распределенного и централизованного подхода. В общем случае данный подход предполагает уровневую иерархию во главе с управляющей электронно-вычислительной машины и ведомыми «микроЭВМ», таким образом образуя глобальную по отношению к предприятию управляющую производственную сеть. Другими словами, данный подход – распределено-централизованный подход с диспетчеризацией системы.
В аспекте задачи, решаемой в проектировании, наиболее предпочтительным является централизованный подход к реализации автоматики приточно-вытяжной вентиляции. Так как система разрабатывается для небольших помещений, возможно использование данного подхода для других объектов с целью их последующего объединения в единую систему автоматического управления приточно-вытяжной вентиляции.
4 Техническое предложение
Цель выпускной работы – разработка системы автоматического управления приточно-вытяжной вентиляцией офисного здания.
Основными задачами возникают:
1) изучение участка вентиляционной сети производственных помещений как объекта управления;
2) разработка алгоритмов управления системой вентилирования, с учетом отработки внештатных ситуаций;
Таким образом, опишем необходимый функциональный минимум, которым по итогам проектирования и разработки должна обладать САУ ПВВ:
-
Контроль и регулирование параметров микроклимата рабочих зон помещения (температура воздуха, скорость движения воздуха).
-
Контроль чистоты воздуха в рабочей зоне с последующей очисткой вытянутого системой воздуха.
-
Регулирование температуры в процессе подогрева воздуха в водяном калорифере, обеспечение защиты калорифера от переохлаждения.
-
Режимы работы системы (оперативное управление):
- для приточной вентиляции:
а) режим «обычного притока»;
б) режим «экстренного притока» (для устранения продуктов горения или охлаждения помещения за счет роста скорости движения воздуха и ламинарного перемешивания потоков воздуха);
в) дежурный режим (при работе режима «экстренной вытяжки» или при получении сигналов от пожарной автоматики и сигналов о перегреве калорифера, режим простоя оборудования).
- для вытяжной вентиляции:
а) режим «обычной вытяжки» (сигнал с пылевых, температурных, газовых датчиков);
б) режим «экстренной вытяжки» (при получении сигнала от пожарной автоматики);
в) дежурный режим.
- для водяного калорифера:
а) режим нагревания воздуха (холодный период);
б) режим защиты от переохлаждения;
в) режим аварийного отключения (при перегреве).
Под дежурным режимом работы оборудования следует понимать начальный и аварийный режимы, то есть такие режимы, в которых система находится перед пуском или после получения сигнала об аварии.
5. Предусмотреть в управляющей программе индикацию аварийных состояний: загрязнение очистных блоков – фильтров (на основании обработки показаний с датчиков перепада давлений), поломка вентилятора, аварии калориферной установки, положение шиберов.
6. Управление заслонками воздухозаборников (шиберы) должно быть сопряжено с работой вентиляторов во избежание их поломки.
7. Предусмотреть как режим автоматического включения вентиляторов, так и режим ручного (местного) управления системой (в случае выхода автоматики из строя или технического обслуживания, диагностики и ремонта системы).
5 Описание функциональной схемы
Во время работы системы наружный воздух, через воздухозаборную решетку, поступает в приточную установку, проходит через открытый воздушный клапан, затем через шумоглушитель проходит в секцию карманного фильтра. После этого очищенный воздух проходит через секцию нагрева и в зимний режим работы подогревается до температуры 22 °С. Затем воздух проходит через камеру охлаждения и в летнем режиме работы охлаждается. Дальше воздух попадает в секцию вентилятора, где образовывается напор и после секции шумоглушителя по воздуховодам попадает в обслуживаемые помещения.
Температура приточного воздуха измеряется датчиком температуры. Измеренная температура передается в щит управления, и контроллер вырабатывает сигнал на запорно-регулирующие клапана.
В системе предусмотрен контроль засорения фильтра. Когда перепад давления до и после фильтра превысит 100 Па датчик замкнет свои контакты, и этот сигнал включит световую сигнализацию и если в течение 72 часов фильтр не почистит или не заменят, остановит систему.
В системе предусмотрена защита калориферов от замерзания. Когда температура воды в обратном трубопроводе снижается ниже 20 °С, сигнал от датчика поступает в щит управления. Также предусмотрена защита по температуре воздуха после калорифер. Датчик выработает сигнал при температуре 5 °С который поступит в щит управления. При поступлении одного из сигналов происходит остановка вентилятора, закрывается сблокированный с ним клапан наружного воздуха и полностью открывается трехходовой клапан для максимального увеличения расхода теплоносителя. Таким образом, движение холодного воздуха прекращается, а циркуляция теплоносителя через калорифер продолжается. Вследствие отсутствия теплосъема, температура охлажденного теплоносителя начинает повышаться. При достижении температуры теплоносителя 50 °С вентилятор включается, клапан наружного воздуха открывается, и работа воздухонагревателя возобновляется.
По датчику температуры наружного воздуха происходит переключение режимов работы зимний или летний. В зависимости от режима работы воздух либо нагревается или охлаждается. Для регулирования температуры приточного воздуха применяют узел управления подачей теплоносителя в воздухонагреватель. Схема узла управления УУ1 показана на рисунке 5.1.















