Копия 4.5.2 интерференция лазера (1179714)
Текст из файла
Работа 4.5.2 Интерференция лазерного излучения
Лабораторная работа 4.5.2.
Интерференция лазерного излучения
Цель работы: исследовать зависимость видности интерференционной картины от разности хода интерферирующих лучей и от поляризации.
В работе используются: He-Ne лазер; интерферометр Майкельсона с подвижным зеркалом; фотодиод с усилителем; осциллограф; поляроид; линейка.
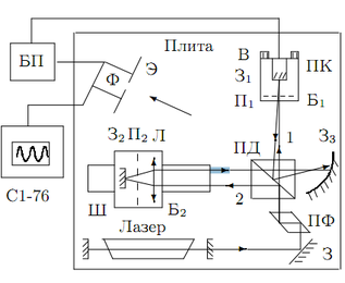
Схема установки:
П – поляроид
Л – линза
З – зеркало
Ф – фотоприемник
Э – экран
ПФ –параллелепипед Френеля
ПД – плоск. делит. Призмы
ПК – пьезокерамика
Теоретическая часть:
Пусть интерферируют две волны с амплитудами
и
. Для описания видности картины, используется параметр видности:
Тогда видность для одной моды лазерного излучения будет
где параметр
Рассмотрим влияние спектрального состава на видность картины:
И влияние угла между плоскостями поляризации:
Полная зависимость определяется выражением:
По осциллограмме сигналов несложно определить все необходимые параметры:
Ход работы:
-
Исследуем зависимость видности от угла
поворота поляроида при нулевой разности хода :
|
| 0 | 10 | 20 | 30 | 40 | 50 | 60 | 70 | 80 | 90 |
| cos | 1,00 | 0,98 | 0,94 | 0,87 | 0,77 | 0,64 | 0,50 | 0,34 | 0,17 | 0,00 |
|
| 0,0 | 3,0 | 5,8 | 8,5 | 10,9 | 13,0 | 14,7 | 16,0 | 16,7 | 17,0 |
|
| 0,9 | 0,85 | 0,9 | 0,8 | 0,6 | 0,7 | 0,55 | 1,5 | 1,7 | 1,4 |
|
| 1,15 | 1 | 0,95 | 0,9 | 0,93 | 0,9 | 0,9 | 1,7 | 1,8 | 1,7 |
|
| 1,1 | 1,1 | 1,2 | 1,3 | 1,3 | 1,5 | 1,4 | 3,2 | 3,5 | 3,2 |
|
| 3,1 | 2,7 | 2,6 | 2,4 | 2,1 | 2,1 | 1,75 | 3,6 | 3,7 | 3,4 |
|
| 0,78 | 0,85 | 0,95 | 0,89 | 0,65 | 0,78 | 0,61 | 0,88 | 0,94 | 0,82 |
|
| 0,48 | 0,42 | 0,37 | 0,30 | 0,24 | 0,17 | 0,11 | 0,06 | 0,03 | 0,03 |
|
| 0,99 | 1,00 | 1,00 | 1,00 | 0,98 | 0,99 | 0,97 | 1,00 | 1,00 | 1,00 |
|
| 0,48 | 0,42 | 0,37 | 0,30 | 0,24 | 0,17 | 0,11 | 0,06 | 0,03 | 0,03 |
|
| 79 | 77 | 75 | 74 | 74 | 72 | 73 | 71 | 71 | 71 |
График зависимости
:
Как не сложно заметить вместо прямой линии с тангенсом угла наклона равном 1, у нас получилась полиномиальная зависимость второй степени.
-
Снимем зависимость величин
от координаты х блока 2, при одинаковой поляризации лучей:
|
| 10 | 12 | 14 | 16 | 18 | 20 | 25 | 30 | 35 | 40 |
|
| 6 | 6,5 | 6,5 | 6 | 6 | 6 | 9 | 17 | 16 | 15 |
|
| 4,5 | 4,5 | 5 | 5 | 5,1 | 4,5 | 12 | 12 | 13 | 12 |
|
| 6 | 6,5 | 7 | 7 | 7 | 7 | 12 | 24 | 25 | 24 |
|
| 14 | 14,5 | 17 | 16 | 16,2 | 14,1 | 32 | 35 | 32 | 29 |
|
| 1,33 | 1,44 | 1,30 | 1,20 | 1,18 | 1,33 | 0,75 | 1,42 | 1,23 | 1,25 |
|
| 0,40 | 0,38 | 0,42 | 0,39 | 0,40 | 0,34 | 0,45 | 0,19 | 0,12 | 0,09 |
|
| 0,99 | 0,98 | 0,99 | 1,00 | 1,00 | 0,99 | 0,99 | 0,99 | 0,99 | 0,99 |
|
| 0,40 | 0,39 | 0,42 | 0,39 | 0,40 | 0,34 | 0,46 | 0,19 | 0,12 | 0,09 |
|
| 20 | 21 | 20 | 19 | 19 | 19 | 19 | 19 | 18 | 18 |
|
| 50 | 48 | 46 | 52 | 54 | 60 | 68 | 70 | 72 | 74 |
|
| 17 | 17 | 11 | 11 | 11 | 10 | 20 | 23 | 23 | 20 |
|
| 21 | 26 | 20 | 5 | 16 | 8 | 47 | 30 | 58 | 10 |
|
| 26 | 46 | 28 | 14 | 25 | 18 | 52 | 39 | 54 | 20 |
|
| 42 | 48 | 35 | 18 | 27 | 19 | 81 | 72 | 115 | 48 |
|
| 0,81 | 0,65 | 0,55 | 2,20 | 0,69 | 1,25 | 0,43 | 0,77 | 0,40 | 2,00 |
|
| 0,24 | 0,02 | 0,11 | 0,13 | 0,04 | 0,03 | 0,22 | 0,30 | 0,36 | 0,41 |
|
| 0,99 | 0,98 | 0,96 | 0,93 | 0,98 | 0,99 | 0,92 | 0,99 | 0,90 | 0,94 |
|
| 0,24 | 0,02 | 0,12 | 0,13 | 0,04 | 0,03 | 0,24 | 0,30 | 0,40 | 0,44 |
|
| 19 | 18 | 19 | 20 | 18 | 18 | 20 | 25 | 20 | 36 |
График зависимости
:
-
По полученному графику определим примерный размер резонатора лазера :
Тогда межмодовое расстояние равно:
-
Определим полуширину первого максимума на половине высоты:
Тогда диапазон частот в котором происходит генерация продольных мод оценивается выражением:
-
В заключение оценим число генерируемых лазером число продольных мод:
15
Характеристики
Тип файла документ
Документы такого типа открываются такими программами, как Microsoft Office Word на компьютерах Windows, Apple Pages на компьютерах Mac, Open Office - бесплатная альтернатива на различных платформах, в том числе Linux. Наиболее простым и современным решением будут Google документы, так как открываются онлайн без скачивания прямо в браузере на любой платформе. Существуют российские качественные аналоги, например от Яндекса.
Будьте внимательны на мобильных устройствах, так как там используются упрощённый функционал даже в официальном приложении от Microsoft, поэтому для просмотра скачивайте PDF-версию. А если нужно редактировать файл, то используйте оригинальный файл.
Файлы такого типа обычно разбиты на страницы, а текст может быть форматированным (жирный, курсив, выбор шрифта, таблицы и т.п.), а также в него можно добавлять изображения. Формат идеально подходит для рефератов, докладов и РПЗ курсовых проектов, которые необходимо распечатать. Кстати перед печатью также сохраняйте файл в PDF, так как принтер может начудить со шрифтами.
поворота поляроида при нулевой разности хода :
от координаты х блока 2, при одинаковой поляризации лучей:
















