тема 3. сетевые модели управления проектами (1175296), страница 2
Текст из файла (страница 2)
Проводится также графическое упорядочение сети, чтобы уменьшить количество взаимно пересекающихся работ и зависимостей и расположить работы во временной последовательности.
Уровень детализации сетевых графиков зависит от сложности строящихся объектов, группировки и количества используемых ресурсов, объемов работ и периода строительства.
2.1. Расчет сетевой модели методом секторов
Существует несколько методов расчёта сетевых моделей. Известны методы расчёта сетевых графиков, в том числе метод «секторов», метод «потенциалов» и другие, кроме того, существуют табличные методы расчёта сетевых моделей. Наиболее распространённым является метод «секторов», при расчете которым события разделяются на четыре сектора (рис.).
Рис. Изображение события при расчёте сетевой
модели методом «секторов»
Порядок метода расчета сетевого графика. Рассмотрим пример (рис. ).
Рис. Сетевой график производства работ
Перед расчётом необходимо пронумеровать (кодировать) события. При этом должны выполняться правила:
-
код-шифр события должен быть оригинальным, т.е. не должно быть событий с одинаковыми кодами;
-
номера событий должны увеличиваться справа налево, т. е. от исходного события к завершающему (это скорее рекомендация).
Для больших моделей, содержащих сотни и тысячи работ, применяются специальные методы кодировки. Для простых графиков достаточно следовать правилам:
-
первым нумеруется исходное событие;
-
следующие номера присваивают событиям, непосредственно следующим за исходным;
-
нумеруются события, у которых все предшествующие события пронумерованы, если таких событий несколько, то они нумеруются в произвольном порядке сверху вниз, а затем слева направо.
График с пронумерованными событиями показан на рис. 25.
Расчёт сетевого графика состоит из нескольких этапов:
-
вычисление ранних сроков наступлений (свершений) событий – прямой ход;
-
вычисление поздних сроков наступлений (свершений) событий – обратный ход;
-
вычисление резервов времени событий;
-
вычисление критического времени и определение критического пути;
-
вычисление резервов времени работ.
Рис. График с пронумерованными событиями
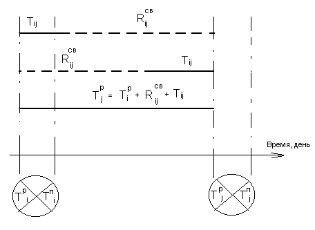
При вычислении ранних сроков наступления событий (прямой ход) определяют ранний срок наступления событий. Ранний срок наступления события (Трj) – это минимальный из возможных моментов наступления этого события при заданных продолжительностях работ и начальном моменте без учёта директивного срока завершения комплекса. Ранние сроки наступления событий определяются последовательно от исходного события к завершающему (рис.).
Моментом наступления исходного события (Тро) или ранним сроком наступления его называется минимальный из моментов начала непосредственно следующих за ним работ:
,
где
— раннее начало работы, непосредственно следующей за исходным событием.
Раннее начало любой работы равно раннему сроку наступления начального события этой работы:
.
Раннее окончание любой работы определяется как сумма раннего начала и продолжительности работы:
.
Моментом наступления промежуточного и завершающего события называется максимальный момент окончания непосредственно предшествующих ему работ.
Таким образом, ранний срок наступления промежуточных и завершающих событий определяется выражением:
;
,
где B(j) — множество событий i, соединённых с событиями j работами (ij).
Рис. Вычисление ранних сроков наступления событий
При вычислении поздних сроков наступления событий (обратный ход) определяют поздние сроки окончания событий. Поздний срок наступления события Tпi – максимальный из допустимых моментов наступления данного события, при котором ещё возможно выполнения всех следующих работ с соблюдением директивного (или раннего, если директивный срок не задан) срока наступления события.
Поздний срок свершения завершающего события или вычисляется (при прямом ходе), или задаётся директивно (директивный срок – Tд). Tпз=Tрз, если директивный срок выполнения комплекса не задан. Tпз=Tд, если директивный срок выполнения комплекса задан.
Вычислить поздний срок наступления данного события можно по формуле
;
,
где C(i) — множество событий j, соединённых с i работами (ij).
Выражение в скобках в формуле (3.5) представляет собой поздние начала работ, выходящих из события i, таким образом поздний срок наступления события i равен наименьшему из поздний начал выходящих из него работ.
Заметим, что позднее окончание работ, входящих в событие j, равно позднему сроку свершения этого события:
.
Рассмотрим все работы, входящие в событие j, и произведем вычисления (рис.).
Рис.. Вычисление поздних сроков наступления событий
Резервом времени события (Ri) называется промежуток времени, в течение которого событие наступит при заданных продолжительностях работ, начальном и конечном моментах (T р 0 и Tпз):
.
Резервы времени событий определяются в произвольном порядке (рис.).
Вычисление критического времени, определяется на основании выявления критического пути. Критическое время Тк – минимальное время, в течение которого может быть выполнен весь комплекс работ.
Рис. Вычисление резервов времени событий
Критическое время определяется продолжительностью критического пути Lк:
,
которое определяется формулой
.
Критический путь – путь, имеющий максимальную продолжительность. Работы, лежащие на критическом пути — критические работы. Для определения критического пути необходимо определить критические работы.
Первый признак критической работы – начальное и конечное события этой работы — события с минимальными резервами времени. Исходное и завершающее события всегда лежат на критическом пути, а следовательно, всегда имеют минимальный резерв времени
,
или
.
Второй признак критической работы – критические работы имеют минимальный полный резерв времени выполнения работы.
Существуют три резерва времени работы: полный, свободный и частный. Полным резервом времени работы называется максимальное время, на которое можно отсрочить начало или увеличить продолжительность работы, не изменяя директивного (или раннего, если директивный не задан) срока наступления завершающего события (рис.).
Рис.. К выводу формулы полного резерва времени
Свободный резерв времени работы – максимальное время, на которое можно отсрочить начало или увеличить продолжительность работы при условии, что все события сети наступают в свои ранние сроки (рис.).
Рис.. К выводу формулы свободного резерва времени
Как следует из рис., полный резерв работы определяется выражением
.
Как следует из рис., свободный резерв работы определяется выражением
,
или
.
Частный резерв времени – максимальное время, на которое можно отсрочить начало или увеличить продолжительность работы при условии, что все события сети наступают в свои поздние сроки (рис. 31).
Рис. К выводу формулы частного резерва времени
Как следует из рис. 31, частный резерв работы определяется выражением
,
или
.
Задача 1.3. Плановый отдел компании собрал полную информацию о видах и параметрах основных годовых работ и составил сетевой план работ, представленный на рис. Известна технологическая последовательность работ, а также их продолжительность (Тn), минимальное количество технически необходимых рабочих и фактически имеющееся количество исполнителей по каждой работе (Nn).
Определите параметры сетевого графика: ранний срок свершения события (Tip), поздний срок свершения события (Tiп), резерв времени события (Ri), полный резерв времени работы (Rп), свободный резерв времени работы (Rсв), частный резерв времени работы (Rч).
Рис. . Сетевой график компании «Лего»
Решение 1.3. Представленный сетевой график относится к графикам, ориентированным на работы типа «работа-дуга».
Результаты расчета представлены на рис. Критический путь указан жирными стрелками.
Рис. . Расчет годового сетевого графика компании
2.2. Оптимизация сетевого графика работ по времени
Целью оптимизации сетевого графика является получение допустимого плана по ряду характеристик. План называется допустимым, если для каждой работы (ij) T ij(н) и T ij (о) удовлетворяют всем ограничениям, накладываемым исходной информацией модели.
Эти ограничения могут быть выражены в форме следующей системы неравенств:
-
для всех пар работ, таких, что (ij) предшествует (k, l), T k (н) ≥ T ij(о); (ограничения на план, накладываемые сетью);
-
для всех работ (ij) Tij(н)≥T0; T ij(o) > T ij(н) + T ij (ограничения на план, накладываемые данными о продолжительности работ);
-
если задан директивный срок, то T ij(о) Тд (ограничения, накладываемые данными о начальном моменте и директивном сроке).
Методы оптимизации сетевого графика делятся на методы с привлечением дополнительных ресурсов и методы без привлечения дополнительных ресурсов, при этом возможно изменение сети или принятие исходного варианта.
Задача 1.4. Постройте оптимальный сетевой график производства, выполнив его оптимизацию по времени:
а) без привлечения дополнительных ресурсов:
-
методом перераспределения ресурсов;
-
методом деления работ на захватки;
б) с привлечением дополнительных ресурсов.
Исходный сетевой график представлен на рис..
















