Схема КЭС с обозначениями (1152757)
Текст из файла
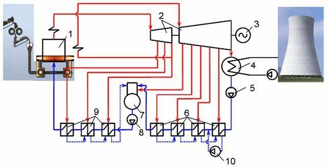
Схема КЭС на угле: 1 — градирня; 2 — циркуляционный насос; 3 — линия электропередачи; 4 — повышающий трансформатор; 5 — турбогенератор; 6 — цилиндр низкого давления паровой турбины; 7 — конденсатный насос; 8 — поверхностныйконденсатор; 9 — цилиндр среднего давления паровой турбины; 10 — стопорный клапан; 11 — цилиндр высокого давления паровой турбины; 12 — деаэратор; 13 — регенеративныйподогреватель; 14 — транспортёр топливоподачи; 15 — бункер угля; 16 — мельница угля; 17 — барабан котла; 18 — система шлакоудаления; 19 — пароперегреватель; 20 — дутьевой вентилятор; 21 — промежуточный пароперегреватель; 22 — воздухозаборник; 23 — экономайзер; 24 — регенеративный воздухоподогреватель; 25 — фильтр; 26 —дымосос; 27 — дымовая труба.
Характеристики
Тип файла документ
Документы такого типа открываются такими программами, как Microsoft Office Word на компьютерах Windows, Apple Pages на компьютерах Mac, Open Office - бесплатная альтернатива на различных платформах, в том числе Linux. Наиболее простым и современным решением будут Google документы, так как открываются онлайн без скачивания прямо в браузере на любой платформе. Существуют российские качественные аналоги, например от Яндекса.
Будьте внимательны на мобильных устройствах, так как там используются упрощённый функционал даже в официальном приложении от Microsoft, поэтому для просмотра скачивайте PDF-версию. А если нужно редактировать файл, то используйте оригинальный файл.
Файлы такого типа обычно разбиты на страницы, а текст может быть форматированным (жирный, курсив, выбор шрифта, таблицы и т.п.), а также в него можно добавлять изображения. Формат идеально подходит для рефератов, докладов и РПЗ курсовых проектов, которые необходимо распечатать. Кстати перед печатью также сохраняйте файл в PDF, так как принтер может начудить со шрифтами.
















