Работа №1 Исследование диэлектрической проницаемости и тангенса угла диэлектрических потерь твёрдых диэлектриков (1152100)
Текст из файла
Работа 1. Исследование диэлектрической проницаемости и тангенса угла диэлектрических потерь твердых диэлектриков
Цель работы – исследование зависимости диэлектрической проницаемости и тангенса угла диэлектрических потерь от частоты электромагнитного поля для твердых диэлектриков различных типов.
1. Теоретическая часть
Диэлектрическая проницаемость твердых диэлектриков. При помещении диэлектрика в электрическое поле происходит его поляризация. Явление электрической поляризации вещества заключается в ограниченном смещении связанных зарядов или ориентации дипольных молекул вдоль силовых линий поля. В результате поляризации в направлении электрического поля возрастает электрический момент. Степень поляризации вещества характеризуется вектором поляризации
,
который имеет смысл удельного электрического момента вещества. Вектор поляризации пропорционален напряженности приложенного поля
. Электрическая восприимчивость
вещества определяет степень этой пропорциональности.
В результате поляризации возрастает напряженность электрического поля в веществе. Для характеристики результирующего поля вводят электрическую индукцию
,
которая складывается из индукции приложенного поля и поляризации вещества. Коэффициент пропорциональности между напряженностью приложенного поля и индукцией называют диэлектрической проницаемостью.
В диэлектриках могут действовать различные виды поляризации: быстрые (электронная и ионная) и медленные, или релаксационные (электронно-, ионно-, дипольно-релаксационные, спонтанная и резонансная). Быстрые поляризации происходят практически без затрат энергии, для медленных требуются затраты энергии.
В нейтральных и слабополярных диэлектриках происходят в основном быстрые поляризации, значение относительной диэлектрической проницаемости в этих диэлектриках невелико:
. Чрезвычайно большое значение
(до нескольких тысяч) имеют сегнетоэлектрики, в которых наблюдается спонтанная поляризация.
Тангенс угла диэлектрических потерь. Основной составляющей тока в диэлектриках в переменных электрических полях является ток смещения
Плотность тока смещения представляет собой изменение электрической индукции во времени. Из формулы видно, что в результате поляризации плотность тока смещения в
раз больше в веществе, чем в вакууме; плотность тока смещения в основном носит реактивный характер. Однако на поляризацию диэлектрика затрачивается энергия. Поэтому появляется активная составляющая тока, связанная с поляризацией диэлектрика. Кроме того, в диэлектриках присутствует небольшое число свободных носителей заряда и в поле Е через диэлектрики, согласно закону Ома, протекает ток сквозной электропроводимости, или ток утечки, который также носит активный характер. На поддержание активных составлявших тока, согласно закону Джоуля – Ленца, затрачивается энергия.
Диэлектрическими потерями в веществе называют мощность, рассеиваемую в диэлектрике в результате протекания активных составляющих тока поляризации и тока утечки;
является мерой оценки диэлектрических потерь (в качестве характеристики диэлектрических потерь может попользоваться мнимая компонента
комплексной диэлектрической проницаемости
,
).
Из теории диэлектриков известно, что параметры
можно исследовать, помещая диэлектрик между обкладками конденсатора. При этом справедлива эквивалентная схема замещения. Конденсатор с реальным диэлектриком в этом случае заменяют идеальным, а потери учитывают дополнительным включением резисторов.
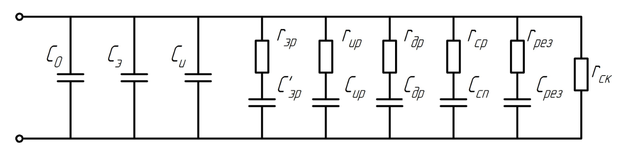
Полная эквивалентная схема замещения конденсатора с техническим диэлектриком (техническим диэлектриком называют диэлектрик с конечным значением
), в котором имеются все виды поляризации, показана на
рис. 1.
Рис. 1
Здесь C0 – емкость конденсатора без диэлектрика; Cэ, Cu – емкости, связанные с электронной и ионной поляризациями; Cэр, rэр, Cир, ruр, Cдр, rдр – ёмкости и сопротивления, связанные с электронно-, ионно-, дипольно- релаксационными поляризациями; Cсп, rсп, Cрез, rрез – емкости и сопротивления, связанные со спонтанной резонансной поляризациями; rск – сопротивление сквозной проводимости.
Векторная диаграмма токов и напряжений, действующих в схеме
(см. рис. 1), приведена на рис. 2.
Видно, что
|
где
| Рис. 2 |
Угол диэлектрических потерь δ (см. рис. 2) – это угол, дополняющий до 90о угол сдвига между напряжением и полным током, действующими в схеме;
определяется отношением активной составляющей тока в техническом диэлектрике к реактивной. Поскольку выражение для
получается сложным и составляющие тока для технического диэлектрика, как правило, неизвестны (неизвестно, какие конкретно механизмы поляризации действуют в данном диэлектрике), то эти составляющие определяют экспериментально. При этом мощность (в ваттах) рассеяния в диэлектрике рассчитывают по формуле
,
где u – приложенное напряжение. В; ω – круговая частота, 1/с; С – емкость конденсатора с диэлектриком, Ф.
Для технического диэлектрика
<0,01; у высокочастотных диэлектриков
≈10-4. На частотной зависимости ε и
для обобщенного технического диэлектрика (рис. 3) представлен диапазон действия различных видов поляризации.
На частотной зависимости ε и
для обобщенного технического диэлектрика (рис. 3) представлен диапазон действия различных видов поляризации.
Рис. 3
С ростом частоты остаются более быстрые виды поляризации, а медленные исчезают, поэтому ε уменьшается;
имеет тенденцию к уменьшению по той причине, что с ростом частоты увеличивается доля реактивной составляющей тока смещения. Там, где период колебания электромагнитного поля совпадает со временем релаксации данного вида поляризации, значения
имеют "всплеск". Для диэлектриков неоднородной структуры частотная характеристика носит более сложный характер вследствие неодинаковой поляризации различных компонентов диэлектрика.
2. Экспериментальное определение тангенса утла диэлектрических потерь и диэлектрической проницаемости твердых диэлектриков
На низких и высоких частотах определение параметров диэлектриков проводят посредством измерения С и
. Эти измерения могут быть осуществлены с помощью таких приборов, как Q-метр, измеритель L , С , R и т.п. при использовании последнего
измеряют непосредственно, а диэлектрическую проницаемость
рассчитывают по измеренной емкости С:
где С – емкость, пФ; h – толщина образца диэлектрика, м; d – диаметр электродов, нанесенных на образец, м.
3. Схема измерений
Структурная схема лабораторного макета приведена на рисунке 4.
Рис. 4
Е8-4 – цифровой измеритель емкости, 1 – электроды измерительного прибора, 2 – исследуемый образец. Определение диэлектрической проницаемости и тангенса угла потерь диэлектрика осуществляется с помощью цифрового измерителя емкости Е8-4. К его измерительной линии подключаются электроды 1, между которым устанавливается исследуемый образец 2. По измеренному значению емкости определяется значение диэлектрической проницаемости образца.
4. Порядок выделения работы
1. Ознакомиться с цифровым измерителем емкости Е8-4 и инструкцией по его эксплуатации.
2. Ознакомиться с образцами, предложенными для исследования, замерить их толщину h и диаметр электродов d (в метрах), нанесенных на каждый образец.
3. Включить измерительный прибор Е8-4 в сеть с помощью переключателя “Сеть вкл.”.
4. Измерить значения емкости и тангенса угла потерь для исследуемых образцов. Образец диэлектрика помещается между электродами цифрового измерителя, значения емкости и тангенса угла потерь считываются с цифрового индикатора.
5. Результаты измерений, выполненных по пп. 2, 4, занести в таблицу. Рассчитать ε образцов.
| Исходные данные | Измеренные величины |
| ||||||
| Материал | Толщина, h, м | С, пФ |
| Выч. | Справ. | |||
| изм | справ | |||||||
4. Содержание отчета
1. Изобразить упрощенную схему измерительного прибора и схему измерений.
2. Привести результаты измерений и расчетные данные в форме таблицы (см. выше).
3. Сравнить найденные экспериментальные значения ε и tgδ с соответствующими значениями, приводимыми в справочниках.
4. Ответить на контрольные вопросы.
Примечание. Иногда в справочнике не оговаривается частота измерения, температура и влажность. Это означает, что измерения проводились на частоте f = 1 МГц, при температуре
и относительной влажности 60..70%.
5. Вопросы для проверки
1. Дайте определения параметров
2. Что такое диэлектрические потери?
3. Какие виды поляризации присущи техническому диэлектрику?
4. Объясните эквивалентную схему замещения обобщенного диэлектрика и векторную диаграмму токов и напряжений, действующих в схеме.
5. Какова частотная зависимость ε и
для обобщенного диэлектрика?
6. Объясните принцип измерения ε и
, используемый в измерителе L , С, R.
7. Какие значения ε имеют современные диэлектрики?
8. Какие значения
имеют современные диэлектрики?
9. Каковы требования к техническим диэлектрикам по ε и
?
Характеристики
Тип файла документ
Документы такого типа открываются такими программами, как Microsoft Office Word на компьютерах Windows, Apple Pages на компьютерах Mac, Open Office - бесплатная альтернатива на различных платформах, в том числе Linux. Наиболее простым и современным решением будут Google документы, так как открываются онлайн без скачивания прямо в браузере на любой платформе. Существуют российские качественные аналоги, например от Яндекса.
Будьте внимательны на мобильных устройствах, так как там используются упрощённый функционал даже в официальном приложении от Microsoft, поэтому для просмотра скачивайте PDF-версию. А если нужно редактировать файл, то используйте оригинальный файл.
Файлы такого типа обычно разбиты на страницы, а текст может быть форматированным (жирный, курсив, выбор шрифта, таблицы и т.п.), а также в него можно добавлять изображения. Формат идеально подходит для рефератов, докладов и РПЗ курсовых проектов, которые необходимо распечатать. Кстати перед печатью также сохраняйте файл в PDF, так как принтер может начудить со шрифтами.
,
– ёмкостный ток, вызванный электронной и ионной поляризациями;
,
– активная и реактивная составлявшие тока добавочной релаксационной поляризации;
– ток сквозной проводимости.
















