Nets2010 (1131259), страница 53
Текст из файла (страница 53)
Протокол установления подлинности «Цербер» используется многими действующими системами. Он представляет собой вариант протокола Нидхема-Шредера и был разработан в MIT для безопасного доступа в сеть (предотвращения несанкционированного использования ресурсов сети). В нем используется предположение, что все часы в сети хорошо синхронизованы.
Протокол «Цербер» предполагает использование кроме рабочей станции А еще трех серверов:
-
Сервер установления подлинности (СП) – проверяет пользователей на этапе login.
-
Сервер выдачи квитанций (СВБ) – идентификация квитанции.
-
Сервер В – тот кто должен выполнить работу, необходимую А.
СП аналогичен KDC и знает секретный пароль для каждого пользователя. СВБ выдает квитанции, которые подтверждают подлинность заказчиков работ.
На рисунке 7-20 показана работа протокола Цербер. Сначала пользователь садится за рабочую станцию и шлет открыто свое имя серверу СП. СП отвечает ключом сессии и квитанцией – <KS, KTGS(A, KS)>. Все это зашифровано секретным ключом А. Когда сообщение 2 пришло на рабочую станцию, у А запрашивают пароль, чтобы по нему установить KA для расшифровки сообщения 2. Пароль перезаписывается с временной меткой, чтобы предотвратить его захват злоумышленником. Выполнив login, пользователь может сообщить станции, что ему нужен сервер В. Рабочая станция обращается к СВБ за квитанцией для использования сервера В. Ключевым элементом этого запроса является KTGS(A, KS), зашифрованное секретным ключом СВБ. В ответ СВБ шлет ключ для работы А и В - KAB.
Рисунок 7-20. Работа протокола «Цербер»
Теперь А может обращаться непосредственно к В с этим ключом. Это взаимодействие сопровождается временными метками, чтобы защититься от подмены. Если позднее А понадобится работать с сервером С, то А должен будет повторить сообщение 3, но указать там сервер С.
Поскольку сеть может быть очень большой, то нельзя требовать, чтобы все использовали один и тот же СП. Сеть разбивают на области, в каждой из которых - свои СП и СВБ, которые взаимодействую между собой.
Установление подлинности с шифрованием с открытым ключом.
Установить взаимную подлинность можно с помощью шифрования с открытым ключом. Пусть А и В уже знают открытые ключи друг друга. Они их используют, чтобы установить подлинность друг друга, а затем используют шифрование с секретным ключом, которое на несколько порядков быстрее.
На рисунке 7-21 показана схема установления подлинности с шифрованием открытыми ключами. Здесь RA и RB используются, чтобы убедить А и В в их подлинности. Единственным слабым местом этого протокола является предположение, что А и В уже знают открытые ключи друг друга. Обмен такими ключами уязвим для атаки типа «чужой в середине».
Рисунок 7-21. Взаимная аутентификация с использованием шифрования с открытым ключом
Ривст и Шамир предложили протокол, защищенный от атаки «чужой в средине». Это так называемый протокол с внутренним замком. Его идея заключается в том, чтобы передавать сообщения в два этапа: сначала только четные биты, затем нечетные.
Электронная подпись.
Подлинность многих юридических, финансовых и прочих документов устанавливается наличием подписи уполномоченного лица. Поскольку есть способы отличить фотокопии от подлинника, то фотокопии не рассматриваются. Такая же проблема возникает для документов в электронной форме.
Проблема электронного аналога для ручной подписи весьма сложна. Нужна система, которая позволяла бы одной стороне посылать «подписанный» документ другой стороне так, чтобы:
-
Получатель мог удостовериться в подлинности отправителя.
-
Отправитель позднее не мог отречься от документа.
-
Получатель не мог подделать документ.
Первое требование важно, например, при взаимодействии с банком, чтобы убедиться, что тот, кто проводит операцию, действительно является владельцем счета.
Второе требование нужно в случаях, когда, например, клиент запросил закупить тонну золота, цена которого после этого на бирже неожиданно упала. У клиента может возникнуть соблазн отказаться от своей заявки.
Третье требование предотвращает ситуации типа следующей: цена на золото в предыдущем примере неожиданно подскочила, тогда у банка может появиться соблазн изобразить, что клиент просил купить не тонну, а, скажем, килограмм золота.
Подпись с секретным ключом.
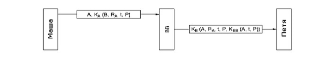
Одно из решений проблемы электронной подписи – наделить полномочиями третью сторону, которую знают все, которая знает всех и которой верят все. Назовем ее «Большой Брат» (Big Brother - BB). На рисунке 7-22 показана схема такого решения. Что произойдет, если А позже откажется от посланного сообщения? В суде В предъявит сообщение А, KBB (А, t, P), которое будет отправлено BB как непререкаемому авторитету. СД расшифрует своим ключом эту запись и все увидят А, t, P.
Рисунок 7-22. Электронная подпись посредством BB
Единственная слабость такого решения – злоумышленник может скопировать диалог между отправителем и получателем через BB и позже его повторить. Механизм временных меток позволяет уменьшить эту проблему. Кроме этого, сохранение последних RA позволяет В заметить их повторное использование.
Подпись на основе открытого ключа.
Недостаток вышеописанного решения в том, что все должны доверять СД, который может читать сообщения. Кандидатами на его роль может быть правительство, банк, нотариус. Однако далеко не все испытывают доверие к этим организациям.
Рисунок 7-23. Электронная подпись на основе открытого ключа
На рисунке 7-23 показана схема электронной подписи с использованием открытых ключей. Здесь:
-
DX- закрытый ключ, EX – открытый ключ, где Х – А или В.
-
Предполагаем E(D(P))=P дополнительно к D(E(P))=P (этим свойством обладает алгоритм шифрования RSA).
Здесь есть два недостатка. Оба основаны на том, что схема работает до тех пор, пока сторона А либо умышленно не рассекретила свой ключ, либо не изменила его в одностороннем порядке. При наступлении судебного случая В предъявляет P и DA(P), так как он не знает закрытый ключ А, то он не мог подделать DA(P). При этом должно быть EA(DA(P))=P, в чем суд легко может убедиться.
Если А обращается в суд, то есть Р и EA(P), что легко сопоставить с тем, что есть у В. Однако, если А заявит, что у него украли ключи, а сам тайно передаст их, либо сменит их, не сообщив об этом В, то в последнем случае текущий EA будет не применим к тому DA(P), который предъявит В. Здесь надо сопоставлять даты передачи сообщения и смены ключей.
Сокращение сообщения.
Рассмотренные методы электронной подписи критикуют за то, что они подменяют задачу установления подлинности задачей соблюдения секретности. Зачастую нужно только установление подлинности. Кроме этого, шифрование – операция медленная. Поэтому часто желательно просто поставить подпись, чтобы удостоверить подлинность сообщения. Ниже рассматривается метод, который не требует шифрования всего сообщения.
Эта схема основана на идее однозначной функции перемешивания, которая по сообщению вычисляет битовую строку фиксированной длины. Эта функция называется сокращение сообщения (MD). Она обладает тремя важными свойствами:
-
Для заданного Р вычислить MD(P) просто.
-
Имея MD(P), невозможно восстановить Р.
-
Никто не сможет подобрать таких два сообщения, что MD от них будут одинаковыми.
Этот метод можно применять как с закрытым ключом, так и с открытым. В случае закрытого ключа, как в схеме на рисунке 7-22, надо пятый элемент в сообщении от ВВ к В заменить на KBB(A, t, MD(P)). «Большой брат» подписывает не все сообщение, а лишь его сокращение. В случае возникновения спора В легко докажет в суде, что он получил именно сообщение Р, так как нет другого сообщения, которое даст такое же MD(P). Сторона А также легко докажет свою правоту, так как MD вычисляет ВВ.
В случае открытого ключа этот метод также работает. Его схема показана на рисунке 7-24. Здесь сторона А шифрует своим ключом не все сообщение, а лишь его сокращение. При этом сторона В защищена от злоумышленника, так как если он подменит сообщение, то сторона В, получив сообщение и вычислив его MD, сравнит полученное MD и обнаружит подмену.
Рисунок 7-24. Электронная подпись с использованием сокращения сообщения
Было предложено несколько алгоритмов для MD. Наиболее распространенные – MD5 и SHA.
64. Служба DNS: основные функции, структуры данных, принципы функционирования
7.2. DNS (Domain Name System)
Несмотря на то, что любая машина в Интернете имеет уникальный IP-адрес, который представляет собой число, люди предпочитают работать с именами. Очень непросто разговаривать, используя машинную адресацию (как бы это звучало: “192.112.36.5 обещает вскоре…”?), еще труднее запомнить эти адреса. Поэтому компьютерам в Интернете для удобства пользователей были присвоены собственные имена. Все интернет-приложения позволяют пользоваться системными именами вместо числовых адресов. Все эти имена зафиксированы в специальной распределенной базе данных DNS, которая поддерживает иерархическую систему имен для идентификации абонентских машин или узлов в сети Интернет.
При рассмотрении ее организации будем использовать почтовую аналогию. Сетевые численные адреса вполне аналогичны почтовой индексации. Машины, сортирующие корреспонденцию на почтовых узлах, ориентируются именно по индексам, и только если с индексами выходит какая-то несуразность, передают почту на рассмотрение людям, которые по адресу могут определить правильный индекс почтового отделения места назначения. Людям же приятнее и удобнее иметь дело с географическими названиями – это аналоги доменных имен.
Процесс поиска адреса в Интернете совершенно аналогичен процессу поиска индекса для письма без почтового индекса. Как определяется этот индекс? Все регионы пронумерованы – это первые цифры индекса. Письмо пересылается на центральный почтамт региона, где имеется справочник с нумерацией районов этого региона – это следующие цифры индекса. Теперь письмо идет на центральный почтамт соответствующего района, где уже знают все почтовые отделения в подопечном районе. Таким образом, по географическому адресу определяется почтовый индекс, ему соответствующий. Так же определяется и адрес компьютера в Интернете, но путешествует не послание, а запрос вашего компьютера об этом адресе. И, в отличие от случая с почтой, информация доходит до вас, как если бы районный почтамт места назначения отправлял вам письмо, любезно уведомляя вас на будущее об индексе, которого вы не изволили знать.
Конечно, такое именование имеет свои собственные проблемы. Прежде всего, следует убедиться, что никакие два компьютера, включенные в сеть, не имеют одинаковых имен. Необходимо также обеспечить преобразование имен в числовые адреса.
Вначале Интернет был не велик, иметь дело с именами было довольно просто. NIC создал регистратуру. Можно было послать запрос, и в ответ высылали список имен и адресов. Этот файл называется “host file” (файл абонентских машин), регулярно распространялся по всей сети – рассылался всем машинам. Имена были простыми словами, все они были уникальны. Если вы использовали имя, то ваш компьютер просматривал этот файл и подставлял вместо имени реальный числовой адрес.
По мере развития и расширения Интернета возрастало количество абонентских машин, а потому разрастался и упомянутый файл. Возникали значительные задержки при регистрации и получении имени для новых компьютеров, стало затруднительно изыскивать имена, которые еще никто не использовал, слишком много сетевого времени затрачивалось на рассылку этого огромного файла всем машинам, в нем упомянутым. Стало очевидно, что при таких темпах изменений и роста сети нужна распределенная оперативная система, опирающаяся на новый принцип. Таковая была создана, ее назвали доменной системой имен – DNS, а способ адресации – способом адресации по доменному принципу. DNS также иногда называют региональной системой наименований.















