Дипломный проект (1094802), страница 12
Текст из файла (страница 12)
-
Конструкторская часть
3. КОНСТРУКТОРСКАЯ ЧАСТЬ.
3.1. Введение.
В данной части проекта проведена модернизация электропечи с выдвижным подом модели «ПВП 12.15.11/11М.» для проведения термической обработки отливок.
Термическая обработка состоит из предварительного нагрева до 11000 С в течение одного часа с охлаждением на воздухе, отпуска при 6500 С в течение 30 минут с охлаждением на воздухе и нормализации при 950 – 10500 С в течение одного часа, отпуска при 4500 С в течение одного часа с охлаждением на воздухе.
3.2. Цель модернизации.
Целью модернизации электропечи с выдвижным подом является замена нагревательных элементов марки Х20Н80 – Н (нихром) на материал марки Х23Ю5Т (суперфехраль) из следующих соображений:
-
Х23Ю5Т в 3 раза дешевле нихрома;
-
Высокая температура эксплуатации – до 13300 С (12000 С у Х20Н80 – Н);
-
Высокая температура плавления – 15000 С (14000 С у Х20Н80 – Н);
-
Срок службы в 2 – 4 раза дольше по сравнению с нихромом;
-
Невысокая плотность Х23Ю5Т (7,15 г/см3) против 8,4 г/см3 у Х20Н80 – Н позволяет экономить до 18% массы;
-
Отличная коррозионная стойкость в воздушной среде, вакууме, аргоне, серосодержащих, углеродсодержащих средах, водяном паре;
-
Высокий предел текучести, что позволяет использовать проволоку меньшего диаметра (в связи с меньшим изменением площади поперечного сечения при навивке);
-
Высокое удельное сопротивление - 1,39 Ом·мм2/м против 1,12 для Х20Н80-Н;
-
Небольшая зависимость электрического сопротивления от различных видов теплового воздействия и холодного деформирования;
-
Уникальное соотношение предела текучести и предела прочности (~0,5),что позволяет наилучшим образом использовать зону упругопластической деформации.
3.3. Описание конструкции печи. Основные технические характеристики.
Основные технические характеристики печи мод. ПВП 12.15.11/11М представлены в таблице 3.1.
Таблица 3.1.
Технические характеристики печи.
| Размеры рабочей камеры, мм, не менее Д×Ш×В | 1500×1200×1100 | |
| Габаритные размеры печи, мм, не более Д×Ш×В | 4700×2200×4500 | |
| Среда в рабочем пространстве | Воздух | |
| Число зон регулирования температуры | 1 | |
| Максимальная рабочая температура, 0С | 1200 | |
| Мощность, кВт | 220 | |
| Регулирование температуры | Автоматическое | |
| Регулятор температуры | «Термодат 14» | |
| Параметры питающей сети | Напряжение, В | 380 |
| Частота, Гц | 50 | |
| Количество фаз | 3 | |
Описание конструкции. Каркас печи изготовлен из стальных профилей, покрытых листами конструкционной стали и представляет собой сварную конструкцию усиленной жесткости и прочности. Конструкция покрашена грунтовочной и покрывной краской. Части, подвергающиеся воздействию повышенных температур, покрыты термоустойчивой краской.
Футеровка электропечи выполнена из современных легковесных огнеупорных и волокнистых теплоизоляционных материалов. Внутренний слой футеровки стен печи выполнен из огнеупорного, легковесного кирпича, а на внешнем слое установлены маты из керамического волокна, которые обеспечивают дополнительную теплоизоляцию.
Дверь печи выполнена подъемной и открывается с помощью электромеханического привода. Дверь печи оборудована предохранительным концевым выключателем, который расположен на лицевой панели печи и обеспечивает отключение электронагревателей при открытии печи.
Под печи выполняется на подвижной подвижной тележке, которая выдвигается из рабочей камеры печи по специальным направляющим (рельсам). Тележка помещена на колеса, соответствующей грузоподъемности, оборудованные ребордой обеспечивающей устойчивое перемещение колес по направляющим. Колеса установлены на подшипники качения. Под оборудован электро – механическим приводом. Механизм перемещения пода оборудован частотно – регулируемым приводом, что позволяет обеспечить режимы плавного пуска и торможения тележки пода с садкой большой массы. Крайние положения тележки пода фиксируются концевыми выключателями.
Корпус тележки изготовлен из стальных профилей, покрытых листовым металлом. Футеровка пода производится из огнеупорного шамотного кирпича и волокнистых теплоизоляционных материалов. По периметру пода предусмотрен песчаный затвор, для уменьшения тепловых потерь. Нагреватели на поду закрываются жаростойкой плитой из карбида кремния.
Нагрев печи и садки производится излучением и конвенцией от электронагревательных элементов, расположенных вдоль боковых и задней стенок, на поду и двери. Нагрев садки производится с пяти сторон. Нагревательные элементы спирального типа из сплава Х20Н80-Н подвешены на керамических трубках и выполнены в соответствии с действующими правилами по безопасности. Контроль и регулирование температуры в печи производится автономно.
Печь оборудована вытяжной трубой с шиберным затвором.
3.4. Расчет нагревателей электропечи.
Расчет электронагревателей сопротивления ведем по методике, данной в учебнике Арендарчука: «Общепромышленные электропечи периодического действия» [6]. Механические и специальные свойства сплава Х23Ю5Т даны в таблице 3.2.
Таблица 3.2.
Механические и специальные свойства сплава Х23Ю5Т.
| Предел прочности, МПа | 650 – 740 |
| Предел текучести, МПа | 470 – 570 |
| Относительное удлинение, % | 18 – 34 |
| Плотность, г/см3 | 7,15 |
| Точка Кюри | ~600 °С |
| Температура плавления | 1500 °С |
| Удельное электрическое сопротивление, Ом•мм2/м при 20°С | 1,39 |
| Излучающая способность в условиях полного окисления | 0,70 |
Порядок расчета нагревателей электропечи.
-
Степень черноты нагревателя определяем из таблицы 13.1 [6] для восстановительной атмосферы принимаем равной
-
Степень черноты не окисленной стали из таблицы 13.1 [6] равна
-
Определим приведенный коэффициент излучения системы по формуле:
-
Относительное межвитковое расстояние выбираем из рисунка 17.5 [6], принимаем равным
-
Определяем коэффициенты
коэффициент эффективности излучения (для проволочной спирали
),
коэффициент шага, зависящий от относительных межвитковых расстояний (определяется из графика 17.8. [6]),
коэффициент, учитывающий влияние размеров изделий и зависящий от
Они равны:
-
Определим величину теплового потока с единицы поверхности нагревателя по формуле:
где tп и tм – температура нагревателя и нагреваемого изделия.
-
Диаметр нагревателя определяется по формуле:
где Р – мощность нагревателя (Р=225 кВт); U – напряжение на нагревателе (U=380 В). Тогда:
-
Длину нагревателя определим по формуле:
-
Срок службы нагревателя определим по формуле:
-
Массу нагревателя определим по формуле:
Сравним полученные результаты с действующими на данный момент нагревательными элементами из сплава Х20Н80Н – Н. По паспортным данным на электропечь диаметр нагревательного элемента составляет d = 7 мм, l = 100 м и имеет массу G = 32,3 кг. Срок службы составляет 9500 часов.
3.5. Вывод.
Замена нагревательных элементов электропечи позволила увеличить срок службы с 9500 до 15000 часов, снизить массу нагревателя на 20,6 кг. Кроме того материал Х23Ю5Т в три раза дешевле нихрома. Результат расчета показал, что применение материал Х23Ю5Т более предпочтителен как с технической, так и с экономической точки зрения.
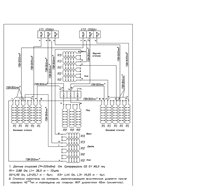
Рис.3.1. Схема разводки и данные спиралей до модернизации.
Рис.3.2. Схема разводки и данные спиралей после модернизации.
-
Организационно – экономическая часть
(Бизнес – план)
















