Лабораторные работы (1094609)
Текст из файла
М
инистерство образования Российской Федерации
Московский государственный вечерний металлургический институт
Кафедра теплофизики и экологии
.
Лабораторные работы
по дисциплине
«Теплоэнергетическое оборудование и электроснабжение»
Студент: Группа:
Преподаватель:
Отчет защищен с оценкой
_________________________
«_____»______________2001г.
МОСКВА 2001г.
1.Расчет тепловой мощности парового котла
Цель работы: Изучить особенности тепловой работы парового котла. С
Помощью ПЭВМ провести анализ влияния степени промежуточного перегрева пара на тепловую мощность котельной установки.
Энтальпия перегретого пара I1=3465 кДж/м3
Энтальпия перегретой воды Iп=858,1 кДж/м3
Энтальпия перегретого пара I2=3120 кДж/м3
Паропроизводительность D=172 кг/с
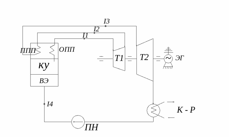
С
хема котельной установки и паровой турбины с промежуточным перегревом пара (паротурбинная установка ПТУ).
Рис.1.
Условные обозначения:
КУ - котельная установка с водяным экономайзером ВЭ; ПП – основной пароперегреватель; ППП - промежуточный пароперегреватель; Т1 - первая ступень турбины; Т2 - вторая ступень турбины; К-р- конденсатор; ЭГ - генератор электроэнергии; ПН - питательный насос; I1 - I4- энтальпия перегретого пара и питательной воды.
Пар, отдавая свою энергию турбине, приводит ее во вращение. Вал турбины вращает ротор генератора, а тот в свою очередь вырабатывает электроэнергию. Отработанный пар с низкими параметрами поступает из турбины в конденсатор. Конденсатор представляет собой теплообменник, в котором по змеевикам пропускают холодную воду, отбирают тепло у пара, при этом последний конденсируется, превращаясь в питательную воду. Из конденсатора питательная вода питательным насосом направляется в котельную установку (в водяной экономайзер котла). Водяной экономайзер – трубчатый в виде змеевика теплообменник, в котором вода нагревается до образования паровой фазы.
Котельные агрегаты, прежде всего, классифицируют по их назначению. Те из них, которые предназначены для снабжения паром или горячей водой производственных потребителей и для отопления называют производственно-отопительными или просто отопительными, если потребителем оказывается только отопление производственных зданий, жилых домов и т.п. Котельные агрегаты ТЭС называют энергетическими.
Другой важный признак классификации котельных агрегатов- относительное расположение продуктов горения и воды (водяного пара) в агрегате. Котельные агрегаты, в которых продукты горения движутся в трубах, а вода поверх их, называются газотрубными, при обратном же расположении, т.е. при движении воды в трубах, а газов поверх их – водотрубными.
Отопительные и производственно – отопительные котельные агрегаты выполняются обоих типов, энергетические котельные агрегаты- только водотрубными.
Различают также котельные агрегаты и по выдаваемому или рабочему телу. Те из них, которые вырабатывают пар, называют паровыми, а те, которые выдают горячею воду- водогрейными.
Важным признаком, по которому классифицируют паровые котельные агрегаты, служит способ создания движения в них рабочего тепла. По этому признаку различают паровые котельные агрегаты с естественной циркуляцией (барабанные) и прямоточные.
Основными характеристиками паровых котлов являются тепловая мощность (кВт) и параметры выдаваемого пара. Вместе мощности часто приводят порог производительность котельного агрегата (кг/с) или (т/ч).
К параметрам рабочего тела относятся давление пара, его температура, температура питательной воды и температура пара после промежуточного перегрева (если он организован). Давление измеряют в Мпа или атмосферах (кгс/см2).
Связь между мощностью котла и его паропроизводительностью устанавливаются по следующей зависимости.
где Q - тепловая мощность, кВт;
D - паропроизводительность;
I1 - энтальпия перегретого пара в котле;
I2 - энтальпия перегретого пара на входе в промежуточный
пароперегреватель;
I3 - энтальпия перегретого пара на выходе из промежуточного
пароперегреватель;
I4 – энтальпия питательной воды (кДж/кг).
Результаты измерений
| Температура (t3), 0С | Тепловая мощность (Q), кВт | Энтальпия (I3– I2), кДж/м3 |
| 350 | 442400 | 120 |
| 400 | 460000 | 230 |
| 450 | 477600 | 340 |
| 500 | 495200 | 450 |
| 550 | 512800 | 560 |
Г
рафическая зависимость тепловой мощности котла от температуры
Рис.1.2.
2.Исследование контура естественной циркуляции парового котла
Ц
ель работы: изучить вопросы организации движения теплоносителя и рабочего тела в паровом котле. При помощи таблиц состояния воды и водяного пара провести исследование влияния на величину напора таких характеристик как давление в котле Р, кратность циркуляции М, высота контура циркуляции Z.Схема движения рабочего тела в паровых турбинах
Питательная вода по трубопроводу 1 поступает в насос, который подает ее в водяной экономайзер 2 и далее в барабан 3. По необогреваемым спускным трубам 4 вода поступает в коллектор 5, из него в обогреваемые подъемные трубы 6. В этих трубах вода кипит, поэтому рабочее тело в них представляетс собой смесь насыщенного пара и воды (пароводяную смесь) с небольшой степенью сухости. Степень сухости определяет количество пара с 1 кг пароводяной смеси.
Плотность пароводяной смеси находим по формуле:
где VI и VII – удельные объемы кипящей воды и насыщенного пара, м3/кг;
ρ и V – плотность и удельный объем пароводяной смеси.
Удельный объем влажного насыщенного пара всегда больше, чем удельный объем кипящей воды, следовательно, плотность влажного насыщенного пара как величина обратная удельному объему, всегда меньше плотности воды при температуре кипения. Отсюда статистическое давление в нижней части необогреваемой трубы, равное
больше статистического давления
в нижней части обогреваемой трубы. Разность этих давлений определяет напор Н, создающий движение по всей системе.
Под воздействием этого напора пароводяная смесь, представляющая собой двухфазную жидкость (влажный насыщенный пар), поступает в барабан, где происходит ее разделение – сепарация. Газообразная среда сосредотачивается в верхней половине барабана, а жидкая – в нижней. Так как из каждого килограмма воды испаряется только часть, равная х кг, то остальная часть опять поступает в опускные трубы: так происходит в описанных котлах многократное движение 1 кг воды – ее циркуляция. Если, например х = 0,2 , то каждый килограмм должен М раз совершить путь через контур, чтобы полностью превратиться в пар, где
Результаты расчета:
H(I)= 144128.6 кПa при P= 2 MПa Z=20 и M=10
H(I)= 95777.95 кПa при P= 6 Mпа Z=20 и M=10
H(I)= 62984.05 кПa при P= 10 Мпа Z=20 и M=10
H(I)= 38662.17 кПa при P= 14 MПa Z=20 и M=10
H(I)= 20449.32 кПa при P= 18 MПa Z=20 и M=10
----------------------------------------------
H(I)= 93731.62 кПа при M= 5 Z=20 , P=10 MПa
H(I)= 81324.98 кПа при M= 7.5 Z=20 , P=10 MПa
H(I)= 71818.79 кПа при M= 10 Z=20 , P=10 MПa
H(I)= 64302.4 кПа при M= 12.5 Z=20 , P=10 MПa
H(I)= 58210.25 кПа при M= 15 Z=20 , P=10 MПa
-----------------------------------------------
H(I)= 35909.39 кПa при Z= 10 M=10, P=10 MПa
H(I)= 53864.09 кПa при Z= 15 M=10, P=10 MПa
H(I)= 71818.79 кПa при Z= 20 M=10, P=10 MПa
H(I)= 89773.48 кПa при Z= 25 M=10, P=10 MПa
H(I)= 107728.2 кПa при Z= 30 M=10, P=10 MПa
Графическая зависимость напора в контуре от давления в котле
Рис.2.1.
Графическая зависимость напора в контуре от кратности циркуляции
Рис.2.2.
Графическая зависимость напора в контуре от высоты контура
Рис.2.3.
3.Исследование основных параметров работы газотурбинной установки
Ц
ель работы: ознакомиться со схемой и циклом ГТУ. Определить расчетом закономерности влияния температур газа и воздуха на входе в элементы ГТУ на эффективную мощность ГТУ.
Рис.3.1
Рис.3.2.
Газовая турбина представляет собой лопаточный тепловой двигатель, рабочим телом которого являются продукты сгорания топлива или нагретый ими в теплообменном аппарате воздух.
11
Характеристики
Тип файла документ
Документы такого типа открываются такими программами, как Microsoft Office Word на компьютерах Windows, Apple Pages на компьютерах Mac, Open Office - бесплатная альтернатива на различных платформах, в том числе Linux. Наиболее простым и современным решением будут Google документы, так как открываются онлайн без скачивания прямо в браузере на любой платформе. Существуют российские качественные аналоги, например от Яндекса.
Будьте внимательны на мобильных устройствах, так как там используются упрощённый функционал даже в официальном приложении от Microsoft, поэтому для просмотра скачивайте PDF-версию. А если нужно редактировать файл, то используйте оригинальный файл.
Файлы такого типа обычно разбиты на страницы, а текст может быть форматированным (жирный, курсив, выбор шрифта, таблицы и т.п.), а также в него можно добавлять изображения. Формат идеально подходит для рефератов, докладов и РПЗ курсовых проектов, которые необходимо распечатать. Кстати перед печатью также сохраняйте файл в PDF, так как принтер может начудить со шрифтами.
















