Выолненная РПЗ курсового проекта (1093762)
Текст из файла
Содержание
Введение
-
Основная часть
1.1 Общие сведения
1.2 Основные свойства смесей жидкостей и их паров
1.3 Схемы ректификационных установок
1.3.1 Ректификация двойных смесей
1.3.2 Ректификация многокомпонентных смесей
1.3.3 Ректификация под давлением
1.3.4 Дефлегмация
1.3.5 Использование тепла при ректификации
1.4 Конструкции ректификационных аппаратов
1.4.1 Колпачковые колонны
1.4.1.1 Схема работы колпачковой тарелки
1.4.1.2 Виды колпачковых тарелок
1.4.2 Сетчатые колонны
1.4.3 Насадочные колонны
1.4.4 Барботажные колонны
1.4.5 Центробежные ректификаторы
1.4.6 Кубы и дефлегматоры
1.5 Эксплуатация ректификационных аппаратов
1.6 Ректификация сжиженных газов
1.6.1 Разделительный аппарат одинарной ректификации
1.6.2 Разделительный аппарат двойной ректификации
2 Технологическая схема
3 Расчетная часть
4 Список использованной литературы
Введение.
1. Основная часть.
1.1 Общие сведения.
Для разделения смеси жидкостей обычно прибегают к перегонке. Разделение путем перегонки основано на различной температуре кипения отдельных веществ, входящих в состав смеси. Так, если смесь состоит из двух компонентов, то при испарении компонент с более низкой температурой кипения (низкокипящий компонент, сокращенно НК) переходит в пары, а компонент с более высокой температурой кипения (высококипящий компонент, сокращенно ВК) остается в жидком состоянии. Полученные пары конденсируются, образуя так называемый дистиллят; неиспаренная жидкость называется остатком. Таким образом, в результате перегонки НК переходит в дистиллят, а НК – в остаток.
Описанный процесс, называемый простой перегонкой, не даёт, однако, возможности произвести полное разделение компонентов смеси и получать их в чистом виде. Оба компонента являются летучими и поэтому оба переходят в пары, хотя и в различной степени. Поэтому образующиеся при перегонке пары не представляют собой чистого НК. Поскольку он вследствие большой летучести испаряется в большой степени, чем ВК, то пары обогащены НК по сравнению с содержанием его в исходной смеси. В описанном явлении и заключается основное отличие перегонки от выпаривания. При выпаривании один из компонентов (растворенной вещество) нелетуч, и в пары переходит только летучий компонент (растворитель).
Для достижения более полного разделения компонентов применяют более сложный вид перегонки – РЕКТИФИКАЦИЮ.
Ректификация – процесс разделения гомогенных смесей летучих жидкостей путём двустороннего массообмена и теплообмена между неравновесными жидкой и паровой фазами, имеющими различную температуру и движущимися противоположно друг другу. Ректификация заключается в противоточном взаимодействии паров, образующихся при перегонке, с жидкостью, получающейся при конденсации паров.
Представим себе аппарат, в котором снизу вверх движутся пары, а сверху (навстречу парам) подаётся жидкость, представляющая собой почти чистый НК. При соприкосновении поднимающихся паров и частичное испарение жидкости. При этом из паров конденсируется преимущественно ВК, а из жидкости испаряется преимущественно НК. Таким образом, стекающая жидкость обогащается ВК, а поднимающиеся пары обогащаются НК, в результате чего выходящие из аппарата пары представляют собой почти чистый НК. Эти пары поступают в конденсатор (дефлегматор), где и конденсируются. Часть конденсата, возвращаемая на орошение аппарата, называется флегмой, а другая часть – отводится в качестве дистиллята.
В настоящее время перегонка и ректификация широко распространены в химической технологии и применяются для получения разнообразных продуктов в чистом виде, а также для разделения газовых смесей после их сжижения (разделение воздуха на кислород и азот, разделение углеродных газов и т.д.) Однако при разделении чувствительных к повышенным температурам веществ, при извлечении ценных продуктов или вредных примесей из сильно разбавленных растворов, разделении смесей близкокипящих компонентов в ряде случае может оказаться более целесообразным применение экстракции.
1.2 Основные свойства смесей жидкостей и их паров.
Для понимания процессов перегонки необходимо ознакомиться с некоторыми свойствами жидких смесей, в частности с зависимостью давления пара, температуры кипения и состава паров от состава жидкости. Например, свойства двойных смесей, т.е. смесей, состоящих из двух компонентов, проще всего изучать графическим методом при помощи диаграмм. Существует три вида диаграмм:
-
диаграмма зависимости давления пара от состава жидкости (р - х-диаграмма);
-
диаграмм зависимости температур кипения и конденсации от состава жидкости и пара (t – x – y-диаграмма);
-
диаграмма равновесия, выражающая зависимость между составами пара и жидкости (р – х-диаграмма).
В зависимости от взаимной растворимости компонентов различают следующие типы двойных смесей:
1. Смеси взаимнорастворимых жидкостей, т.е. таких жидкостей, которые растворимы друг в друге в любых отношениях. Эти смеси в свою очередь разделяются на три группы:
а) смеси жидкостей, в которых силы сцепления между молекулами обоих компонентов такие же, что и между молекулами каждого из компонентов (идеальные смеси);
б) смеси с положительными отклонениями от закона Рауля, в которых силы сцепления между молекулами НК и ВК меньше, чем между молекулами каждого из компонентов;
в) смеси с отрицательными отклонениями от закона Рауля, в которых силы сцепления между молекулами НК и ВК больше, чем между молекулами каждого из компонентов.
2. Смеси жидкостей, нерастворимых друг в друге.
3. Смеси частично растворимых жидкостей.
1.3 Схемы ректификационных установок.
1.3.1 Ректификация двойных смесей.
Ректификацию можно проводить периодическим и непрерывным способом.
При периодической ректификации (рис. 1) смесь загружается в куб 1 и нагревается паром, проходящим через змеевик 2. После того, как смесь в кубе закипит, образующиеся пары начинают поступать в колонну 3, оттуда по трубе 4 направляются в дефлегматор 5, где конденсируются. Часть конденсата (флегма) по трубе 6 стекает обратно в колонну, другая часть (дистиллят) по трубе 7 поступает в холодильник 8 и отсюда отводится в приёмник дистиллята.
При таком процессе в колонне происходит укрепление паров, а в кубе – исчерпывание смеси. Исчерпывание продолжается в течении некоторого времени, когда достигается требуемый состав смеси, операция заканчивается и остаток отводится из куба.
Рис. 1. Схема ректификационной установки периодического действия:
1-куб; 2-змеевик; 3-колонна; 4-труба для отвода паров из колонны; 5-дефлегматор; 6-труба для возврата флегмы; 7-труба для отбора дистиллята; 8-холодильник.
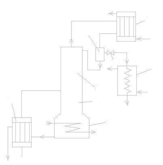
Рис. 2. Схема ректификационной установки непрерывного действия:
1-теплообменник; 2-укрепляющая колонна; 3-исчерпывающая колонна; 4-кипятильник; 5-дефлегматор; 6-распределительный стакан; 7-холодильник; 8-вентиль, регулирующий отбор дистиллята.
По мере протекания процесса условия работы установки постепенно изменяются. В начале процесса в колонну поступают из куба пары, богатые НК. В этот период нужно сравнительно нужно сравнительное небольшое количество флегмы, чтобы выделить из паров, содержащийся в них ВК. В ходе процесса выходящие из куба пары будут всё более обогащаться ВК, и для выделения его из паров количество флегмы должно быть увеличено. Если же количество флегмы оставить постоянным, будет возрастать содержание ВК в дистилляте.
При непрерывной ректификации (рис. 2) смесь подаётся в среднюю часть колонны через теплообменник 1, обогреваемый остатком или паром. В верхней части колонны 2, расположенной выше точки ввода смеси, происходит укрепление паров. В нижней части колонны 3, расположенной ниже точки ввода смеси, происходит исчерпывание жидкости. Из исчерпывающей колонны жидкость стекает в кипятильник (куб) 4, обогреваемый паром. В кипятильнике образуются пары, поднимающиеся вверх по колонне; остаток непрерывно отводится из куба. Пары, выходящие из укрепляющей части колонны, поступают в дефлегматор 5, откуда флегма возвращается в колонну, а дистиллят направляется в холодильник 7.
Преимущества непрерывной ректификации по сравнению с периодической:
-
условия работы установки не изменяются в ходе процесса, что позволяет установить точный режим, упрощает обслуживание и облегчает автоматизацию процесса;
-
отсутствуют простои между операциями, что приводят к повышению производительности установки;
-
расход тепла меньше, причем возможно использование тепла остатка на подогрев исходной смеси в теплообменнике.
Благодаря перечисленным преимуществам в производствах крупного масштаба применяют главным образом непрерывную ректификацию, периодические процессы ректификации находят применение лишь в небольших, неравномерно работающих производствах.
1.3.2 Ректификация многокомпонентных смесей.
Разделение многокомпонентных смесей, как и двойных, производится периодически или непрерывно.
Периодическая ректификация проводится в одной колонне по схеме, показанной на рис. 1, путём последовательного (по времени) отбора отдельных фракций. При этом наряду с фракциями, содержащими чистые продукты, получается большое количество промежуточных фракций, содержащих смеси различных продуктов. Промежуточные фракции собирают отдельно и присоединяют к смеси, подаваемой на следующую операцию, или по мере накопления фракций подвергают их отдельной ректификации, что сильно усложняет ведение процесса.
а
б
Рис. 3. Схемы разделения тройной смеси
1, 2 - ректификационные колонны.
Для непрерывной ректификации многокомпонентных смесей применяют установки, состоящие из нескольких колонн. В каждой колонне отделяется одна из составных частей смеси или же смесь вначале разделяется на более простые по составу смеси, из которых в последующих по ходу процесса колоннах выделяются отдельные компоненты.
Количество колонн в установке должно быть на единицу меньше числа компонентов в исходной смеси. Так, для разделения тройной смеси требуются две колонны, причём процесс можно вести двумя способами. По одному способу (рис. 3,а) в первой колонне 1 отгоняется НК, а остаток, состоящий из смеси СК (компонент со средней температурой кипения) и ВК, передаётся во вторую колонну 2, где происходит разделение остатка. По другому способу (рис. 3,б)в первой колонне 1 отгоняется смесь СК и НК, которая затем разделяется на второй колонне 2, а ВК переходит в остаток первой колонны.
1.3.3 Ректификация под различным давлением.
В зависимости от температуры кипения разделяемых жидкостей ректификацию проводят под различным давлением. При температурах кипения от 30 до 150º С обычно применяют ректификацию под атмосферным давлением. Ректификацию в вакууме применяют при разделении высококипящих жидкостей для снижения температур их кипения. Ректификацию под давлением проводят при разделении жидкостей с низкой температурой кипения, в частности при разделении сжиженных газов.
Давление в кубе всегда больше давления наверху колонны на величину ее гидравлического сопротивления. Это имеет особенно большое значение для процесса ректификации, проводимого в вакууме, так как в случае большого гидравлического сопротивления колонны разрежение в кубе может оказаться недостаточным даже при очень глубоком вакууме наверху колонны. Поэтому гидравлическое сопротивление колонн, работающих при разрежении, должно быть возможно меньше.
1.3.4 Дефлегмация.
Дефлегмацию ведут при частичной или полной конденсации паров.
При частичной конденсации (рис. 4,а) в дефлегматоре 1 конденсируется часть паров, требуемая для образования флегмы. Остальная часть паров поступает в конденсатор 2, где образуют дистиллят, который затем охлаждается в холодильнике 2, где образует дистиллят, который затем охлаждается в холодильнике 3. При частичной конденсации происходит некоторое обогащение пара НК и получается дистиллят с меньшим содержанием ВК, чем в парах, выходящих из колонны. Частичная конденсация применяется при простой перегонке. При ректификации частичная конденсация также применяется часто, но в этом случае она не даёт особых преимуществ, так как укрепляющее действие дефлегматора незначительно.
П
ри полной конденсации (см. рис. 2) поступающие из колонны пары полностью конденсируются в дефлегматоре 5. Конденсат стекает в стакан 6, где делится на две части. Одна часть стекает в холодильник 7 и далее в сборник дистиллята. Другая часть вытекает из стакана через переливную трубу и возвращается в колонну в качестве флегмы. Количество отбираемого дистиллята регулируется при помощи вентиля 8.
Характеристики
Тип файла документ
Документы такого типа открываются такими программами, как Microsoft Office Word на компьютерах Windows, Apple Pages на компьютерах Mac, Open Office - бесплатная альтернатива на различных платформах, в том числе Linux. Наиболее простым и современным решением будут Google документы, так как открываются онлайн без скачивания прямо в браузере на любой платформе. Существуют российские качественные аналоги, например от Яндекса.
Будьте внимательны на мобильных устройствах, так как там используются упрощённый функционал даже в официальном приложении от Microsoft, поэтому для просмотра скачивайте PDF-версию. А если нужно редактировать файл, то используйте оригинальный файл.
Файлы такого типа обычно разбиты на страницы, а текст может быть форматированным (жирный, курсив, выбор шрифта, таблицы и т.п.), а также в него можно добавлять изображения. Формат идеально подходит для рефератов, докладов и РПЗ курсовых проектов, которые необходимо распечатать. Кстати перед печатью также сохраняйте файл в PDF, так как принтер может начудить со шрифтами.
















