Лекции (1093315), страница 6
Текст из файла (страница 6)
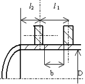
Требования к кольцам жесткости:
1. Кольца жесткости привариваются непрерывным швом с каждой стороны кольца, так чтобы общая длина шва составляла не менее 50% длины кольца.
2. Кольца жесткости расположены с той стороны, которая наименее подвержена коррозии.
внешние ребра
|
|
|
|
внутренние ребра
|
|
|
|
|
|
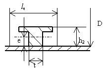
3. h2/D<=0,2.
4. Кольца жесткости располагаются равномерно
5. Если пункт 4. не выполняется, то b и l1 подставляются для того участка, на котором расстояние между двумя соседними кольцами жесткости максимально.
l2 > l1, то за расчетную длину берем l2.
ОБЕЧАЙКИ С КОЛЬЦАМИ ЖЕСТКОСТИ,НАГРУЖЕННЫЕ ВНУТРЕННИМ ИЗБЫТОЧНЫМ ДАВЛЕНИЕМ
МЕТОДИКА РАСЧЕТА
Дано: Р - расчетное давление; D - внутренный диаметр обечайки; S - толщина обечайки.
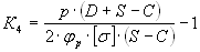
1.Определение коэффициента К4
(1)
jр - коэффициент прочности продольного сварочного шва ( табл. )
1) Если К4 меньше 0 - то укрепление кольцами жесткости не требуется
2) В диапазоне
расстояние между двумя кольцами жесткости следует рассчитывать по формуле
(2)
где jр - коэффициент прочности продольного сварного шва;
jt - коэффициент прочности кольцевого сварного шва;
jk - коэффициент прочности сварных швов кольца жесткости
Площадь поперечного сечения кольца
(3)
где [s] - допустимое напряжение при расчетной температуре;
[s]к - допустимое напряжение кольца жесткости.
3) Если
то толщину стенки необходимо увеличить, чтобы выполнялось условие
(4)
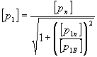
где [P1] - определяется из условия прочности всей обечайки
(5)
[P2] - допустимое внутреннее избыточное давление, определяется из условия прочности обечайки между двумя соседними кольцами.
(6)
(7)
ОБЕЧАЙКИ С КОЛЬЦАМИ ЖЕСТКОСТИ, НАГРУЖЕННЫЕ НАРУЖНЫМ ДАВЛЕНИЕМ
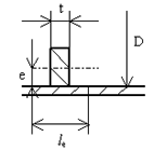
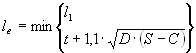
1. Эффективная длина стенки обечайки lе, которая учитывается при определении эффективного момента инерции J
(8)
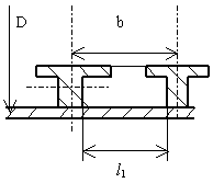
где l1 - расстояние между двумя соседними кольцами по осям через поперечные сечения колец жесткости;
t - ширина поперечного сечения кольца жесткости в месте его приварки к обечайке.
2. Эффективный момент инерции J расчетного поперечного сечения кольца жесткости
(9)
где е - расстояние между центром тяжести поперечного сечения кольца и серединой поверхности обечайки.
3. Коэффициент жесткости обечайки К, подкрепленной кольцами жесткости
(10)
4. Допустимое наружное давление определяется из условия
[P1] - определяется из условия устойчивости всей обечайки, рассчитанной по формуле
(11)
[P1N]- определяется по формуле (5) при условии jр=1,0 ; j=1,0.
[P1E]- допускаемое наружное давление определяется из условий устойчивости в пределах упругости
(12)
где L - расчетная длина всей обечайки;
(13)
[P2] - допускаемое наружное давление определяется из условий устойчивости обечайки между кольцами жесткости.
[P2] при длине
определяется по формуле (14)
(14)
(15)
После определения размеров кольца и обечайки по конструктивным соображениям необходимо провести проверку допустимого наружного давления (4)
Толщину стенки S или расстояние "в" между кольцами жесткости для заданного расчетного давления "р" определяем с помощью рис. 1 ( принимаем l=b )
Расчетный эффективный момент инерции кольца жесткости находим как
(16)
К5 определяется из рис.7
Наклонные линии - комплекс
После определения Jр методом последовательных приближений следует выбирать профиль кольца жесткости с моментом инерции Jк, обеспечивающий условие
J больше или равно Jp
где J - эффективный момент инерции расчетного поперечного сечения кольца жесткости, определяемый по ф-ле (9).
















