Готовое ДЗ по ТКМ вариант 11 (1092917)
Текст из файла
Министерство образования РФ
Московский Государственный Университет Инженерной
Экологии
Кафедра ТМиМ
Домашнее задание
вариант - 11
Выполнила:
Студентка группы Н-30
Пиняева О.В.
Проверил:
Филькин В.М.
Москва 2002
Условие
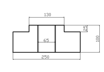
Эскиз детали
| Наименование | Материал | Тип производства |
| Втулка | Сталь 45Л | Серийное |
| D1,mm | D2,mm | D3,mm | L1,mm | L2,mm |
| 130 | 65 | 250 | 25 | 100 |
Для конкретной детали разработать методы и средства технологического обеспечения способа литья в разовую печатную форму.
Решение
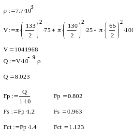
Величина размеров заготовки с учетом линейной усадки, второй класс точности.
| Размер | D1,mm | D2,mm | D3,mm | L1,mm | L2,mm |
| +линейная усадка | 133.25 | 66.625 | 256.25 | 25.625 | 102.5 |
| припуск | 6.0±1.2 | 3.5±0.8 | 4.0±1.0 | 3.0±0.5 | 3.5±0.8 |
| Размеры литейной формы | 145.25±2.40 | 59.63±1.6 | 264.3±2.0 | 28.63±0.5 | 106±0.8 |
Величины формовочных уклонов металлической модели
| Размер | L1,mm | L2,mm |
| Величина уклона | 1 | 0 45’ |
Величина галтелей
Конструирование стержней и стержневых ящиков
Эскиз модели
Эскиз отливки
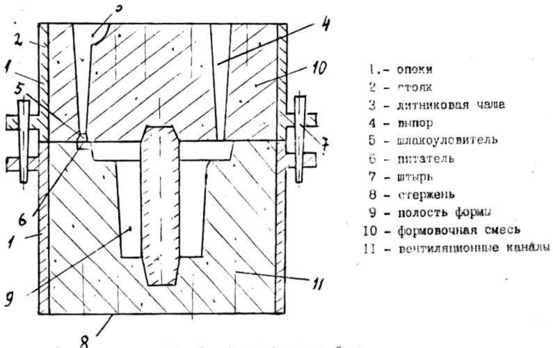
Эскиз формы в сборе
Контрольные вопросы
-
Литейная форма – система, образующих рабочую полость, в которую заливают расплавленный металл.
-
Литниковая система - система каналов для подвода металла в полость формы обеспечения ее заполнения и питания отливки при затвердевании.
Литниковая система состоит из следующих элементов:
литниковой чаши - канал для приема расплавленного металла и подачи его в форму;
стояка - вертикальный или наклонный канал для подачи металла непосредственно в рабочую полость формы или к другим элементам системы;
шлакоуловителя - канал для задержания шлака и других неметаллических включений, присутствующих в расплаве;
питателя - канал для непосредственного подвода металла в полость литейной формы.
3. Модель - приспособление, с помощью которого в форме получают отпечаток, соответствующий внешней конфигурации отливки.
Модельная плита – метал. плита с закрепленными на ней моделями и элементами литниковой системы. Применяют при машинной формовке.
Стержень - элемент для получения внутренних полостей или отверстий в отливках.
Стержневой ящик - приспособление, в котором изготовляют стержень.
4. Облицовочная смесь – это формовочная смесь, используемая для изготовления рабочего слоя формы. Такие смеси содержат повышенное количество исходных формовочных материалов (песок и глину).
Наполнительная смесь – для наполнения формы. Малое количество формовочных материалов
Единая смесь – применяют вместо первых двух при машинной формовке. Готовят из огнеупорных песков и глин. Обеспечивают долговечность.
6. Стержневые знаки служат для установки и точной фиксации в полости литейной формы при её заливке.
7. Уклоны назначаются для облегчения извлечения модели из уплотненной смеси на всех её вертикальных поверхностях.
8. Линейная усадка – уменьшение линейных размеров отливки при её охлаждении от температуре. Определяется по ГОСТу для различных сплавов.
9. Величина припуска и допуска зависит от материала отливки, ее наибольшего габаритного размера, положения поверхности в форме при заливке (верх, низ, бок), класса точности отливки. Отливки 1 класса точности получают в условиях массового производства (машинная формовка по металлическим моделям), II класса точности - в условиях серийного производства (машинная формовка по моделям, изготовленным из алюминия), III класса точности - в условиях единичного производства (ручная формовка по деревянным моделям).
Величину припусков ( в мм на сторону) и допусков выбирают по ГОСТ 2009-55 для стальных отливок, по ГОСТ 1855-55 для отливок из чугуна и по нормалям для отливок из цветных сплавов. Величину припуска показывают на эскизе отливки тонкой линией.
Если обрабатываемая поверхность является поверхностью вращения, то к номинальному размеру, указанному на чертеже детали, прибавляют (отнимают для внутренних) двойной припуск.
На механическую обработку литых отверстий принимают табличные припуски верха или низа, независимо от расположения отверстия.
10. У вертикальных стержней знаковые части конические, а у горизонтальных цилиндрические.
Характеристики
Тип файла документ
Документы такого типа открываются такими программами, как Microsoft Office Word на компьютерах Windows, Apple Pages на компьютерах Mac, Open Office - бесплатная альтернатива на различных платформах, в том числе Linux. Наиболее простым и современным решением будут Google документы, так как открываются онлайн без скачивания прямо в браузере на любой платформе. Существуют российские качественные аналоги, например от Яндекса.
Будьте внимательны на мобильных устройствах, так как там используются упрощённый функционал даже в официальном приложении от Microsoft, поэтому для просмотра скачивайте PDF-версию. А если нужно редактировать файл, то используйте оригинальный файл.
Файлы такого типа обычно разбиты на страницы, а текст может быть форматированным (жирный, курсив, выбор шрифта, таблицы и т.п.), а также в него можно добавлять изображения. Формат идеально подходит для рефератов, докладов и РПЗ курсовых проектов, которые необходимо распечатать. Кстати перед печатью также сохраняйте файл в PDF, так как принтер может начудить со шрифтами.
















