Лабораторная работа (решённая). Однофазный трансформатор (1092837)
Текст из файла
Лукьянович Сергей гр. М-28
Московский Государственный Университет Инженерной Экологии
Лабораторная работа №2
Тема: «Однофазный трансформатор»
Студент: Лукьянович Сергей
Группа: М-28
Преподаватель: Лакшин А.В..
Москва 2003
Цель работы: ознакомиться с устройством, принципом действия, характеристиками и методами исследования трансформатора.
Указания к проведению работы:
-
Ознакомиться с монтажными схемами, приведенных на рис.2.1 -2.3., для проведения опытов.
-
Ознакомиться с устройством трансформатора и записать его технические данные.
-
Внимание! Перед сборкой клеммы «ЗЕМЛЯ» комплекта К540 и блоков трансформатора соединить между собой.
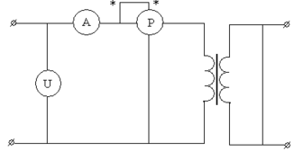
Опыт холостого хода
-
Собрать схему согласно рис. 2.1. Для измерения в первичной обмотке используется комплект К540 с пределами измерения тока – 1 [А], напряжения – 300 [В], мощности – 300 [Вт]. Для измерения напряжения вторичной обмотки применяют вольтметр панели 3 с приделом измерения – 150 [В] или цифровой вольтметр.
-
Перед включением стенда под напряжение, убедится что ручка автотрансформатора находится в крайнем левом положении.
-
Включить стенд под напряжение для чего нажать кнопки «ВКЛ. – сеть» и «ВКЛ. – автотрансформатор».
-
При помощи ручки автотрансформатора плавно повышать напряжение от 0 до 220 [В]. Показания приборов занести в таблицу 2.1.
-
После проведения опыта отключить напряжение при помощи кнопки «ВЫКЛ – сеть», а ручку автотрансформатора перевести в крайнее левое положение.
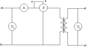
Опыт короткого замыкания
-
Собрать электрическую цепь согласно рис.2.2. Для измерений в первичной обмотке трансформатора используют измерительный комплект К540 с пределами измерения тока – 1 [А], напряжения – 30 [В], мощности – 30 [Вт].
-
Перед включением стенда под напряжение, убедится что ручка автотрансформатора находится в крайнем левом положении.
-
Включить стенд под напряжение для чего нажать кнопки «ВКЛ. – сеть» и «ВКЛ. – автотрансформатор».
-
При помощи ручки автотрансформатора плавно повышать входное напряжение, пока ток в первичной обмотки не достигнет номинального значения – 0,7 [А]. показания приборов записать в табл. 2.2.
-
После проведения опыта отключить напряжение при помощи кнопки «ВЫКЛ. – сеть», а ручку автотрансформатора перевести в крайнее левое положение.
Рабочий режим
-
Собрать электрическую схему согласно рис.2.3.
-
В качестве нагрузки трансформатора используют 3 резистора. Один нерегулируемый -
, два регулируемых -
, соединённых последовательно и расположенных на панели 2. -
Для измерений в первичной обмотки применяют измерительный комплект К540 с пределами измерений тока – 1 [А], напряжения – 300 [В], мощности – 300 [Вт]. Для измерения тока и напряжения во вторичной обмотки используют амперметр с пределами измерений - 1 [А], вольтметр – 150 [В], расположенные на панели 3 или цифровой вольтметр.
-
Перед включением стенда убедитесь, что ручка регулятора автотрансформатора и ручки движков переменных резисторов
и
находится в крайнем левом положении. -
Включить сеть для чего нажать кнопки «ВКЛ. – сеть» и «ВКЛ. - автотрансформатор».
-
При помощи ручки автотрансформатора плавно повысить напряжение до 220[В].
-
Постепенно вращая ручки переменных резисторов
и
провести 6 опытов, доведя ток до 1 [А]. Примечание: первое измерение делают при
, для чего отключают любой из резисторов
и
, либо берут данные из опыта холостого хода. -
После проведения опыта отключить напряжение при помощи кнопки «ВЫКЛ. – сеть», а ручку автотрансформатора перевести в крайнее левое положение.
-
Показать данные преподавателю, потом разобрать цепь.
Обработка экспериментальных данных
-
По результатам опытов рассчитать все величины, указанные в таблицах результатов измерений.
Необходимые расчетные формулы:
а) для опыта холостого хода:
б) для опыта короткого замыкания:
в) для рабочего режима:
-
Составить приведённую схему замещения трансформатора.
-
Построить векторную диаграмму трансформатора для номинального режима при условии
Опыт холостого хода
Рис.2.1. Электрическая схема опыта холостого хода
Таблица 2.1.
Опыт короткого замыкания
Рис. 2.2. Электрическая схема опыта короткого замыкания
Таблица 2.2.
Опыт рабочего режима
Таблица 2.3
4
Характеристики
Тип файла документ
Документы такого типа открываются такими программами, как Microsoft Office Word на компьютерах Windows, Apple Pages на компьютерах Mac, Open Office - бесплатная альтернатива на различных платформах, в том числе Linux. Наиболее простым и современным решением будут Google документы, так как открываются онлайн без скачивания прямо в браузере на любой платформе. Существуют российские качественные аналоги, например от Яндекса.
Будьте внимательны на мобильных устройствах, так как там используются упрощённый функционал даже в официальном приложении от Microsoft, поэтому для просмотра скачивайте PDF-версию. А если нужно редактировать файл, то используйте оригинальный файл.
Файлы такого типа обычно разбиты на страницы, а текст может быть форматированным (жирный, курсив, выбор шрифта, таблицы и т.п.), а также в него можно добавлять изображения. Формат идеально подходит для рефератов, докладов и РПЗ курсовых проектов, которые необходимо распечатать. Кстати перед печатью также сохраняйте файл в PDF, так как принтер может начудить со шрифтами.
















