Лабораторная работа (решённая). Исследование катушки с замкнутым и разомкнутым магнитопроводом (1092836)
Текст из файла
Цель работы: изучить влияние магнитопровода на величину тока в катушке.
Указания к проведению работы:
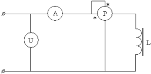
Ознакомиться с устройством катушки и её компонентами, с монтажной схемой (рис.1), записать технические данные катушки. Перед сборкой цепи клемма «ЗЕМЛЯ» комплекса К540 должна быть соединена с клеммой «ЗЕМЛЯ» катушки. Собрать электрическую цепь согласно схеме на рис.1.1 и проверить её у лаборанта.
Исследование катушки с разомкнутым магнитопроводом:
-
Для измерения напряжения, тока и мощности в катушке, использовать измерительный комплект К540 с пределами измерений: тока - 2,5 [А], напряжения – 300 [B], мощности – 750 [Вт].
-
Изменяя при помощи ручки автотрансформатора входное напряжение от 0 до 250 [В], записать показания приборов в таблицу 1.1. Пределы измерения напряжения указанны в примечании.
Исследование катушки с замкнутым магнитопроводом:
-
При помощи зажимов замкнуть магнитопровод.
-
Для измерения напряжения, тока, мощности в катушке используют комплект К540 с пределами измерения: тока – 0,25 [А], напряжения – 300 [В], мощности – 75 [Вт].
-
Измеряя при помощи ручки автотрансформатора входное напряжение от 0 до 250 [В], записать показания приборов в таблицу 1.2. Приделы измерения напряжения указанны в примечании.
-
После проведения опыта отключить стенд при помощи кнопки «ВЫКЛ - СЕТЬ», а ручку автотрансформатора перевести в крайнее левое положение.
Обработка экспериментальных данных:
-
По результатам опытов рассчитать все величины, указанные в таблицах. Необходимые расчетные формулы приведены ниже:
-
Построить на одном графике вольт – амперные характеристики катушки
для обоих опытов. -
Построить для последнего магнитопровода векторную диаграмму катушки с замкнутым магнитопроводом.
Примечание:
- при замкнутом магнитопроводе предел амперметра токовых катушек ваттметров 0,25 [А];
- при разомкнутом магнитопроводе – 2,5 [А].
Рис. 1.1. Электрическая схема установки
Таблица 1.1.
Таблица 1.2.
2
Характеристики
Тип файла документ
Документы такого типа открываются такими программами, как Microsoft Office Word на компьютерах Windows, Apple Pages на компьютерах Mac, Open Office - бесплатная альтернатива на различных платформах, в том числе Linux. Наиболее простым и современным решением будут Google документы, так как открываются онлайн без скачивания прямо в браузере на любой платформе. Существуют российские качественные аналоги, например от Яндекса.
Будьте внимательны на мобильных устройствах, так как там используются упрощённый функционал даже в официальном приложении от Microsoft, поэтому для просмотра скачивайте PDF-версию. А если нужно редактировать файл, то используйте оригинальный файл.
Файлы такого типа обычно разбиты на страницы, а текст может быть форматированным (жирный, курсив, выбор шрифта, таблицы и т.п.), а также в него можно добавлять изображения. Формат идеально подходит для рефератов, докладов и РПЗ курсовых проектов, которые необходимо распечатать. Кстати перед печатью также сохраняйте файл в PDF, так как принтер может начудить со шрифтами.















