Электро безопасность Метода (1089148), страница 3
Текст из файла (страница 3)
Рис.8. Зависимость тока Ih от сопротивления Rиз
б
) Воздушные протяженные сети, кабельные линии даже при хорошей изоляции (Rиз ) представляют опасность для человека из-за больших значений емкостей относительно земли. Напр., удельная емкость одной фазы кабеля в зависимости от сечения составляет от 0,15 до 0, 45 мкФ/км. Пренебрегая активной проводимостью изоляции, ток Ih можно найти по формуле:
Зависимость тока поражения от емкости фаз относительно земли представлена на рис.9.
Рис.9. Зависимость тока Ih от емкости
4. Электрическая изоляция
электрических установках изоляция элементов, находящихся под напряжением, является одним из основных (а иногда и единственным) средств электрозащиты. Она обеспечивает решение следующих задач:
-препятствует замыканию токоведущих частей электроустановок на корпус и землю;
-обеспечивает недоступность элементов электроустановок, находящихся под напряжением, для человека;
-обеспечивает защиту от поражения человека при прикосновении к элементам электроустановок, находящихся под напряжением (напр., при прикосновении к голым проводам сети с изолированной нейтралью - решение этой задачи иллюстрирует рис.8).
Сопротивление изоляции относительно земли (Rиз) на одном участке фазного провода между соседними отключающими аппаратами нормируется ПУЭ:
-силовая и осветительная электропроводка, распределительные щиты
Rиздоп >=0,5 МоМ;
-вторичные цепи управления, защиты, измеререния Rиздоп >= 1 МоМ.
Критическое сопротивление изоляции Rиз к р. (см.рис. 8) определяется из расчета длительно допустимого (>1с) тока через человека Ih=6мА по формуле:
Для сети 380/220 В и Rh=1000 Ом имеем:
; Rиз к р 107 кОм
В ряде случаев, когда требуется повышенная гарантия электробезопасности (напр., ручного электроинструмента, бытовых электроприборов, средств индивидуальной защиты), применяют дополнительную изоляцию, которая предназначена для защиты от поражения током в случае повреждения рабочей изоляции. Изоляция, состоящая из рабочей и дополнительной, н
азывается двойной, электрооборудование в этом случае маркируется знаком
Е
сли рабочая изоляция выполнена настолько надежно, что обеспечивает такую же защиту от поражения, как и двойная, ее называют усиленной. Сопротивление двойной и усиленной изоляции должно быть не ниже 5 МоМ.
Контроль изоляции
Для поддержания изоляции в исправном состоянии необходимо осуществлять контроль за ее сопротивлением, для чего применяют периодические и непрерывные методы ее измерения и испытания.
А) Измерение RM производят в отключенной установке 1 раз в год, вне очереди при обнаружении дефектов, после ремонта. Измеренное сопротивление изоляции должно быть не ниже нормы Rиз Rиздоп .Для измерения используют мегометры на соответствующие напряжения.
Б) Испытание изоляции повышенным напряжением производят в отключенной установке при ремонтах электрооборудования, а также при обнаружении повреждений. Этот метод эффективен для выявления местных дефектов и проверки электрической прочности изоляции, т.е. способности длительно выдерживать рабочее напряжение. В процессе испытания в течении 1мин подают напряжение Uисп в несколько раз (в соответствии с ПУЭ) превышающее рабочее Upaб.
В)Контроль изоляции без отключения рабочего напряжения называется непрерывным.
Наиболее простым является метод трех вольтметров. В установках до 1000 В вольтметры подключаются непосредственно к фазам и земле. При исправной изоляции, когда сопротивления всех фаз относительно земли одинаковы, каждый из вольтметров покажет фазное напряжение. Если сопротивление одной из фаз заметно уменьшится, то ее вольтметр покажет снижение напряжения, а два других — увеличение.
Рис.10. Схема контроля изоляции вольтметрами
При замыкании на землю фазы 1 ее вольтметр покажет нуль, а два других - линейные напряжения.
Недостатки этого метода следующие: схема не реагирует на симметричное снижение Rиз, всех трех фаз; схема реагирует на изменения емкости Сиз.
Второй метод - метод наложения -постоянного оперативного тока; на рабочий наиболее распространен, т.к. отвечает всем требованиям, предъявляемым к схемам непрерывного контроля изоляции. Источник постоянного оперативного тока Uист обеспечивает протекание тока утечки Iут, величина которого зависит от суммарного активного сопротивления изоляции контролируемой сети (Iут= f(Rиз)). При снижении сопротивления, любой из фаз ниже заданного значения Iут достигает тока уставки реле, реле срабатывает и своими контактами воздействует на исполнительное устройство.
Рис.11. Схема непрерывного контроля изоляции оперативным током
Оперативный ток может быть обеспечен от постороннего источника (как на схеме рис.11) или от выпрямителя, исключенного к контролируемой сети (так называемые вентильные схемы) .
Преимущества этого метода следующие:
схема реагирует на симметричное и несимметричное снижение Rиз;
имеется сигнализация о снижении Rиз ниже Rиздоп; входное сопротивление схемы высокое, что обеспечивает надежность.
В сетях с заземленной нейтралью сопротивление изоляции незначительно влияет на ток поражения человека при прикосновении к голому проводу. Но и в этой сети контроль сопротивления необходим, т.к. предотвращает замыкания на землю и электрооборудование и повышает тем самым электробезопасность. Однако применение непрерывного контроля в таких сетях связано с определенными трудностями.
5.Способы и средства защиты персонала при однофазных замыканиях на корпус
Однофазные замыкания происходят при повреждении изоляции электроприборов, линий электропередач, что создает опасность из-за появления на корпусах, опорах напряжений источников питания. Если, например, питание осуществляется от трехфазной сети 380/220 В, то при замыкании на корпусе электроприбора относительно земли появится фазное напряжение 220 В. Ток замыкания, возникающий в этом случае, создает опасные потенциалы не только на самом оборудовании, но и возле него из-за растекания на землю с оснований и фундаментов. Высокие потенциалы создают также опасность возникновения пожаров.
Защиту от поражения электрическим током и возгораний оборудования в случае замыканий на корпус осуществляют различными техническими средствами:
-защитным заземлением, обеспечивающим снижение напряжения прикосновения (на корпусе) и шага;
-защитным отключением, которое производит отключение поврежденного участка сети или оборудования;
-занулением, которое отключает оборудование и снижает напряжение прикосновения и шага на период срабатывания отключающего аппарата.
5.1. Защитное заземление .
Защитное заземление - преднамеренное электрическое соединение с землей или ее эквивалентом металлических не токоведущих частей оборудования, которые могут оказаться под напряжением в случае замыкания на корпус, а также по другим причинам (индуктивные наводки, разряд молнии и т.п.).
Назначение защитного заземления - уменьшение опасности поражения током в случае прикосновения к корпусу электроустановки, оказавшейся под напряжением вследетвии замыкания на корпус или по другим причинам.
Защитное заземление следует отличать от рабочего заземления (соединение с землей отдельных точек электрической цепи, напр. нейтральной точки питающего генератора, для обеспечения надлежащей работы в нормальных или аварийных условиях) и заземления молниезащиты (соединение с землей молниеприемников и разрядников для отвода токов молнии в землю).
Принцип действия защитного заземления - снижение До безопасных значений напряжений прикосновения путем понижения потенциалов заземленного оборудования относительно земли.
Область применения защитного заземления:
а)сети напряжением до 1000 В - трехфазные трехпроводные с изолированной нейтралью; однофазные двухпроводные, изолированные от земли; постоянного тока двухпроводные с изолированной средней точкой источника ;
6)сети напряжением выше 1000 В - переменного и постоянного тока с любым режимом нейтральной или средней точки источника.
При этом заземление обязательно при напряжении 380В и выше переменного тока и 440В и выше постоянного во всех случаях; при напряжениях выше 42В переменного тока и 110 постоянного - в помещениях с повышенной опасностью, в особо опасных помещениях и наружных установках; независимо от напряжения - во взрывоопасных помещениях.
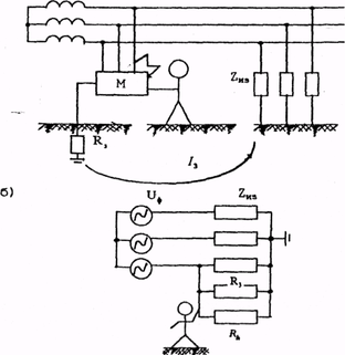
Заземление выполняют, соединяя корпус электрооборудования с электродами, расположенными в земле, с помощью заземляющих проводников. На рис.12 приведена схема защитного заземления оборудования в трехфазной сети с изолированной нейтралью.
Рис. 12 Схема заземления : а) - принципиальная; б) - замещения
Напряжение на корпусе относительно земли при замыкании фазы на заземленный корпус будет определятся падением напряжения на сопротивлении эаземлителя Rз
Uз=Iз + Rз . Ток через заземлитель можно найти по формуле:
Iз = 3 * Uф / ( 3 * Rз + Zиз ) . Ток, проходящий через тело человека:
Ih = Uз / Rh = Iз * Rз / Rh
Из приведенных формул следует, что защитное заземление только тогда успешно выполняет свою функцию, когда его сопротивление не превышает допустимых значений. Нормирование заземлений дано в ПУЭ. В электроустановках до 1000 В с изолированной нейтралью сопротивление заземления не должно превышать:
- при мощности источников питания 100 кВА и более
Rз =< 4 Ом;
- при мощности менее 100 кВА, R3 =< 10 Ом.
Электрические характеристики заземлителей
Основными характеристиками заземлителя являются его потенциал относительно земли, сопротивление и кривая распределения потенциалов на поверхности земли в зоне растекания тока вокруг заземлителя . Эти характеристики определяют значения напряжений прикосновения и шага.
Рассмотрим методику определения характеристик теоретически на примере одиночного полусферического заземлителя, с которого стекает ток Iз на землю равномерно по всем направлениям (рис . 13) . Ток создает в земле электрическое поле, напряженность которого Е, в любой точке на расстоянии х равна:
,
где - удельное сопротивление грунта, Ом*м;
х - плотность тока растекания в земле, А/м2
r - радиус заземлителя.
Падение напряжения dU на участке земли dx равно:
dU = Ех * dx. Тогда потенциал х в любой точке х будет равен:
,а после интегрирования
Из анализа (х) следует:
















