БЖД v4 (1089143)
Текст из файла
Введение
Описание рабочего места разработчика и трудового процесса
Данный раздел дипломного проекта освещает основные вопросы техники безопасности и экологии труда. В качестве примера оптимального рабочего места разработчика выполняется анализ характеристик помещения и расчет защиты от электрического тока. Рабочее место разработчика - оператора ПЭВМ – это место, которое оснащено средствами отображения информации, органами управления и вспомогательным оборудованием, на котором осуществляется его трудовая деятельность. К нему предъявляются соответствующие требования, которые изложены в СанПиН 2.2.2.542-96. В нашем случае разработчик занимается умственной работой, получая и обрабатывая информацию, отображаемую на дисплее ПЭВМ. Основным положением пользователя во время работы является положение сидя. Работа пользователя будет заключаться в проведении поиска и расчета необходимых параметров и комплектующих Мониторингового поста контроля (МПК). В данной работе нам требуется обеспечить оптимальные параметры рабочего места разработчика и произвести расчет зануления на отключающую способность.
1.Анализ условий труда. Опасные факторы
Помещение, в котором находится рабочее место разработчика, имеет следующие характеристики:
-
длина помещения: 5 м;
-
ширина помещения: 4 м;
-
высота помещения: 4 м;
-
число окон: 2;
-
число рабочих мест: 3;
-
число компьютеров: 3.
освещение: естественное (через боковые окна) и общее искусственное;
План помещения:
Опасным, называется, производственный фактор, воздействие которого на работающего человека в определенных условиях приводит к травме или другому внезапному резкому ухудшению здоровья. Если же производственный фактор приводит к заболеванию или снижению трудоспособности, то его считают вредным. В зависимости от уровня и продолжительности воздействия вредный производственный фактор может стать опасным. Опасные и вредные производственные факторы подразделяются на четыре группы: физические, химические, биологические и психофизические.
Разработчик сталкивается с воздействием таких физически опасных и вредных производственных факторов, как:
-
повышенный уровень шума,
-
повышенная температура внешней среды,
-
отсутствие или недостаточная освещенность рабочей зоны,
-
электрический ток, статическое электричество и другие.
2.Мероприятия и средства защиты от вредных факторов
Помещения лабораторий, их размеры (площадь, объем) должны в первую очередь соответствовать количеству работающих и размещаемому в них комплекту технических средств. В них предусматриваются соответствующие параметры температуры, освещения, чистоты воздуха, обеспечивают изоляцию, от производственных шумов и т.п. Для обеспечения нормальных условий труда санитарные нормы СанПиН 2.2.1/2.1.1.567-96 устанавливают на одного работающего, объем производственного помещения не менее 15 м3 . Объем лаборатории, в которой производится разработка проекта «Мониторинговый пост контроля (МПК). Системы мониторинга обнаружения лесных пожаров», соответствует установленным санитарным нормам и составляет около 80 м3
Необходимым условием обеспечения комфортности и жизнедеятельности человека является хорошее освещение. Неудовлетворительное освещение является одной из причин повышенного утомления, особенно при напряженных зрительных работах. Продолжительная работа при недостаточном освещении приводит к снижению производительности и безопасности трудаОшибка! Источник ссылки не найден.. Правильно спроецированное и рационально выполненное освещение производственных, учебных и жилых помещений оказывает положительное психофизиологическое воздействие на человека, снижает утомление и травматизм, способствует повышению эффективности труда и здоровья человека, прежде всего, зрения.
Искусственное освещение в помещении осуществляется системой общего равномерного освещения. Освещенность на поверхности стола в зоне размещения рабочего документа должна быть 300-500 лк. [СанПиН 2.2.2/2.4.1340-03]
Для поддержания параметров микроклимата на уровне, необходимом для обеспечения комфортности и жизнедеятельности, применяют вентиляцию помещений, где человек осуществляет свою деятельность. Оптимальные параметры микроклимата обеспечиваются системами кондиционирования воздуха, а допустимые параметры – обычными системами вентиляции и отопления. Система вентиляции представляет собой комплекс устройств, обеспечивающих воздухообмен в помещении, т.е. удаление из помещения загрязнённого, нагретого, влажного воздуха и подачу в помещение свежего, чистого воздуха. По зоне действия вентиляция бывает общеообменной, при которой воздухообмен охватывает всё помещение, и местное, когда обмен воздуха осуществляется на ограниченном участке помещения. По способу перемещения воздуха различают системы естественной и механической вентиляции. Система вентиляции, перемещение воздушных масс в которой осуществляется благодаря возникающей разности давлений снаружи и внутри здания, называется естественной вентиляцией. Для постоянного воздухообмена, требуемого по условиям поддержания чистоты воздуха в помещении, необходима организованная вентиляция, или аэрация.
| Оптимальные нормы микроклимата | ||||
| Период года | Категория работ | Температура воздуха, С | Относит. влажность воздуха, % | Скорость движения воздуха, м/с |
| Холодный | Легкая | 22-24 | 40-60 | 0,1 |
| Теплый | Легкая | 23-25 | 40-60 | 0,1 |
Таблица 1. Оптимальные нормы климата.
В помещении в течение всего года поддерживаются нормальные значения температуры, влажности воздуха, и скорости движения воздуха, благодаря установленному кондиционеру.
Все меры, связанные с обеспечением безопасности эксплуатации электроустановок, делятся на две большие группы: организационные и технические. К организационным мероприятиям относятся мероприятия, связанные с периодическим медицинским контролем здоровья персонала и выявлением его пригодности к работе на электроустановках.
Лица, обслуживающие и эксплуатирующие электроустановки, относятся к электротехническому персоналу. Электротехнический персонал должен быть физически здоровым, не иметь увечий и болезней, препятствующих или мешающих выполнению работы. Пригодность к обслуживанию электроустановок определяется при приеме на работу и периодически 1 раз в 2 года медицинским освидетельствованием. К работам в электроустановках допускаются лица в возрасте не моложе 18 лет.
К мероприятиям технического порядка следует отнести: недоступность токоведущих частей, защитное заземление, защитное зануление, защитное отключение.
Недоступность токоведущих частей для случайного прикосновения обеспечивается следующими способами: ограждением и расположением токоведущих частей на недосягаемой высоте или в недоступном месте, рабочая изоляция. Ограждения в виде корпусов, кожухов, оград выполняются сплошными или сетчатыми. Для доступа непосредственно к электрооборудованию или токоведущим частям последнего (при осмотре или ремонте) в ограждениях предусматриваются открывающиеся части: крышки, дверцы, двери и т. д. Эти части закрываются специальными запорами или снабжаются блокировками. Блокировки по принципу действия бывают электрические и механические.
3. Расчет защиты от электрического тока
Расчет зануления проводят с целью определить условия, при которых в аварийной ситуации произойдет надежное отключение поврежденной электроустановки от сети и будет снижено до безопасной величины напряжение на корпусе в аварийный период.
требования, которые необходимо выполнить при расчете зануления:
а) ток короткого замыкания должен отвечать условию: Iк.з ≥ k* Iном
где k - коэффициент надежности отключения;
б) сопротивление нулевого защитного проводника
Zн.ф. ≤ 2Zф ;
в)сопротивление рабочего заземлителя нейтрали источника питания Ro≤ 2-4-8 Ом
при напряжениях источника UHOM = 660 - 380 - 220 В соответственно;
в) значение коэффициента k принимается в зависимости от типа защиты электроустановки и должно быть не менее;
| Аппарат | Нормальные условия | Взрывоопасное помещение | ||
| Предохранитель или автомат с тепловым расцепителем | 3 | 4-6 | ||
| Автомат с электромагнитным расцепителем до 100А | 1,4 | 1,4 | ||
| Прочие автоматы | 1,25 | 1,25 | ||
Необходимо выбрать нулевой защитный проводник и расчитать его сопротивление, которое обеспечит требуемый ток короткого замыкания, и выбрать защитный аппарат с необходимым временем срабатывания. Другими словами, зануление рассчитаем на отключающую способность.
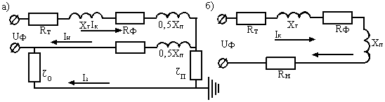
Рис. 1. Расчетные схемы зануления на отключающую способность: а – полная, - упрощенная
Исходные данные:
- линия с алюминиевыми проводами;
- прокладка кабеля сечением 3* 4 + 1*2,5 мм2;
- питание от трансформатора 1000 кВА, 6/0,4 кВ;
- расстояние до лаборатории 250 м;
- удельное сопротивление Al: ð =0,028 Ом*мм2/м.
| 1 |
|
| 2 |
|
Ф |
|
| НЗ |
|
| Ro |
|
| Rn |
|
| Iк |
|
| Iн |
|
| Iз |
|
Iк
Uф
Ф
Ф
Ф
Iн
Iз
Iз
НЗ
Iк
2
Характеристики
Тип файла документ
Документы такого типа открываются такими программами, как Microsoft Office Word на компьютерах Windows, Apple Pages на компьютерах Mac, Open Office - бесплатная альтернатива на различных платформах, в том числе Linux. Наиболее простым и современным решением будут Google документы, так как открываются онлайн без скачивания прямо в браузере на любой платформе. Существуют российские качественные аналоги, например от Яндекса.
Будьте внимательны на мобильных устройствах, так как там используются упрощённый функционал даже в официальном приложении от Microsoft, поэтому для просмотра скачивайте PDF-версию. А если нужно редактировать файл, то используйте оригинальный файл.
Файлы такого типа обычно разбиты на страницы, а текст может быть форматированным (жирный, курсив, выбор шрифта, таблицы и т.п.), а также в него можно добавлять изображения. Формат идеально подходит для рефератов, докладов и РПЗ курсовых проектов, которые необходимо распечатать. Кстати перед печатью также сохраняйте файл в PDF, так как принтер может начудить со шрифтами.
















