Курсовки СБИС-174240-36-НУС (1088629)
Текст из файла
Эти листы пустые потому что на их место вставляется задание на курсовой проект, полученное на прошлом курсе!
3. Оглавление
1. Титульный лист …………………………………………………………….... 1
2. Бланк-задание, утвержденное преподавателем …………………………..... 2
3. Оглавление ………………………………………………………………….... 5
4. Введение …………………………………………………………………….... 6
5. Выбор схемотехники, уровня технологии и
параметров БМК СБИС ………………………….………...………...….. 7
-
. Выбор значения М2 и М3 ………………………………………………..... 7
5.2. Определение максимальной интеграции СБИС ......................................... 7
5.3. Определение уровней полупроводниковой технологии () CБИС .......... 7
5.4. Выбор схемотехники ..................................................................................... 8
6. Расчет основных компоновочных параметров
логической схемы устройства ……………………………………....…... 9
7. Расчет энергетических параметров устройства ……………………...…… 10
8. Выбор системы охлаждения ………………………………………...……... 10
9. Описание принципов обеспечения помехоустойчивости конструкции … 11
10. Расчет конструкции коммутационных элементов …………………...….. 12
10.1. Расчет габаритных размеров БМК СБИС ................................................ 12
10.2. Определение числа логических связей .................................................... 12
10.3. Расчет средних длин связей и средних длин логических цепей ............ 12
10.4. Расчет трассировочной способности ........................................................ 12
10.5. Расчет слойности, структуры и выбор числа потенциальных слоев ..... 13
11. Выбор и обоснование общей конструкции устройства ………………..…14
11.1. Расчет числа выводов и определение типа корпуса СБИС .................... 14
Сборочный чертеж СБИС ......................................................................... 15
Сборочный чертеж НУС-соединителя .................................................... 16
11.2. Крепление кристалла в корпусе СБИС ..................................................... 17
11.3. Топология керамической подложки ......................................................... 17
11.4. Герметизация корпуса ................................................................................ 17
12. Расчет параметров системного и функционального
быстродействия устройства …………………………………….………. 17
13. Выбор и обоснование технических решений по конструкции
разъемных соединителей для СБИС ………………………….………... 18
14. Технологическая часть – описание технологического процесса
изготовления кристалла и сборки СБИС …………………………….... 19
15. Заключение ……………………………………………………………….... 20
16. Список используемой литературы ………………………………............... 21
4. Введение.
Конструирование современных ЭВМ любого назначения представляет собой сложный процесс разработки широкого спектра конструкторской документации на элементы в частности СБИС, функциональные узлы, блоки, устройства и ЭВМ в целом, предназначенной для последующего изготовления и эксплуатации. Характер решаемых задач в процессе разработки КД самый разнообразный: от задач по обеспечению механической прочности, надежности и тепловых режимов в конструкциях до задач по обеспечению заданного быстродействия, помехоустойчивости и электромагнитной совместимости.
Общий процесс конструирования любого электронного изделия, в т.ч. и ЭВМ, с целью конкретизации конструкторских задач условно можно представить как состоящий из трех взаимосвязанных составных частей: конструирование механической и электронной частей изделия и конструирование окружающей среды, т.е. средств, обеспечивающих заданную температурную работоспособность изделия.
Конструирование механической части устройств ЭВМ, характеризуемое традиционно как “механическое конструирование”, предназначено для решения задач по обеспечению механической прочности и устойчивости конструкций к внешним воздействующим факторам. Конструирование окружающей среды связано с обеспечением надежного функционирования ЭВМ и предназначено для решения задач по обеспечению вполне определенных тепловых режимов работы логических элементов в устройствах. Такое конструирование характеризуется устоявшимся термином “тепловое конструирование”.
Конструирование же электронной части ЭВМ имеет свои характерные особенности. Они заключаются в том, что электронная часть предназначена для выполнения главной функции ЭВМ, а именно, для обработки, обмена и получения результатов вычислений по заданным алгоритмам и программам. Поэтому конструирование электронной части связано с решением широкого спектра сложных специфических задач по выбору оптимальных параметров логических элементов, по компоновке и оптимальному выбору параметров конструкций ЭВМ, по обеспечению быстродействия и помехоустойчивости линий связи в общей системе межсоединений и многие другие. Все задачи взаимосвязаны и требуют для своего решения разработки соответствующих методов, правил, принципов и критериев конструирования.
Определяющей задачей для электронного конструировования было конструирование транзисторов и транзисторных схем (II‑е поколение), затем, с появлением ИС (III‑е поколение), определяющей задачей стала компоновка узлов и блоков на ИС и конструирование линий связи. Переход к широкому применению в ЭВМ БИС и СБИС (IV‑е, V‑е поколение) привел к существенному изменению принципов компоновки и появлению новых методов обработки информации, что не могло не отразится на изменении методов конструирования и компоновки электронной части ЭВМ. При этом задача обеспечения заданного быстродействия, помехоустойчивости и помехозащищенности устройств сохраняла свою определяющую роль и значимость.
-
Выбор схемотехники, уровня технологии и параметров СБИС.
-
Выбор значения М2 и М3
Задано: Nmaxэффек = 175000, i = 1, 2, 3, 4, М1 = 10, М4 = 36
Рассчитаем М2 и М3:
М1*М2*М3*М4 = Nmaxэффек
M2*M3 = Nmaxэффек / (M1*M4) = 175000/(10*36)=486 элэ
Примем:
М1=10, М2=22, M3=22, M4=36
=> Nmaxэффек = М1*М2*М3*М4 = 174240
5.2. Определение максимальной интеграции СБИС.
Логические элементы в модулях БИС используются со средней эффективностью равной 0,5. При этом эффективность использования структурных элементов на каждом уровне различны:
для i=1: ЭЭ1=0,7
для i=2: ЭЭ2=0,8
для i=3: ЭЭ3=0,9
для i=4: ЭЭ4=1
N
maxmax = Nmaxэффект / Ээф= 174240/0.5 = 348480 элэ
Результаты сведём в Таблицу 1.
Таблица 1.
| Уровень Компоновки i | Схемная интеграция | Интеграция кристалла | ||
| Ni | Mi | Nsi | Msi | |
| 1 | 10 | 10 | 15 | 15 |
| 2 | 220 | 22 | 420 | 28 |
| 3 | 4840 | 22 | 10000 | 25 |
| 4 | 174240 | 36 | 348480 | 36 |
-
Определение уровней полупроводниковой технологии () CБИС
О
ценочные размеры кристалла определяются по формуле:
=> = 10/(Nmaxmax)1/4 = 10/(348480)1/4 = 0,41 мкм
5.4. Выбор схемотехники.
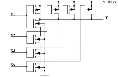
Строим СБИС на основе схемотехники КМОП. Обоснование выбора схеметехники приведено в п.7 при расчете энергетических характеристик.
Рис. 1. Принципиальная схема 4-х входового элемента И-НЕ
6. Расчет основных и произвольных компоновочных параметров логической схемы устройства.
Расчеты производились с помощью компьютерной программы. Результаты расчетов занесены в таблицу 2.
Таблица 2. Основные компоновочные параметры.
| Уровень компоновки | Интеграция | mi | hi | Hi | Кi | ri | ril | li | ni | |
| Mi | ||||||||||
| i=1 | 1 | 1 | 4 | 1 | 1 | 3 | 1 | 0 | 1 | 1 |
| 10 | 10 | 10.9 | 2.45 | 2.45 | 2.43 | 1.57 | 0.22 | 1.29 | 2.69 | |
| 28721 | 28721 | 422.4 | 15.51 | 15.51 | 1.15 | 2.85 | 0.48 | 12.69 | 37.72 | |
| 58081 | 58081 | 507.3 | 16.72 | 16.72 | 1.11 | 2.89 | 0.49 | 14.42 | 42.99 | |
| 77441 | 77441 | 577.9 | 17.62 | 17.62 | 1.08 | 2.92 | 0.49 | 15.79 | 47.17 | |
| 96801 | 96801 | 639.4 | 18.36 | 18.36 | 1.05 | 2.95 | 0.49 | 16.95 | 50.69 | |
| 116161 | 116161 | 694.5 | 18.98 | 18.98 | 1.04 | 2.96 | 0.5 | 17.96 | 53.77 | |
| 135521 | 135521 | 744.8 | 19.52 | 19.52 | 1.02 | 2.98 | 0.5 | 18.86 | 56.51 | |
| 174240 | 174240 | 834.8 | 20.43 | 20.43 | 1.0 | 3 | 0.5 | 20.43 | 61.29 | |
| i=2 | 10 | 1 | 10.9 | 1 | 2.45 | 2.43 | 1.57 | 0 | 1 | 1 |
| 220 | 22 | 42.1 | 3.29 | 8.06 | 1.84 | 1.60 | 0.23 | 1.43 | 2.88 | |
| 38730 | 3873 | 422.5 | 12.36 | 30.30 | 1.15 | 2.29 | 0.39 | 5.04 | 12.12 | |
| 58090 | 5809 | 507.4 | 13.53 | 33.17 | 1.11 | 2.33 | 0.40 | 5.63 | 13.61 | |
| 77450 | 7745 | 577.9 | 14.41 | 35.34 | 1.08 | 2.36 | 0.40 | 6.11 | 14.78 | |
| 96810 | 9681 | 639.4 | 15.14 | 37.12 | 1.05 | 2.38 | 0.41 | 6.50 | 15.76 | |
| 116170 | 11617 | 694.5 | 15.75 | 38.62 | 1.04 | 2.40 | 0.41 | 6.84 | 16.61 | |
| 135530 | 13553 | 744.8 | 16.29 | 39.94 | 1.02 | 2.41 | 0.41 | 7.15 | 17.36 | |
| 174240 | 17424 | 834.8 | 17.20 | 42.17 | 1.00 | 2.43 | 0.42 | 7.67 | 18.67 |
Характеристики
Тип файла документ
Документы такого типа открываются такими программами, как Microsoft Office Word на компьютерах Windows, Apple Pages на компьютерах Mac, Open Office - бесплатная альтернатива на различных платформах, в том числе Linux. Наиболее простым и современным решением будут Google документы, так как открываются онлайн без скачивания прямо в браузере на любой платформе. Существуют российские качественные аналоги, например от Яндекса.
Будьте внимательны на мобильных устройствах, так как там используются упрощённый функционал даже в официальном приложении от Microsoft, поэтому для просмотра скачивайте PDF-версию. А если нужно редактировать файл, то используйте оригинальный файл.
Файлы такого типа обычно разбиты на страницы, а текст может быть форматированным (жирный, курсив, выбор шрифта, таблицы и т.п.), а также в него можно добавлять изображения. Формат идеально подходит для рефератов, докладов и РПЗ курсовых проектов, которые необходимо распечатать. Кстати перед печатью также сохраняйте файл в PDF, так как принтер может начудить со шрифтами.
















