КР_УКЭС_20090601_(L) (Nc=40) (1088586), страница 2
Текст из файла (страница 2)
для J2: Nа.у.а. = 3332; Nа.у.у. = 2500; Nа.у.в. = 2500.
-
Конструктивные параметры аппаратуры.
-
Ориентировочный объём, занимаемый аппаратурой на микросхемах с уровнем интеграции J1, определяем по формуле:
-
на микросхемах с уровнем интеграции J2:
-
По величине ориентировочного объёма, в соответствии с ГОСТ 17045-71 для бортовой аппаратуры, выбираем ближайший тип корпуса блока, объём V которого превышает величину V΄, и определяем его габаритные размеры (Приложение 1):
Блок для микросхем с уровнем интеграции J1: тип 2,5М; V1 = 7,6дм3, размеры (LxBxH) 250х157,0х194мм.
Блок для микросхем с уровнем интеграции J2: тип 2М; V2 = 6,0дм3; размеры (LxBxH) 250х124,0х194мм.
-
Исходя из габаритных размеров выбранного корпуса блока в зависимости от конструктивной реализации аппаратуры и в соответствии с требованиями ОСТ4ГО.010.009 выбираем размеры печатных плат: LX = 170мм.; LY = 75мм.
-
Определяем ориентировочное среднее количество выводов субблока:
-
Исходя из ориентировочного среднего количества выводов субблока выбираем тип разъёма, содержащий М′′сб выводов (М′′сб ≥ М′сб). Для J1 и J2 выбран разъём СНП59-96.
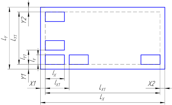
Черт.2
-
Основные размеры платы указаны на черт.2.
Для разъёмной конструкции по выбранным размерам печатных плат и размерам вилки выбранного разъёма в соответствии с ОСТ4ГО.010.009 выбираем размеры монтажной зоны LX1 = 127,5мм и LY1 = 65мм.
Для книжной и кассетной конструкции по выбранным размерам печатных плат и по размерам скобы с крышкой в соответствии с ОСТ4ГО.010.009 выбираем размеры монтажной зоны LX1 = 125мм и LY1 = 65мм.
-
Определим число горизонтальных (nY) и вертикальных (nX) рядов микросхем для разъёмной конструкции:
для книжной и кассетной конструкции:
Для односторонней установки, определяем максимально возможное количество микросхем на плате:
-
Количество микросхем Nс, устанавливаемых в субблоке, выбираем в пределах от 0,6 Nc.макс до Nc.макс. Принимаем Nc = 40.
-
Определяем количество субблоков устройства ввода-вывода:
где: Nс.в. – количество микросхем в субблоке устройства ввода-вывода.
-
Определяем количество субблоков арифметического устройства:
где: Nс.а. – количество микросхем в субблоке арифметического устройства.
-
Определяем количество субблоков устройства управления:
где: Nс.у. – количество микросхем в субблоке устройства управления.
-
Количество субблоков в аппаратуре:
-
Так как выполняется условие 2JNс.макс > Nсб., то аппаратура конструктивно реализуется на двух субблоках, один из которых занимает арифметическое устройство, а другой – устройство ввода-вывода и устройство управления.
-
Уточняем количество внешних выводов субблока (K1=3):
-
Так как уточненное количество внешних выводов субблока превышает количество выводов вилки разъёма субблока (СНП59-96), то количество субблоков увеличивается:
-
Определим габаритные размеры субблоков (LX2 – длина и LY2 – ширина):
-
Определим ориентировочную длину корпуса блока разъёмной конструкции:
где: Z1 – расстояние от лицевой панели корпуса блока до переднего крайнего субблока; Z2 – расстояние от задней панели корпуса блока до заднего крайнего субблока; Z3 – расстояние между субблоками.
-
Определим ориентировочную ширину корпуса блока книжной или кассетной конструкции:
где: Z4 – расстояние от боковой стенки корпуса блока до крайнего субблока.
-
Определим мощность, потребляемую блоком от источника питания (Pв – можно принять равной минимальной потребляемой мощности для транзистора):
-
Структурный анализ аппаратуры на уровне микросхем.
-
Количество типов микросхем.
-
Определим количество типов микросхем широкого применения и микросборок:
-
Определим количество типов микросхем широкого применения:
-
-
где: ξ1 – коэффициент пропорциональности типов схем широкого применения, учитывающий класс аппаратуры. Принимаем ξ1 = 0,6.
-
Определим количество типов микросборок:
-
Определим ориентировочное количество микросхем широкого применения в разрабатываемой аппаратуре:
где: ξ2 – коэффициент пропорциональности схем широкого применения, учитывающий класс аппаратуры. Принимаем ξ2 = 0,4.
-
Определим ориентировочное количество микросборок в разрабатываемой аппаратуре:
-
Распределение блоков по типам.
-
Определим количество неповторяющихся субблоков части блока неоднородной структуры:
-
Так как
, то все субблоки являются неповторяющимися и их количество принимается равным
.
-
Определяем число типов субблоков аппаратуры для неповторяющихся субблоков:
-
Распределение микросхем по типам.
-
Ориентировочное количество микросхем широкого применения в субблоке j-го типа определяем по формуле:
-
(для неповторяющихся субблоков γj = 1) ; при
.
для устройства ввода-вывода:
для арифметического устройства:
для устройства управления:
-
Определим ориентировочное количество микросборок в субблоке j-го типа:
для устройства ввода-вывода:
для арифметического устройства:
для устройства управления:
-
Поправочный коэффициент для уточнения количества микросборок в субблоке j-го типа определяем по формуле:
для устройства ввода-вывода:
| Для J1: | V11 = 1,03 | |
| Для J2: | V12 = 0,49 |
для арифметического устройства:
| Для J1: | V13 = 1,03 | |
| Для J2: | V14 = 0,49 |
для устройства управления:
| Для J1: | V15 = 1,03 | |
| Для J2: | V16 = 0,49 |
-
Уточненное количество микросборок в субблоке j-го типа определяем по формуле:
для устройства ввода-вывода:
для арифметического устройства:
для устройства управления:
-
Уточненное количество микросхем широкого применения в субблоке j-го типа определяем по формуле:
для устройства ввода-вывода:
для арифметического устройства:
для устройства управления:
-
Уточненное количество микросхем широкого применения в блоке:
-
Уточненное количество микросборок в блоке:
-
Ориентировочное количество микросборок i-го типа в субблоке j-го типа определяем по формуле:
для устройства ввода-вывода:
для арифметического устройства:
для устройства управления:
-
Поправочный коэффициент для уточнения количества микросборок i-го типа в субблоке j-го типа определяем по формуле:















