SAEU (1088565), страница 5
Текст из файла (страница 5)
4.2Анализ переходных процессов каскада с НЧ- коррекцией
в области больших временных интервалов
Исследуйте переходные характеристики в области больших времен и оцените спад плоской части Δ при различных значениях емкости конденсатора С6 относительно её оптимального значения определяемого выражением (2). Параметры источника V2 Model Pulse импульсного входного сигнала задайте следующим образом:
VZERO=0 VONE=1m P1=P2=0 P3=P4= T0 , P5=2.5 T0 ,
где T0 –длительность импульса источника V1 входного сигнала:
Спад плоской части Δ выходного сигнала установите равным Δ= =0,1 (10%). Время анализа примите равным 3Т0 При задании на анализ необходимо включить опцию Stepping, с указанием изменения емкости корректирующего конденсатора С6 в тех же значениях, что и при частотном анализе. Убедитесь, что условие (3) при оптимальной НЧ-коррекции оказывается таким же, что и при оптимальной коррекции плоской части импульса в области больших временных интервалов. Проведите копирование графиков переходных функций при коррекции плоской части импульса в рабочий файл Word лабораторной работы №2. По окончании работы проведите копирование (перемещение) результатов исследования из рабочего файла программы Word на дискету с указанием варианта выполненной работы. Рабочий файл работы№2 удалите!
Оформление отчета
Отчет должен содержать принципиальные схемы каскада без коррекции и с цепочками индуктивной высокочастотной и низкочастотной коррекции, их эквивалентные схемы в соответствующих частотных диапазонах и временных интервалах, а также графики частотных характеристик и переходных функций каскада с отметками полосы частот и параметров переходных процессов. В отчете должен быть указан вариант задания выполненной работы. Используя аналитические выражения, приведенные в [5,ч.1,c.95-104, 106-111], проведите расчет коэффициента усиления К0 выходной цепи каскада в области средних частот, верхних и нижних граничных частот без коррекции и при введенных оптимальных номиналах цепей НЧ и ВЧ коррекции и сравните их с результатами машинного моделирования.
Контрольные вопросы при подготовке к зачету
1. Используя эквивалентную схему выходной цепи каскада с элементами низкочастотной коррекции, изобразите частотные характеристики корректора с цепочкой: R4,(R1+R2) –С6 , выходной цепочки R6-C5 и результирующую частотную характеристику каскада. Объясните, почему условие
является оптимальным для коррекции как частотной, так и переходной характеристики ступени в области больших временных интервалов для переходной характеристики.
2.Изобразите эквивалентную схему выходной цепи каскада в области верхних частот с элементами высокочастотной индуктивной коррекции. Приведите вывод соотношения для оптимальной величины коэффициента коррекции a=0,41.
3.Объясните физическую причину явления, почему коррекция АЧХ в области верхних частот практически не влияет на частотные свойства каскада в области нижних частот?
Лабораторная работа №3
Исследование резисторного каскада с обратными связями
Цель работы: исследование влияния отрицательной последовательной обратной связи по току и параллельной по напряжению на входное сопротивление и коэффициент передачи напряжения. При подготовке к работе рекомендуется использовать литературу [5. ч.2 c.101-111]- приложение 2.
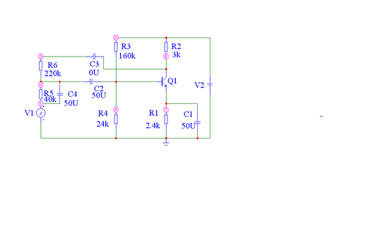
1.Вызов из библиотеки программы МС-7 схемы каскада
В меню Fileпрограммы вызовите файл Лабораторная. работа. №3. При этом на экран монитора будет введена принципиальная схема каскада с биполярным транзистором, приведенная на рис.3.Установите в схеме тип транзистора Q1 и сопротивление коллектора R2 в соответствии с вариантом задания из табл 3. Величины сопротивлений резисторов базового делителя: R3=160кОм, R4=24 кОм, и эмиттера R1=2,4кОм не изменяются
При замене транзистора Q1 не забудьте установить в его параметрах объемное сопротивление базы равное RB=100 Ом. Проведите с помощью программы МС-7 расчет стационарного режима. Методика расчета стационарного режима в схеме аналогична методике, которая использовалась при выполнении лабораторных работ №1 и №2.Напряжение источника питания V2 устанавливается равным 24В. Сопротивление R5 источника сигнала V1 установите равным 40 кОм. Ёмкости конденсаторов С2 и С4 установите одинаковыми и равными 50 мкФ. Ёмкость конденсатора С3 первоначально устанавливается равной нулю. Создайте файл рабочей программы Word лабораторной работы №3 так же, как указывалось при проведении лабораторных работ №1 и №2. В этот файл далее будут вноситься результаты исследования схемы лабораторной работы.
Рис.3
Таблица 3
| Варианты- № задания | Тип транзистора | Стационар. напряжение коллектор-эмиттер U20 В | Стации ток коллектора I20 мА | Сопротивление. коллектора R2=RK кОм |
| 1 | 2N2221 | 19,0 | 0,916 | 3 |
| 2 | 2N2221A | 12,6 | 0,912 | 10 |
| 3 | 2N2222 | 17,7 | 0,97 | 4 |
| 4 | 2N2222A | 17,7 | 0,97 | 4 |
| 5 | 2N2270 | 16,7 | 0,98 | 5 |
| 6 | 2N2368 | 16,3 | 0,91 | 6 |
| 7 | 2N2481 | 17,0 | 0,83 | 6 |
| 8 | 2N2484 | 16,7 | 0,97 | 5 |
| 9 | 2N2501 | 16,5 | 0,88 | 6 |
| 10 | 2N2222C | 11,7 | 0,98 | 10 |
Источник импульсного сигнала- V1-Pulse введите со следующими параметрами:
VZERO=0 VONE=1m P1=P2=0 P3=P4=2U P5=4U.
Копируйте принципиальную схему каскада с установленными данными из таблицы 3 в рабочий файл программы Word лабораторной работы№3.
2.Исследование стационарного режима каскада и
дифференциальных параметров транзистора в точке покоя
Определите стационарный режим каскада и стационарное напряжение U20 между коллектором и эмиттером и ток коллектора I20 транзистора Q1 также, как это было выполнено в лабораторной работе №1
Для определения значений дифференциальных параметров транзистора в рабочей точке предварительно введите в схему в режим короткого замыкания (КЗ) нагрузки, шунтируя сопротивление R2 добавочным конденсатором емкостью 50 мкФ.
Способ проведения режима короткого замыкания в схеме должен контролироваться преподавателем ведущим занятия.
Вычислите в режиме короткого замыкания дифференциальные параметры транзистора: g11, S0, в стационарной точке , для этого необходимо исследовать в диапазоне частот 10кГц-100МГц зависимости,
IB(Q1)/VBE(Q1) и IC(Q1)/VBE(Q1)
Первая из них вызовет создание графика АЧХ входной комплексной проводимости Y11 в указанном диапазоне частот, а вторая АЧХ комплексной крутизны Y21. Обратите внимание, что зависимость крутизны транзистора от частоты должна иметь падающий характер. Если это не происходит, то в значениях параметров транзистора объемное сопротивление базы RB было заявлено равным нулю. В этом случае обязательно введите введите корректировку величины этого сопротивления, положив её, как указано ранее 100 Ом ( RB= 100) С помощью пиктограммы –Cursor Mode (F8)-определите величину модуля входной проводимости Y11 на частоте f=10 кГц, которая соответствует значению входной проводимости g11 в области средних частот. Из графика АЧХ для параметра Y21 определить на частоте f=10 кГц величину крутизны транзистора S0.
После определения параметров g11 и S0 исключите в схеме режим короткого замыкания, положив емкость добавленного конденсатора равной нулю или удалите его из схемы. Введите значения этих параметров на поля графиков АЧХ Y11 и Y21 и скопируйте их в рабочий файл программы Word лабораторной работы №3.
3.Исследование показателей каскада без обратных
связей в области средних и верхних частот
При отсутствии обратных связей емкости конденсаторов С1 и С4 полагаются равными: С1=50 мкФ, С4=50 мкФ, а конденсатора-С3=0 мкФ. Емкость конденсатора С2 остается неизменной:и равной С2=50мкФ. В диапазоне частот 10кГц-100МГц исследуйте коэффициент передачи напряжения выходной цепи - V(6)/V(4) и входное сопротивление :V(4)/IB(Q1) каскада. Определите коэффициент усиления выходной цепи каскада в области средних частот и её верхнюю граничную частоту, используя пиктограмму Cursor Mode.
4.Исследование показателей каскада с последовательной
отрицательной обратной связью по току
Введите в каскад последовательную отрицательную обратную связь по току, положив: С1=0 мкф, С4=50 мкФ, С3=0мкФ.
Исследуйте частотную характеристику выходной цепи каскада
V(6)/V(4) в диапазоне частот 10 кГц-100 МГц . Для сравнения частотных характеристик выходной цепи каскада без обратной связи и с указанным типом связи в задании на анализ целесообразно включить опцию Stepping , в которой положить изменение емкости конденсатора С1 от нуля до 50 мкФ с шагом 50 мкФ. В том же диапазоне частот дополнительно исследуйте коэффициент передачи тока, введя в задание на анализ отношение IC(Q1)/IB(Q1) с включением опции Stepping конденсатора С1 с тем же шагом в 50 мкФ. Исследуйте зависимость входного сопротивления каскада в диапазоне частот 10 кГц-100 МГц. Входное сопротивление каскада определите дважды: 4а. после базового делителя в виде отношения: V(4)/IB(Q1) и 4б. до базового делителя, введя второе отношение: V(2)/I(C2). Целесообразно при исследовании частотных характеристик входного сопротивления также использовать опцию Stepping с указанием изменения емкости конденсатора С1 в диапазоне 0-50 мкФ с шагом 50 мкФ. В этом случае на экран монитора будут выведены графики частотных характеристик: для входного сопротивления, а также коэффициентов передачи напряжения и тока при наличии и отсутствии в каскаде последовательной отрицательной обратной связи по току. По полученным графикам с использованием пиктограммы Cursor Mode определите значения указанных выше сопротивлений и коэффициента передачи напряжения V(6)/V(4)на частоте 10 кГц. Проведите копирование результатов исследования частотных характеристик п.3 и4 в рабочий файл Word лабораторной работы №3. При этом целесообразно ввести комментарии к полученным результатам в поле частотных характеристик, используя пиктограмму Graphics, которая может быть активирована после проведения анализа.
















