lr (1086956)
Текст из файла
МОСКОВСКИЙ ИНСТИТУТ РАДИОТЕХНИКИ ЭЛЕКТРОНИКИ И АВТОМАТИКИ
Лабораторные работы
по предмету
ЦИФРОВЫЕ УСТРОЙСТВА
И
МИКРОПРОЦЕССОРЫ
Выполнил ст.
гр. ВРУ-3-02
____________________
____________________
____________________
____________________
____________________
Проверил
____________________
____________________
2005
Лабораторная работа № 2
Исследование арифметического сумматора
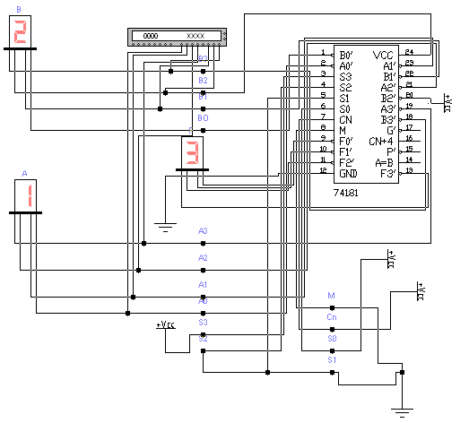
Рис. 1
На рис. 1 приведена схема четырехразрядного АЛУ на базе микросхемы 74181 (отечественный аналог К155ИП3). ИМС 74181 обеспечивает 32 режима работы АЛУ в зависимости от состояния управляющих сигналов на входах M, S0-S3, а также допускает наращивание разрядности (вход CN и выход CN<4 для переносов). Показанная на рис. 1, схема включения ИМС соответствует режиму сумматора без переноса. Значения четырехразрядных операндов A и B на входе задаются в помощью генератора слова и в шестнадцатеричном коде отображаются одноименными алфавитно – цифровыми индикаторами. На выходах F0 – F3 результат суммирования отображается индикатором F. Изменяя состояния сигналов на управляющих входах, можно промоделировать большинство функций АЛУ, используемых в микропроцессорах.
Задание. Используя схему рис. 1, проверить правильность работы сумматора. Результаты занести в таблицу 1.
Таблица 1
| A | B | F |
| 0 | 6 | 6 |
| 1 | 2 | 3 |
| 2 | 2 | 4 |
| 3 | 4 | 7 |
| 4 | 6 | 10 |
| 4 | 2 | 6 |
| 6 | 4 | 10 |
| 6 | 6 | 12 |
| 0 | 0 | 0 |
| 0 | 6 | 6 |
| 2 | 4 | 6 |
| 2 | 4 | 6 |
| 4 | 4 | 8 |
| 5 | 2 | 7 |
| 4 | 2 | 6 |
Лабораторная работа № 3
Комбинационные схемы средней степени интеграции. Исследование работы дешифратора в качестве мультиплексора.
Рис. 2
Дешифратор – логическая комбинационная схема, которая имеет n информационных входов. Каждой комбинации логических уровней на входах будет соответствовать активный уровень на одном из
входов. Обычно n равно 2,3 или 4. Для схемы рис. 1 n=3. На входы C,B,A можно подать следующие комбинации логических уровней: 000, 001,010,…111, всего 8 комбинаций. Схема имеет 8 выходов, на одном из них формируется низкий потенциал, на остальных – высокий. Номер этого выхода, на котором формируется активный нулевой уровень, соответствует числу N, определяемому состоянием входов C,B,A следующим образом:
.
Помимо информационных входов C,B,A дешифраторы обычно имеют дополнительные входы управления G. Сигналы на этих входах, например, разрешают функционирование шифратора или переводят его в пассивное состояние, при котором, независимо от сигналов на информационных входах, на всех выходах устанавливается уровень логической единицы. На рис. 1 представлен дешифратор с одним инверсным входом управления.
Задание. Используя схему рис. 2, в пошаговом режиме работы генератора слов, подайте на входы C,B,A демультиплексора слова, эквивалентные числам от 0 до 7. Наблюдая при помощи логических пробников уровни сигналов на выходах, заполните таблицу 2. Убедитесь, что изменяющийся сигнал на входе G поочередно появляется на выходах дешифратора.
| C | B | A | Y0 | Y1 | Y2 | Y3 | Y4 | Y5 | Y6 | Y7 |
| 0 | 0 | 0 | 0 | 1 | 1 | 1 | 1 | 1 | 1 | 1 |
| 0 | 0 | 1 | 1 | 0 | 1 | 1 | 1 | 1 | 1 | 1 |
| 0 | 1 | 0 | 1 | 1 | 0 | 1 | 1 | 1 | 1 | 1 |
| 0 | 1 | 1 | 1 | 1 | 1 | 0 | 1 | 1 | 1 | 1 |
| 1 | 0 | 0 | 1 | 1 | 1 | 1 | 0 | 1 | 1 | 1 |
| 1 | 0 | 1 | 1 | 1 | 1 | 1 | 1 | 0 | 1 | 1 |
| 1 | 1 | 0 | 1 | 1 | 1 | 1 | 1 | 1 | 0 | 1 |
| 1 | 1 | 1 | 1 | 1 | 1 | 1 | 1 | 1 | 1 | 0 |
Лабораторная работа № 4
Цифровые автоматы с памятью. Счетчики.
Рис. 3
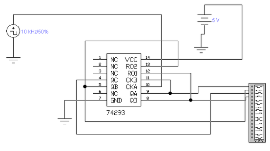
На рис. 3 представлена схема для исследования двоичного счетчика двоичного счетчика с коэффициентом пересчета 16 на базе микросхемы 74SL293. Импульсы частотой 10кГц поступают на тактовый вход счетчика. К выходам QA,QB,QC,QD подключен логический анализатор.
Рис. 4
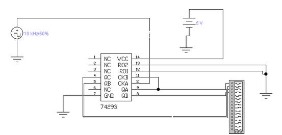
Аналогичная схема для исследования двоично - десятичного счетчика с коэффициентом пересчета 10 представлена на рис. 4.
Задание. Используя логический анализатор, представить диаграммы сигналов на выходах QA,QB,QC,QD для схем рис. 3 и рис. 4.
Диаграмма для схемы рис. 3.
Диаграмма для схемы рис. 4.
Характеристики
Тип файла документ
Документы такого типа открываются такими программами, как Microsoft Office Word на компьютерах Windows, Apple Pages на компьютерах Mac, Open Office - бесплатная альтернатива на различных платформах, в том числе Linux. Наиболее простым и современным решением будут Google документы, так как открываются онлайн без скачивания прямо в браузере на любой платформе. Существуют российские качественные аналоги, например от Яндекса.
Будьте внимательны на мобильных устройствах, так как там используются упрощённый функционал даже в официальном приложении от Microsoft, поэтому для просмотра скачивайте PDF-версию. А если нужно редактировать файл, то используйте оригинальный файл.
Файлы такого типа обычно разбиты на страницы, а текст может быть форматированным (жирный, курсив, выбор шрифта, таблицы и т.п.), а также в него можно добавлять изображения. Формат идеально подходит для рефератов, докладов и РПЗ курсовых проектов, которые необходимо распечатать. Кстати перед печатью также сохраняйте файл в PDF, так как принтер может начудить со шрифтами.
















