Домашняя работа (1086366)
Текст из файла
МОСКОВСКАЯ ГОСУДАРСТВЕННАЯ АКАДЕМИЯ
ПРИБОРОСТРОЕНИЯ И ИНФОРМАТИКИ
Кафедра «Экология и безопасность жизнедеятельности»
З А Д А Н И Е
для практических занятий по дисциплинам "Безопасность жизнедеятельности", "Основы экологии" по теме: "Расчет аппаратуры для защиты атмосферы от промышленных загрязнений"
Цель практических занятий: ознакомить студента с методикой расчета аппаратуры для защиты атмосферы от промышленных загрязнений.
Исходные материалы: варианты практических занятий (см. табл. Вариантов) и методические указания по проведению практического занятия (см. Методические указания "Расчет аппаратуры для защиты атмосферы от промышленных загрязнений", С. И. Гетия, М., МГАПИ, 2002 г.)
Порядок выполнения:
-
выбрать вариант по таблице вариантов;
-
ознакомиться с методикой;
-
выбрать тип используемой аппаратуры;
-
провести расчет выбранной аппаратуры;
-
привести схему выбранной и рассчитанной аппаратура;
-
оценить эффективность очистки;
-
оформить выполненное задание в виде отчета (формат А4).
Титульный лист выполнения задания:
МОСКОВСКАЯ ГОСУДАРСТВЕННАЯ АКАДЕМИЯ
ПРИБОРОСТРОЕНИЯ И ИНФОРМАТИКИ
Кафедра «Экология и безопасность жизнедеятельности»
Расчетно-пояснительная записка
Расчет аппаратуры для защиты атмосферы от промышленных загрязнений
ФИО студента Группа
Шифр студента Вариант
Подпись студента Подпись преподавателя
Москва 2002
МОСКОВСКАЯ ГОСУДАРСТВЕННАЯ АКАДЕМИЯ
ПРИБОРОСТРОЕНИЯ И ИНФОРМАТИКИ
Кафедра «Экология и безопасность жизнедеятельности»
С. И. Гетия
Методические указания по проведению практического занятия по дисциплинам «Безопасность жизнедеятельности», «Основы экологии»
на тему: «Расчет аппаратуры для защиты атмосферы от промышленных загрязнений»
Методические указания рассмотрены и одобрены на заседании кафедры
«______» _____________ 2002 г. Протокол № ______.
Москва 1995
Расчет аппаратуры для защиты атмосферы от промышленных загрязнений
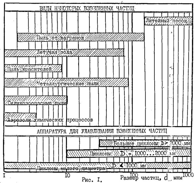
Различные производственные процессы могут загрязнять атмосферный воздух взвешенными твердыми или жидкими частицами, которые делятся на пыль, дым и туман. На Рис. 1 приведены некоторые виды взвешенных частиц в диапазоне размеров от 1 до 1000 мкм. Для улавливания взвешенных частиц применяется различная аппаратура, в составе которой значительное место занимают циклонные аппараты, являющиеся наиболее распространенной аппаратурой для сухого механического пылеулавливания. Данное практическое занятие включает в себя расчет и оценку эффективности различных типов циклонных аппаратов. На Рис. 2а и 2б приведены схемы циклонов с обозначением основных конструктивных параметров, значения которых в долях внутреннего диаметра D для различных типов циклонов приведены в таблице 1. В таблице 2 приведены некоторые технологические параметры циклонов.
Вида некоторых взвешенных частиц и аппаратура для их улавливания
D – внутренний диаметр циклона; d – внутренний диаметр выхлопной трубы;
H – высота циклона; d1 – внутренний диаметр пылевыпускного отверстия;
HT – высота выхлопной трубы; a – высота входного патрубка;
НЦ – высота цилиндрической части; hв – высота внешней части выхлопной трубы;
НК – высота конуса циклона; - угол наклона крышки и входного патрубка циклона.
Рис. 2.
Таблица 1
Геометрические размеры циклонов, приведенные в долях внутреннего диаметра D
| № п/п | Конструктивный параметр | Типы циклонов | ||||||
| Цилиндрические циклоны | Конические циклоны | |||||||
| ЦН-15 | ЦН-15У | ЦН-24 | ЦН-11 | СДК-ЦН-33 | СК-ЦН-34 | СК-ЦН-34М | ||
| 1 | , град | 15 | 15 | 24 | 11 | - | - | - |
| 2 | HТ | 1.74 | 1.5 | 2.11 | 1.56 | 0.535 | 0.515 | 0.4 |
| 3 | НЦ | 2.26 | 1.51 | 2.11 | 2.06 | 0.535 | 0.515 | 0.4 |
| 4 | НК | 2.0 | 1.5 | 1.75 | 2.0 | 0.3 | 2.11 | 2.6 |
| 5 | d | 0.59 | 0.59 | 0.59 | 0.59 | 0.334 | 0.34 | 0.22 |
| 6 | d1 | 0.35 | 0.35 | 0.35 | 0.35 | 0.334 | 0.229 | 0.18 |
| 7 | a | 0.66 | 0.66 | 1.11 | 0.48 | 0.535 | 0.25 | 0.4 |
| 8 | hВ | 0.3 | 0.3 | 0.4 | 0.3 | 0.25 | 0.515 | 0.3 |
Таблица 2
Значения оптимальной скорости и дисперсный состав пыли,
улавливаемой циклонный
| Наименование параметра | Типы циклонов | ||||||
| Цилиндрические циклоны | Конические циклоны | ||||||
| ЦН-15 | ЦН-15У | ЦН-24 | ЦН-11 | СДК-ЦН-33 | СК-ЦН-34 | СК-ЦН-34М | |
| Оптимальная скорость, Wопт, м/с | 3.5 | 3.5 | 4.5 | 3.5 | 2.0 | 1.7 | 2.0 |
| Дисперсный состав пыли, lg | 0.283 | 0.352 | 0.308 | 0.352 | 0.364 | 0.308 | 0.340 |
| dT50, мкм | 6.0 | 4.5 | 8.5 | 3.65 | 2.31 | 1.95 | 1.13 |
Примечание: дисперсный состав пыли приведен для следующих условий работы: Dт = 0.6 м; = 1930 кг/м3; = 22.210-6 Нс/м2; W = 3.5 м/с
Для циклонов принят следующий ряд внутренних диаметров: 200, 300, 400, 500, 600, 700, 800, 900, 1000, 1200, 1400, 1600, 1800, 2000, 2400, 3000.
Цилиндрические циклоны предназначены для улавливания сухой пыли, золы и т.п. Наиболее эффективно циклоны работают при размерах частиц пыли более 20 мкм. Конические циклоны предназначены для очистки газовых и воздушных сред от сажистых частиц. Производительность циклона увеличивается с ростом его диаметра. Для расчета циклона необходимо выбрать тип циклона в зависимости от вида взвешенных частиц и их размера (Рис. 1). Задавшись типом циклона, определяют оптимальную скорость Wопт (Табл.2).
Диаметр циклона определяют по формуле:
где D - диаметр циклона, м;
Q - производительность циклона, м3/с;
Wопт - оптимальная скорость, м/с.
В соответствии с типом циклона по его диаметру определяют геометрические размеры циклона (табл.1).
Полученное значение диаметра округляют до ближайшего типового значения в соответствии с рядом и все расчеты геометрических размеров ведут по типовому значению D. Если расчетный диаметр циклона превышает его максимально-допустимое значение, то необходимо применять два или более параллельно установленных циклона.
По выбранному диаметру циклона определяют действительную скорость газа в циклоне по формуле:
где W – действительная скорость газа, м/с;
n - число циклонов.
Действительная скорость не должна отличаться от оптимальной более чем на 15%.
Для проведения оценки эффективности очистки газов в. циклоне сначала необходимо рассчитать диаметр частиц по формуле:
где d50 - диаметр частиц, улавливаемых с эффективностью 50%, мкм;
dТ50 - диаметр частиц, улавливаемых с эффективностью 50% для типового циклона (см. табл. 2), мкм;
D - диаметр циклона, м;
DТ - диаметр типового циклона (D = 0.6 м);
- плотность частиц, кг/м3;
Т - плотность частиц для типового циклона ( = 1930 кг/м3).
- вязкость газа, Нс/м2;
T - вязкость газа для типового циклона (Т = 22.210-6 Нс/м2);
W - действительная скорость газа, м/с;
WT - действительная скорость газа в типовом циклоне (WT = 3.5 м/с).
С учетом значений для типового циклона с характерными условиями, использованными для составления табл.2, расчетная формула (3) принимает вид:
Далее определяется параметр x по следующей формуле:
где dm и lg m - дисперсный состав пыли (задан по варианту);
lg - дисперсный состав пыли для данного типа циклона (см. табл. 2).
По значению параметра x определяют значение нормальной функции распределения Ф(x) (рис. 3).
Эффективность очистки газов в циклоне оценивается по следующей формуле:
Характеристики
Тип файла документ
Документы такого типа открываются такими программами, как Microsoft Office Word на компьютерах Windows, Apple Pages на компьютерах Mac, Open Office - бесплатная альтернатива на различных платформах, в том числе Linux. Наиболее простым и современным решением будут Google документы, так как открываются онлайн без скачивания прямо в браузере на любой платформе. Существуют российские качественные аналоги, например от Яндекса.
Будьте внимательны на мобильных устройствах, так как там используются упрощённый функционал даже в официальном приложении от Microsoft, поэтому для просмотра скачивайте PDF-версию. А если нужно редактировать файл, то используйте оригинальный файл.
Файлы такого типа обычно разбиты на страницы, а текст может быть форматированным (жирный, курсив, выбор шрифта, таблицы и т.п.), а также в него можно добавлять изображения. Формат идеально подходит для рефератов, докладов и РПЗ курсовых проектов, которые необходимо распечатать. Кстати перед печатью также сохраняйте файл в PDF, так как принтер может начудить со шрифтами.
















