Расчет аппаратуры для защиты атмосферы (1086346)
Текст из файла
МОСКОВСКИЙ ГОСУДАРСТВЕННЫЙ УНИВЕРСИТЕТ
ПРИБОРОСТРОЕНИЯ И ИНФОРМАТИКИ
Кафедра «Экология и безопасность жизнедеятельности»
С. И. Гетия
Методические указания по проведению практического занятия по дисциплине «Экология»
на тему: «Расчет аппаратуры для защиты атмосферы от промышленных
загрязнений»
Методические указания рассмотрены и одобрены на заседании кафедры
« 20 » марта 2006 г., протокол № 9
Москва, 2006 г.
МОСКОВСКИЙ ГОСУДАРСТВЕННЫЙ УНИВЕРСИТЕТ
ПРИБОРОСТРОЕНИЯ И ИНФОРМАТИКИ
Кафедра «Экология и безопасность жизнедеятельности»
З А Д А Н И Е
для практического занятия по дисциплине «Экология»
на тему: "Расчет аппаратуры для защиты атмосферы от промышленных загрязнений"
Цель практических занятий: ознакомить студента с методикой расчета аппаратуры для защиты атмосферы от промышленных загрязнений.
Исходные материалы: варианты практических занятий (см. табл. Вариантов) и методические указания по проведению практического занятия (см. Методические указания "Расчет аппаратуры для защиты атмосферы от промышленных загрязнений", С. И. Гетия, М., МГУПИ, 2006 г.)
Порядок выполнения:
-
выбрать вариант по таблице вариантов;
-
ознакомиться с методикой;
-
выбрать тип используемой аппаратуры;
-
провести расчет выбранной аппаратуры;
-
привести схему выбранной и рассчитанной аппаратуры;
-
оценить эффективность очистки;
-
оформить выполненное задание в виде отчета (формат А4).
Титульный лист выполнения задания:
МОСКОВСКИЙ ГОСУДАРСТВЕННЫЙ УНИВЕРСИТЕТ
ПРИБОРОСТРОЕНИЯ И ИНФОРМАТИКИ
Кафедра «Экология и безопасность жизнедеятельности»
Расчетно-пояснительная записка
«Расчет аппаратуры для защиты атмосферы от промышленных загрязнений»
ФИО студента Группа
Шифр студента Вариант
Подпись студента Подпись преподавателя
Москва, 2006 г.
Расчет аппаратуры для защиты атмосферы от промышленных загрязнений
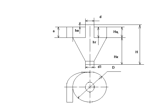
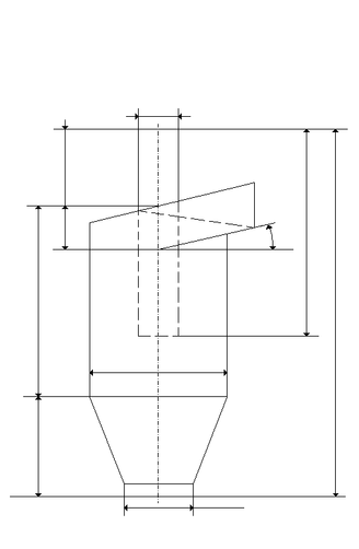
Различные производственные процессы могут загрязнять атмосферный воздух взвешенными твердыми или жидкими частицами, которые делятся на пыль, дым и туман. Для улавливания взвешенных частиц применяется различная аппаратура, в составе которой значительное место занимают циклонные аппараты, являющиеся наиболее распространенной аппаратурой для сухого механического пылеулавливания. Данное практическое занятие включает в себя расчет и оценку эффективности различных типов циклонных аппаратов. На рис. 1,2 приведены схемы циклонов с обозначением основных конструктивных параметров, значения которых в долях внутреннего диаметра D для различных типов циклонов приведены в табл. 1. В табл. 2 приведены некоторые технологические параметры циклонов.
Схема цилиндрического циклона
d
hT
H
d1
hB
a
Нц
Нк
D
Рис.1
Схема конического циклона
D - внутренний диаметр циклона ;H - высота циклона ;h т - высота выхлопной трубы ; Hц -высота цилиндрической части ; Hк - высота конуса циклона ;d - внутренний диаметр выхлопной трубы ;d1 - внутренний диаметр выпускного отверстия ;a - высота входного патрубка ;h в- высота внешней части выхлопной трубы
; Рис.2
Цилиндрические циклоны предназначены для улавливания сухой пыли, золы и т.п. Наиболее эффективно циклоны работают при размерах частиц пыли более 20 мкм. Конические циклоны предназначены для очистки газовых и воздушных сред при размерах частиц пыли менее 20 мкм и от сажистых частиц. Производительность циклона увеличивается с ростом его диаметра. Для расчета циклона необходимо выбрать тип циклона в зависимости от вида взвешенных частиц и их размера. Задавшись типом циклона, определяют оптимальную скорость Wопт (Табл.2).
Таблица 1
Геометрические размеры циклонов, приведенные в долях внутреннего диаметра D
| № п/п | Конструктивный параметр | Типы циклонов | ||||||
| Цилиндрические циклоны | Конические циклоны | |||||||
| ЦН-15 | ЦН-15У | ЦН-24 | ЦН-11 | СДК-ЦН-33 | СК-ЦН-34 | СК-ЦН-34М | ||
| 1 | , град | 15 | 15 | 24 | 11 | - | - | - |
| 2 | HТ | 1.74 | 1.5 | 2.11 | 1.56 | 0.535 | 0.515 | 0.4 |
| 3 | НЦ | 2.26 | 1.51 | 2.11 | 2.06 | 0.535 | 0.515 | 0.4 |
| 4 | НК | 2.0 | 1.5 | 1.75 | 2.0 | 0.3 | 2.11 | 2.6 |
| 5 | D | 0.59 | 0.59 | 0.59 | 0.59 | 0.334 | 0.34 | 0.22 |
| 6 | D1 | 0.35 | 0.35 | 0.35 | 0.35 | 0.334 | 0.229 | 0.18 |
| 7 | a | 0.66 | 0.66 | 1.11 | 0.48 | 0.535 | 0.25 | 0.4 |
| 8 | hВ | 0.3 | 0.3 | 0.4 | 0.3 | 0.25 | 0.515 | 0.3 |
Таблица 2
Значения оптимальной скорости и дисперсный состав пыли,
улавливаемой циклонный
| Наименование параметра | Типы циклонов | ||||||
| Цилиндрические циклоны | Цилиндрические циклоны | ||||||
| ЦН-15 | ЦН-15У | ЦН-24 | ЦН-11 | СДК-ЦН-33 | СК-ЦН-34 | СК-ЦН-34М | |
| Оптимальная скорость, Wопт, м/с | 3.5 | 3.5 | 4.5 | 3.5 | 2.0 | 1.7 | 2.0 |
| Дисперсный состав пыли, lg | 0.283 | 0.352 | 0.308 | 0.352 | 0.364 | 0.308 | 0.340 |
| dT50, мкм | 6.0 | 4.5 | 8.5 | 3.65 | 2.31 | 1.95 | 1.13 |
Примечание: дисперсный состав пыли приведен для следующих условий работы: D = 0.6 м; = 1930 кг/м3; = 22.210-6 Нс/м2; W = 3.5 м/с .
Для циклонов принят следующий ряд типовых значений внутренних диаметров: 200, 300, 400, 500, 600, 700, 800, 900, 1000, 1200, 1400, 1600, 1800, 2000, 2400, 3000 мм.
Диаметр циклона определяют по формуле:
где D - диаметр циклона, м;
Q - производительность циклона, м3/с;
Wопт - оптимальная скорость, м/с.
В соответствии с типом циклона по его диаметру определяют геометрические размеры циклона (табл.1).
Полученное значение диаметра необходимо округлить до ближайшего типового значения в соответствии с рядом принятых значений (см. с.5) и далее расчеты ведут по типовому значению D. Если расчетный диаметр циклона превышает его максимально-допустимое значение, то необходимо применять два или более параллельно установленных циклона.
По выбранному диаметру циклона определяют действительную скорость газа в циклоне по формуле:
где W – действительная скорость газа, м/с;
n - число циклонов.
Действительная скорость не должна отличаться от оптимальной более чем на 15%.
Для проведения оценки эффективности очистки газов в. циклоне сначала необходимо рассчитать диаметр частиц по формуле:
где d50 - диаметр частиц, улавливаемых с эффективностью 50%, мкм;
dТ50 - диаметр частиц, улавливаемых с эффективностью 50% для типового циклона (см. табл. 2), мкм;
D - диаметр циклона, м;
DТ - диаметр типового циклона (D = 0.6 м);
- плотность частиц, кг/м3;
Т - плотность частиц для типового циклона ( = 1930 кг/м3).
- вязкость газа, Нс/м2;
T - вязкость газа для типового циклона (Т = 22.210-6 Нс/м2);
W - действительная скорость газа, м/с;
WT - действительная скорость газа в типовом циклоне (WT = 3.5 м/с).
С учетом значений для типового циклона с характерными условиями, использованными для составления табл.2, расчетная формула (3) принимает вид:
Далее определяется параметр x по следующей формуле:
где dm и lg m - дисперсный состав пыли (задан по варианту);
lg - дисперсный состав пыли для данного типа циклона (см. табл. 2).
По значению параметра x определяют значение нормальной функции распределения Ф(x) (рис. 3).
Характеристики
Тип файла документ
Документы такого типа открываются такими программами, как Microsoft Office Word на компьютерах Windows, Apple Pages на компьютерах Mac, Open Office - бесплатная альтернатива на различных платформах, в том числе Linux. Наиболее простым и современным решением будут Google документы, так как открываются онлайн без скачивания прямо в браузере на любой платформе. Существуют российские качественные аналоги, например от Яндекса.
Будьте внимательны на мобильных устройствах, так как там используются упрощённый функционал даже в официальном приложении от Microsoft, поэтому для просмотра скачивайте PDF-версию. А если нужно редактировать файл, то используйте оригинальный файл.
Файлы такого типа обычно разбиты на страницы, а текст может быть форматированным (жирный, курсив, выбор шрифта, таблицы и т.п.), а также в него можно добавлять изображения. Формат идеально подходит для рефератов, докладов и РПЗ курсовых проектов, которые необходимо распечатать. Кстати перед печатью также сохраняйте файл в PDF, так как принтер может начудить со шрифтами.
















