Расчетно-пояснительные записки по экологии (1086343)
Текст из файла
Московский Государственный Университет Приборостроения и Информатики
Кафедра «Экология и безопасность жизнедеятельности»
Расчетно-пояснительная записка
«Оценка качества питьевой воды»
ФИО студента Группа
Шифр студента Вариант № 10
Подпись студента Подпись преподавателя
Москва 2013
1. Классификация нормативных требований к воде, используемой человеком.
Нормативные требования к воде, используемой человеком можно разбить на три группы:
– бактериологические показатели;
– показатели токсических веществ воды;
– органолептические показатели воды
2. Классификация категорий водопользования.
Водопользование различают двух категорий:
– к первой категории относится использование водного объекта в качестве источника хозяйственно-питьевого водоснабжения, а также для водоснабжения предприятий пищевой промышленности;
– ко второй категории относится использование водного объекта для купания, спорта и отдыха населения, а также использование водных объектов, находящихся в черте населенных мест.
3. Лимитирующие показатели вредности.
Лимитирующими показателями вредности являются:
– санитарно-токсикологический;
– общесанитарный;
– ораганолептический.
4. Гигиенические нормативы для вредных веществ, содержащихся в пробах питьевой воды. Сравнение фактических значения концентраций вредных веществ с нормативными.
| Вредное вещество | ПДК | Фактическое значение | Класс опасности | Вывод |
| Молибден | 0,25 | 0,4 | 2 | Превышает ПДК |
| Керосин технический | 0,01 | 0,005 | 4 | Превышает ПДК |
| Стронций (стабильный) | 7 | 2,5 | 2 | Не превышает ПДК |
| Никель | 0,1 | 0,1 | 3 | Не превышает ПДК |
| Стрептоцид | 0,5 | 0,4 | 4 | Не превышает ПДК |
Вода не пригодна для питья уже по показателям содержания в ней молибдена и технического керосина. Однако помимо этого в ней содержатся два вещества, обладающих 2-ым классом опасности – это уже указанный молибден и стабильный стронций. Сумма отношений концентраций каждого из них в водном объекте к соответствующим ПДК не должна превышать единицы:
,
Вывод: проба не соответствует нормативу, вода не пригодна для питья.
Московский Государственный Университет Приборостроения и Информатики
Кафедра «Экология и безопасность жизнедеятельности»
Расчетно-пояснительная записка
«Вредные вещества, воздействие и нормирование»
ФИО студента Группа
Шифр студента Вариант №10
Подпись студента Подпись преподавателя
Москва 2013
| №№ | Вещества | Концентрация вредного вещества, мг/м3 | Класс опасности | Особенности воздействия | Соответствие нормам каждого из веществ в отдельности | |||||
| Фактическая | Предельно допустимая | В воздухе рабочей зоны | В воздухе нас. мест при времени воздействия | |||||||
| В воздухе рабочей зоны | В воздухе населенного места | > 20 минут | 20 минут | |||||||
| Среднесуточная | Максимальная разовая | |||||||||
| 1 | 2 | 3 | 4 | 5 | 6 | 7 | 8 | 9 | 10 | 11 |
| 1 | С Ацетон | 0,2 | 200 | 0,35 | 0,35 | IV | - | < ПДК | < ПДК | < ПДК |
| 2 | Углерода оксид | 15 | 20 | 3 | 5 | IV | Ф | < ПДК | > ПДК | > ПДК |
| 3 | Кремния диоксид | 0,2 | 1 | 0,06 | 0,15 | III | Ф | < ПДК | > ПДК | > ПДК |
| 4 | С Фенол | 0,003 | 0,3 | 0,003 | 0,01 | II | - | < ПДК | = ПДК | < ПДК |
| 5 | Формальдегид | 0,02 | 0,5 | 0,003 | 0,035 | II | О, А | < ПДК | > ПДК | < ПДК |
| 6 | Толуол | 0,5 | 50 | 0,6 | 0,6 | III | - | < ПДК | < ПДК | < ПДК |
Фактический эффект суммации «ацетон + фенол» определяется по формуле:
,
В воздухе рабочей зоны
- соответствует
В воздухе населенного места среднесуточная
- не соответствует
В воздухе населенного места максимальная разовая
- соответствует
Московский Государственный Университет Приборостроения и Информатики
Кафедра «Экология и безопасность жизнедеятельности»
Расчетно-пояснительная записка
«Расчет аппаратуры для защиты атмосферы от промышленных загрязнений »
ФИО студента Группа
Шифр студента Вариант № 10
Подпись студента Подпись преподавателя
Москва 2013
| №№ варианта | Вид пыли | Дисперсный состав пыли | Кол-во очищаемо газа, Q, м3/с | Плотность частиц, , кг/м3 | вязкость газа 10-6, Нс/м2 | ||||
| Lg m | dm, мкм | ||||||||
| 1 | 2 | 3 | 4 | 5 | 6 | 7 | |||
| 10 | Пыль красителей | 0.4 | 5 | 1.0 | 1860 | 22.1 | |||
Для расчета циклона необходимо выбрать тип циклона в зависимости от вида взвешенных частиц и их размера. Для улавливания взвешенных частиц пыли красителей применяются циклоны малого диаметра; D<1000 мм.
Задавшись типом циклона, определим оптимальную скорость Wопт.
Исходя из исходных данных (дисперсного состава пыли) находим ближайшее значение Lg m и по нему выбираем тип циклона: конический циклон СДК-ЦН-33 со следующими параметрами:
- оптимальная скорость WОПТ =2 м/c;
- дисперсный состав пыли Lg = 0,364;
- d50=2,31 мкм.
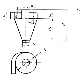
Схема конического циклона
D – внутренний диаметр циклона; d – внутренний диаметр выхлопной трубы;
H – высота циклона; d1 – внутренний диаметр пылевыпускного отверстия;
HT – высота выхлопной трубы; a – высота входного патрубка;
НЦ – высота цилиндрической части; hв – высота внешней части выхлопной трубы;
НК – высота конуса циклона; - угол наклона крышки и входного патрубка циклона.
Диаметр циклона определяют по формуле:
где D - диаметр циклона, м;
Q - производительность циклона, м3/с;
Wопт - оптимальная скорость, м/с.
м = 790 мм
Принимаем согласно стандартному ряду внутренних диаметров цикла:
D = 800 мм
| Конструктивный параметр | Доли внутреннего диаметра | Реальные геометрические размеры, мм |
| , град | - | - |
| HТ | 0,535 | 428 |
| НЦ | 0,535 | 428 |
| НК | 0,3 | 240 |
| d | 0,334 | 267,2 |
| d1 | 0,334 | 267,2 |
| a | 0,535 | 428 |
| hВ | 0,25 | 200 |
Действительную скорость газа в циклоне по формуле
где W – действительная скорость газа, м/с;
n – число циклонов; n = 1.
м/с
Диаметр частиц находим по формуле:
Характеристики
Тип файла документ
Документы такого типа открываются такими программами, как Microsoft Office Word на компьютерах Windows, Apple Pages на компьютерах Mac, Open Office - бесплатная альтернатива на различных платформах, в том числе Linux. Наиболее простым и современным решением будут Google документы, так как открываются онлайн без скачивания прямо в браузере на любой платформе. Существуют российские качественные аналоги, например от Яндекса.
Будьте внимательны на мобильных устройствах, так как там используются упрощённый функционал даже в официальном приложении от Microsoft, поэтому для просмотра скачивайте PDF-версию. А если нужно редактировать файл, то используйте оригинальный файл.
Файлы такого типа обычно разбиты на страницы, а текст может быть форматированным (жирный, курсив, выбор шрифта, таблицы и т.п.), а также в него можно добавлять изображения. Формат идеально подходит для рефератов, докладов и РПЗ курсовых проектов, которые необходимо распечатать. Кстати перед печатью также сохраняйте файл в PDF, так как принтер может начудить со шрифтами.
















