УПОС_Лаб_1 (1086040)
Текст из файла
МОСКОВСКИЙ ГОСУДАРСТВЕННЫЙ ИНСТИТУТ РАДИОТЕХНИКИ,
ЭЛЕКТРОНИКИ И АВТОМАТИКИ (ТЕХНИЧЕСКИЙ УНИВЕРСИТЕТ)
УСТРОЙСТВА ПРИЕМА И
ОБРАБОТКИ СИГНАЛОВ
Исследование преселектора и преобразователя частоты
Целью лабораторной работы является исследование принципа работы и качественных показателей двух основных узлов супергетеродинного радиоприемника: преселектора и преобразователя частоты, выполненных на транзисторах. Производится изучение характера зависимости качественных показателей этих узлов от параметров внутренних элементов и оптимизация этих показателей.
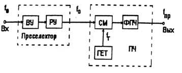
Преселектором (ПС) называется устройство, связывающее антенну супергетеродинного радиоприемного устройства (РПУ) с преобразователем частоты и обеспечивающее предварительные селекцию и усиление сигналов радиочастоты. Обычно ПС содержит входное устройство (ВУ) – линейный пассивный четырехполюсник, имеющий внутри один или несколько резонансных контуров, и резонансный усилитель (РУ) из одного-двух каскадов, обладающие избирательными свойствами. ПС отфильтровывает помехи зеркального и других дополнительных ("паразитных') каналов, возникающих при преобразовании частоты, и обеспечивает необходимую чувствительность РПУ в диапазоне СВЧ.
Преобразователем частоты (ПЧ) называется устройство для переноса спектра из одной частотной области (около рабочей частоты f0) в другую (около промежуточной частоты fпр) без изменения вида и характера модуляции Обычно ПЧ содержит нелинейный элемент (или элемент с переменным параметром), называемый смесителем, маломощный генератор высокочастотных колебаний, именуемый гетеродином, и избирательную систему на fпр в виде одного или нескольких колебательных контуров.
Описание лабораторной установки:
Лабораторный стенд содержит макет и измерительные приборы Макет представляет собой (рис.1) входное устройство (ВУ) и резонансный усилитель (РУ). образующие преселектор (ПС), с выхода которого сигнал поступает на преобразователь частоты (ПЧ). состоящий из смесителя (СМ), гетеродина (ГЕТ) и фильтра промежуточной частоты (ФПЧ).
ВУ (рис.2) состоит из резонансного контура L2, С2, СЗ. имеющего две фиксированные резонансные частоты fон и fОВ, переключаемые с помощью выключателя S1, и элементов связи с источником сигнала (антенной) и РУ Связь с источником – автотрансформаторная с помощью отводов от катушки L2 на гнезда П. Г2. а с РУ – непосредственная
Рис. 1
Рис. 2 Принципиальная схема преселектора и преобразователя частоты
Результаты изменений и графики снятых зависимостей:
Исследование показателей НЧ
1. Исследование коэффициента передачи преобразователя Kпр
Напряжение сигнала: Uс = 60 мВ
Частота сигнала: f0 = 2288 кГц
Частота гетеродина: fг = 1875 кГц
Промежуточная частота: fпр = fв – fг = 2288 – 1875 = 413 кГц
Коэффициент передачи измеряется по формуле:
| Uг, мВ | 0 | 0,2 | 0,4 | 0,6 | 0,8 | 1 | 1,2 | 1,4 | 1,6 | 1,8 | 2 |
| Uпр, мВ | 5 | 83 | 600 | 770 | 880 | 940 | 1100 | 1500 | 1250 | 1300 | 1350 |
| Kпр | 0,08 | 1,38 | 10 | 12,8 | 14,67 | 15,67 | 18,3 | 25 | 20,83 | 21,67 | 22,5 |
2. Исследование амплитудной характеристики преобразователя Uпр
Напряжение гетеродина: Uс = 0,3 В
Частота сигнала: f0 = 2288 кГц
Частота гетеродина: fг = 1875 кГц
Промежуточная частота: fпр = fв – fг = 2288 – 1875 = 413 кГц
Напряжение промежуточной частоты измеряется по формуле:
| Uс, мВ | 60 | 100 | 150 | 200 | 250 | 300 | 350 | 400 | 450 | 500 |
| Uвых, В | 0,51 | 0,85 | 1,15 | 1,35 | 1,6 | 1,8 | 1,95 | 2,05 | 2,15 | 2,25 |
| Uпр, В | 0,21 | 0,55 | 0,85 | 1,05 | 1,3 | 1,5 | 1,6 | 1,75 | 1,85 | 1,95 |
Динамический диапазон преобразователя определяется по формуле:
Из графика:
Uмин = 60 мВ
Uмакс = 400 мВ
3. Проверка развязки цепей сигнала и гетеродина
а) Измерение уровня напряжения гетеродина, просачивающегося в цепь сигнала
Напряжение гетеродина: Uс = 0,3 В
Напряжение на входных гнездах сигнала: U2 = 17 мВ
Напряжение на выходных гнездах гетеродина: U1 = 5 мВ
Степень подавления напряжения гетеродина в цепях сигнала:
б) Измерение уровня напряжения сигнала, просачивающегося в цепь гетеродина
Напряжение сигнала: Uс = 60 мВ
Напряжение на входе сигнала: U3 = 18 мВ
Напряжение на выходе гетеродина: U4 = 4 мВ
Степень подавления напряжения сигнала в цепях гетеродина:
4. Исследование частотной характеристики преобразователя Kпр
а) Напряжение сигнала: Uс = 0,1 В
| f0, МГц | 0,413 | 0,410 | 0,405 | 0,415 | 0,420 | 1,46 | 1,44 | 1,42 | 1,465 | 1,47 | 2,288 | 2,285 | 2,28 | 2,29 | 2,294 |
| U, В | 2,15 | 1,25 | 0,55 | 2,1 | 1,05 | 1,3 | 0,3 | 0,25 | 0,7 | 0,3 | 2,35 | 1,2 | 0,65 | 2,2 | 1,3 |
| Кпр | 21,5 | 12,5 | 5,5 | 21 | 10,5 | 13 | 3 | 2,5 | 7 | 3 | 23,5 | 12 | 6,5 | 22 | 13 |
а) Напряжение сигнала: Uс = 0,5 В
| f0, МГц | 0,414 | 0,4 | 0,39 | 0,42 | 0,43 | 0,44 | 0,73 | 0,72 | 0,71 | 0,74 | 0,75 | 1,144 | 1,14 | 1,36 | 1,148 | 1,152 | 1,156 |
| U, В | 7,2 | 1,2 | 0,7 | 3,2 | 1,4 | 0,9 | 0,8 | 0,15 | 0,125 | 0,05 | 0,01 | 0,5 | 0,2 | 0,1 | 0,26 | 0,16 | 0,14 |
| Кпр | 14,4 | 2,4 | 1,4 | 6,4 | 2,8 | 1,8 | 1,6 | 0,3 | 0,25 | 0,1 | 0,02 | 1 | 0,4 | 0,2 | 0,52 | 0,32 | 0,28 |
Избирательность ФПЧ по соседнему каналу определяется по формуле:
5. Оценка нелинейных искажений сигнала при преобразовании частоты
5
Характеристики
Тип файла документ
Документы такого типа открываются такими программами, как Microsoft Office Word на компьютерах Windows, Apple Pages на компьютерах Mac, Open Office - бесплатная альтернатива на различных платформах, в том числе Linux. Наиболее простым и современным решением будут Google документы, так как открываются онлайн без скачивания прямо в браузере на любой платформе. Существуют российские качественные аналоги, например от Яндекса.
Будьте внимательны на мобильных устройствах, так как там используются упрощённый функционал даже в официальном приложении от Microsoft, поэтому для просмотра скачивайте PDF-версию. А если нужно редактировать файл, то используйте оригинальный файл.
Файлы такого типа обычно разбиты на страницы, а текст может быть форматированным (жирный, курсив, выбор шрифта, таблицы и т.п.), а также в него можно добавлять изображения. Формат идеально подходит для рефератов, докладов и РПЗ курсовых проектов, которые необходимо распечатать. Кстати перед печатью также сохраняйте файл в PDF, так как принтер может начудить со шрифтами.















