Kursach (1085878)
Текст из файла
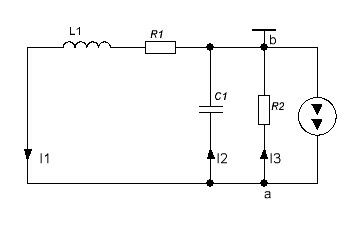
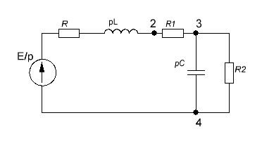
Задание
В случае расчёта переходного процесса
и
I. Исследование установившегося режима при периодическом негармоническом воздействии.
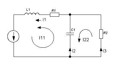
1.1 Расчет токов в ветвях от первой гармонической составляющей с помощью метода контурных токов.
1
.2 Нахождение токов и напряжений в цепи при работе источника второй гармонической составляющей с помощью метода узловых напряжений.
1.3 Проверка расчета тока i1 п. 1.1 методом эквивалентного генератора для первой гармоники.
(Сходится с током I1 в п. 1.1)
Проверка расчета тока i1 п. 1.2 методом эквивалентного генератора для второй гармоники.
(Сходится с током I1 в п. 1.2)
1.4 Построение для второй гармоники топографической диаграммы напряжений, совмещённой с векторной диаграммой токов всех ветвей.
1.5 Построение графика мгновенных значений тока I1, как суммы двух гармонических составляющих.
1.6 Нахождение аналитическим путем действующее значение результирующего тока.
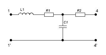
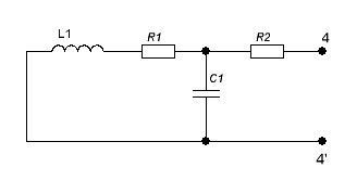
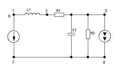
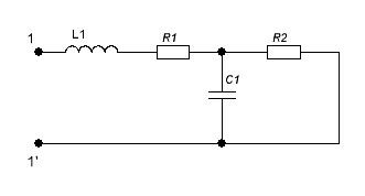
II. Исследование четырехполюсника
2
.2 Определение на частоте первой гармоники параметров холостого хода и короткого замыкания.
2.3 Определение характеристических сопротивлений
2.4 Определение коэффициентов формы [А] на частоте первой гармоники.
Проверка
2.5 Расчет характеристической постоянной Г.
2.6 Нахождение напряжения на выходе четырехполюсника Uвых при согласованной нагрузке, включив на вход источник с ЭДС
2.7 Определение коэффициента передачи по току в режиме короткого замыкания
2.8 Построение амплитудно-частотной и фазовой характеристик по выражению найденного коэффициента передачи.
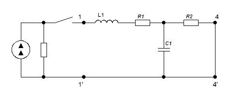
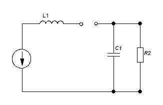
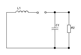
III. Исследование переходного процесса
3.1
Произведем замену источника тока с параллельно подключенным резистором эквивалентным источником напряжения с последовательно включенным резистором.
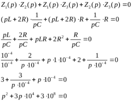
3.2 Определение тока i34 классическим методом
После коммутации:
Установившийся режим:
Характеристическое уравнение:
Корни характеристического уравнения будут иметь вид:
3.3 Расположение на комплексной плоскости корней характеристического уравнения:
3.4 Определение тока i34 операторным методом.
Корни характеристического уравнения:
Оригинал тока найдём по формуле разложения для комплексных корней.
3.5 Построение графика переходного процесса.
Характеристики
Тип файла документ
Документы такого типа открываются такими программами, как Microsoft Office Word на компьютерах Windows, Apple Pages на компьютерах Mac, Open Office - бесплатная альтернатива на различных платформах, в том числе Linux. Наиболее простым и современным решением будут Google документы, так как открываются онлайн без скачивания прямо в браузере на любой платформе. Существуют российские качественные аналоги, например от Яндекса.
Будьте внимательны на мобильных устройствах, так как там используются упрощённый функционал даже в официальном приложении от Microsoft, поэтому для просмотра скачивайте PDF-версию. А если нужно редактировать файл, то используйте оригинальный файл.
Файлы такого типа обычно разбиты на страницы, а текст может быть форматированным (жирный, курсив, выбор шрифта, таблицы и т.п.), а также в него можно добавлять изображения. Формат идеально подходит для рефератов, докладов и РПЗ курсовых проектов, которые необходимо распечатать. Кстати перед печатью также сохраняйте файл в PDF, так как принтер может начудить со шрифтами.
















